GM Service Manual Online
For 1990-2009 cars only
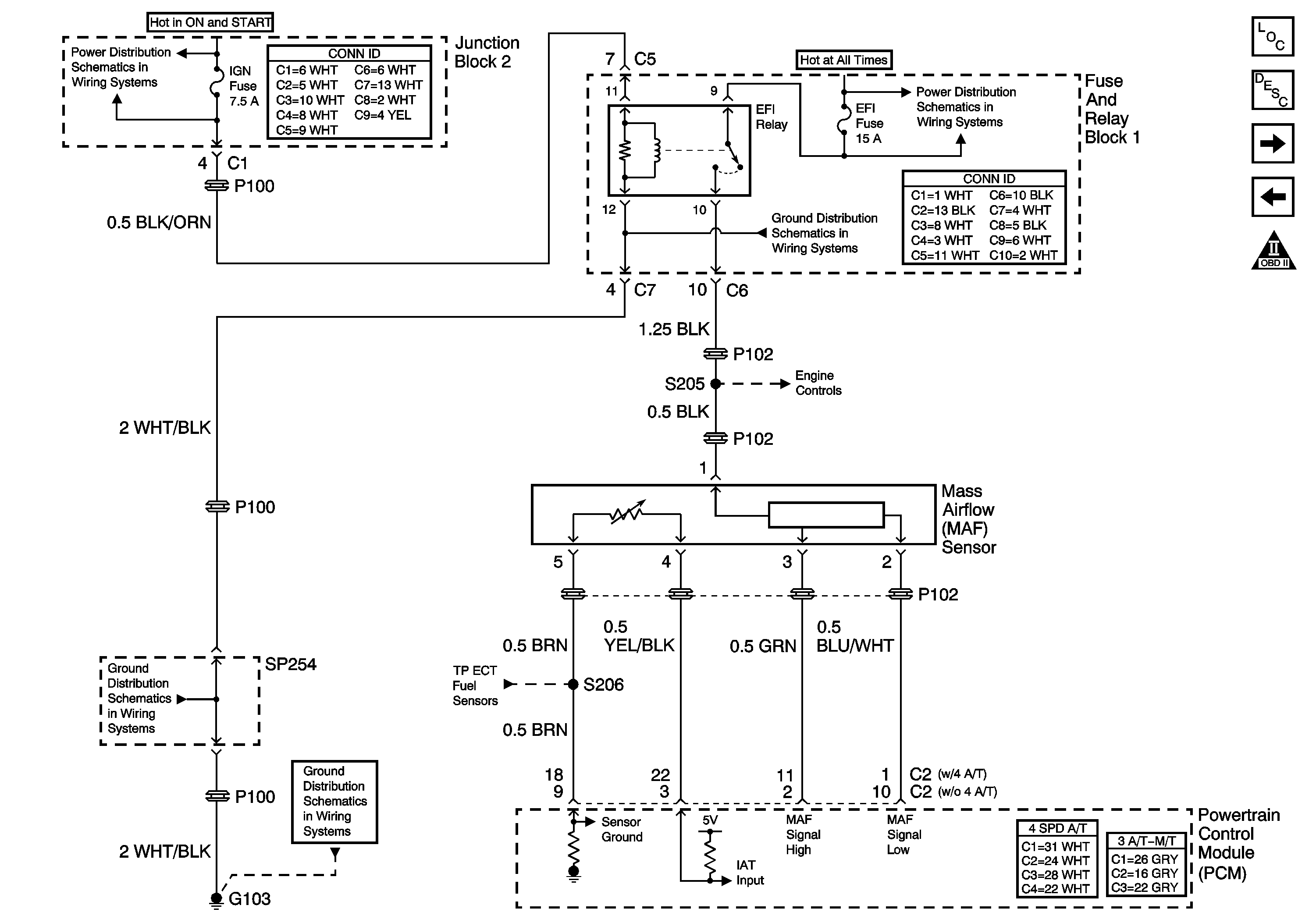
Figure 1:

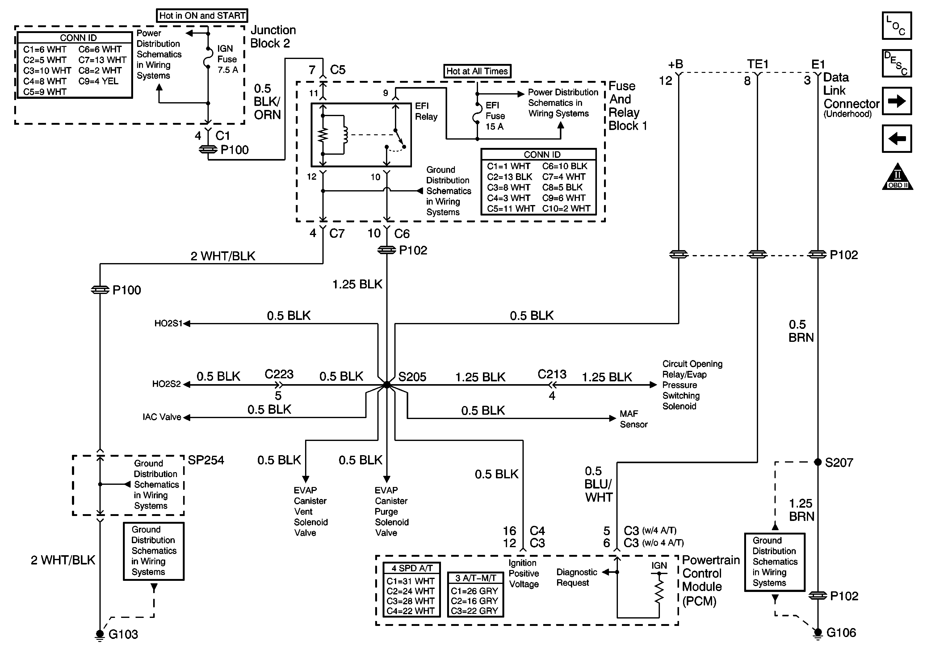
EFI Relay and PCM


Object Number: 688216  Size: FS
Master Electrical Component List
Powertrain Control Module Description
OBD II Symbol Description Notice
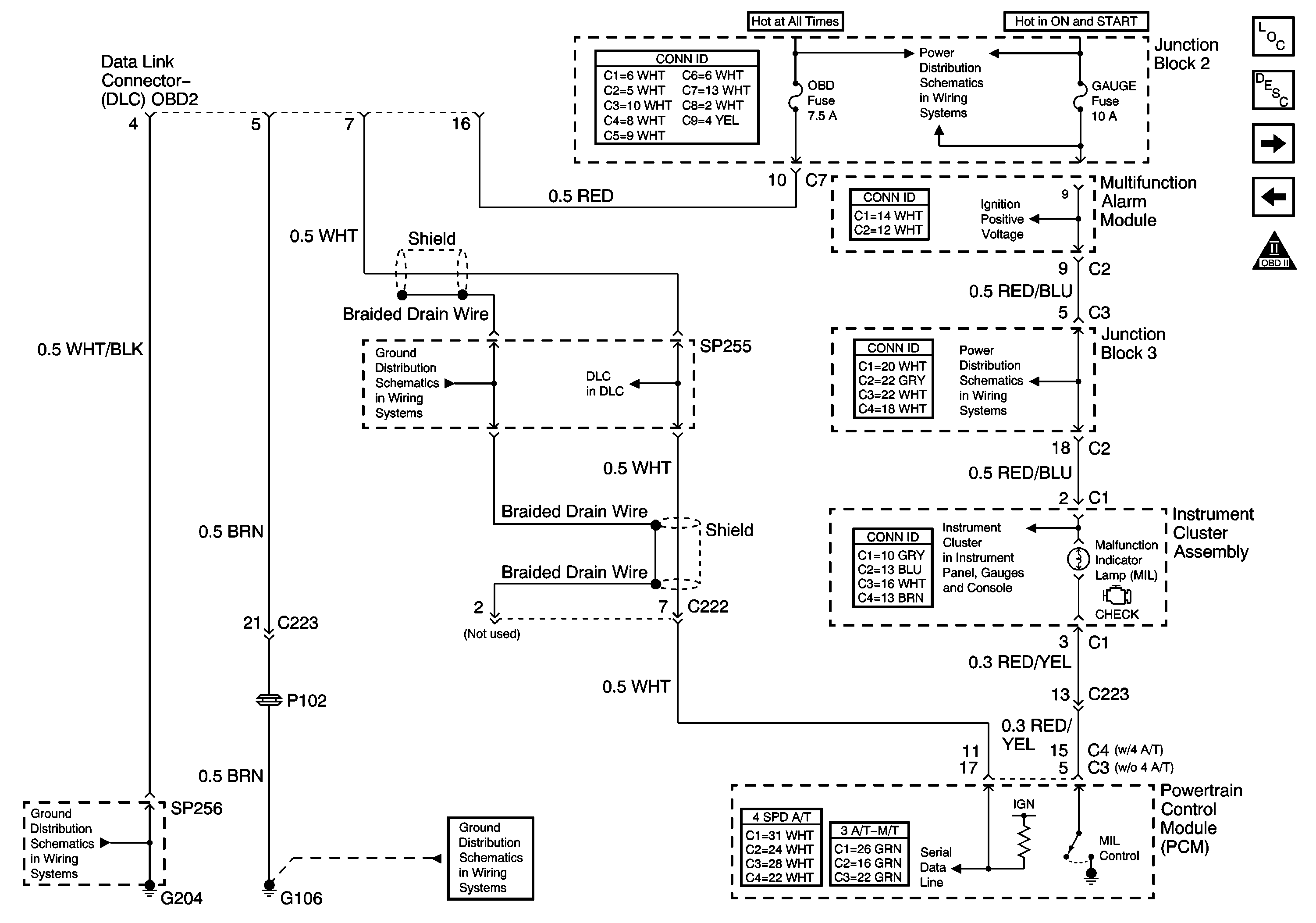
DLC (OBD2) and Multifunction Alarm Module, MIL
SP 254 and SP261
G105, G106 and S207
Ignition Switch, IGN and ST Fuses
Ignition Switch, IGN and ST Fuses
SP 254 and SP261
ALT-S, AM2, DOME, EFI, Hazard, Horn, and Main Fuses
Figure 2:

DLC (OBD2) and Multifunction Alarm Module, MIL


Object Number: 688226  Size: FS
Master Electrical Component List
Powertrain Control Module Description
OBD II Symbol Description Notice
DLC and Fuse Relay Block
EFI Relay and PCM
Oil Pressure Switch
Gauge Fuse
Gauge Fuse
Gauge Fuse
G105, G106 and S207
Data Link Connector (DLC) OBD2
SP259
G204, Junction Block 1, and SP256
Figure 3:

DLC and Fuse Relay Block


Object Number: 688230  Size: FS
Master Electrical Component List
Powertrain Control Module Description
OBD II Symbol Description Notice
Ignition Coils
DLC (OBD2) and Multifunction Alarm Module, MIL
G105, G106 and S207
ALT-S, AM2, DOME, EFI, Hazard, Horn, and Main Fuses
SP 254 and SP261
Ignition Switch, IGN and ST Fuses
SP 254 and SP261
G100, G101, G102, G103, and G104
Figure 4:

Ignition Coils


Object Number: 688234  Size: FS
Master Electrical Component List
Powertrain Control Module Description
OBD II Symbol Description Notice
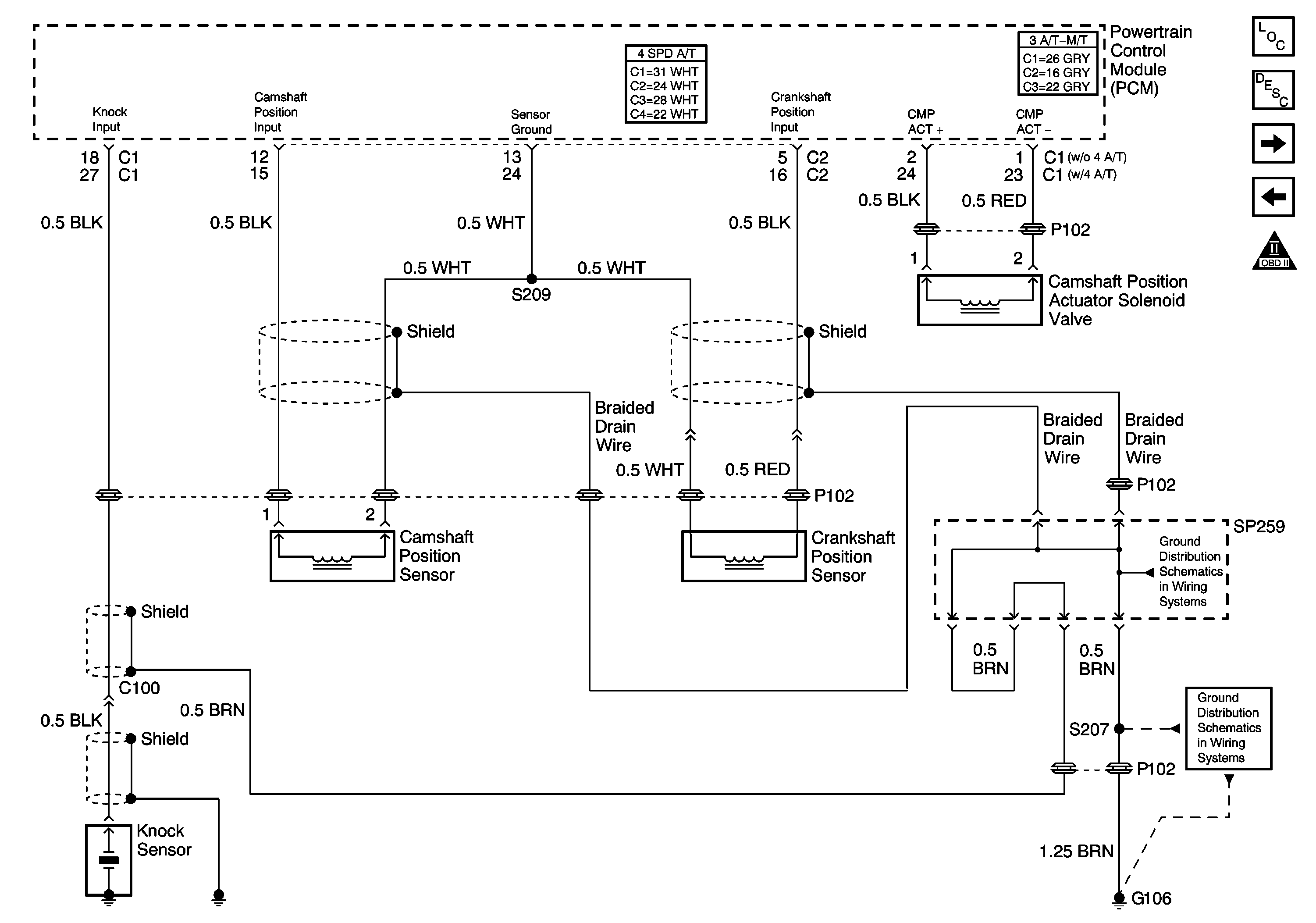
CMP Actuator Solenoid Valve, KS, CMP Sensor, CKP Sensor
DLC and Fuse Relay Block
G105, G106 and S207
Ignition Switch, IGN and ST Fuses
Figure 5:

CMP Actuator Solenoid Valve, KS, CMP Sensor, CKP Sensor


Object Number: 688241  Size: FS
Master Electrical Component List
Camshaft Actuator System Description
OBD II Symbol Description Notice
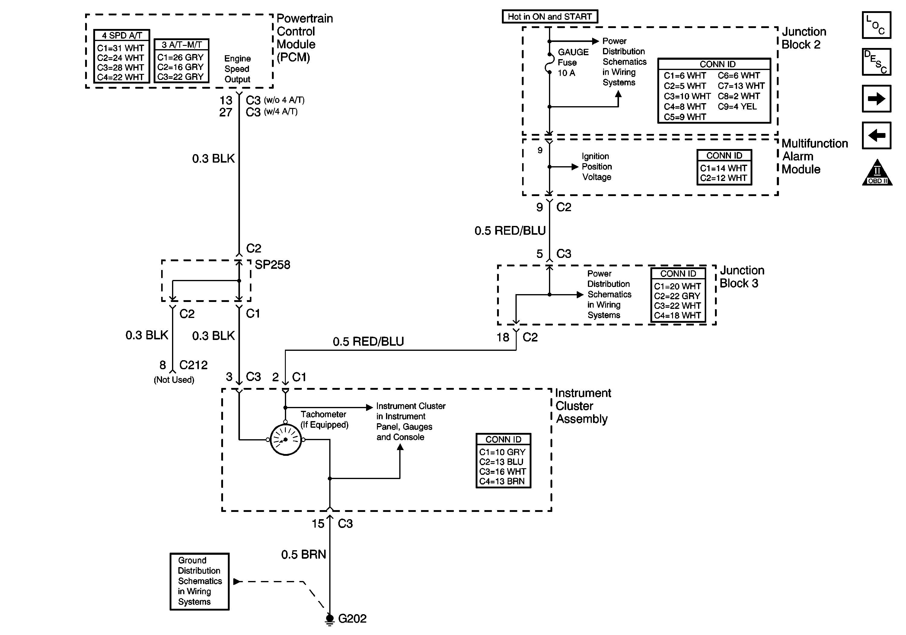
PCM, Multifunction Alarm Module Tachometer
Ignition Coils
SP259
G105, G106 and S207
Figure 6:

PCM, Multifunction Alarm Module Tachometer


Object Number: 688244  Size: FS
Master Electrical Component List
Powertrain Control Module Description
OBD II Symbol Description Notice
Fuel Sender Assembly
CMP Actuator Solenoid Valve, KS, CMP Sensor, CKP Sensor
Gauge Fuse
Gauge Fuse
Gauge Fuse
Fuel Sender Assembly, Ambient Air Temperature Sensor, and ECT Sensor
G201 and G202
Figure 7:

Fuel Sender Assembly


Object Number: 688246  Size: FS
Master Electrical Component List
Evaporative Emission Control System Description
OBD II Symbol Description Notice
Fuel Injectors
PCM, Multifunction Alarm Module Tachometer
G300, G301, G400, and SP451
SP 254 and SP261
SP 254 and SP261
ALT-S, AM2, DOME, EFI, Hazard, Horn, and Main Fuses
Ignition Switch, IGN and ST Fuses
Figure 8:

Fuel Injectors


Object Number: 688261  Size: FS
Master Electrical Component List
Fuel System Description
OBD II Symbol Description Notice
Engine Data Sensors
Fuel Sender Assembly
Ignition Switch, IGN and ST Fuses
Figure 9:

Engine Data Sensors


Object Number: 688266  Size: FS
Master Electrical Component List
Powertrain Control Module Description
OBD II Symbol Description Notice
MAF Sensor
Fuel Injectors
Figure 10:

MAF Sensor


Object Number: 688269  Size: FS
Master Electrical Component List
Powertrain Control Module Description
OBD II Symbol Description Notice
Heated Oxygen Sensors (HO2S)
Engine Data Sensors
ALT-S, AM2, DOME, EFI, Hazard, Horn, and Main Fuses
SP 254 and SP261
G100, G101, G102, G103, and G104
SP 254 and SP261
Ignition Switch, IGN and ST Fuses
Figure 11:

Heated Oxygen Sensors (HO2S)


Object Number: 688274  Size: FS
Master Electrical Component List
Powertrain Control Module Description
OBD II Symbol Description Notice
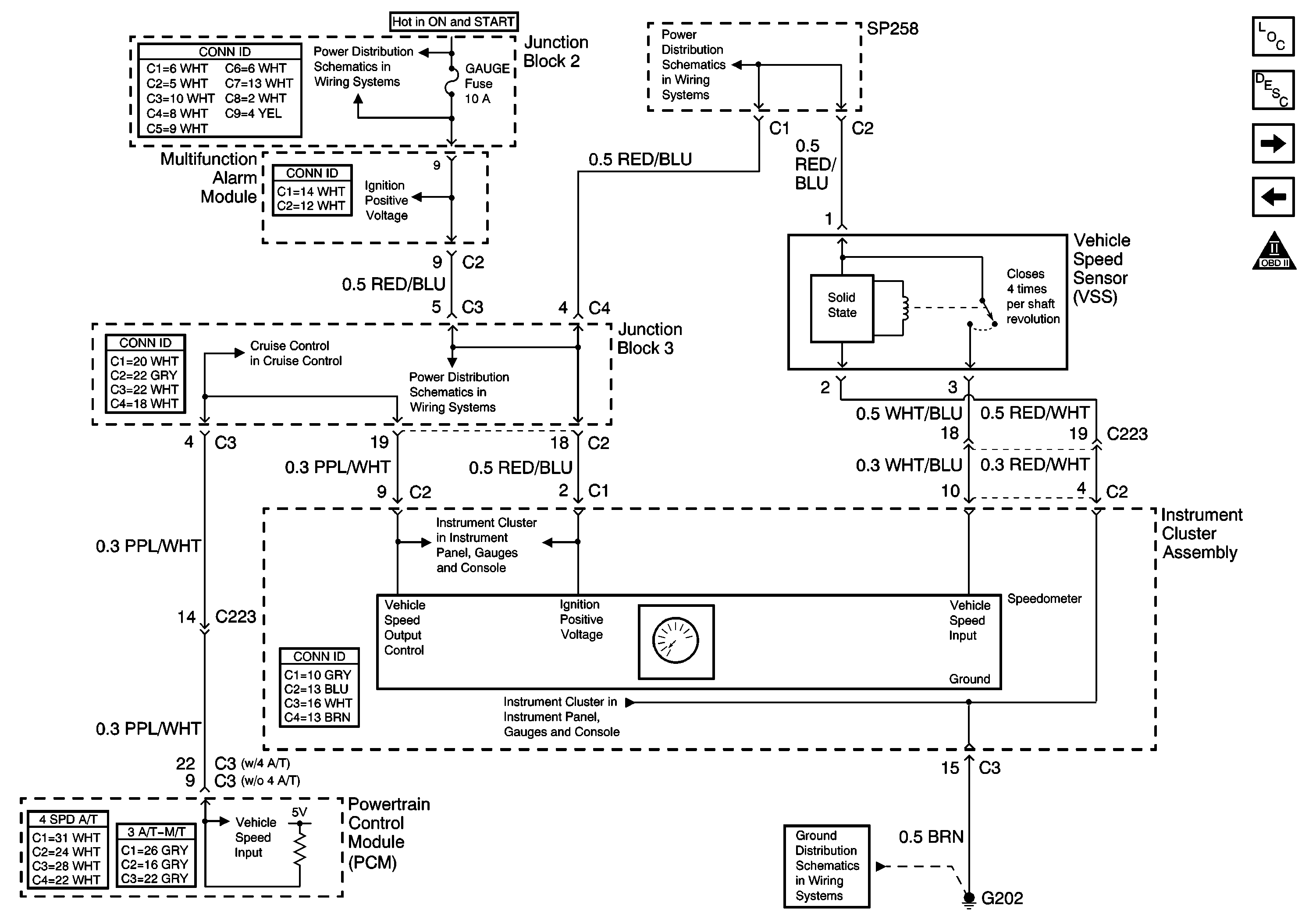
Vehicle Speed Sensor (VSS)
MAF Sensor
ALT-S, AM2, DOME, EFI, Hazard, Horn, and Main Fuses
SP 254 and SP261
G105, G106 and S207
G100, G101, G102, G103, and G104
SP 254 and SP261
Ignition Switch, IGN and ST Fuses
Figure 12:

Vehicle Speed Sensor (VSS)


Object Number: 688277  Size: FS
Master Electrical Component List
Powertrain Control Module Description
OBD II Symbol Description Notice
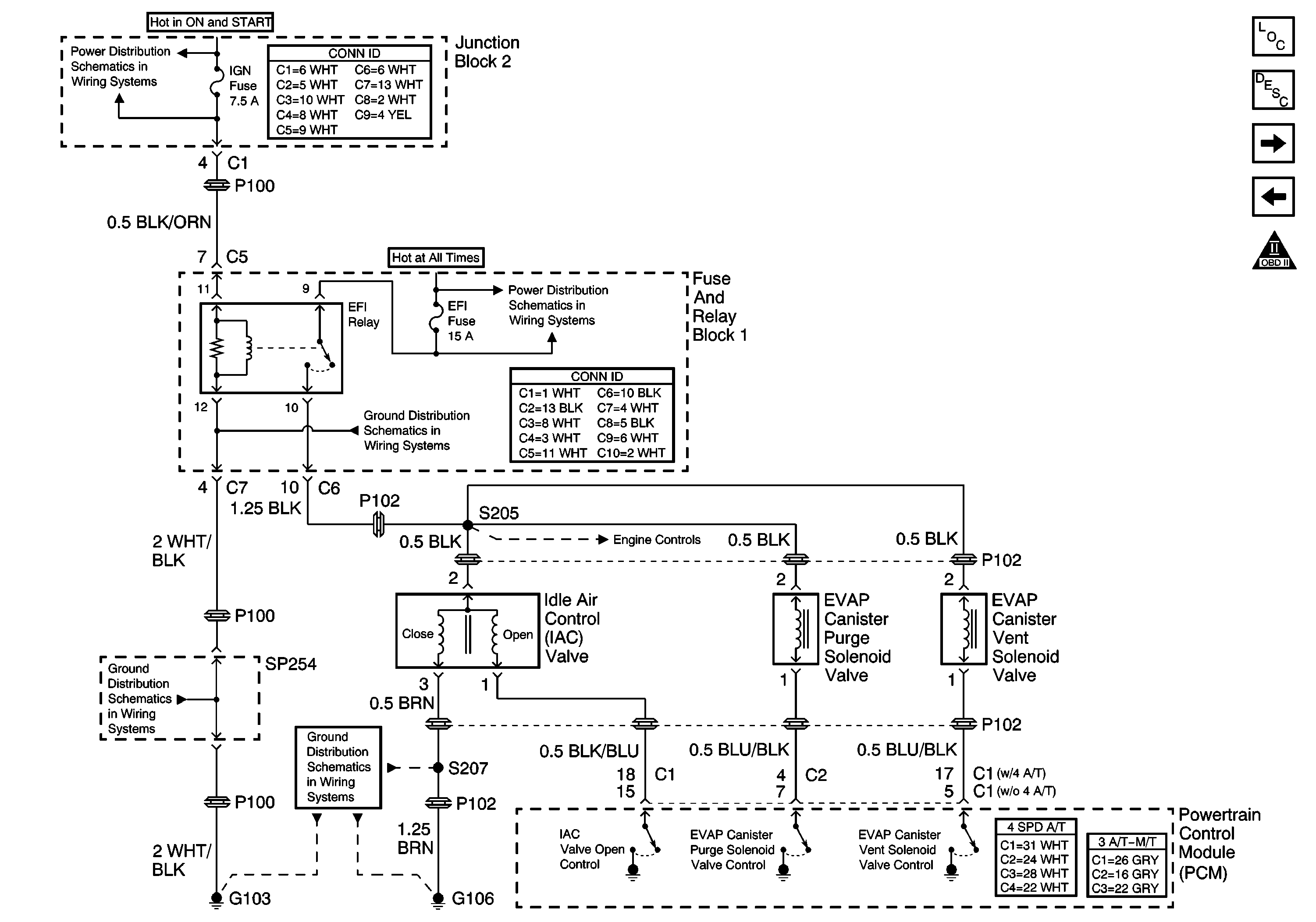
IAC Valve and EVAP Solenoid Valves
Heated Oxygen Sensors (HO2S)
G201 and G202
Fuel Sender Assembly, Ambient Air Temperature Sensor, and ECT Sensor
Fuel Sender Assembly, Ambient Air Temperature Sensor, and ECT Sensor
Gauge Fuse
Vehicle Speed Sensor
Gauge Fuse
Gauge Fuse
Figure 13:

IAC Valve and EVAP Solenoid Valves


Object Number: 688285  Size: FS
Master Electrical Component List
Evaporative Emission Control System Description
OBD II Symbol Description Notice
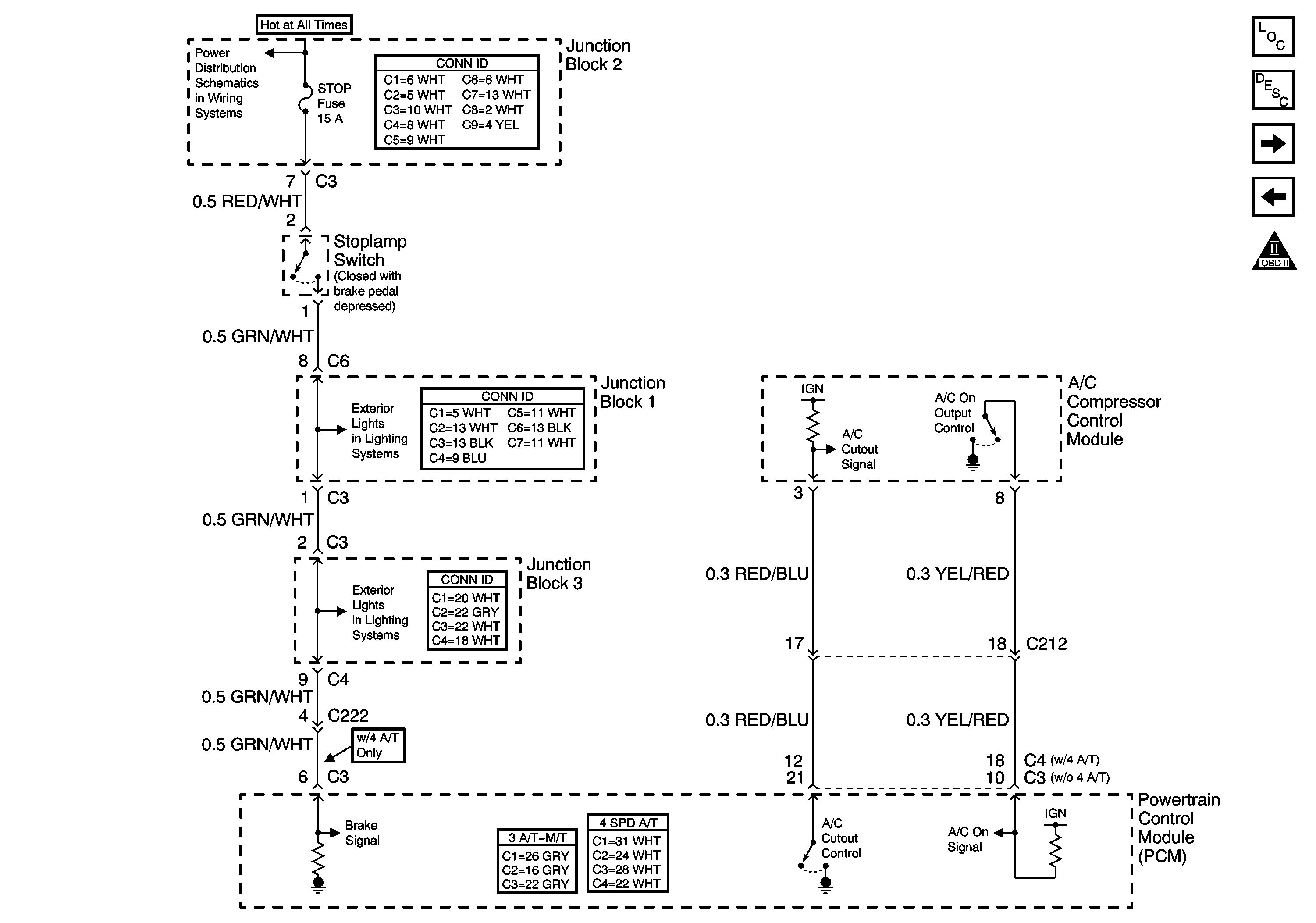
A/C Controls
Vehicle Speed Sensor (VSS)
G105, G106 and S207
SP 254 and SP261
SP 254 and SP261
ALT-S, AM2, DOME, EFI, Hazard, Horn, and Main Fuses
Ignition Switch, IGN and ST Fuses
Figure 14:

A/C Controls


Object Number: 688290  Size: FS
Master Electrical Component List
Powertrain Control Module Description
OBD II Symbol Description Notice
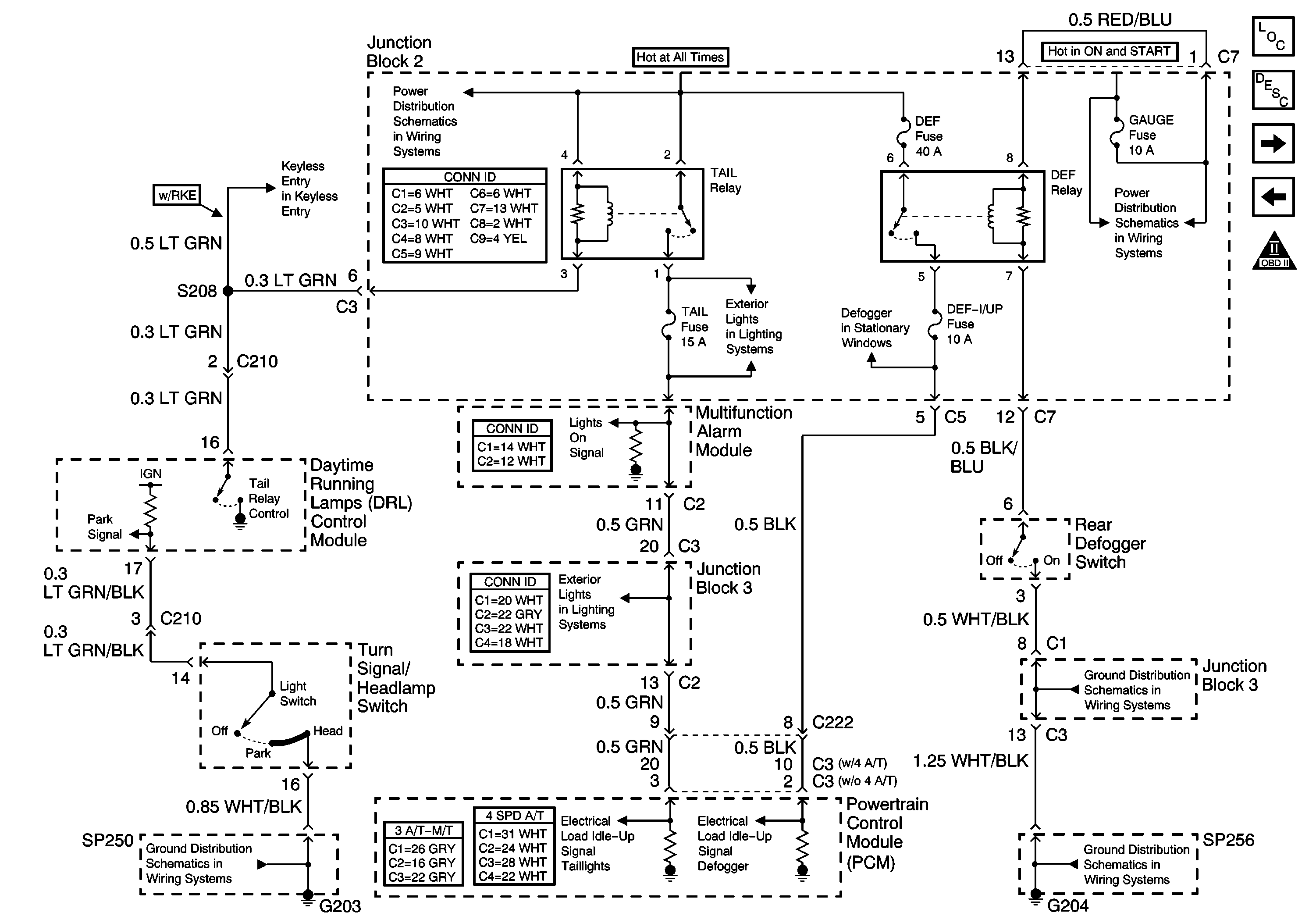
DRL Control Module and Rear Defogger Switch
IAC Valve and EVAP Solenoid Valves
Cruise Control Module, Shift Lock Control Module, and Stoplamp Switch
Cruise Control Module, Shift Lock Control Module, and Stoplamp Switch
ABS, ALT, AMI, DEF, DYL, ECU-B, HTR, OBD, POWER and STOP Fuses
Figure 15:

DRL Control Module and Rear Defogger Switch


Object Number: 688294  Size: FS
Master Electrical Component List
Powertrain Control Module Description
OBD II Symbol Description Notice
PNP Switch
A/C Controls
Gauge Fuse
Junction Block 3
G204, Junction Block 1, and SP256
Rear Defogger
LH Rear Combination Lamp and Right Front Park/Turn Lamp
IP Lamp Dimmer
ABS, ALT, AMI, DEF, DYL, ECU-B, HTR, OBD, POWER and STOP Fuses
Ignition Key Alarm Switch and Tail Relay
G200, G203, SP250, and SP650
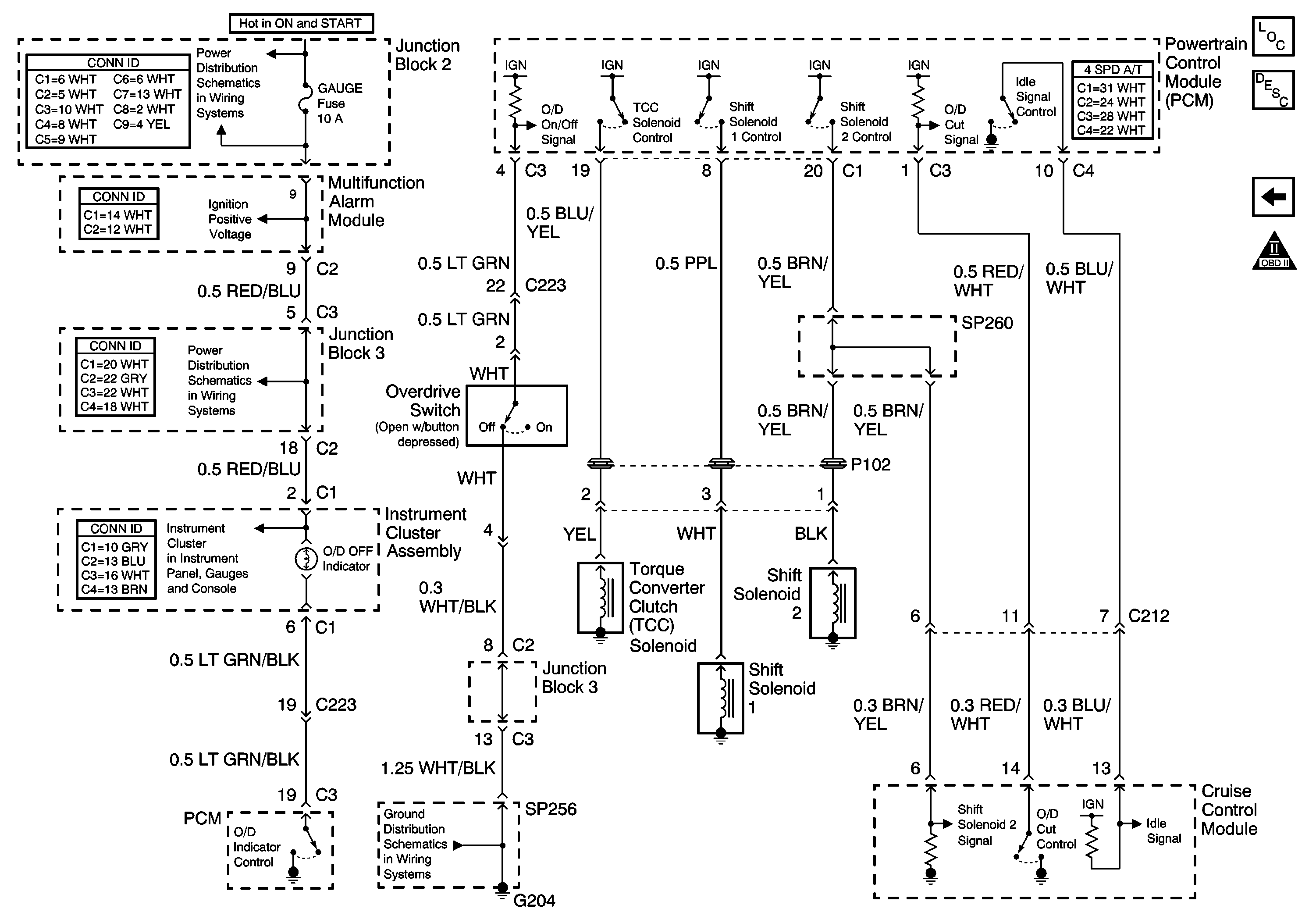
Figure 16:

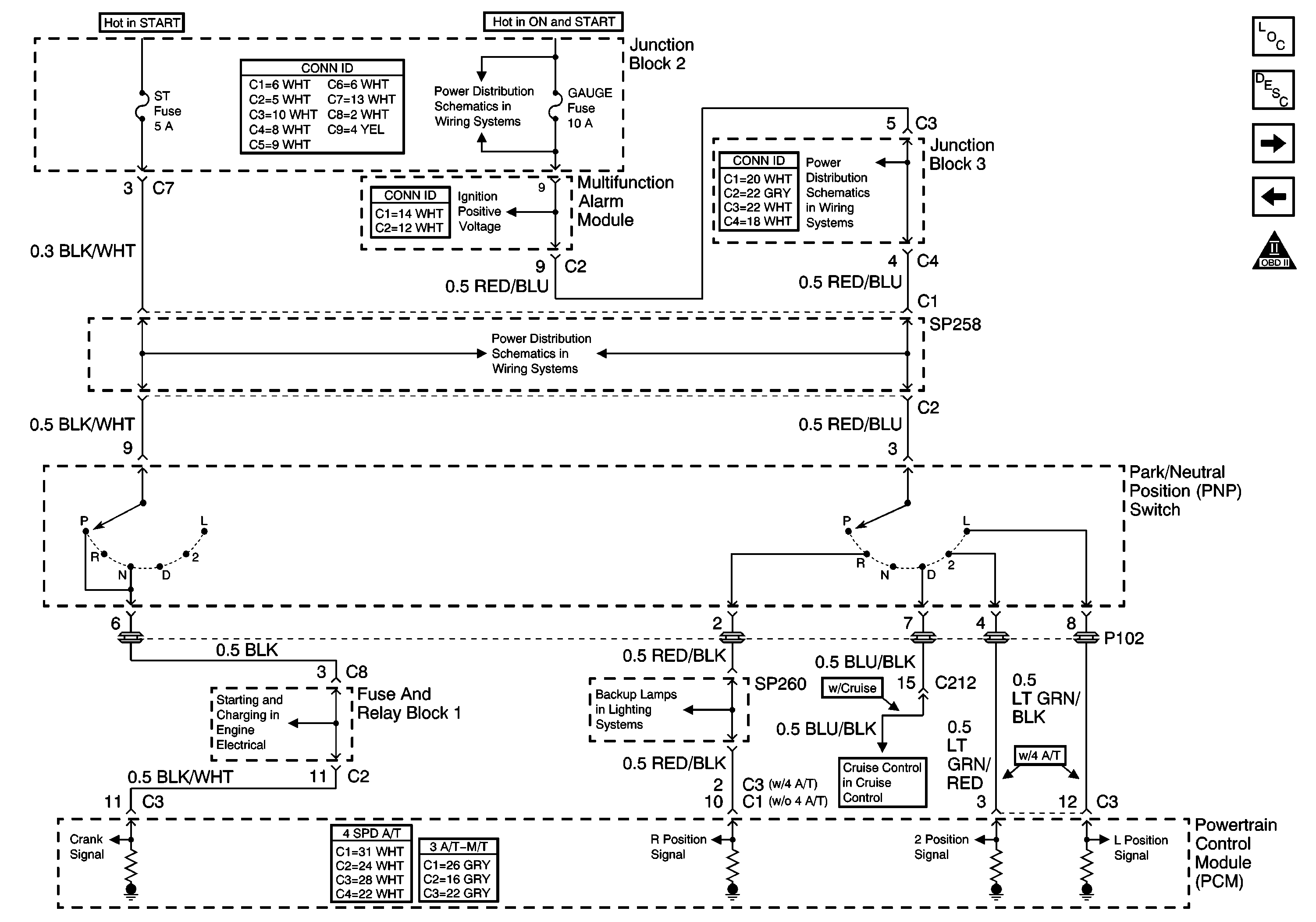
PNP Switch


Object Number: 688298  Size: FS
Master Electrical Component List
Powertrain Control Module Description
OBD II Symbol Description Notice
TCC Solenoid and Shift Solenoids
DRL Control Module and Rear Defogger Switch
Cruise Control Servo and Stoplamp Switch
PNP Switch and Backup Lamp Switch
Gauge Fuse
Gauge Fuse
Gauge Fuse
Gauge Fuse
Starting System
Figure 17:

TCC Solenoid and Shift Solenoids


Object Number: 688312  Size: FS
Master Electrical Component List
Powertrain Control Module Description
OBD II Symbol Description Notice
PNP Switch
G204, Junction Block 1, and SP256
Oil Pressure Switch
Gauge Fuse
Gauge Fuse
Gauge Fuse