GM Service Manual Online
For 1990-2009 cars only
Figure 1:

G100, G102


Object Number: 1458521  Size: FS
Master Electrical Component List
Control Module References
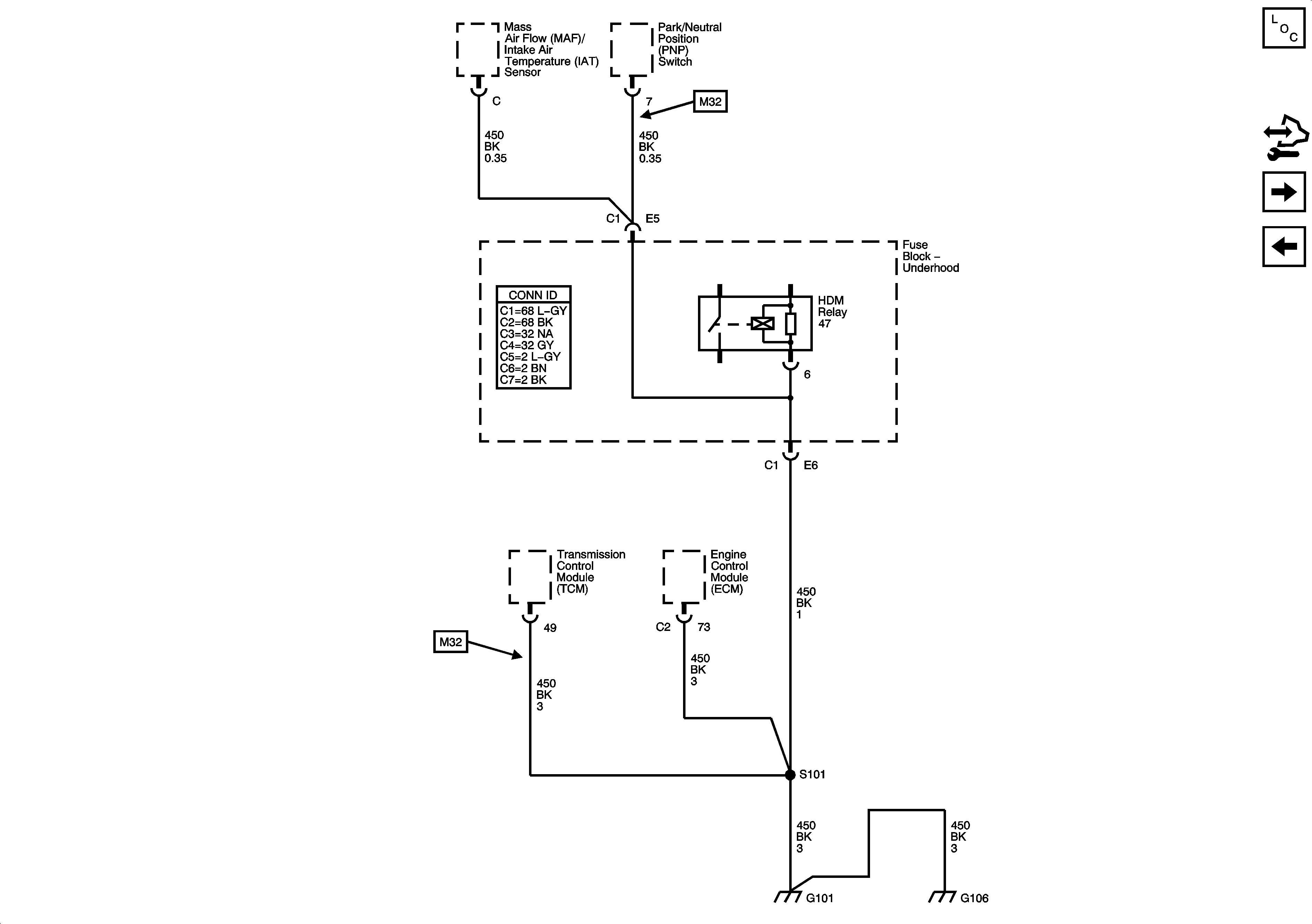
G101
Figure 2:

G101


Object Number: 1458522  Size: FS
Master Electrical Component List
Control Module References
G103, G104
G100, G102
Figure 3:

G103, G104


Object Number: 1458523  Size: FS
Master Electrical Component List
Control Module References
G105
G101
Figure 4:

G105


Object Number: 1458524  Size: FS
Master Electrical Component List
Control Module References
G200
G103, G104
Figure 5:

G200


Object Number: 1458525  Size: FS
Master Electrical Component List
Control Module References
G300
G105
SIR Caution for Zoning
Figure 6:

G300


Object Number: 1458526  Size: FS
Master Electrical Component List
Control Module References
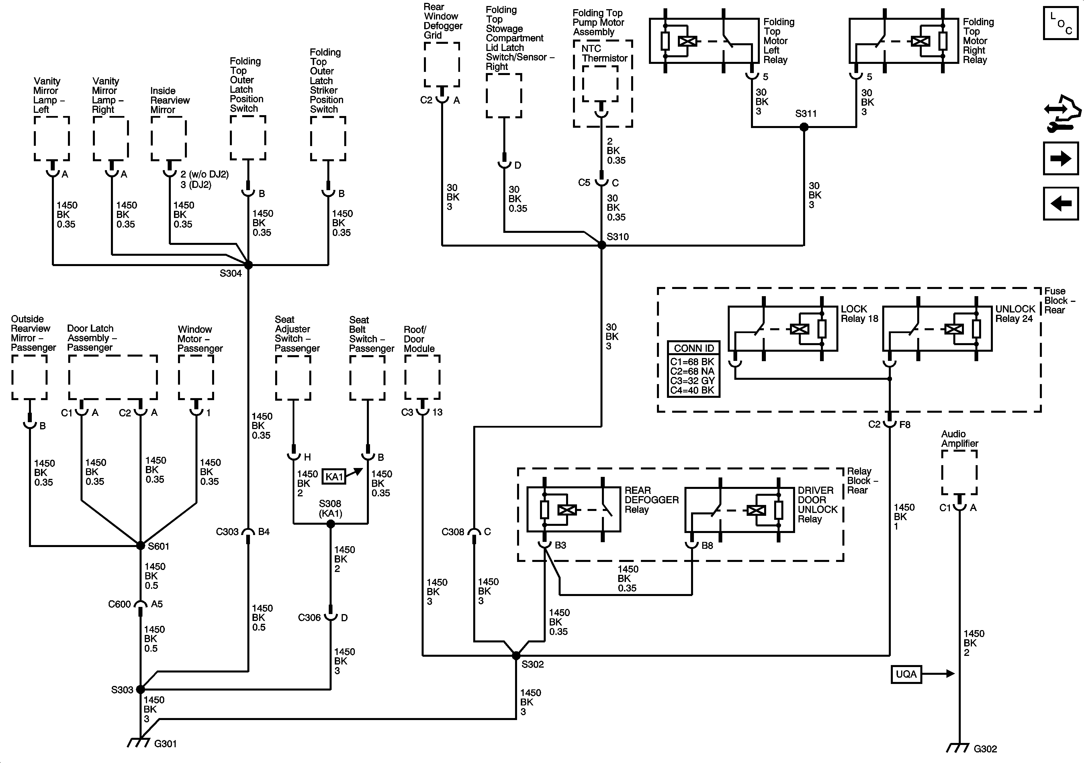
G301, G302
G200
Figure 7:

G301, G302


Object Number: 1458528  Size: FS
Master Electrical Component List
Control Module References
G400, G401, G402, G404, G405
G300
Figure 8:

G400, G401, G402, G403, G404, G405


Object Number: 1458529  Size: FS
Master Electrical Component List
Control Module References
G301, G302