GM Service Manual Online
For 1990-2009 cars only
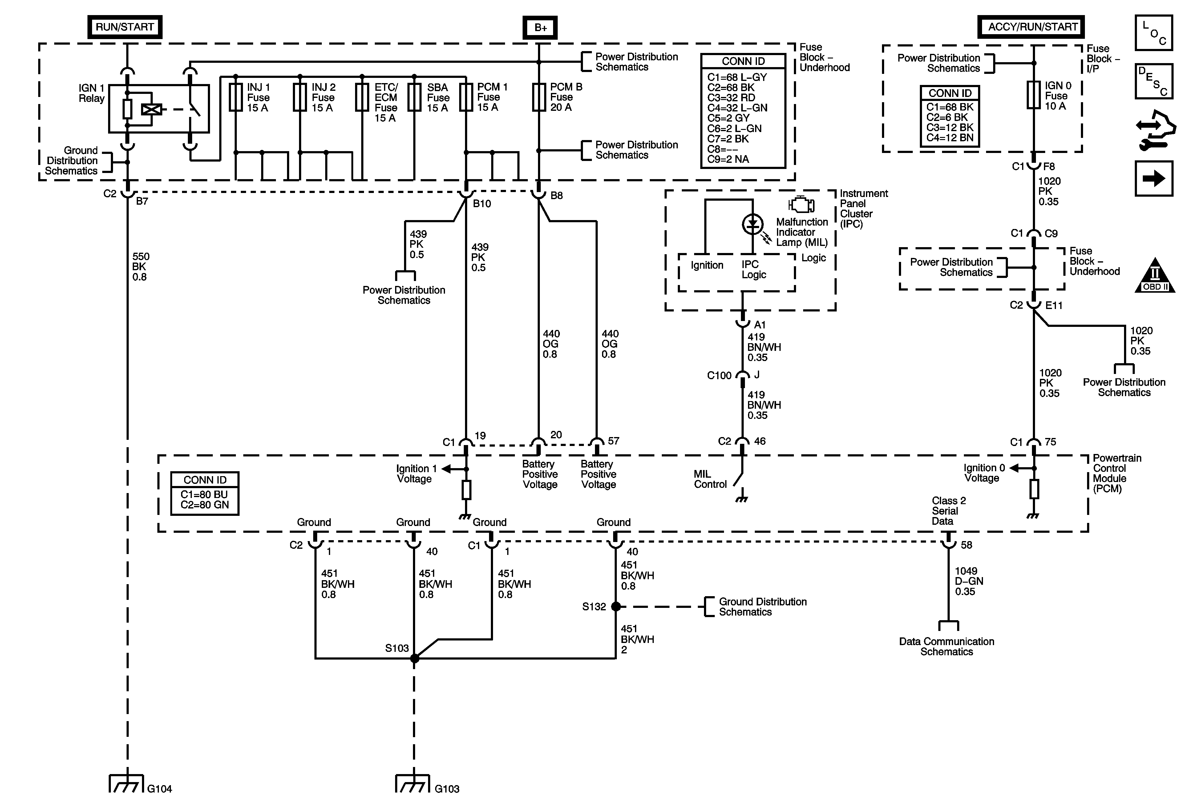
Figure 1:

Module Power, Ground, Serial Data, and MIL


Object Number: 1777052  Size: FS
Master Electrical Component List
Powertrain Control Module Description
Control Module References
Engine Data Sensors - 5-Volt and Low Reference
Engine Controls Schematic Icons
G104, G107, and G110
ETC/ECM, INJ1, INJ2, PCM 1, and SBA Fuses - Gas
B+ Bus Bar
AUX PWR, AUX PWR 2, DDM, ECC/TCM, ECM B, LBEC 2, LCKS, PCM B, PDM, and TCM B Fuses
Ignition Switch - START, RUN, and ACC/RUN/START BUS BARS, IGN A, and CRNK Fuses
IGN 0, RR WPR, SEO ACCY, TBC ACCY, TBC IGN 0, and WS WPR Fuses
IGN 0, RR WPR, SEO ACCY, TBC ACCY, TBC IGN 0, and WS WPR Fuses
G104, G107, and G110
G103 and G106 - Gas
G103 and G106 - Gas
Power, Ground, DLC and Splice Pack SP205
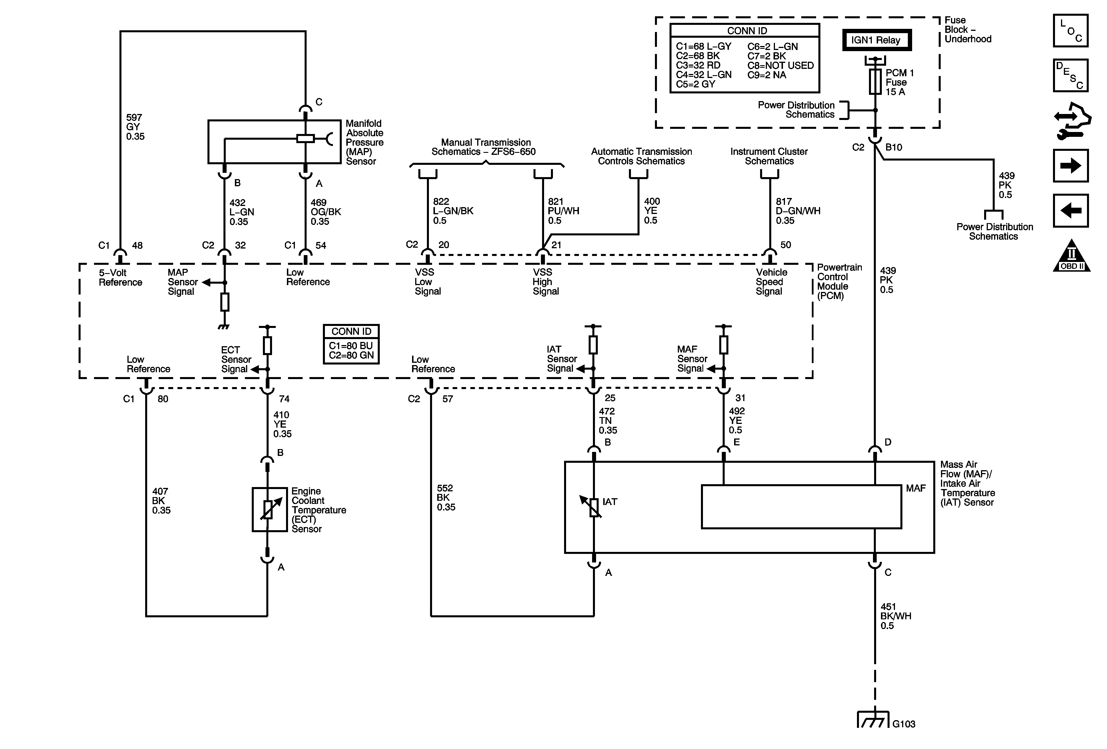
Figure 2:

Engine Data Sensors - 5-Volt and Low Reference


Object Number: 1777139  Size: FS
Master Electrical Component List
Fuel System Description
Control Module References
Engine Data Sensors - Pressure, Temperature, MAF, and VSS
Module Power, Ground, Serial Data, and MIL
Engine Controls Schematic Icons
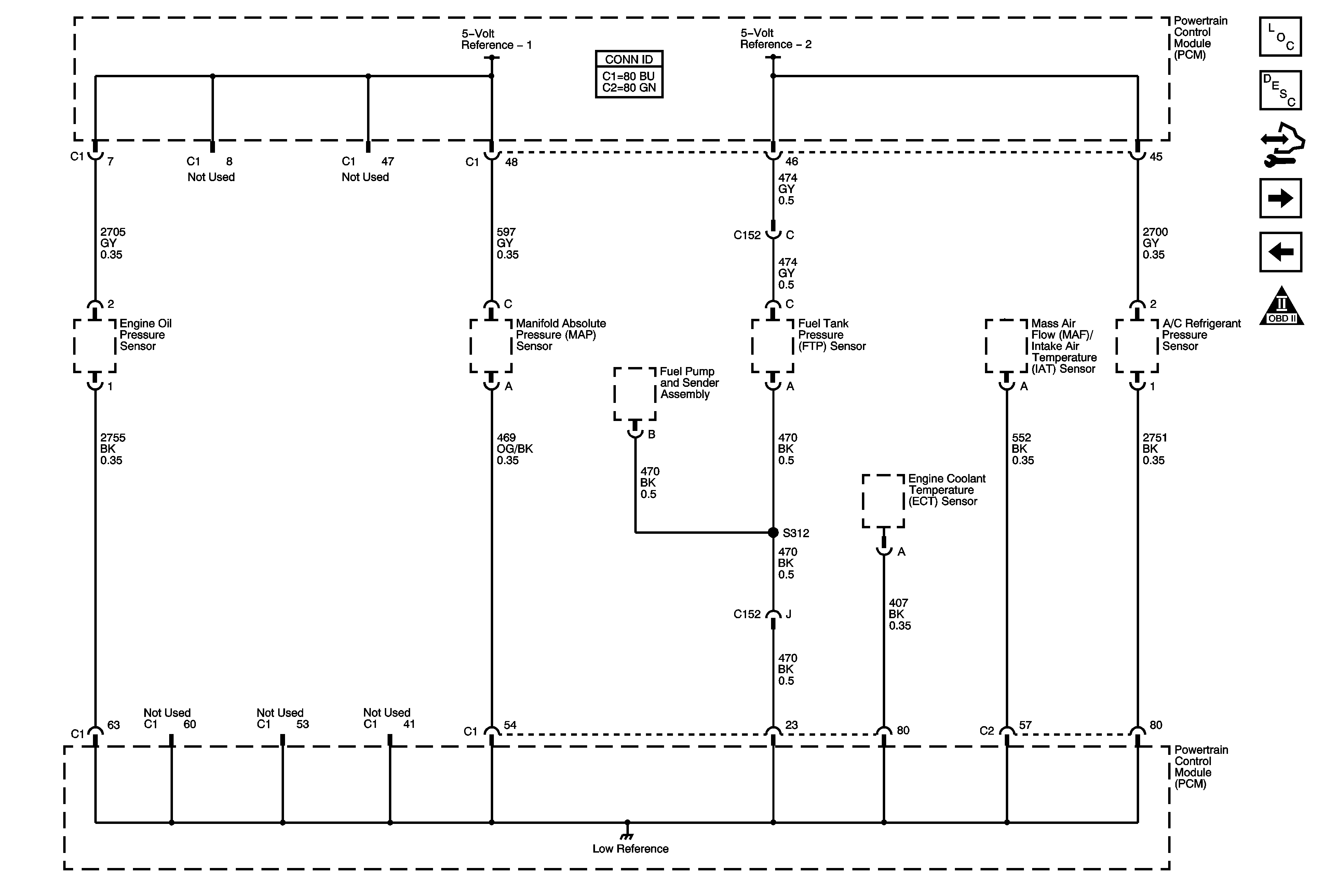
Figure 3:

Engine Data Sensors - Pressure, Temperature, MAF, and VSS


Object Number: 1777140  Size: FS
Master Electrical Component List
Electronic Ignition (EI) System Description
Control Module References
Engine Data Sensors - Oxygen Sensors
Engine Data Sensors - 5-Volt and Low Reference
Engine Controls Schematic Icons
Manual Transmission ZF S6-650 Schematics
Internal Mode Switch (IMS) and Speed Sensors
Gages, Vehicle Speed Sensor, Engine Oil Pressure, and Fuel Level Sensors
ETC/ECM, INJ1, INJ2, PCM 1, and SBA Fuses - Gas
ETC/ECM, INJ1, INJ2, PCM 1, and SBA Fuses - Gas
ETC/ECM, INJ1, INJ2, PCM 1, and SBA Fuses - Gas
G103 and G106 - Gas
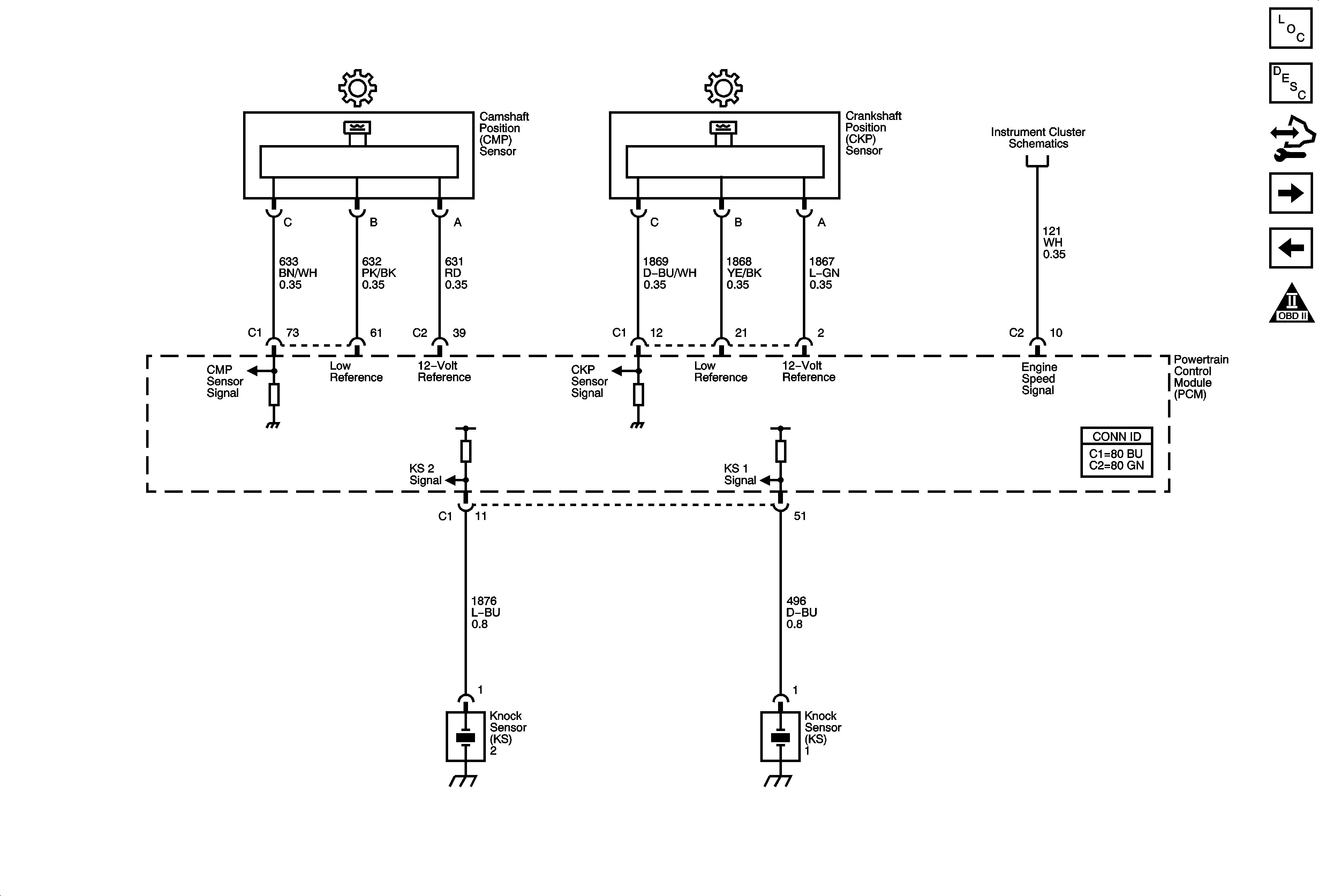
Figure 4:

Engine Data Sensors - Oxygen Sensors


Object Number: 1777144  Size: FS
Master Electrical Component List
Fuel System Description
Control Module References
Engine Data Sensors - Electronic Throttle Control
Engine Data Sensors - Pressure, Temperature, MAF, and VSS
Engine Controls Schematic Icons
Ignition Switch - ACC/RUN and RUN/START BUS BARS and IGN B Fuse
G103 and G106 - Gas
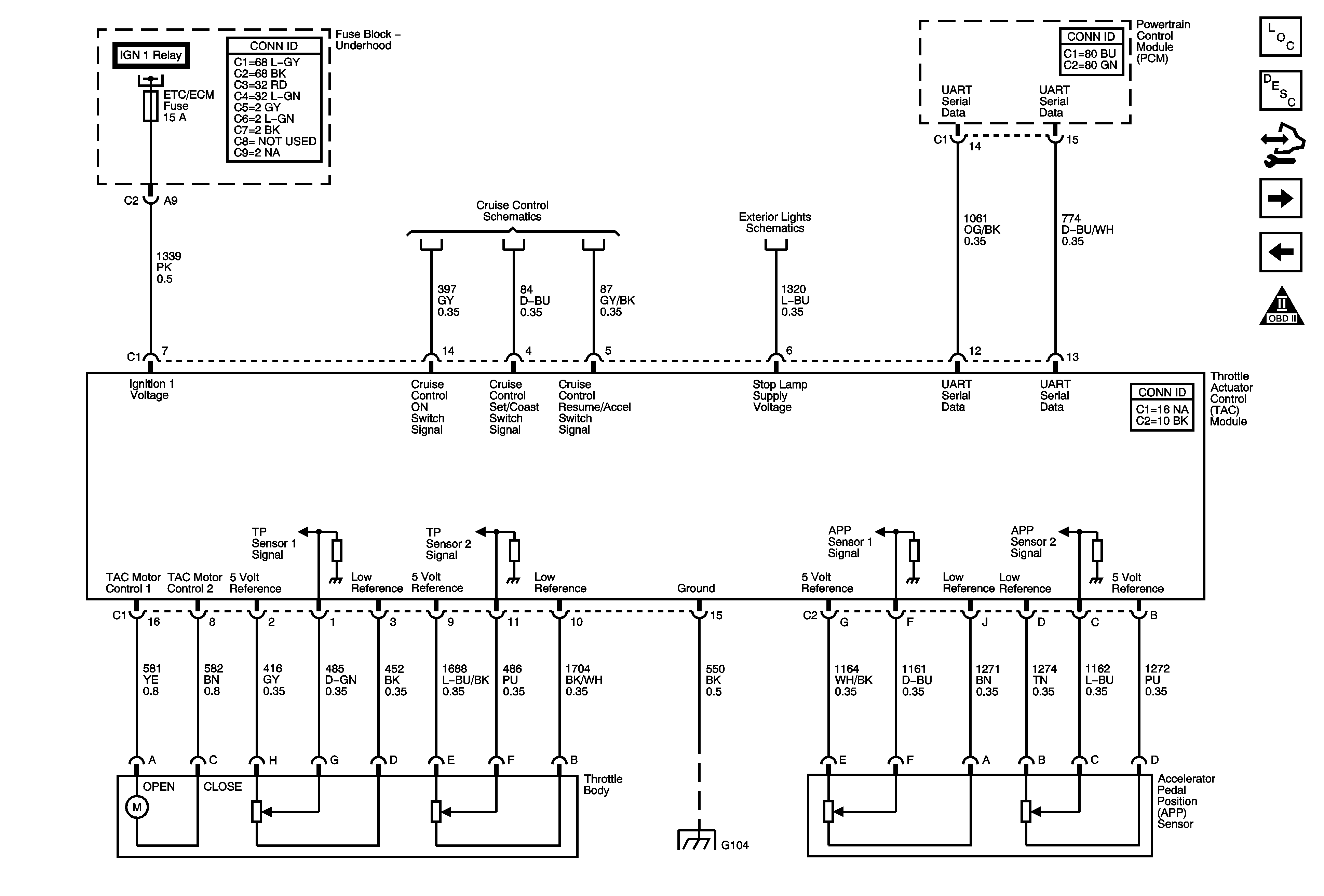
Figure 5:

Engine Data Sensors - Electronic Throttle Control


Object Number: 1777146  Size: FS
Master Electrical Component List
Throttle Actuator Control (TAC) System Description
Control Module References
IIgnition Controls - Ignition System Coils 1, 3, 5, 7
Engine Data Sensors - Oxygen Sensors
Engine Controls Schematic Icons
ETC/ECM, INJ1, INJ2, PCM 1, and SBA Fuses - Gas
4.8L, 5.3L, 6.0L, and 8.1L
Stop Lamp Switch and Signals
G104, G107, and G110
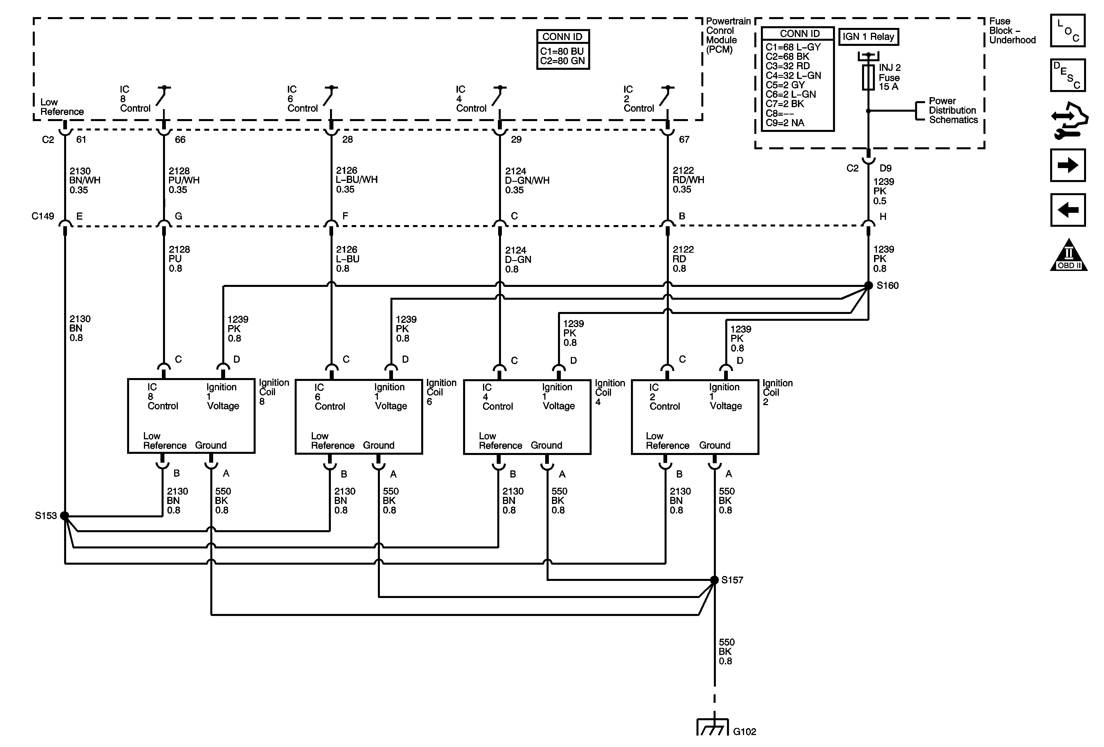
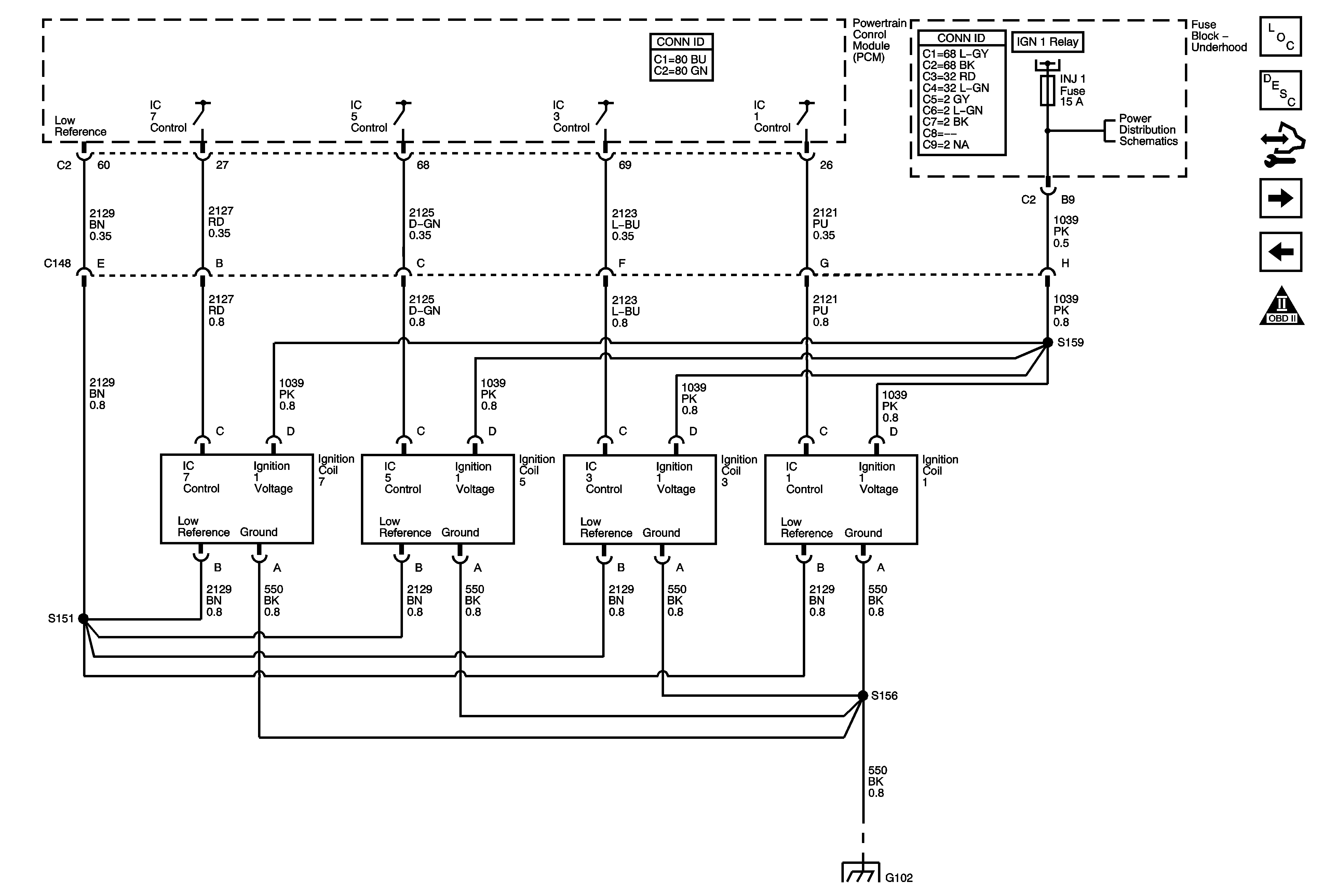
Figure 6:

Ignition Controls - Ignition System Coils 1, 3, 5, and 7


Object Number: 1777150  Size: FS
Master Electrical Component List
Electronic Ignition (EI) System Description
Control Module References
Ignition Controls - Ignition System Coils 2, 4, 6, 8
Engine Data Sensors - Electronic Throttle Control
Engine Controls Schematic Icons
ETC/ECM, INJ1, INJ2, PCM 1, and SBA Fuses - Gas
ETC/ECM, INJ1, INJ2, PCM 1, and SBA Fuses - Gas
G100 and G102
Figure 7:

Ignition Controls - Ignition System Coils 2, 4, 6, and 8


Object Number: 1777151  Size: FS
Master Electrical Component List
Electronic Ignition (EI) System Description
Control Module References
Ignition Controls - Sensors
IIgnition Controls - Ignition System Coils 1, 3, 5, 7
Engine Controls Schematic Icons
ETC/ECM, INJ1, INJ2, PCM 1, and SBA Fuses - Gas
ETC/ECM, INJ1, INJ2, PCM 1, and SBA Fuses - Gas
G100 and G102
Figure 8:

Ignition Controls - Sensors


Object Number: 1777154  Size: FS
Master Electrical Component List
Electronic Ignition (EI) System Description
Control Module References
Fuel Controls - Fuel Pump Controls
Ignition Controls - Ignition System Coils 2, 4, 6, 8
Engine Controls Schematic Icons
Gages, Vehicle Speed Sensor, Engine Oil Pressure, and Fuel Level Sensors
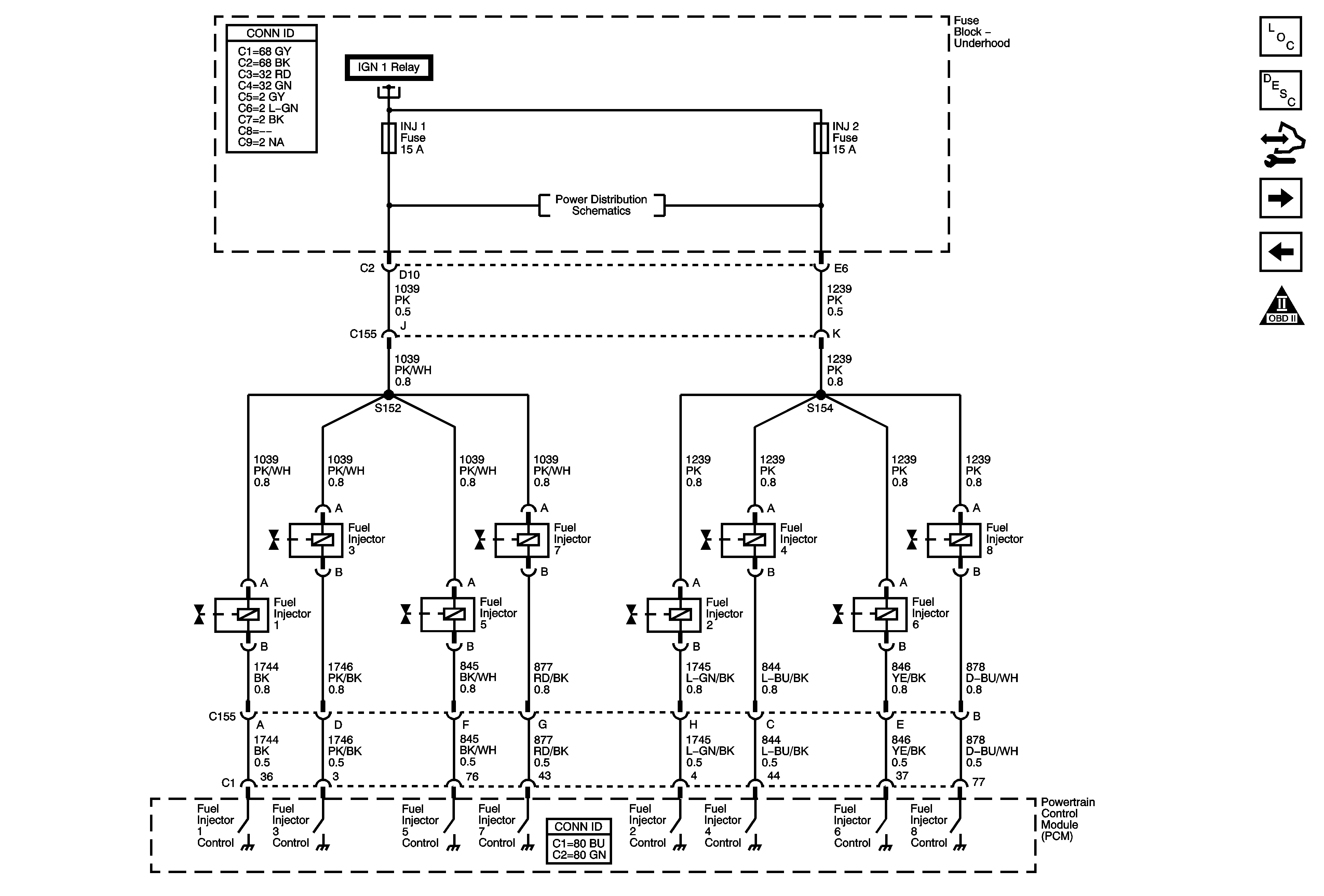
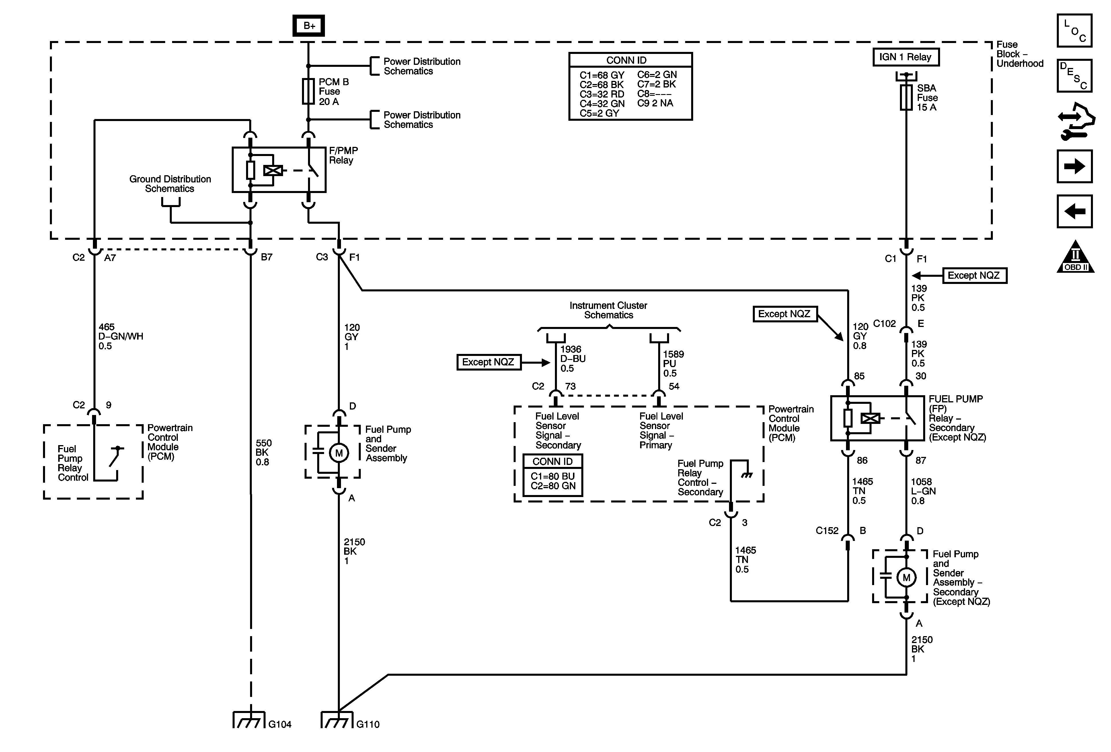
Figure 9:

Fuel Controls - Fuel Pump Controls


Object Number: 1777156  Size: FS
Master Electrical Component List
Fuel System Description
Control Module References
Fuel Controls - Fuel Injectors
Ignition Controls - Sensors
Engine Controls Schematic Icons
G104, G107, and G110
B+ Bus Bar
AUX PWR, AUX PWR 2, DDM, ECC/TCM, ECM B, LBEC 2, LCKS, PCM B, PDM, and TCM B Fuses
Gages, Vehicle Speed Sensor, Engine Oil Pressure, and Fuel Level Sensors
ETC/ECM, INJ1, INJ2, PCM 1, and SBA Fuses - Gas
G104, G107, and G110
Figure 10:

Fuel Controls - Fuel Injectors


Object Number: 1777160  Size: FS
Master Electrical Component List
Fuel System Description
Control Module References
Fuel Controls - EVAP Controls
Fuel Controls - Fuel Pump Controls
Engine Controls Schematic Icons
ETC/ECM, INJ1, INJ2, PCM 1, and SBA Fuses - Gas
ETC/ECM, INJ1, INJ2, PCM 1, and SBA Fuses - Gas
Figure 11:

Fuel Controls - EVAP Controls


Object Number: 1777161  Size: FS
Master Electrical Component List
Evaporative Emission Control System Description
Control Module References
Controlled/Subsystem References
Fuel Controls - Fuel Injectors
Engine Controls Schematic Icons
ETC/ECM, INJ1, INJ2, PCM 1, and SBA Fuses - Gas
ETC/ECM, INJ1, INJ2, PCM 1, and SBA Fuses - Gas
B+ Bus Bar
Gages, Vehicle Speed Sensor, Engine Oil Pressure, and Fuel Level Sensors
Figure 12:

Transmission and Controlled/Monitored Subsystem References


Object Number: 1777164  Size: FS
Master Electrical Component List
Powertrain Control Module Description
Control Module References
Fuel Controls - EVAP Controls
Engine Controls Schematic Icons
Power Take Off Schematics
Indicators, Water in Fuel Sensor, Engine Oil Level Switch, and Washer Fluid Level Sensor
Power, Ground, Serial Data, and Transfer Case Encoder Motor
Transfer Case NVG 261-NP2 Control Schematics
Transfer Case NVG 261-NP2 Control Schematics
Power, Ground, Serial Data, Indicator and Stop Lamp Switch - All Others
A/C Compressor Control
A/C Compressor Controls
Starting - Gas
Gages, Vehicle Speed Sensor, Engine Oil Pressure, and Fuel Level Sensors
Charging - 20/30 Series - Gas
Power, Ground, Serial Data, Indicator and Stop Lamp Switch - All Others
MIL Control, Serial Data, Shift Solenoids, PCS2, Torque Signals, and Tow/Haul Switch
Internal Mode Switch (IMS) and Speed Sensors
Manual Transmission ZF S6-650 Schematics
8.1L and Diesel