GM Service Manual Online
For 1990-2009 cars only
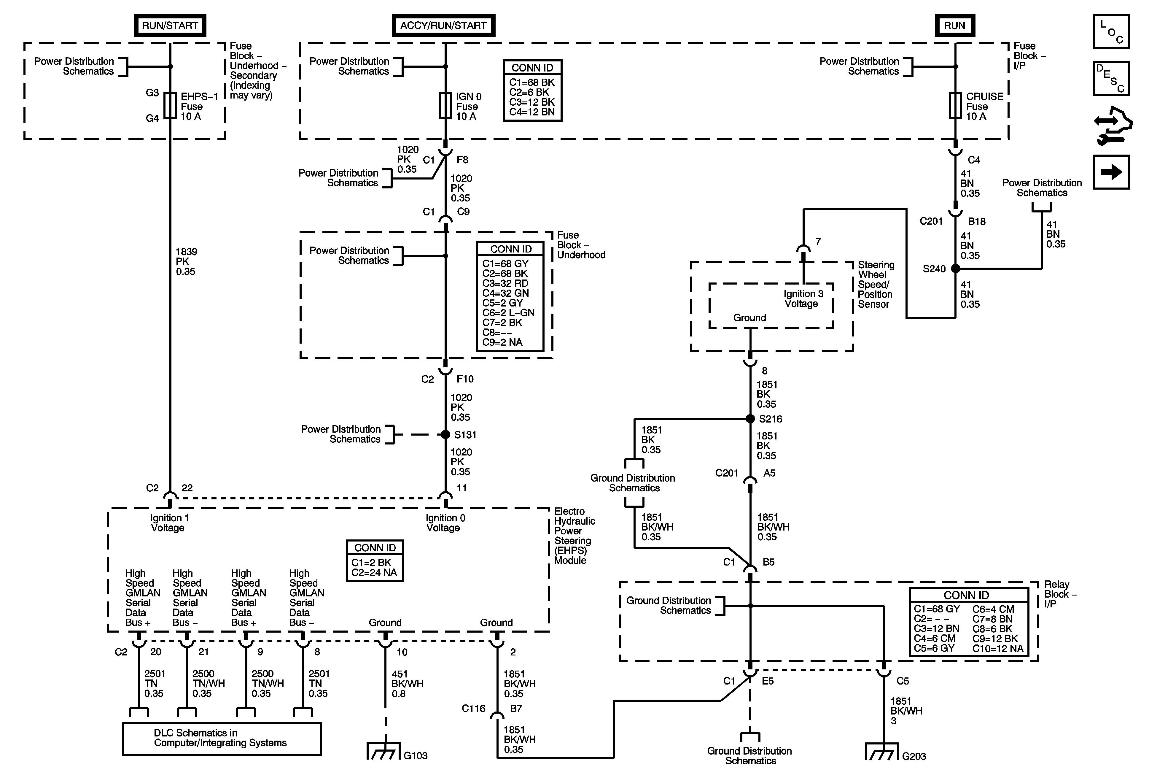
Figure 1:

Power, Ground, and Serial Data


Object Number: 1795360  Size: FS
Master Electrical Component List
Power Steering System Description and Operation (w/ Electro-Hydraulic Steering)
Control Module References
Steering Wheel/Speed and Brake Pedal Position Sensor
Ignition Switch - ACC/RUN and RUN/START BUS BARS and IGN B Fuse
Ignition Switch - START, RUN, and ACC/RUN/START BUS BARS, IGN A, and CRNK Fuses
Ignition Switch - START, RUN, and ACC/RUN/START BUS BARS, IGN A, and CRNK Fuses
IGN 0, RR WPR, SEO ACCY, TBC ACCY, TBC IGN 0, and WS WPR Fuses
IGN 0, RR WPR, SEO ACCY, TBC ACCY, TBC IGN 0, and WS WPR Fuses
IGN 0, RR WPR, SEO ACCY, TBC ACCY, TBC IGN 0, and WS WPR Fuses
G203 - 2 of 2
4WD, BRK, CRUISE, HTR/AC, and HVAC 1 Fuses
G203 - 2 of 2
High Speed GM LAN (HP2)
G103 and G106 - Gas
G203 - 1 of 2
G203 - 1 of 2
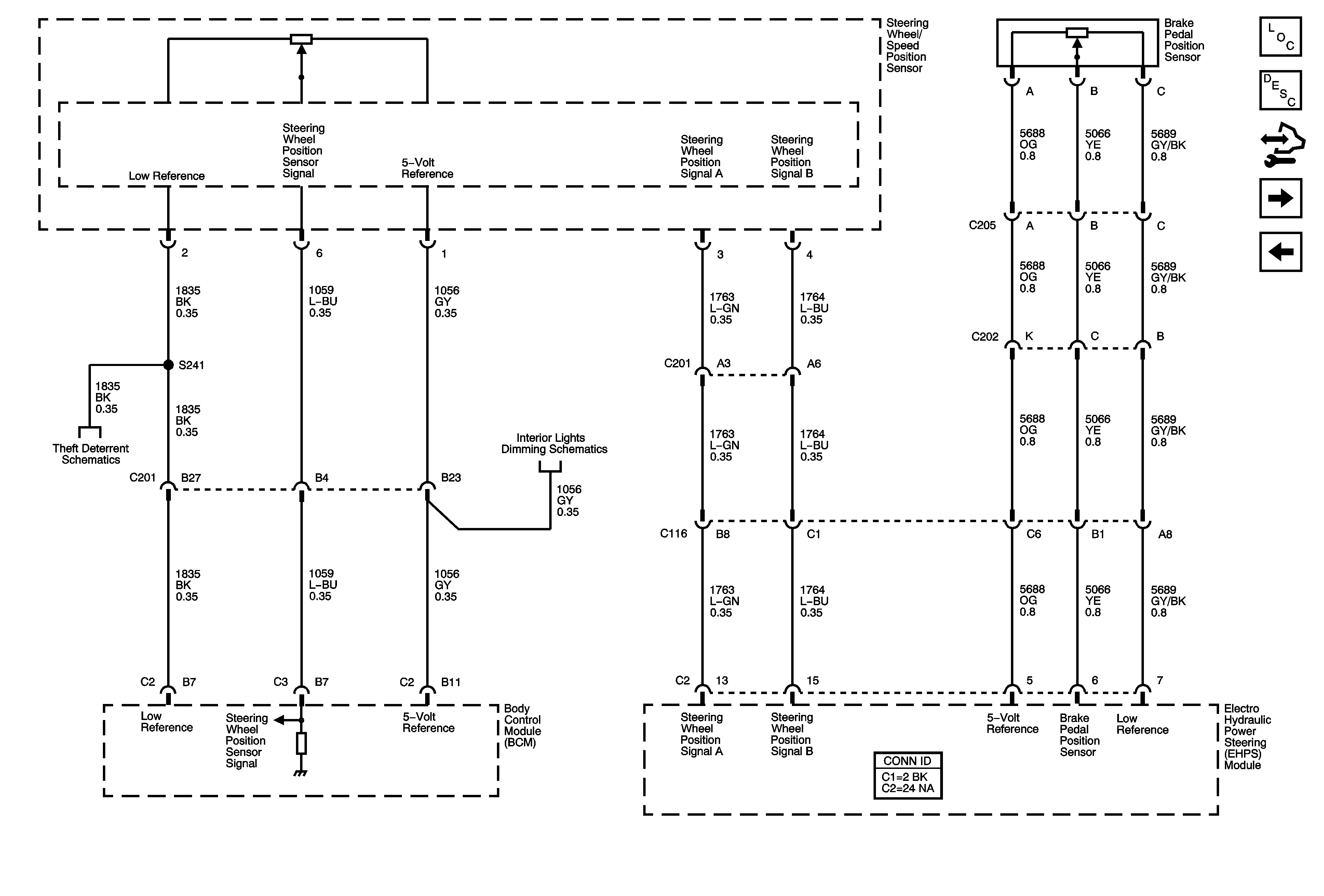
Figure 2:

Steering Wheel/Speed and Brake Pedal Position Sensor


Object Number: 1851819  Size: FS
Master Electrical Component List
Power Steering System Description and Operation (w/ Electro-Hydraulic Steering)
Control Module References
Hydraulic Motor Power and Ground
Power, Ground, and Serial Data
Immobilizer Schematics
Dimming Control and LED Dimming Supply - 1 of 2
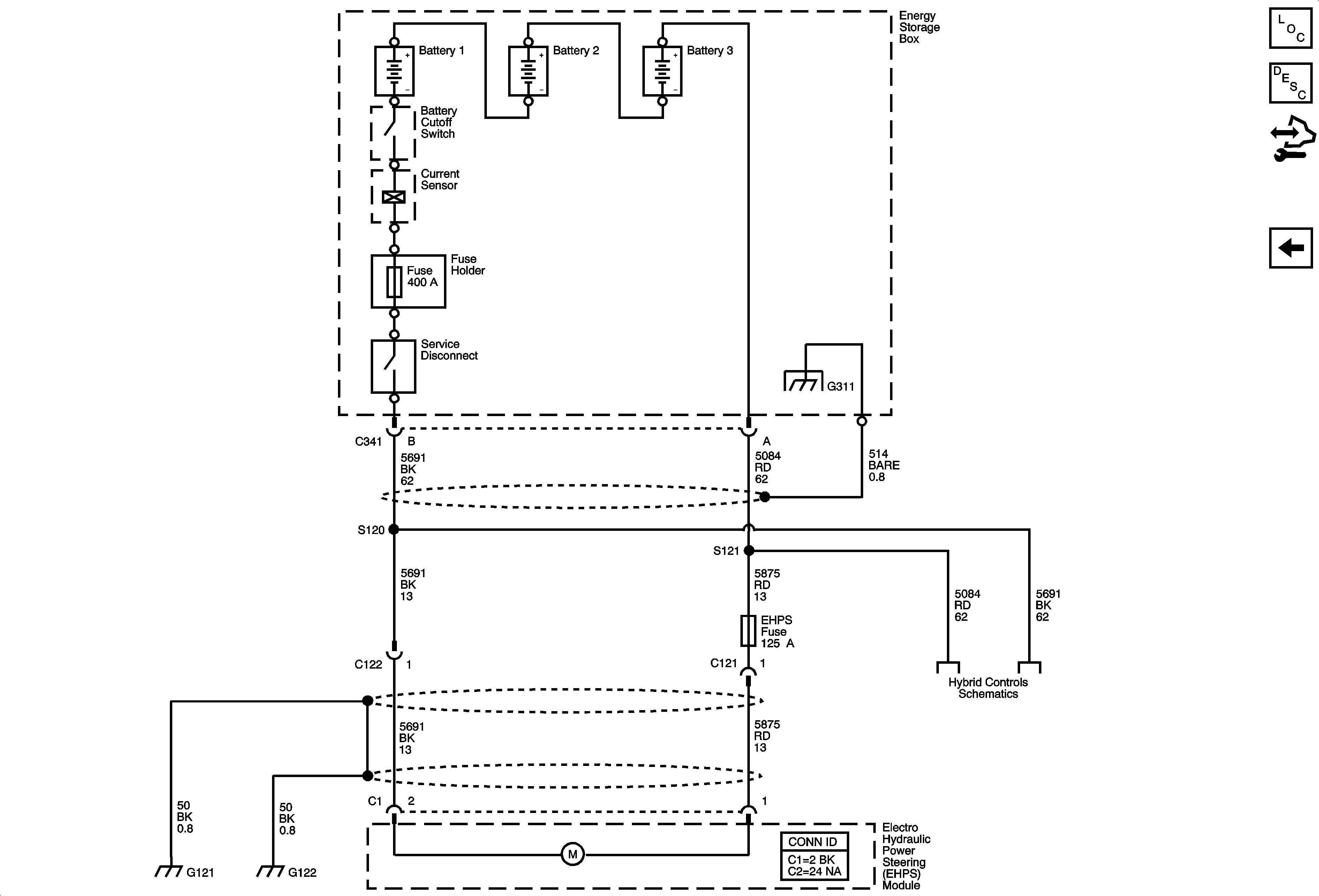
Figure 3:

Hydraulic Motor Power and Ground


Object Number: 1795366  Size: FS
Master Electrical Component List
Power Steering System Description and Operation (w/ Electro-Hydraulic Steering)
Control Module References
Steering Wheel/Speed and Brake Pedal Position Sensor
G120, G121, G122, G310, G311, and G405 (HP2)
Starting - 2 of 2 and Energy Storage