GM Service Manual Online
For 1990-2009 cars only
Makes
🢒
Chevrolet
🢒
2006
🢒
Uplander Ext.
🢒
Engine
🢒
Engine Controls - 3.9L
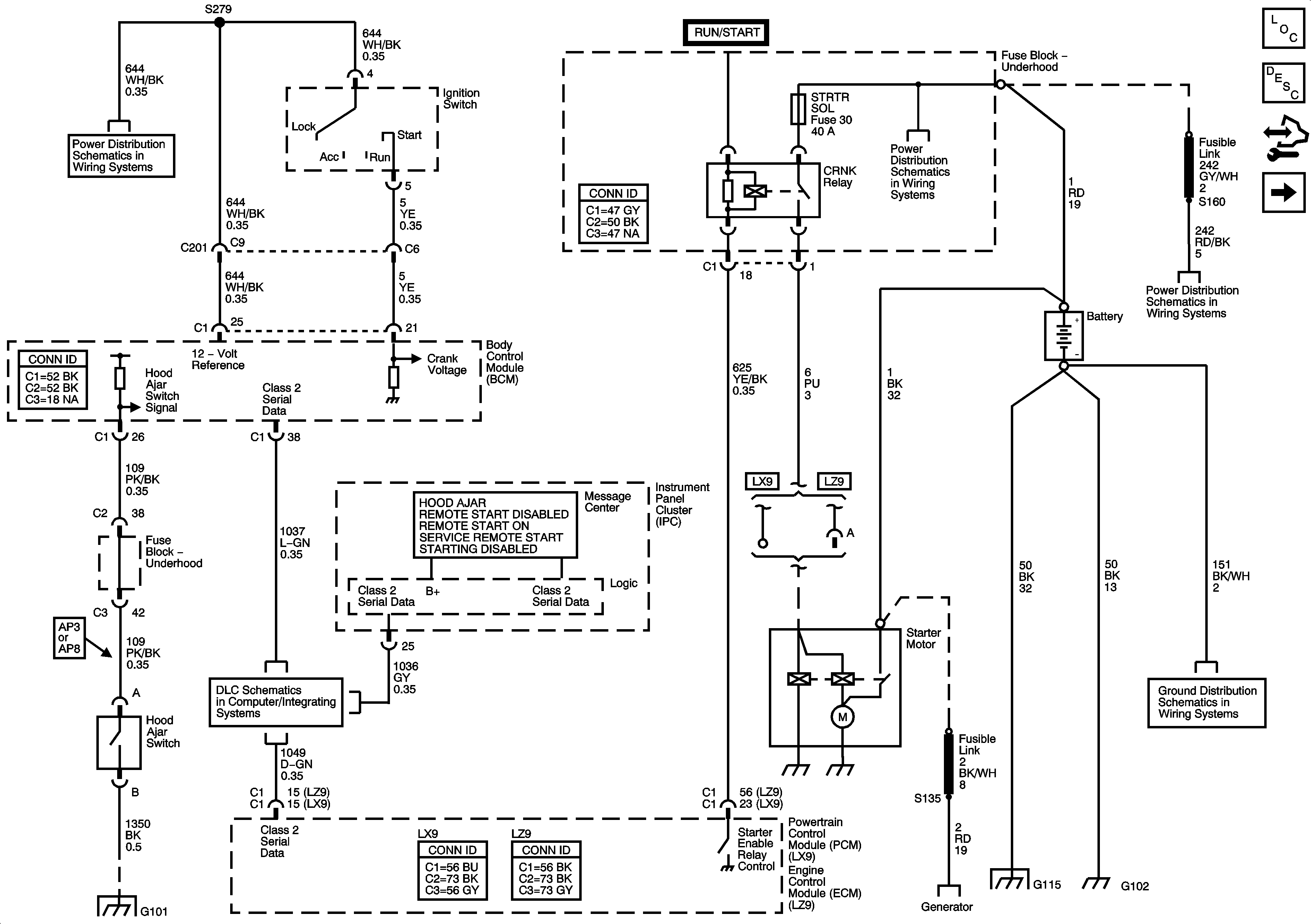
🢒 Starting and Charging Schematics
Figure
1:
Starting
Master Electrical Component List
Starting System Description and Operation
Control Module References
Charging
Ignition Switch
ABS, AIRBAG, CRUISE/SWTCH, HVAC/RPA/CRUISE, PCM IGN, and TRANS SOLS Fuses
B+ Bus
B+ Bus
Data Link Connector (DLC) Schematics
G102, G113 and G115
G100 and G101
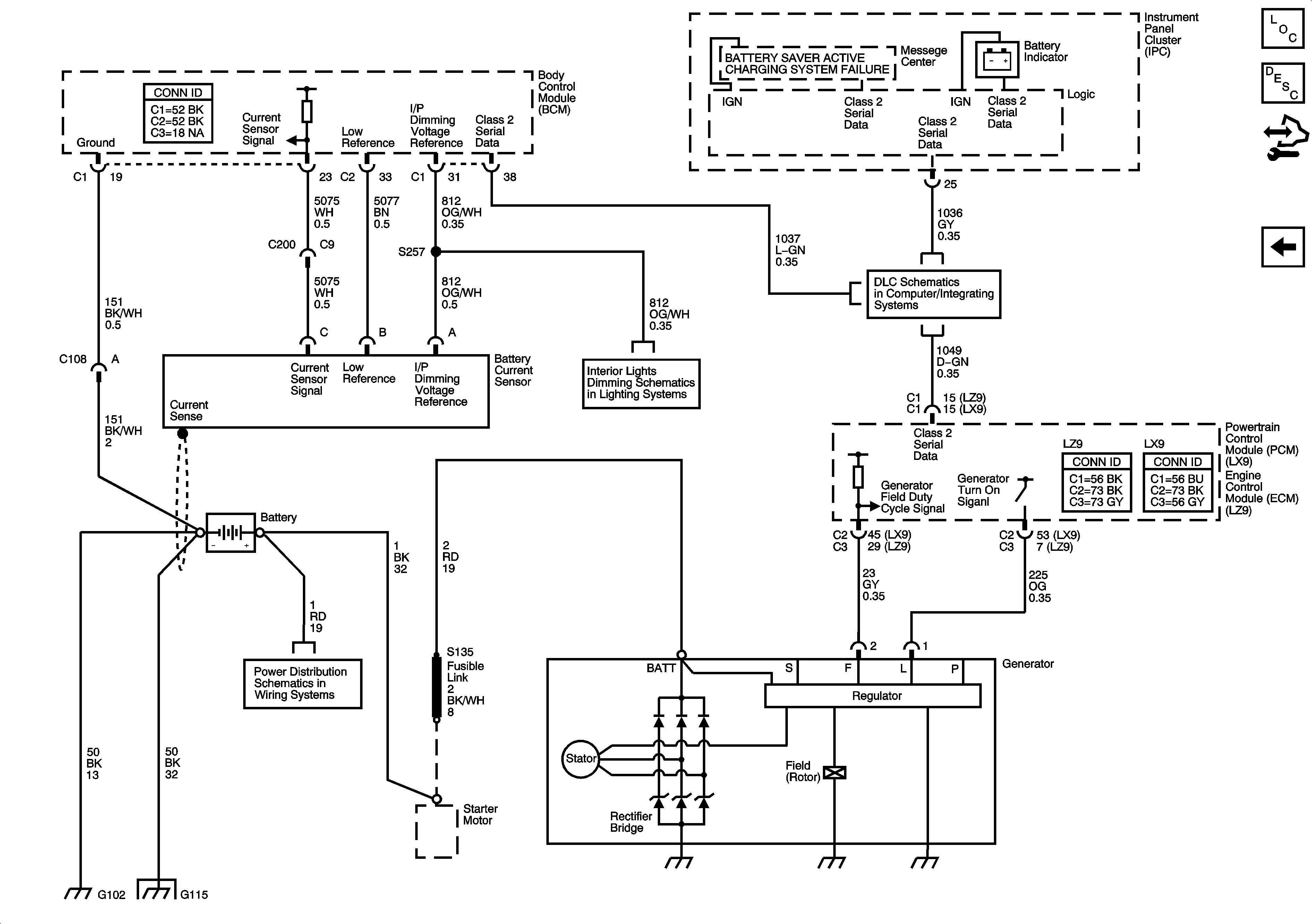
Charging
G102, G113 and G115
G102, G113 and G115
Figure
2:
Charging
Master Electrical Component List
Charging System Description and Operation
Control Module References
Starting
Data Link Connector (DLC) Schematics
Control, I/P and Passenger Door Lamps
B+ Bus
G102, G113 and G115