GM Service Manual Online
For 1990-2009 cars only
Makes
🢒
GMC_Truck
🢒
2007
🢒
Acadia - 2WD
🢒 Indicators and Lighting
Indicators and Lighting
Indicators and Lighting
Master Electrical Component List
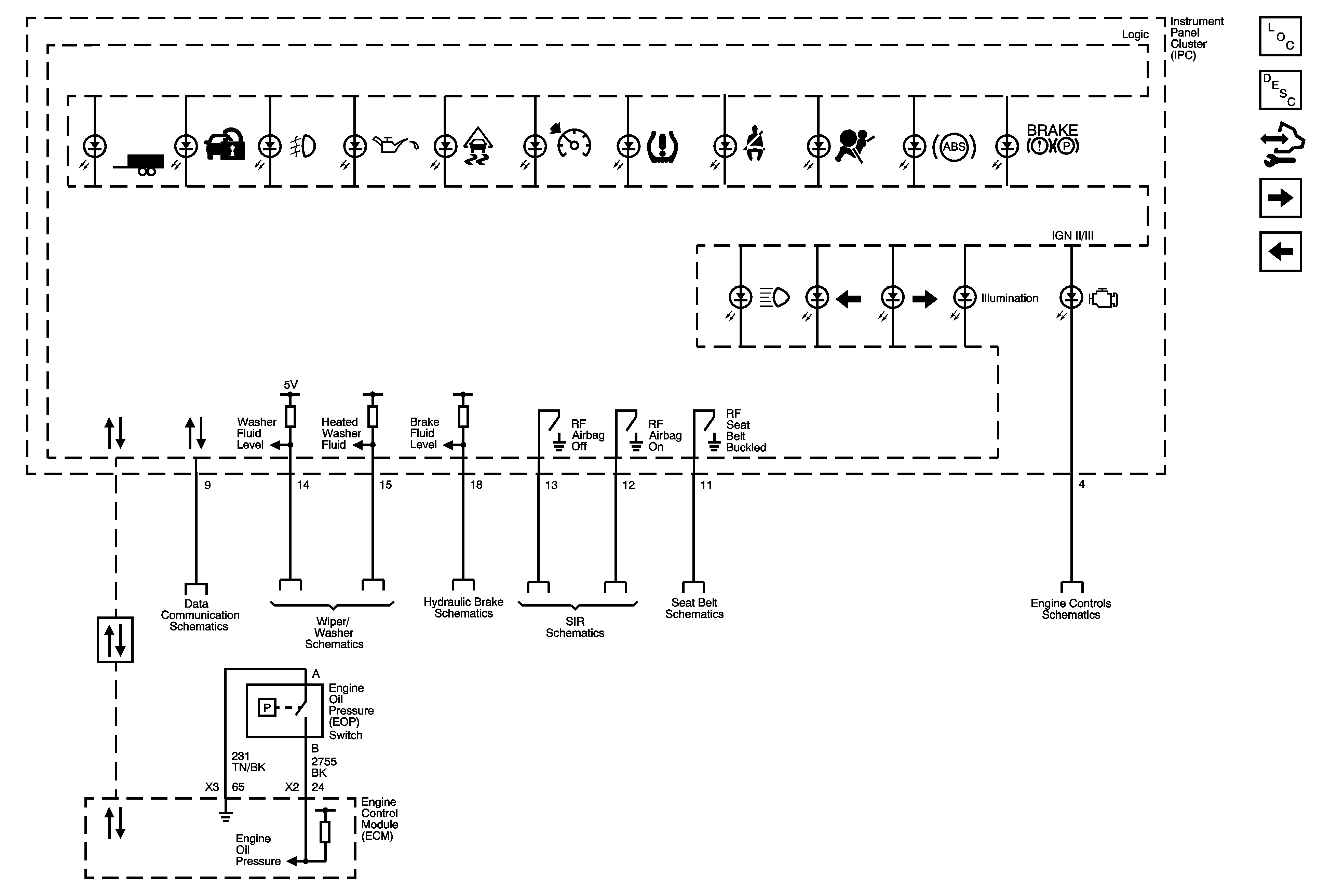
Instrument Cluster Description and Operation
Control Module References
DIC - UH9
Gages, Ground, and Power
Data Communication Schematics
Data Communication Schematics
Front Washers
Hydraulic Brake Schematics
Module Power, Ground, Indicators, Rollover/Passenger Presence Sensors
Seat Belt Schematics
Module Power, Ground, Serial Data, and MIL