GM Service Manual Online
For 1990-2009 cars only
Makes
🢒
GMC_Truck
🢒
2007
🢒
Acadia - 2WD
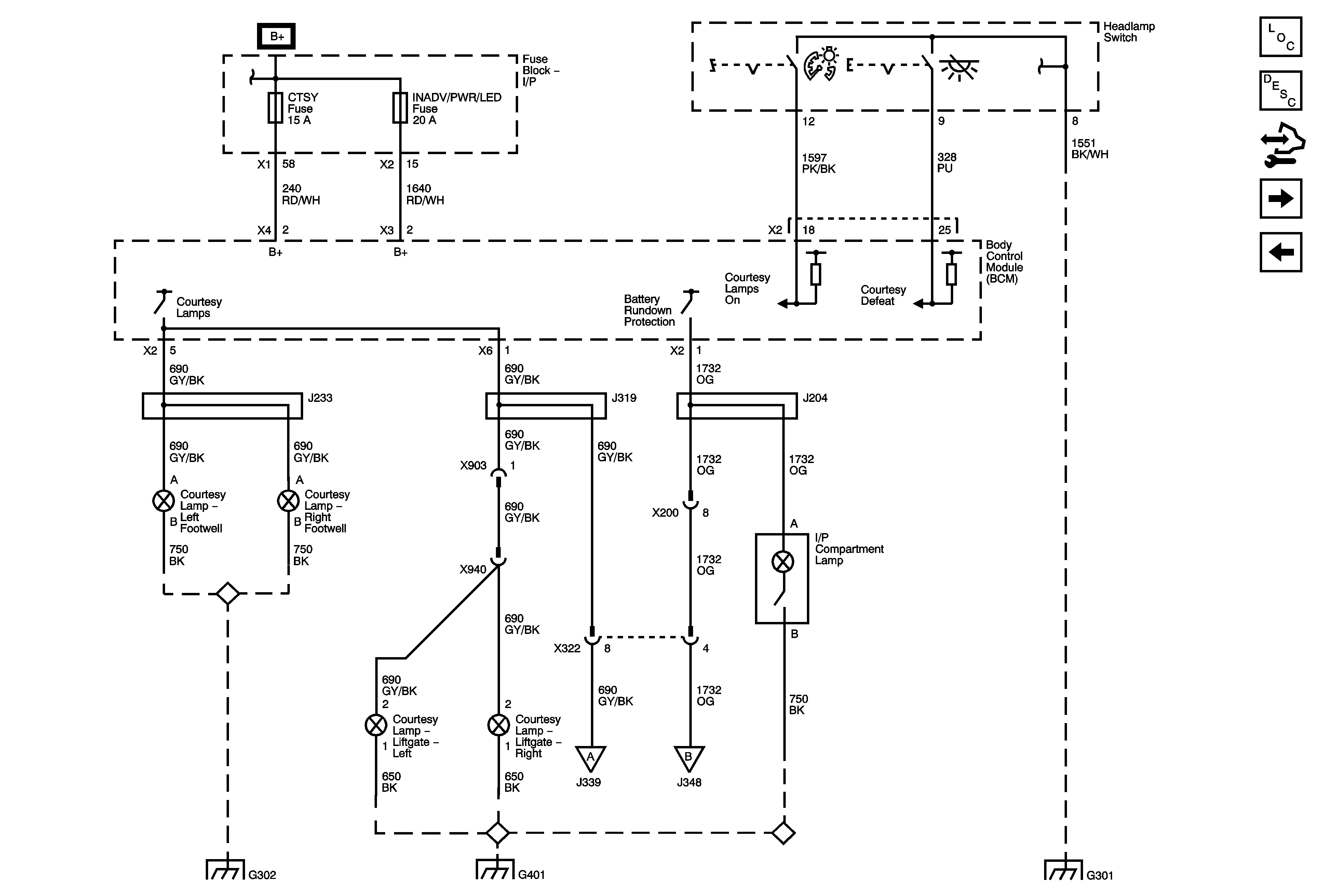
🢒 Headlamp Switch and Power, I/P, Footwell, and Liftgate Lamps
Headlamp Switch and Power, I/P, Footwell, and Liftgate Lamps
Headlamp Switch and Power, I/P, Footwell, and Liftgate Lamps
Master Electrical Component List
Interior Lighting Systems Description and Operation
Control Module References
Roof
Door Open Switches
AIRBAG, AMP, BATT 1, BCM, CNSTR/VENT, CSTY, DISPLAY, INADV/PWR/LED, INFOTAINMENT, MSM, POWER MOD, and RADIO Fuses
AIRBAG, AMP, BATT 1, BCM, CNSTR/VENT, CSTY, DISPLAY, INADV/PWR/LED, INFOTAINMENT, MSM, POWER MOD, and RADIO Fuses
G302 1 of 3
G401 1 of 2
Roof
Roof
G301 1 of 2