| Figure 1: |
G100 and G101
|
| Figure 2: |
G102
|
| Figure 3: |
G103, G104, G105, G106, G107 and G108
|
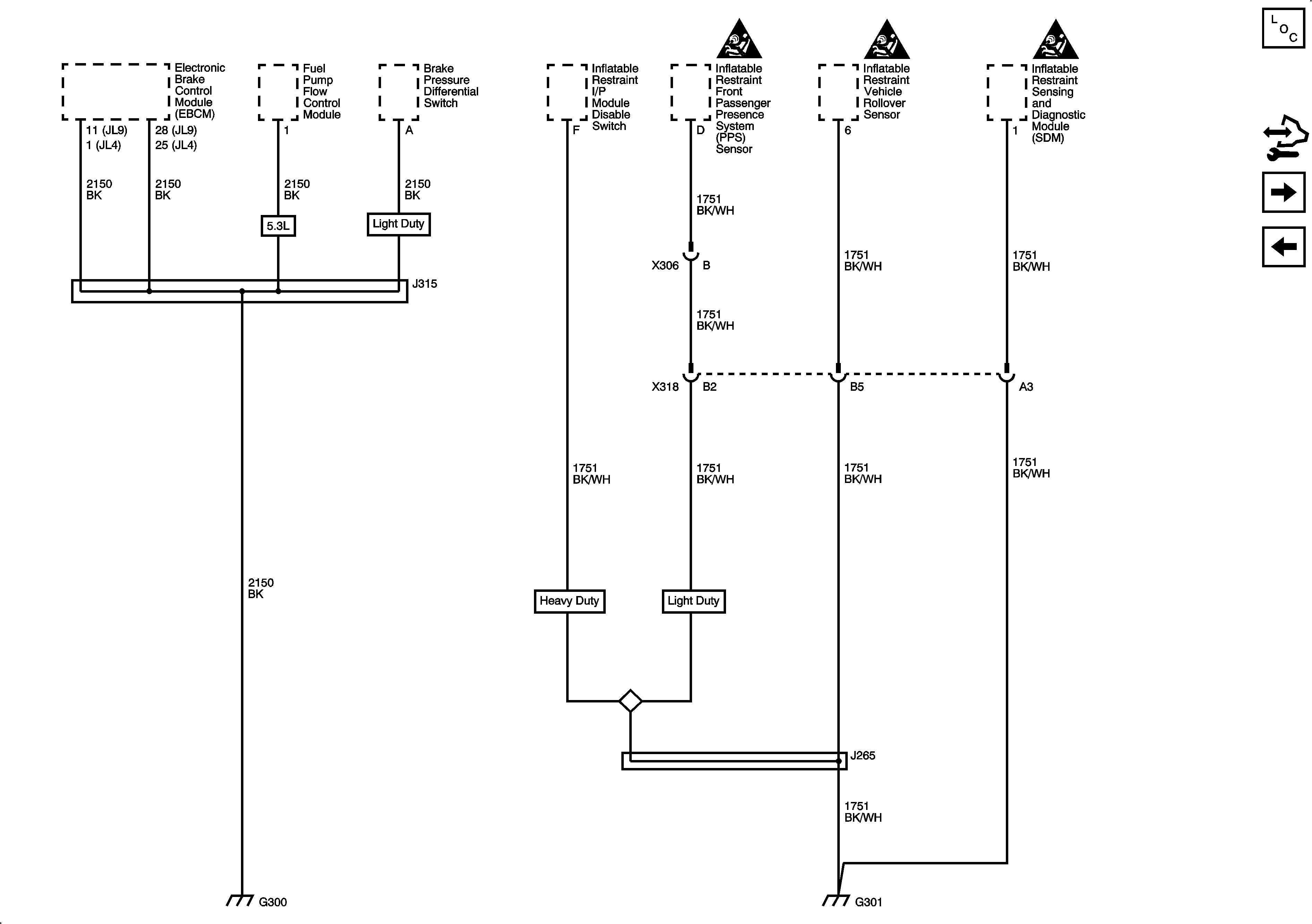
| Figure 4: |
G300 and G301
|
| Figure 5: |
G302, G304 and G305
|
| Figure 6: |
G303
|
| Figure 7: |
G347
|
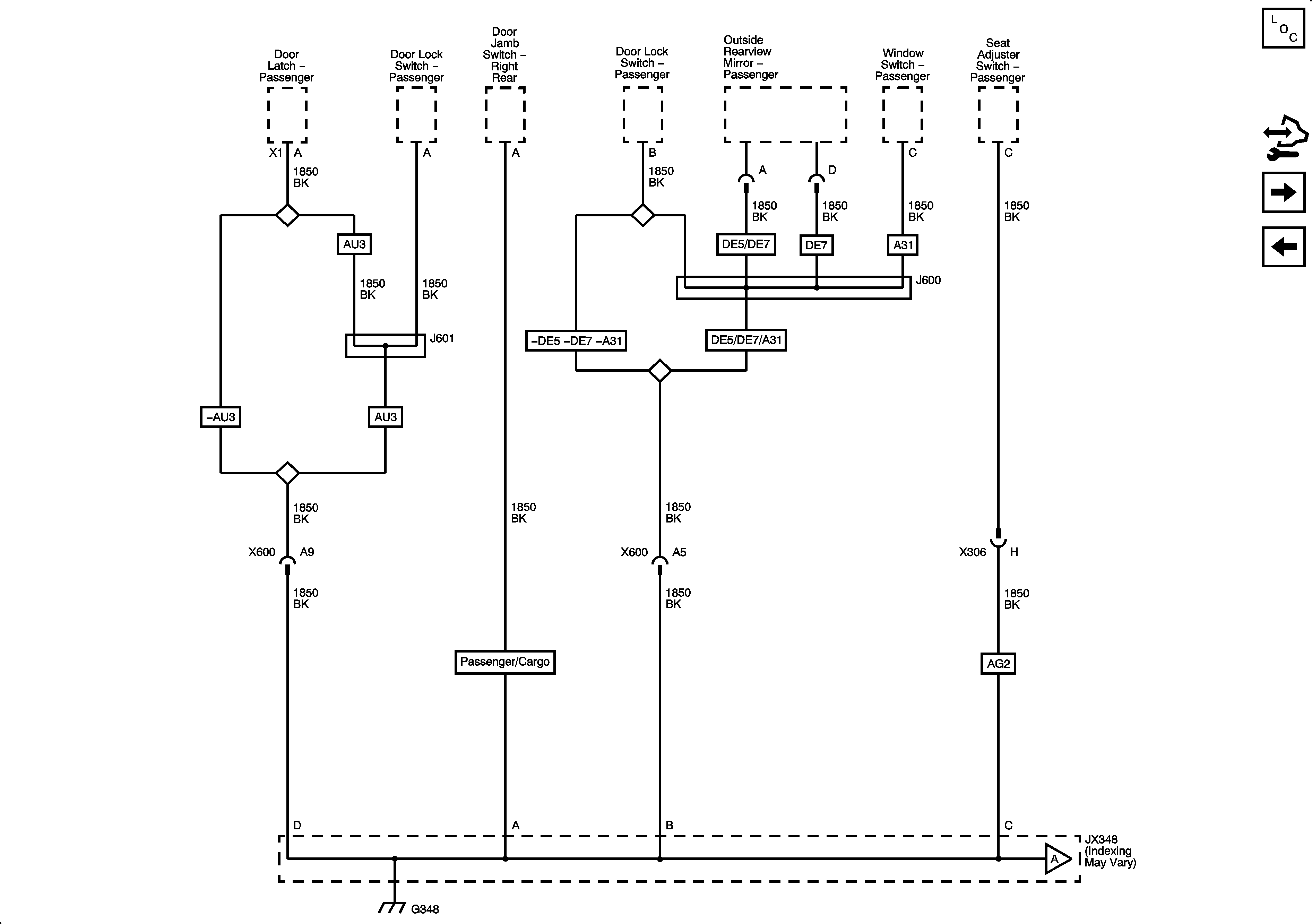
| Figure 8: |
G348 (1 of 2)
|
| Figure 9: |
G348 (2 of 2)
|
| Figure 10: |
G400
|
| Figure 11: |
G401 Passenger/Cargo
|
| Figure 12: |
G402 Passenger/Cargo
|
| Figure 13: |
G403 PRP
|