GM Service Manual Online
For 1990-2009 cars only
Makes
🢒
GMC_Truck
🢒
2003
🢒
Yukon - 2WD
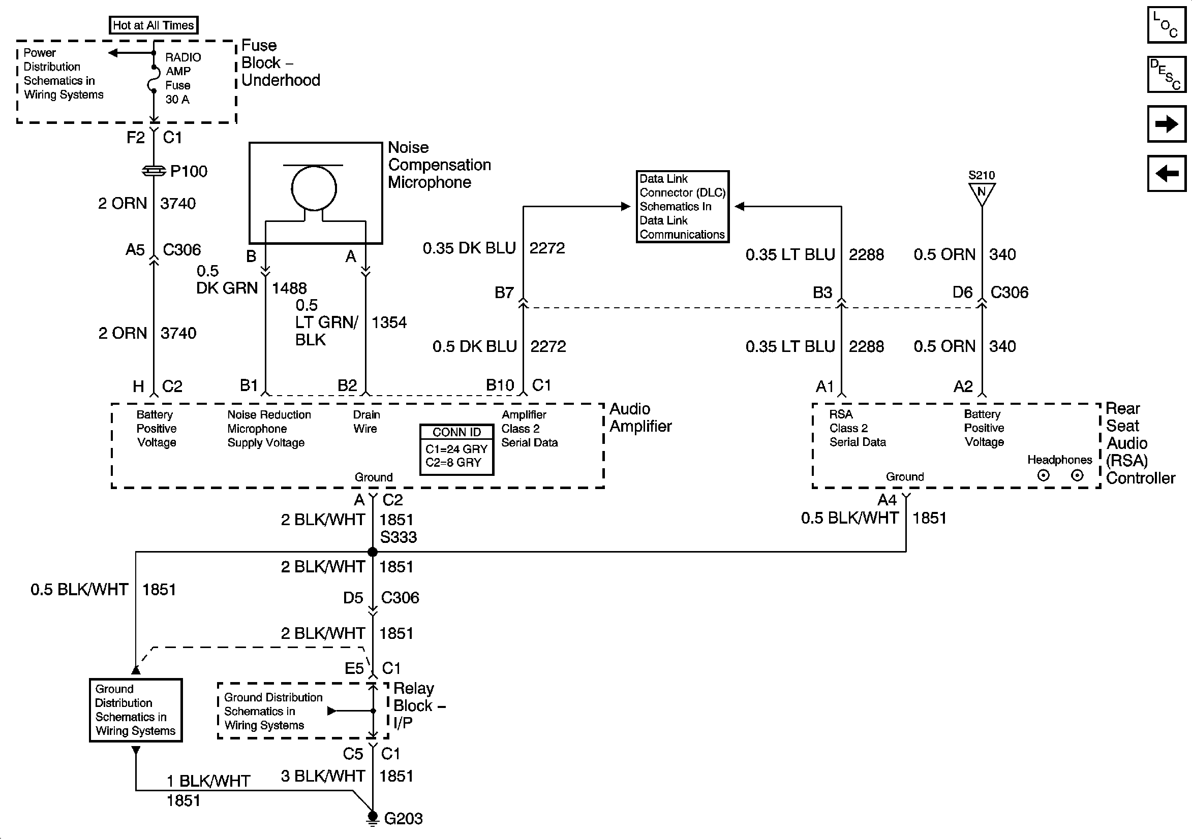
🢒 Amplifier, RSA Power, Ground, Subsystems - UQ7 w/ Y91
Amplifier, RSA Power, Ground, Subsystems - UQ7 w/ Y91
Amplifier, RSA Power, Ground, Subsystems - UQ7 w/Y91
Master Electrical Component List
Radio/Audio System Description and Operation
Speakers - UQ7 w/ Y91
Audio Signals - UQ7 w/ Y91 - 2 of 2
B+ Bus Bar - 1 of 2
SP207 - Base and Uplevel
Radio Power, Ground, Audio Signals - UQ7 w/Y91
G203 - 1 Of 2
G203 - 1 Of 2