GM Service Manual Online
For 1990-2009 cars only
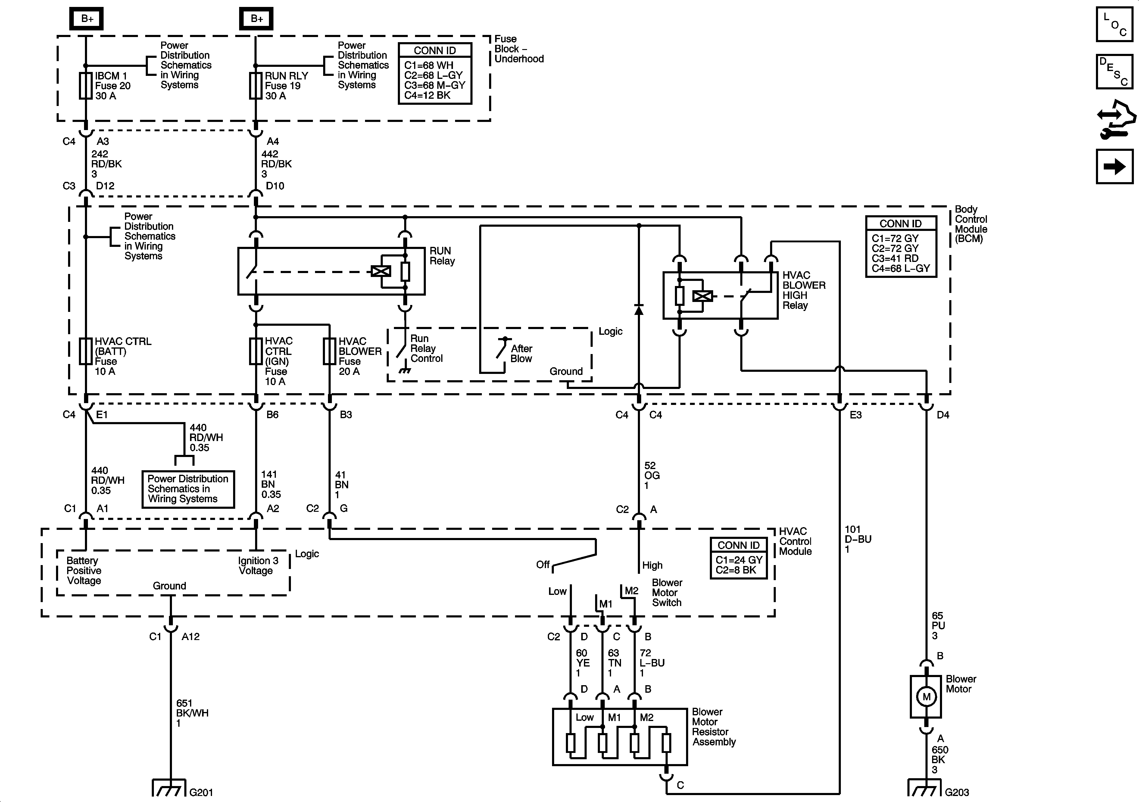
Figure 1:

Power, Ground and Blower Motor Controls


Object Number: 1469923  Size: FS
Master Electrical Component List
Air Delivery Description and Operation
Control Module References
Compressor Controls
Underhood Fuse Block IBCM 1, Body Control Module (BCM) RADIO, IGN SENSOR, HVAC HEAD/ECC, CLUSTER/THEFT and AIR BAG BATT Fuses
Underhood Fuse Block RUN/RLY, IBCM (R/C), Body Control Module (BCM) HVAC BLOWER, HVAC HEAD/ECC, EPS, AIR BAG and RUN/CRANK Fuses
G201
G203
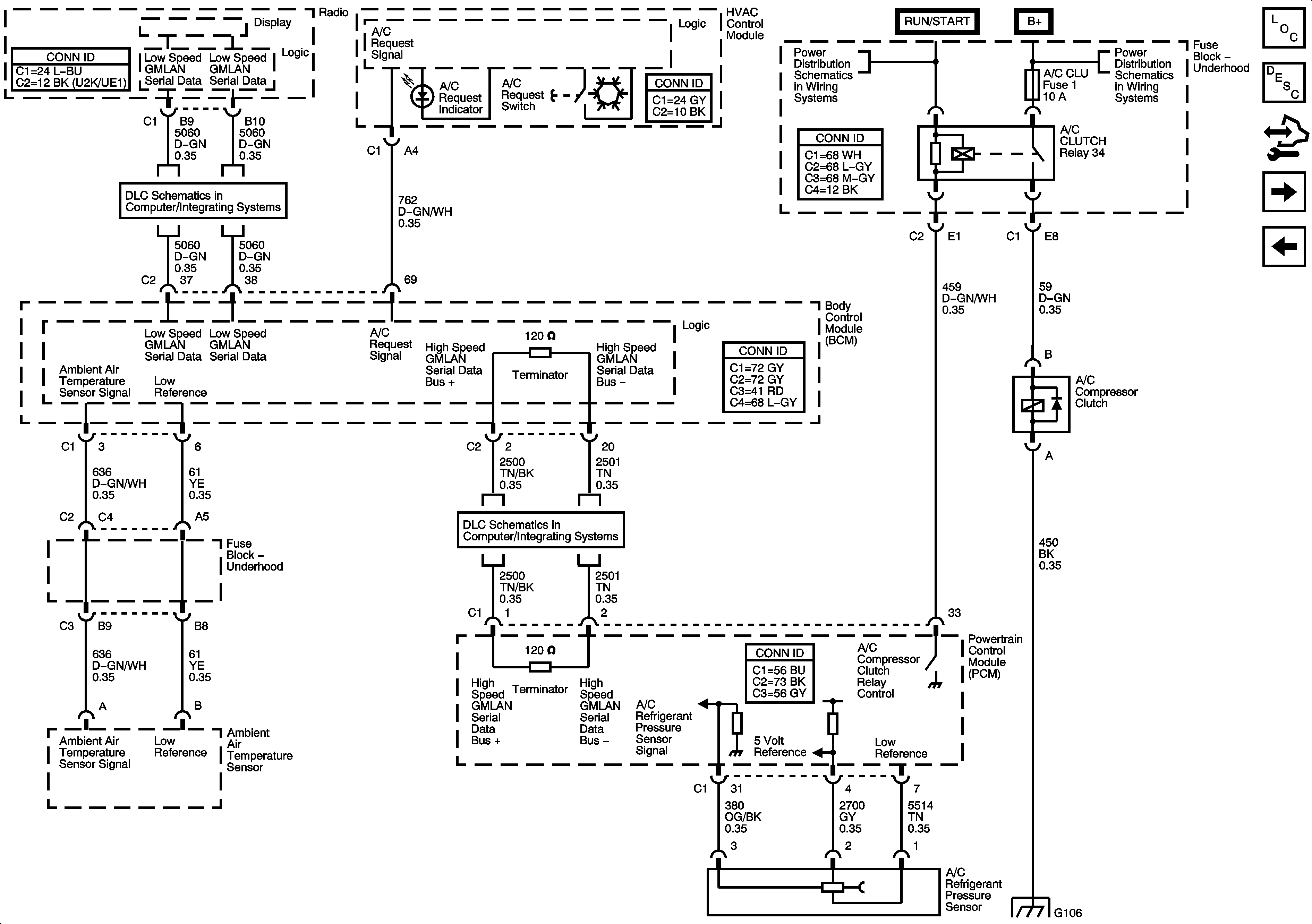
Figure 2:

Compressor Controls


Object Number: 1469924  Size: FS
Master Electrical Component List
Air Temperature Description and Operation
Control Module References
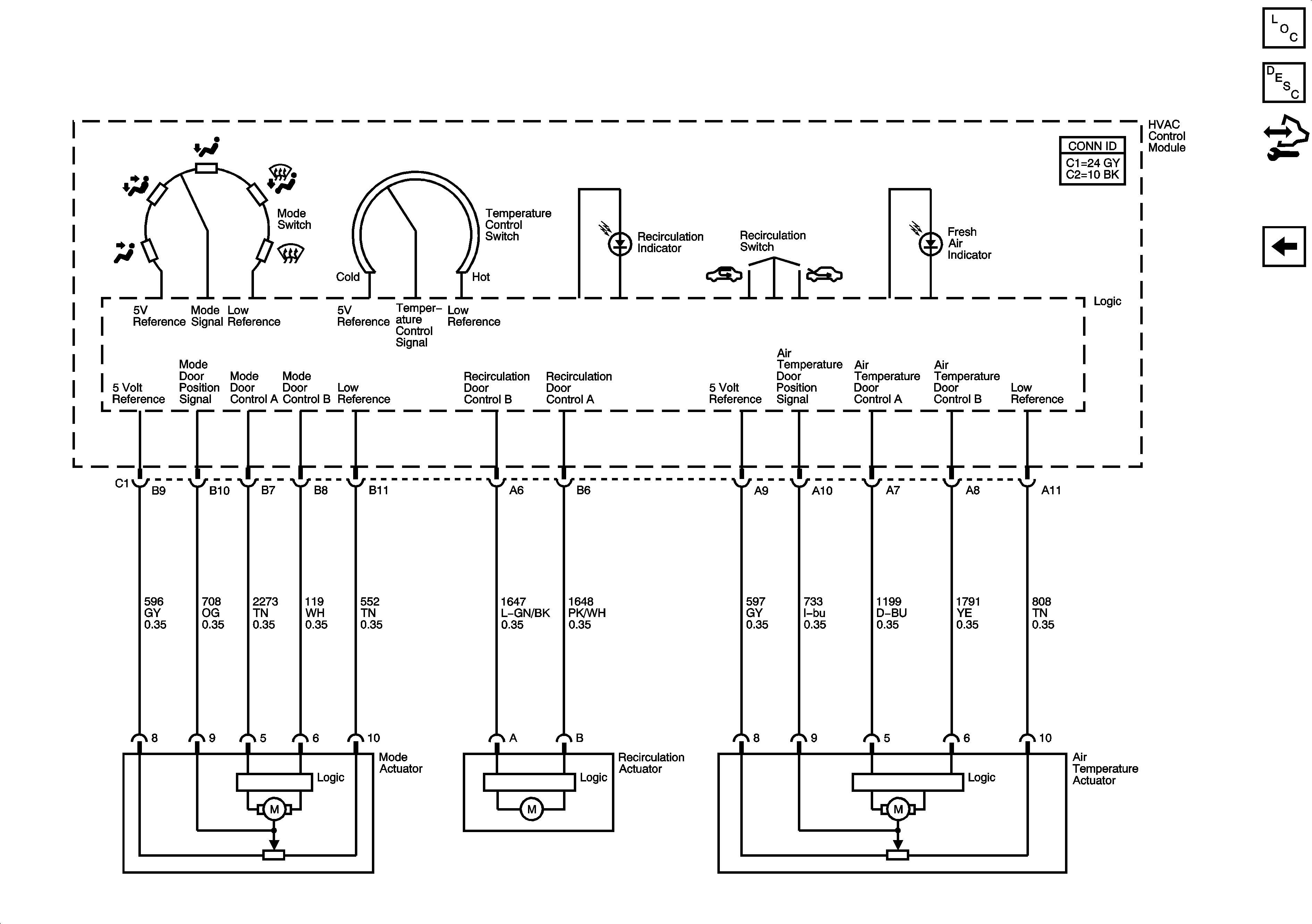
Mode and Air Temperature Controls
Power, Ground and Blower Motor Controls
Underhood Fuse Block ETC, EMISSION 1 and A/C CLU Fuses
Underhood Fuse Block ETC, EMISSION 1 and A/C CLU Fuses
Power, Ground, Class2 and High Speed Serial Data
G106
Figure 3:

Mode and Air Temperature Controls


Object Number: 1469926  Size: FS
Master Electrical Component List
Air Delivery Description and Operation
Control Module References
Compressor Controls