GM Service Manual Online
For 1990-2009 cars only
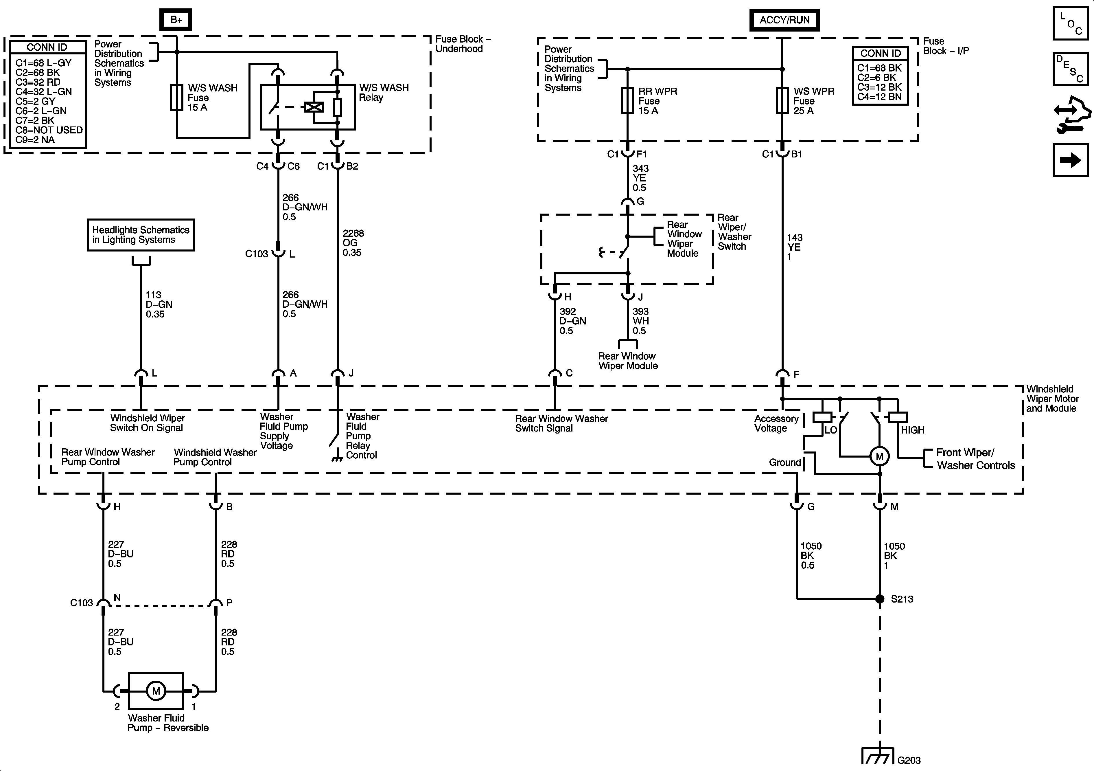
Figure 1:

Front Wiper/Washer Power, Ground, and Motors


Object Number: 1507086  Size: FS
Master Electrical Component List
Wiper/Washer System Description and Operation
Front Wiper/Washer Controls
B+Bus
Headlamp Controls, Switches, and Ambient Light Sensor
Rear Wiper Controls and Washer Fluid Level Sensor
ACCY/RUN and RUN/START Bus Bars
Front Wiper/Washer Controls
CKT 1050: G203, S302, S303, S351, and S215
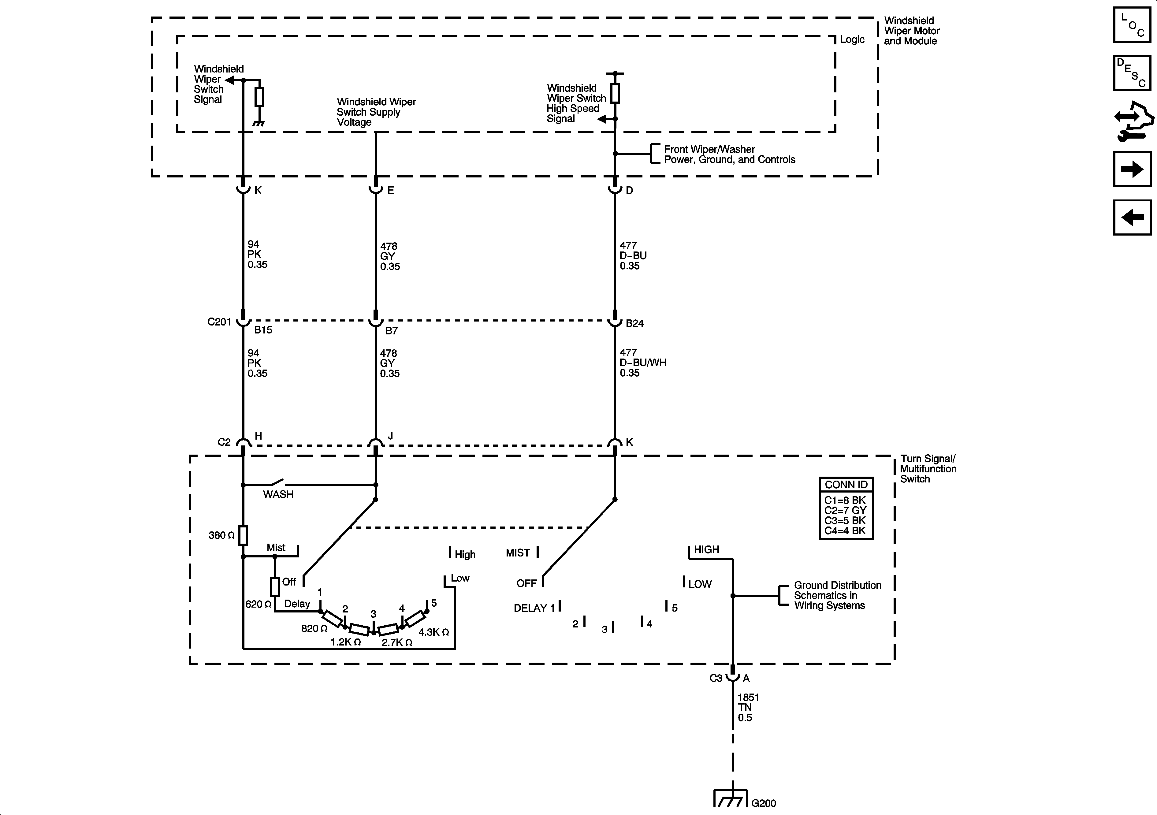
Figure 2:

Front Wiper/Washer Controls


Object Number: 1507087  Size: FS
Master Electrical Component List
Wiper/Washer System Description and Operation
Rear Wiper Controls and Washer Fluid Level Sensor
Front Wiper/Washer Power, Ground, and Motors
Front Wiper/Washer Power, Ground, and Motors
G200
G200
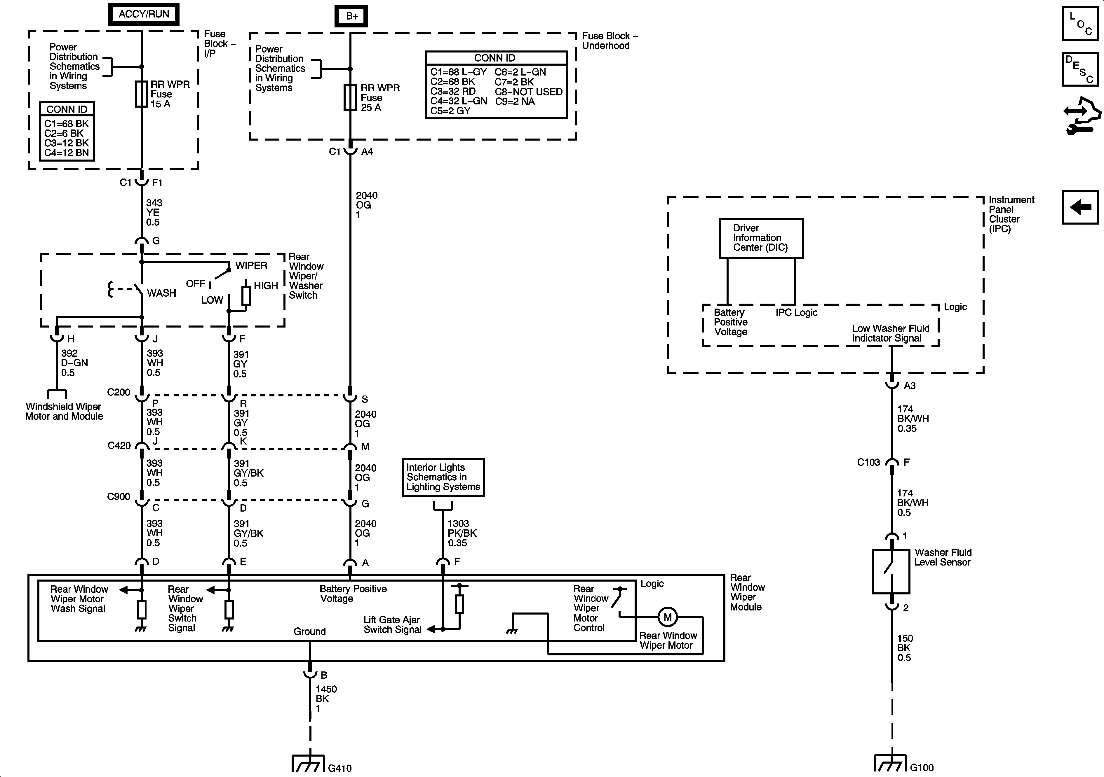
Figure 3:

Rear Wiper Controls (Except SUT) and Washer Fluid Level Sensor


Object Number: 1507088  Size: FS
Master Electrical Component List
Rear Wiper/Washer System Description and Operation
Front Wiper/Washer Controls
ACCY/RUN and RUN/START Bus Bars
Front Wiper/Washer Power, Ground, and Motors
B+Bus
G100
Interior Lights Controls, BCM, Door Ajar Switches
G402, G405, and G410