GM Service Manual Online
For 1990-2009 cars only
Figure 1:

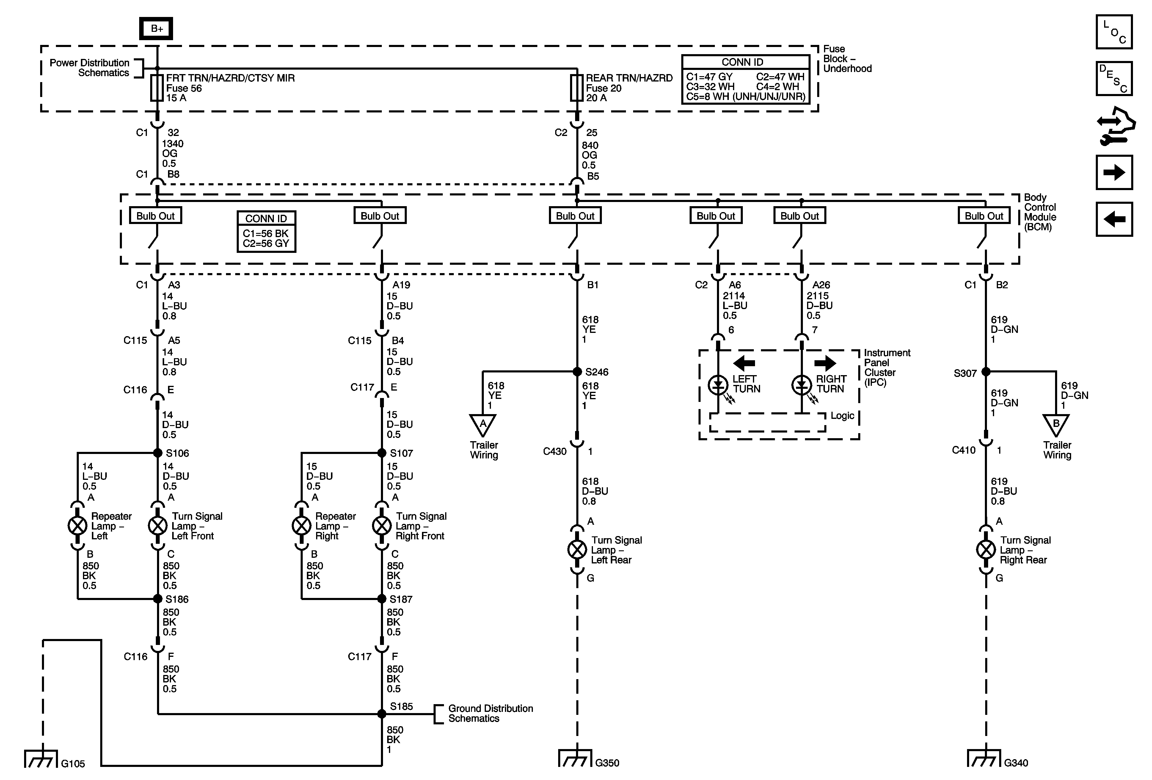
Hazard Switch, Park Lamp Control, and Turn Signal/Stop Lamp Inputs


Object Number: 1778284  Size: FS
Master Electrical Component List
Exterior Lighting Systems Description and Operation
Control Module References
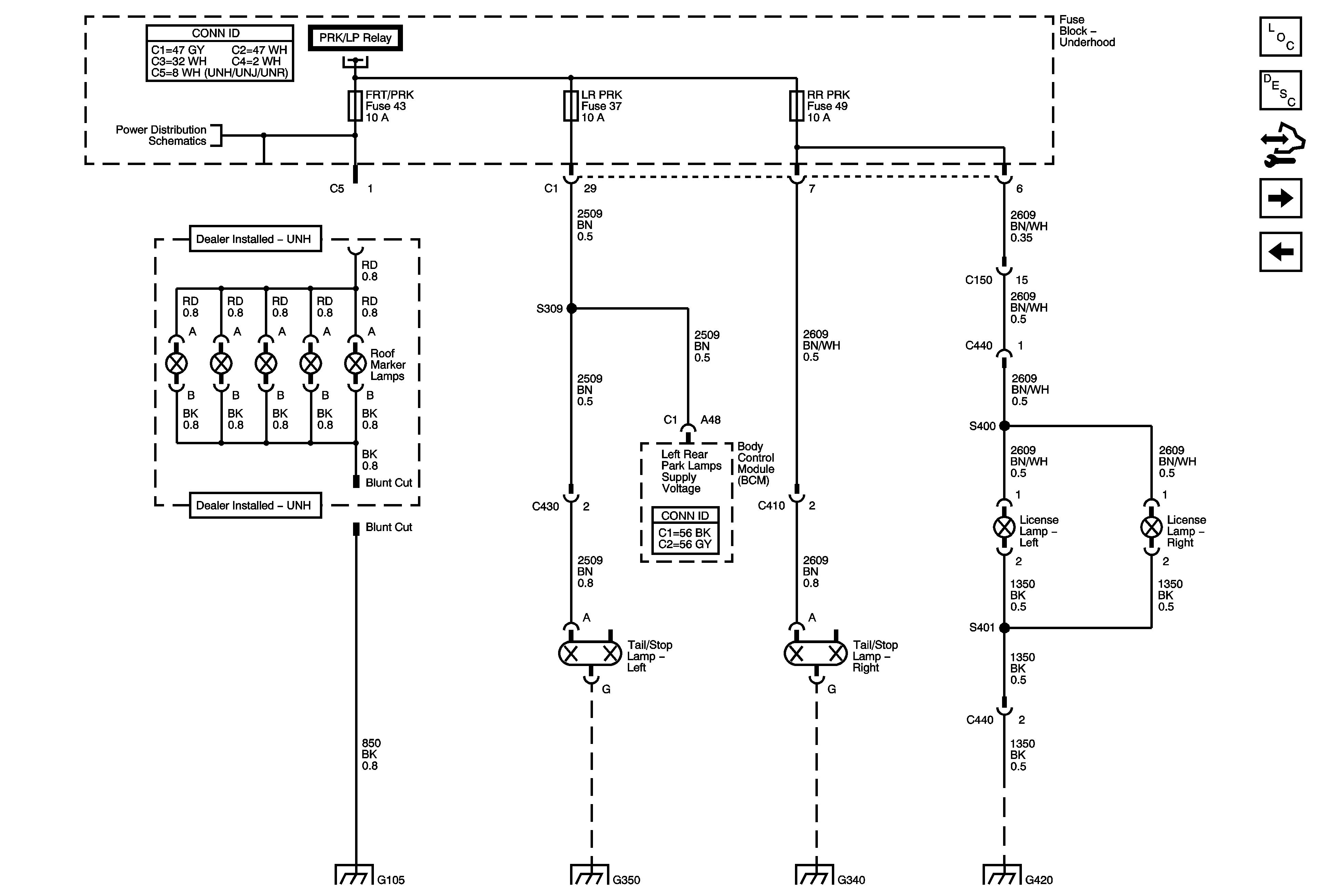
Roof Marker Lamps (UNH), License Lamp and Park Lamps
B+ Bus - Underhood Fuse Block - 1 of 2
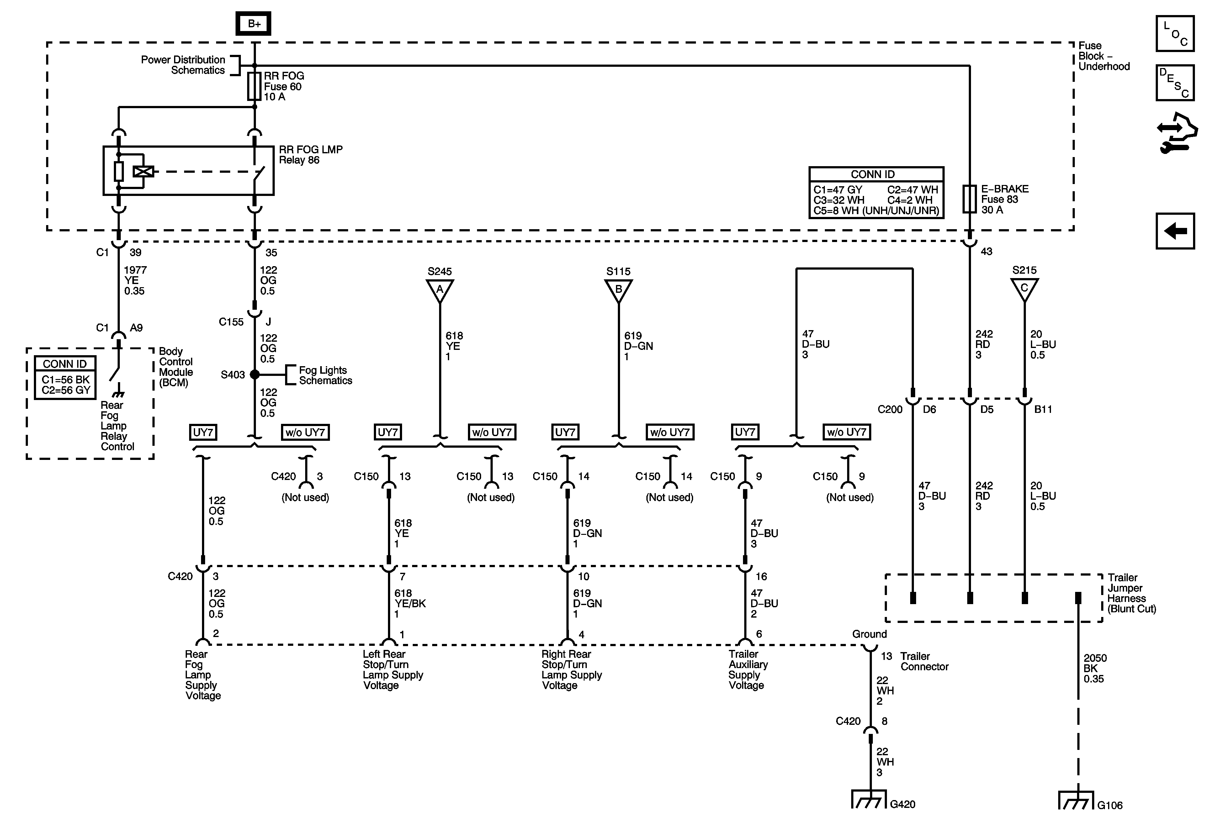
Center High Mount Stop Lamps (CHMSL) and Stop Lamp Switch
Ambient Light Sensor, Headlamp Controls and Switches
Interior Lights Dimming Schematics
Interior Lights Dimming Schematics
Interior Lights Dimming Schematics
G106
Figure 2:

Roof Marker Lamps (UNH), License Lamp and Park Lamps


Object Number: 1778291  Size: FS
Master Electrical Component List
Exterior Lighting Systems Description and Operation
Control Module References
Turn Signal/Stop Lamps
Hazard Switch, Park Lamp Control, and Turn Signal/Stop Lamp Inputs
FRT/PRK, LR PRK, RR PRK, and TRLR Fuses
G105
G350
G340 and G345
G420
Figure 3:

Roof Marker Lamps (UNH), License Lamps and Park Lamps - Export


Object Number: 1868578  Size: FS
Master Electrical Component List
Exterior Lighting Systems Description and Operation
Control Module References
Turn Signal/Stop Lamps
Roof Marker Lamps (UNH), License Lamp and Park Lamps
FRT/PRK, LR PRK, RR PRK, and TRLR Fuses
G105 - Export
G350
G340 and G345
G420
Figure 4:

Turn Signal/Stop Lamps


Object Number: 1778297  Size: FS
Master Electrical Component List
Exterior Lighting Systems Description and Operation
Control Module References
Center High Mount Stop Lamps (CHMSL) and Stop Lamp Switch
Roof Marker Lamps (UNH), License Lamp and Park Lamps
B+ Bus - Underhood Fuse Block - 1 of 2
Trailer Wiring
Trailer Wiring
G105
G350
G340 and G345
Figure 5:

Turn Signal/Hazard Lamps - Export


Object Number: 1868573  Size: FS
Master Electrical Component List
Exterior Lighting Systems Description and Operation
Control Module References
Center High Mount Stop Lamps (CHMSL) and Stop Lamp Switch
Turn Signal/Stop Lamps
B+ Bus - Underhood Fuse Block - 1 of 2
Trailer Wiring
Trailer Wiring
G105 - Export
G105 - Export
G350
G340 and G345
Figure 6:

Center High Mount Stop Lamps (CHMSL) and Stop Lamp Switch


Object Number: 1778301  Size: FS
Master Electrical Component List
Exterior Lighting Systems Description and Operation
Control Module References
Grille Mounted Off Road Lamps - UNR
Turn Signal/Stop Lamps
B+ Bus - Underhood Fuse Block - 1 of 2
Trailer Wiring
G350
Figure 7:

Grille Mounted Off Road Lamps - UNR


Object Number: 1778364  Size: FS
Master Electrical Component List
Exterior Lighting Systems Description and Operation
Control Module References
Roof Mounted Off Road Lamps - UNJ
Center High Mount Stop Lamps (CHMSL) and Stop Lamp Switch
B+ Bus - Underhood Fuse Block - 1 of 2
B+ Bus - Underhood Fuse Block - 2 of 2
G105
G106
Figure 8:

Roof Mounted Off Road Lamps - UNJ


Object Number: 1778372  Size: FS
Master Electrical Component List
Exterior Lighting Systems Description and Operation
Control Module References
Backup Lamps
Grille Mounted Off Road Lamps - UNR
B+ Bus - Underhood Fuse Block - 1 of 2
G105
G106
Figure 9:

Backup Lamps


Object Number: 1778377  Size: FS
Master Electrical Component List
Exterior Lighting Systems Description and Operation
Control Module References
Trailer Wiring
Roof Mounted Off Road Lamps - UNJ
B+ Bus - Underhood Fuse Block - 1 of 2
G105
RUN/CRNK Relay Bus - 2 of 3, ABS/VSES, A/C CLUTCH, BCK/UP, and IGN1 Fuses
Trailer Wiring
G105
G350
G340 and G345
Figure 10:

Trailer Wiring


Object Number: 1778382  Size: FS
Master Electrical Component List
Exterior Lighting Systems Description and Operation
Control Module References
Backup Lamps
B+ Bus - Underhood Fuse Block - 1 of 2
Backup Lamps
Turn Signal/Stop Lamps
Turn Signal/Stop Lamps
Center High Mount Stop Lamps (CHMSL) and Stop Lamp Switch
G420
G106
Figure 11:

Trailer Wiring - Export 1 of 2


Object Number: 1868568  Size: FS
Master Electrical Component List
Exterior Lighting Systems Description and Operation
Control Module References
Backup Lamps
B+ Bus - Underhood Fuse Block - 1 of 2
Backup Lamps
Turn Signal/Stop Lamps
Turn Signal/Stop Lamps
Center High Mount Stop Lamps (CHMSL) and Stop Lamp Switch
G420
G106
Figure 12:

Trailer Wiring - Export 2 of 2


Object Number: 1868569  Size: FS
Master Electrical Component List
Exterior Lighting Systems Description and Operation
Control Module References
Backup Lamps
B+ Bus - Underhood Fuse Block - 1 of 2
Backup Lamps
Turn Signal/Stop Lamps
Turn Signal/Stop Lamps
Center High Mount Stop Lamps (CHMSL) and Stop Lamp Switch
G420
G106