GM Service Manual Online
For 1990-2009 cars only
Makes
🢒
Holden
🢒
2006
🢒
Viva
🢒 Steering Controls Schematics
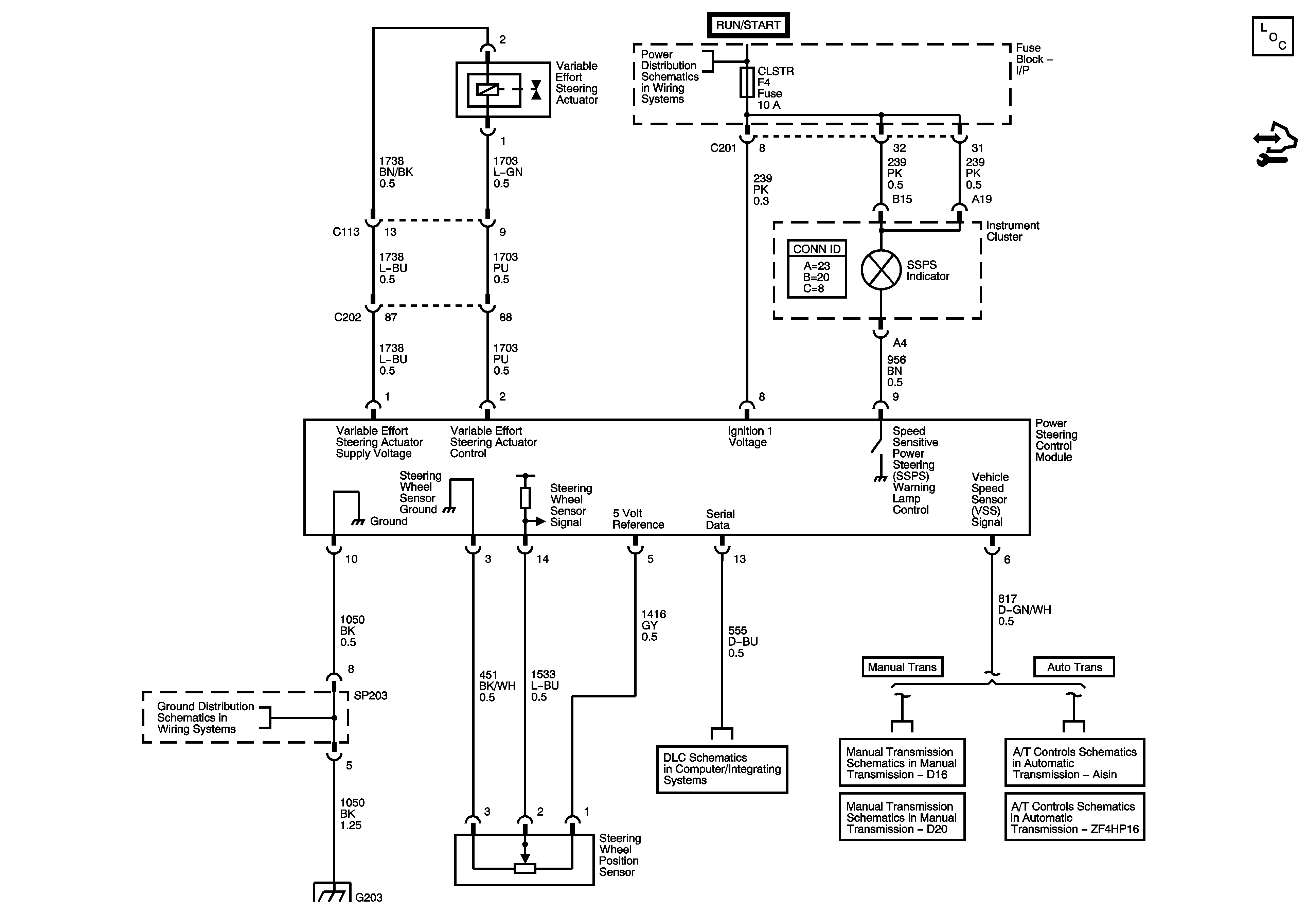
Steering Controls Schematics
Master Electrical Component List
I/P Fuse Block CLSTR, AIR BAG, BCK/UP and ENG FUSE BOX DRL Fuses
G203
Data Link Connector Schematics
Manual Transmission Schematics - D16
Vehicle Speed and Input Speed Sensors
Manual Transmission Schematics - D20
Vehicle Speed Signal
G203