GM Service Manual Online
For 1990-2009 cars only
Makes
🢒
Holden
🢒
2006
🢒
Viva
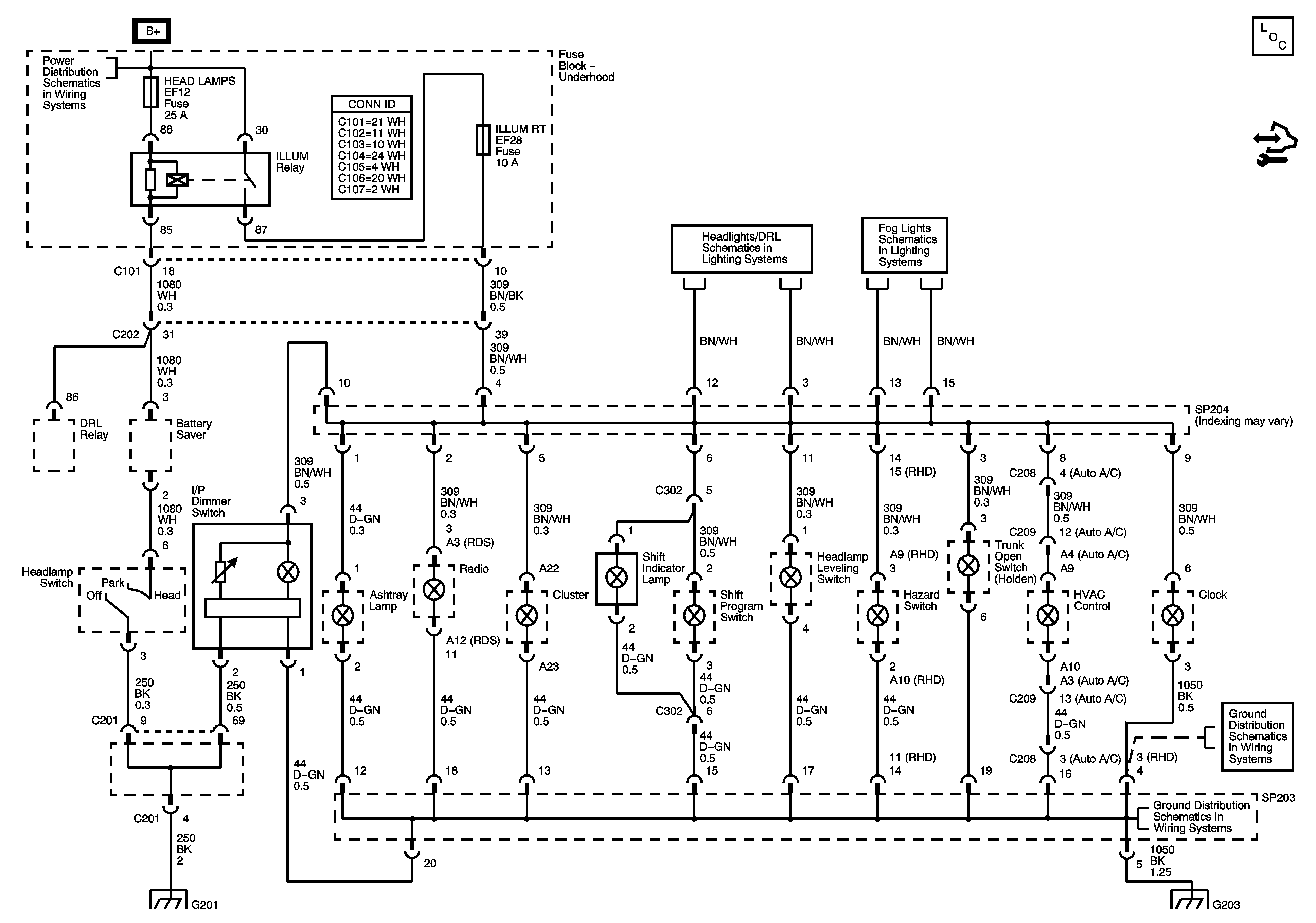
🢒 I/P Illumination w/Dimming
I/P Illumination w/Dimming
I/P Illumination - w/Dimming
Master Electrical Component List
Underhood Fuse Block HEAD LAMPS FUSE
Headlamps w/Scandanavia Daytime Running Lamps
Headlamps w/North American Daytime Running Lamps
Front Fog Lamps
G203
SP203
G201 (2 of 2)
G203