GM Service Manual Online
For 1990-2009 cars only
Makes
🢒
Holden
🢒
2006
🢒
Viva
🢒 Daytime Running Lamp North America
Daytime Running Lamp North America
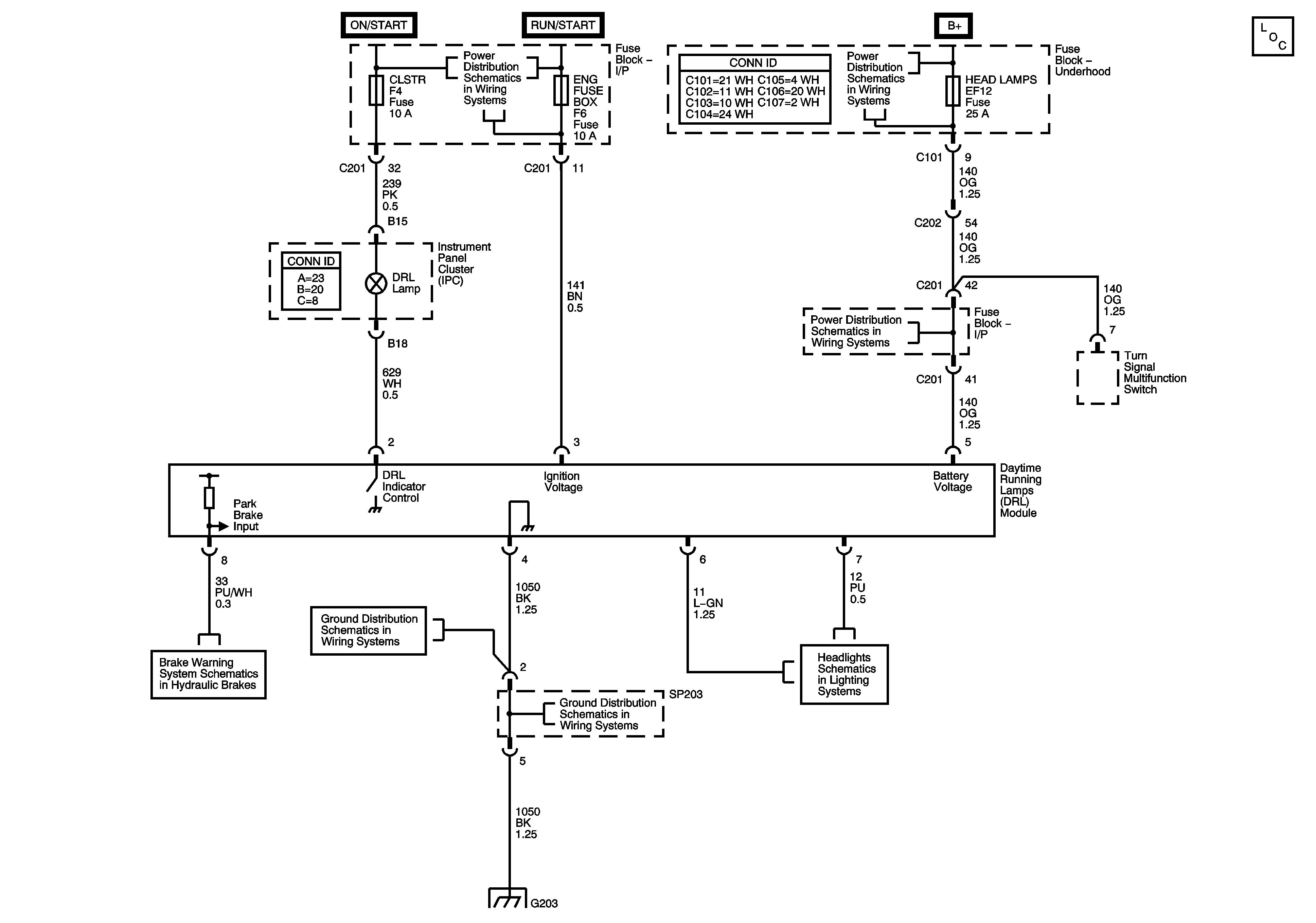
Daytime Running Lamps - North America
Master Electrical Component List
I/P Fuse Block CLSTR, AIR BAG, BCK/UP and ENG FUSE BOX DRL Fuses
Underhood Fuse Block HEAD LAMPS FUSE
Underhood Fuse Block HEAD LAMPS FUSE
G201 (2 of 2)
Brake Warning System Schematics
Headlamps w/North American Daytime Running Lamps
G203
G203