GM Service Manual Online
For 1990-2009 cars only
Figure 1:

Wiper System - Notchback


Object Number: 1891494  Size: FS
Master Electrical Component List
Control Module References
Wiper System - Hatchback and Station Wagon
Underhood Fuse Block - Battery Feeds - 1of 2
G202, G204
G101
Figure 2:

Wiper System - Hatchback and Station Wagon


Object Number: 1891495  Size: FS
Master Electrical Component List
Control Module References
Wiper System - Hatchback and Station Wagon w/Intermittent
Wiper System - Notchback
Underhood Fuse Block - Battery Feeds - 1of 2
G202, G204
G101
G304
G402
Figure 3:

Wiper System - Hatchback and Station Wagon w/Intermittent


Object Number: 1891496  Size: FS
Master Electrical Component List
Control Module References
Wiper System Notchback w/Rain Sensor
Wiper System - Hatchback and Station Wagon
Underhood Fuse Block - Battery Feeds - 1of 2
G202, G204
G101
G304
G402
Figure 4:

Wiper System - Notchback w/Rain Sensor


Object Number: 1891497  Size: FS
Master Electrical Component List
Control Module References
Wiper System - Hatchback and Station Wagon w/Rain Sensor
Wiper System - Hatchback and Station Wagon w/Intermittent
Underhood Fuse Block - Battery Feeds - 1of 2
Remote Function/Theft Deterrent Schematics
G202, G204
G205, G301
G101
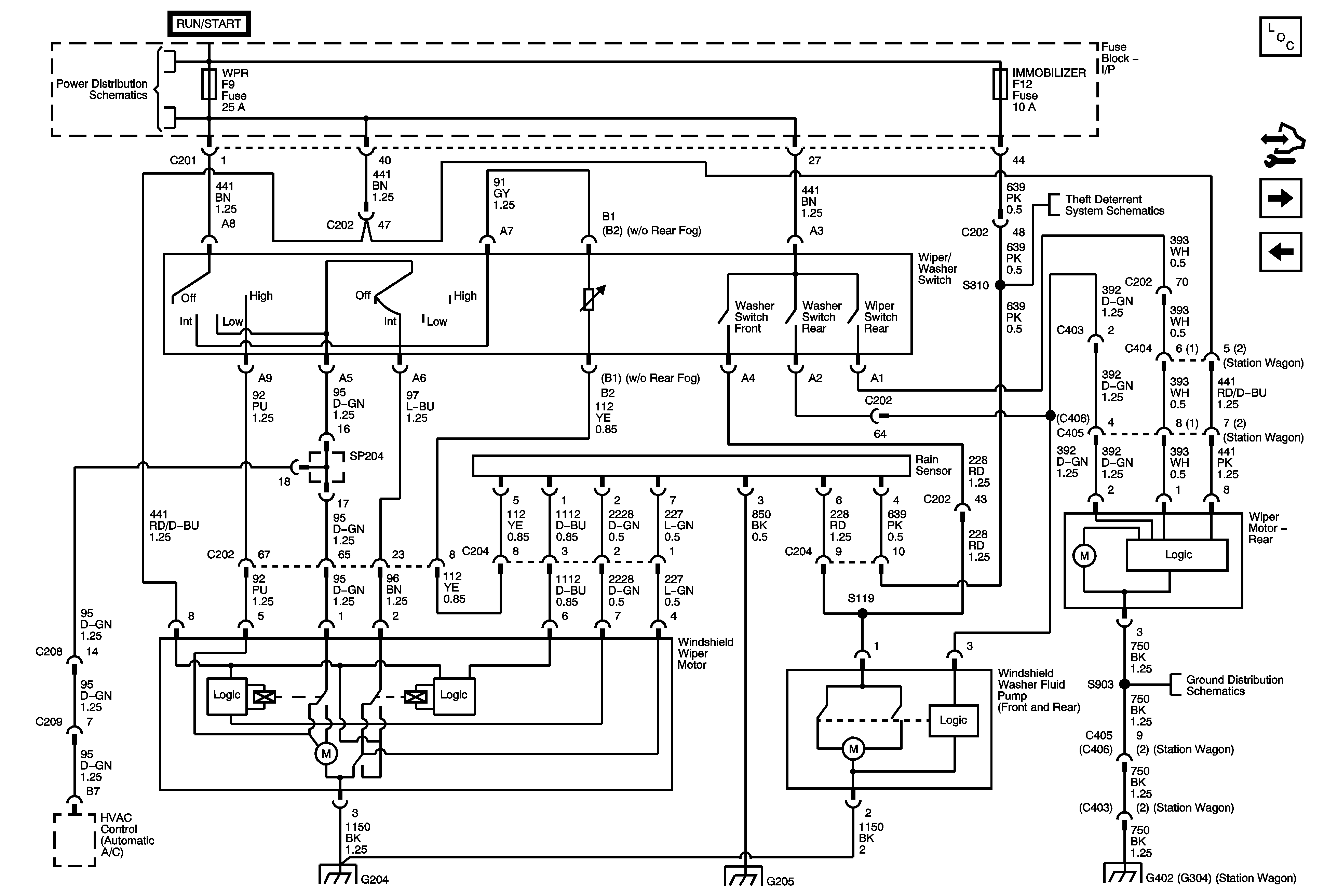
Figure 5:

Wiper System - Hatchback and Station Wagon w/Rain Sensor


Object Number: 1891498  Size: FS
Master Electrical Component List
Control Module References
Wiper System - Hatchback and Station Wagon w/Intermittent and Rain Sensor
Wiper System Notchback w/Rain Sensor
Underhood Fuse Block - Battery Feeds - 1of 2
Remote Function/Theft Deterrent Schematics
G101
G202, G204
G205, G301
G304
G402
Figure 6:

Wiper System - Hatchback and Station Wagon w/Intermittent and Rain Sensor


Object Number: 1891499  Size: FS
Master Electrical Component List
Control Module References
Wiper System - Hatchback and Station Wagon w/Rain Sensor
Underhood Fuse Block - Battery Feeds - 1of 2
Remote Function/Theft Deterrent Schematics
G202, G204
G205, G301
G101
G402
G304