GM Service Manual Online
For 1990-2009 cars only
Figure 1:

Power, Ground, Hold Switch, and DLC


Object Number: 1962568  Size: FS
Master Electrical Component List
Control Module References
Shift and Pressure Control Solenoids
Fuse Block - Underhood B+ Bus, 1 of 3
Fuse Block - Underhood B+ Bus, 1 of 3
Fuse Block - Underhood B+ Bus, 1 of 3
Park/Neutral Position (PNP) Switch
Data Communication
G201 - 1 of 2
G203
Figure 2:

Shift and Pressure Control Solenoids


Object Number: 1962570  Size: FS
Master Electrical Component List
Control Module References
Vehicle Speed Signal
Power, Ground, Hold Switch, and DLC
Fuse Block - Underhood B+ Bus, 1 of 3
Fuse Block - Underhood B+ Bus, 1 of 3
Figure 3:

Vehicle Speed Signal


Object Number: 1962572  Size: FS
Master Electrical Component List
Park/Neutral Position (PNP) Switch
Shift and Pressure Control Solenoids
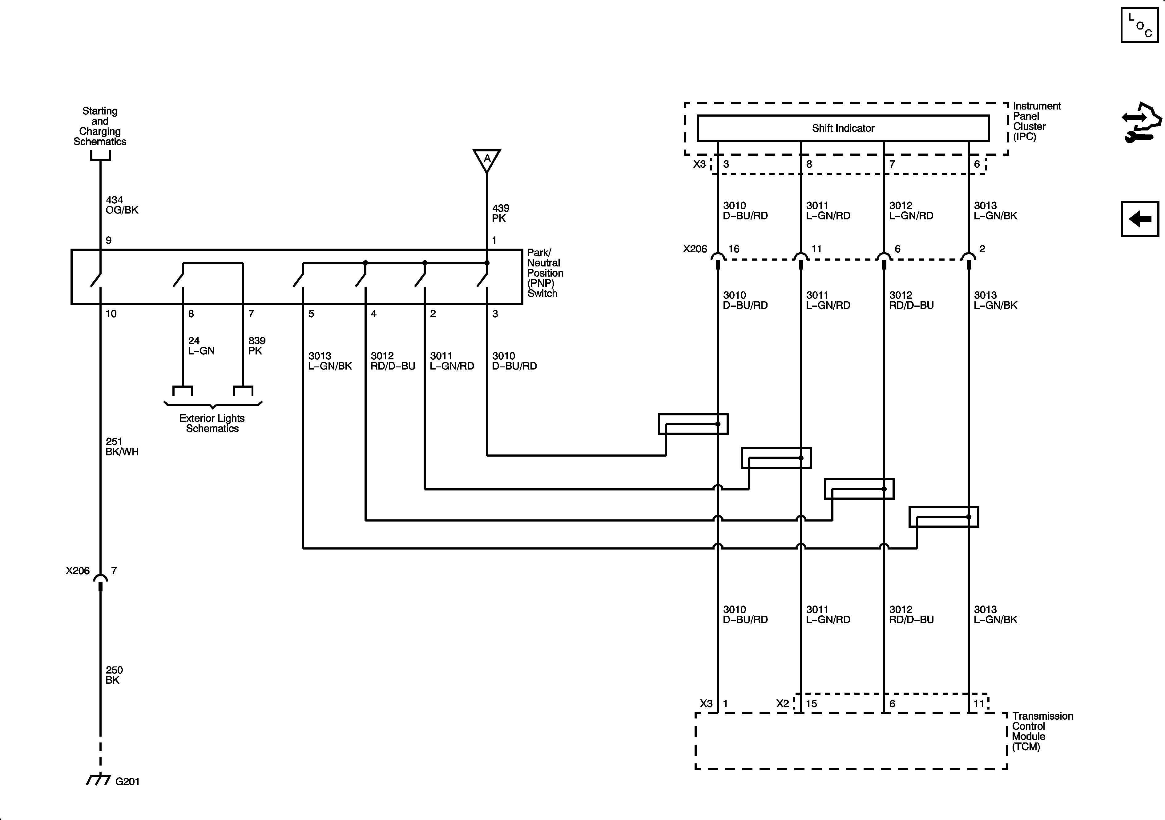
Figure 4:

Park/Neutral Position (PNP) Switch


Object Number: 1962573  Size: FS
Master Electrical Component List
Control Module References
Vehicle Speed Signal
Starting
Power, Ground, Hold Switch, and DLC
G201 - 1 of 2