GM Service Manual Online
For 1990-2009 cars only
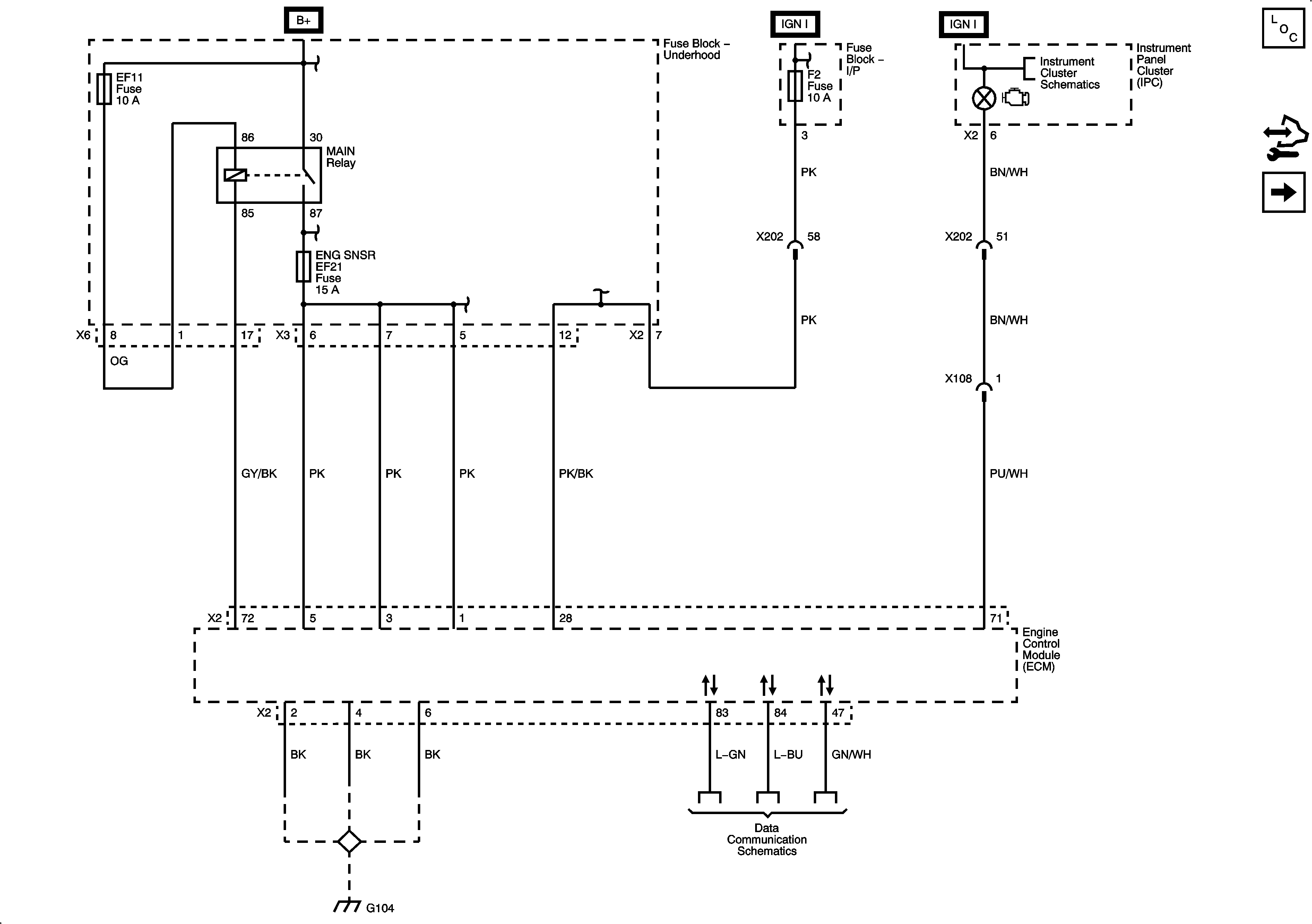
Figure 1:

ECM Power and Ground, Serial Data, MIL Control


Object Number: 1957271  Size: FS
Master Electrical Component List
Control Module References
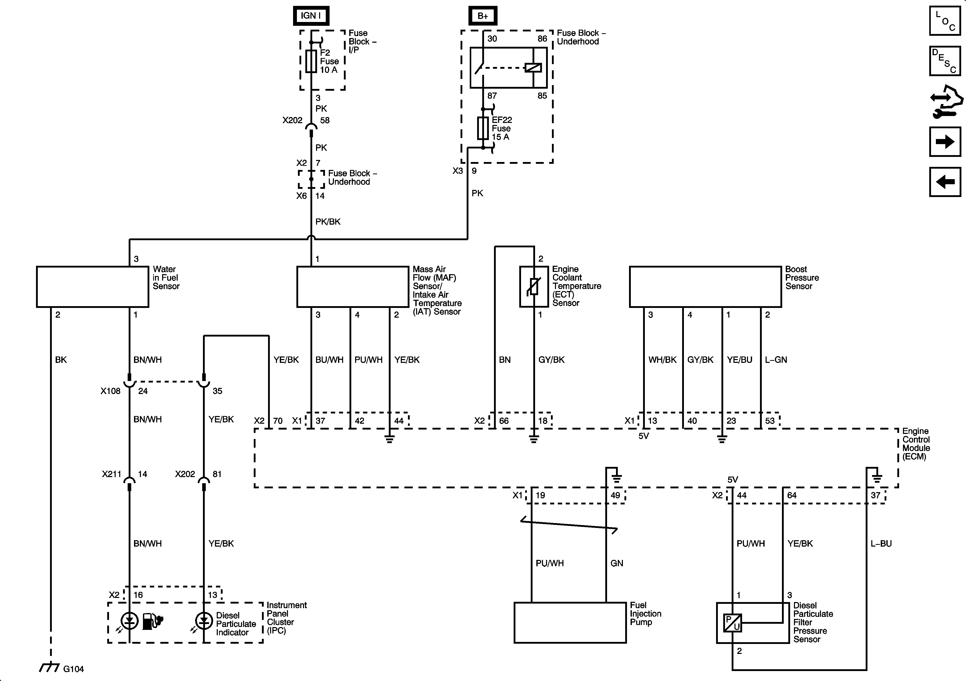
Water in Fuel, MAF, IAT, ECT, Boost Pressure, Refrigerant Pressure Sensor, Fuel Injection Pump
Fuse Block - Underhood B+ Bus, 2 of 3
Fuse Block - Underhood B+ Bus, 3 of 3 and Auxiliary Fuse Block
Fuse Block - I/P ECM Fuse
Fuse Block - I/P ECM Fuse
Air Bag, MIL Lamp, Oil Pressure, DRL, Cruise, and Fog Indicators
Data Communication
G104
Figure 2:

Water in Fuel, MAF, IAT, ECT, Boost Pressure, Refrigerant Pressure Sensors, Fuel Injection Pump


Object Number: 1957273  Size: FS
Master Electrical Component List
Control Module References
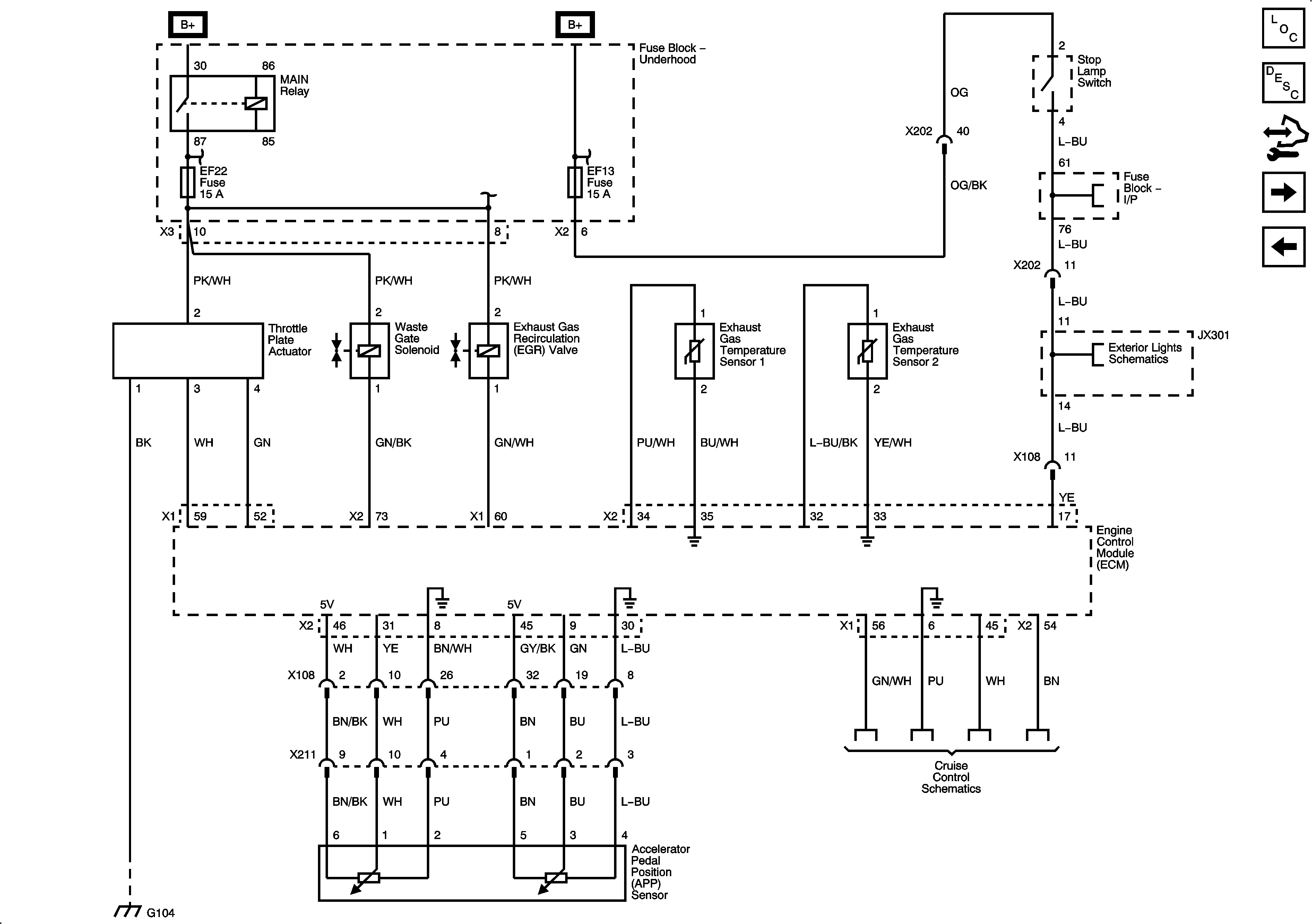
Throttle Plate Actuator, APP Sensor, EGR Valve, Exhaust Gas Temperature Sensors, Waste Gate Solenoid
ECM Power and Ground, Serial Data, MIL Control
Fuse Block - I/P ECM Fuse
Fuse Block - Underhood B+ Bus, 3 of 3 and Auxiliary Fuse Block
G104
Figure 3:

Throttle Plate Actuator, APP Sensor, EGR Valve, Exhaust Gas Temperature Sensors, Waste Gate Solenoid


Object Number: 1957276  Size: FS
Master Electrical Component List
Control Module References
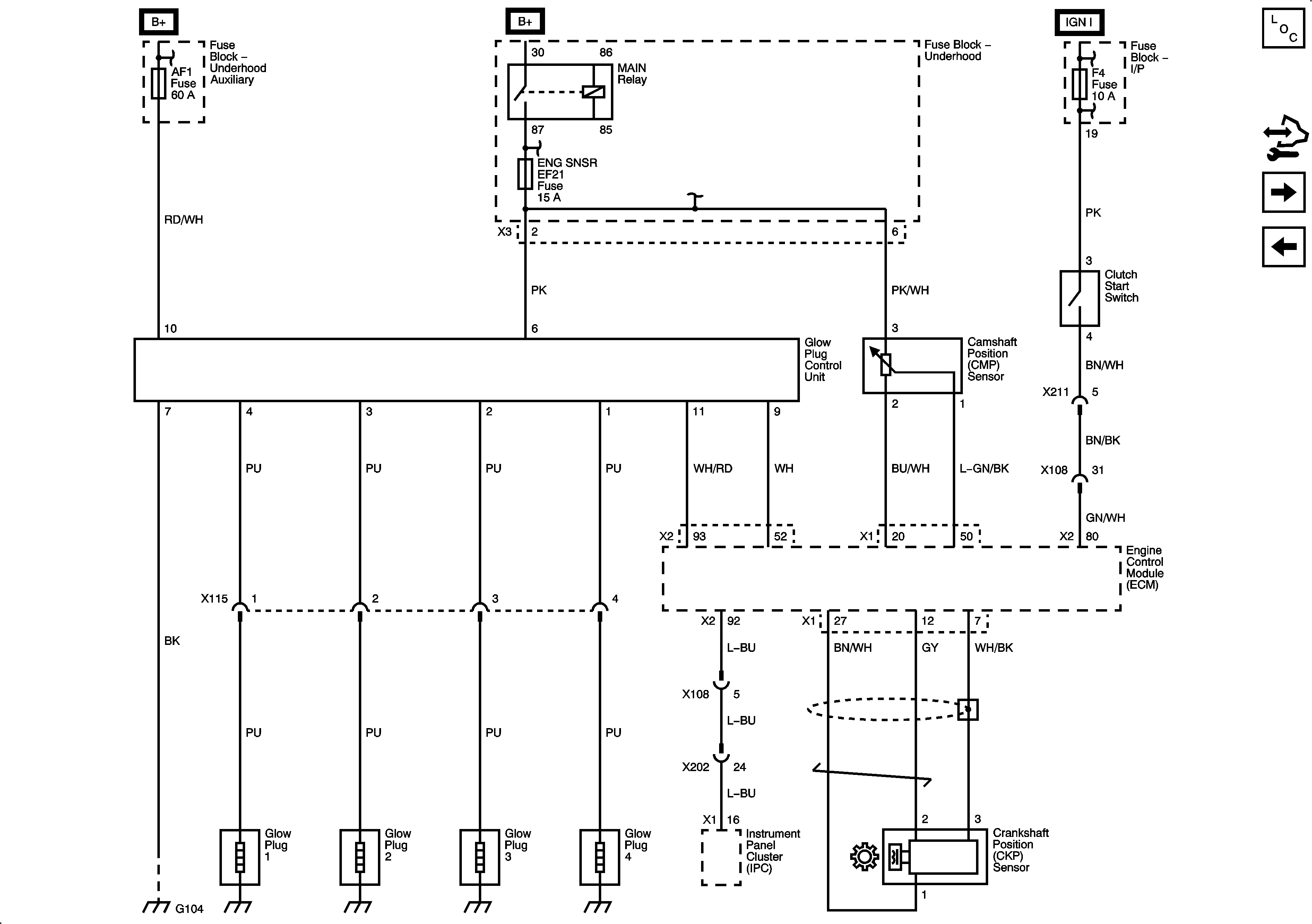
Glow Plug Control, CKP, CMP Sensors, Clutch Start Switch
Water in Fuel, MAF, IAT, ECT, Boost Pressure, Refrigerant Pressure Sensor, Fuel Injection Pump
Fuse Block - Underhood B+ Bus, 3 of 3 and Auxiliary Fuse Block
Fuse Block - Underhood B+ Bus, 1 of 3
Stop Lamps - Station Wagon
G104
Diesel
Figure 4:

Glow Plug Control, CKP, CMP Sensors, Clutch Start Switch


Object Number: 1957277  Size: FS
Master Electrical Component List
Control Module References
Fuel Pump
Throttle Plate Actuator, APP Sensor, EGR Valve, Exhaust Gas Temperature Sensors, Waste Gate Solenoid
Fuse Block - Underhood B+ Bus, 1 of 3
Fuse Block - Underhood B+ Bus, 3 of 3 and Auxiliary Fuse Block
Fuse Block - I/P CLSTR, AIRBAG, BCK/UP Fuses
G104
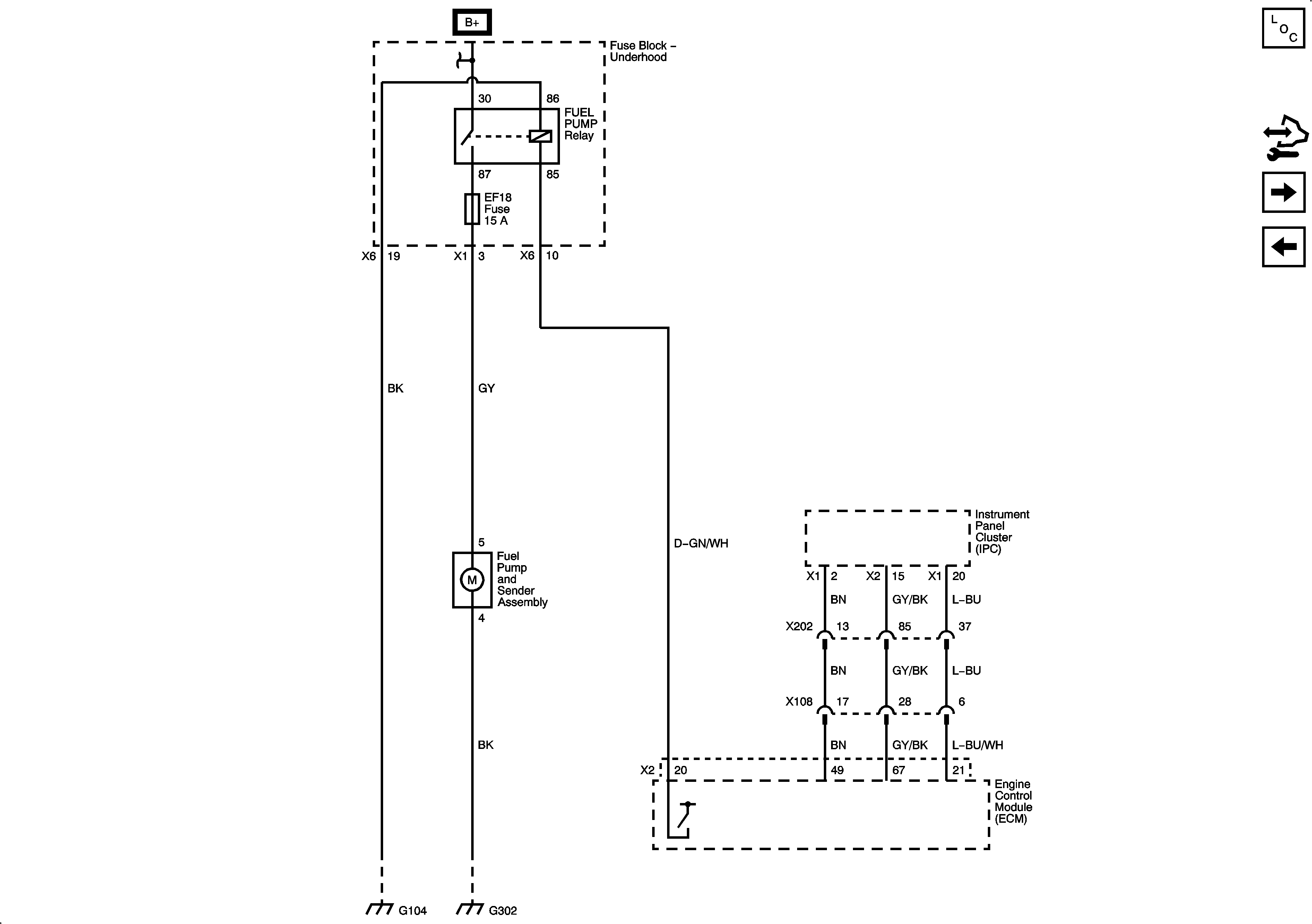
Figure 5:

Fuel Pump


Object Number: 1957285  Size: FS
Master Electrical Component List
Control Module References
Fuel Rail Pressure Sensor and Control Valve, Fuel Filter Heater/Temperature Sensor, Fuel Injectors
Glow Plug Control, CKP, CMP Sensors, Clutch Start Switch
Fuse Block - Underhood B+ Bus, 2 of 3
G104
G302
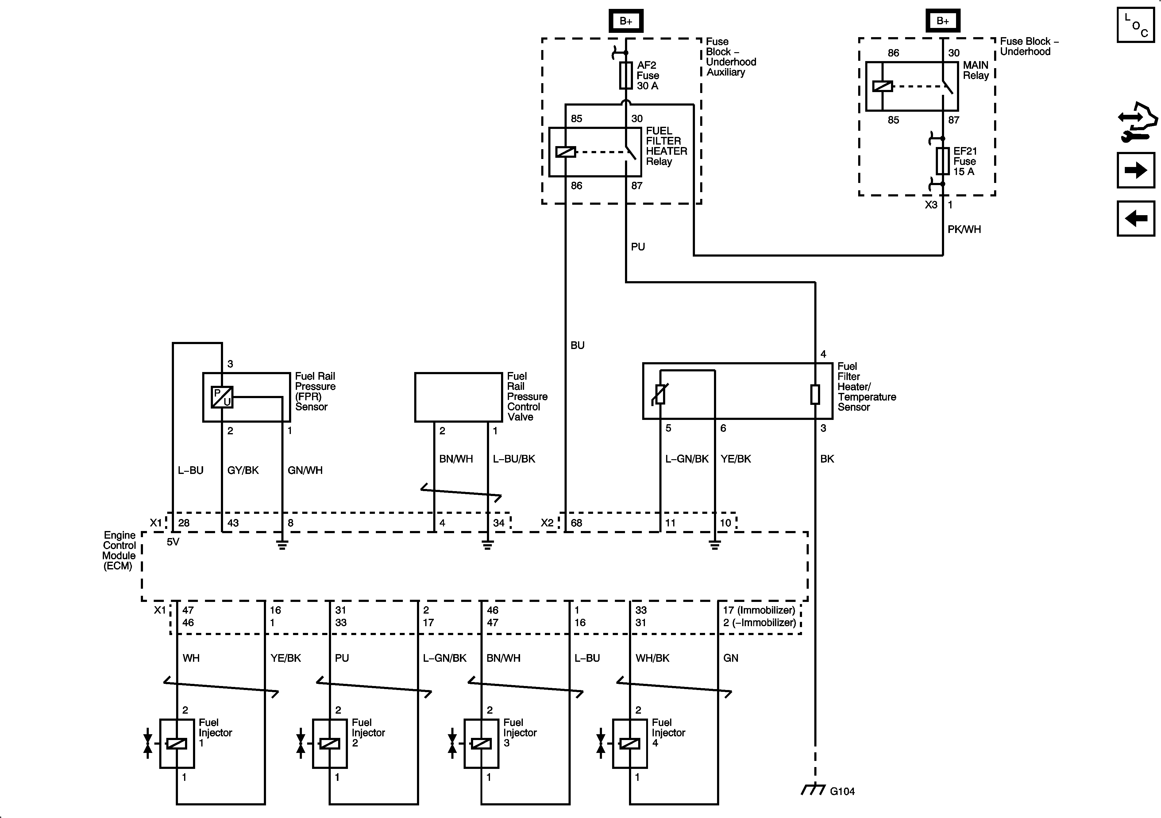
Figure 6:

Fuel Rail Pressure Sensor and Control Valve, Fuel Filter Heater/Temperature Sensor, Fuel Injectors


Object Number: 1957288  Size: FS
Master Electrical Component List
Control Module References
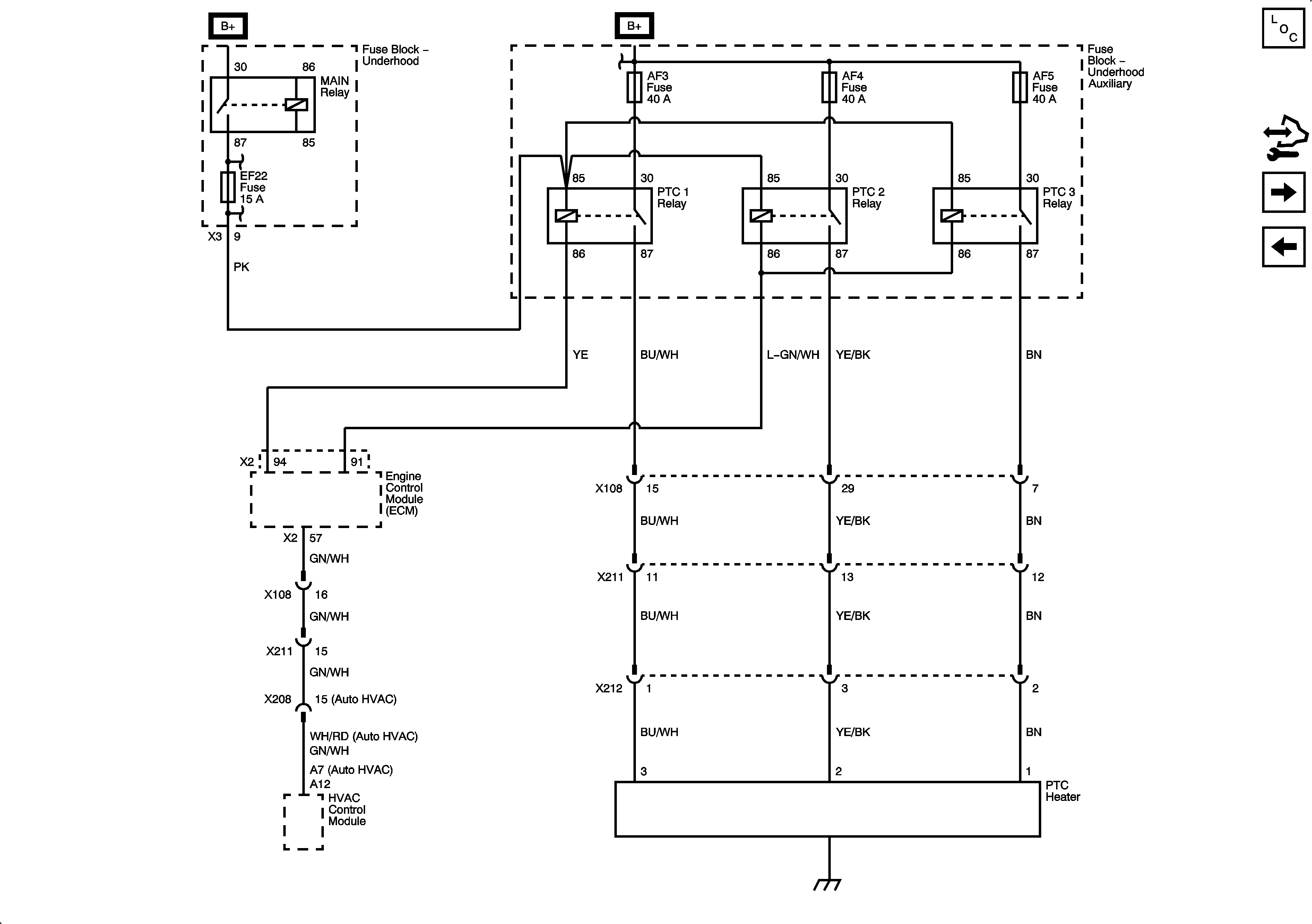
PTC Heater
Fuel Pump
Fuse Block - Underhood B+ Bus, 1 of 3
Fuse Block - Underhood B+ Bus, 3 of 3 and Auxiliary Fuse Block
G104
Figure 7:

PTC Heater


Object Number: 1957310  Size: FS
Master Electrical Component List
Control Module References
Controlled/Monitored Subsystem References
Fuel Rail Pressure Sensor and Control Valve, Fuel Filter Heater/Temperature Sensor, Fuel Injectors
Fuse Block - Underhood B+ Bus, 3 of 3 and Auxiliary Fuse Block
Fuse Block - Underhood B+ Bus, 1 of 3
Figure 8:

Controlled/Monitored Subsystem References


Object Number: 1957313  Size: FS
Master Electrical Component List
Control Module References
PTC Heater
Starting
Compressor Controls Sirius D4, MR140, MT34
Compressor Controsl Sirius D4
Single Fan