GM Service Manual Online
For 1990-2009 cars only
Makes
🢒
Holden
🢒
2008
🢒
Viva
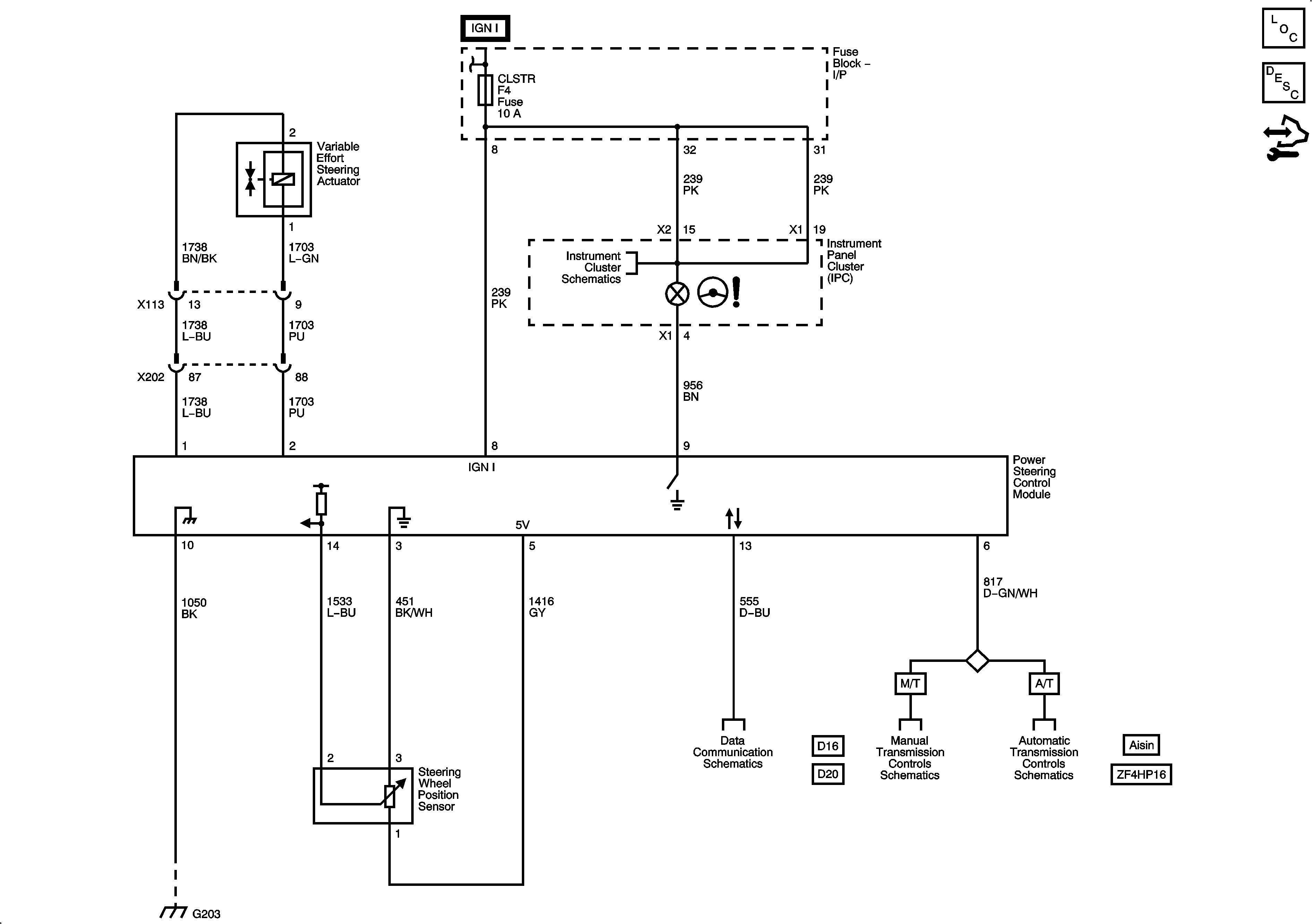
🢒 Power Steering Schematics
Power Steering Schematics
Master Electrical Component List
Control Module References
Fuse Block - Underhood B+ Bus, 1 of 3
G203
G203
Data Communication
D16
D20
Module Power, Ground, Malfunction Indicator Lamp (MIL), Hold Lamp, and Serial Data
Power, Ground, Hold Switch, and DLC