GM Service Manual Online
For 1990-2009 cars only
Makes
🢒
Holden
🢒
2008
🢒
Viva
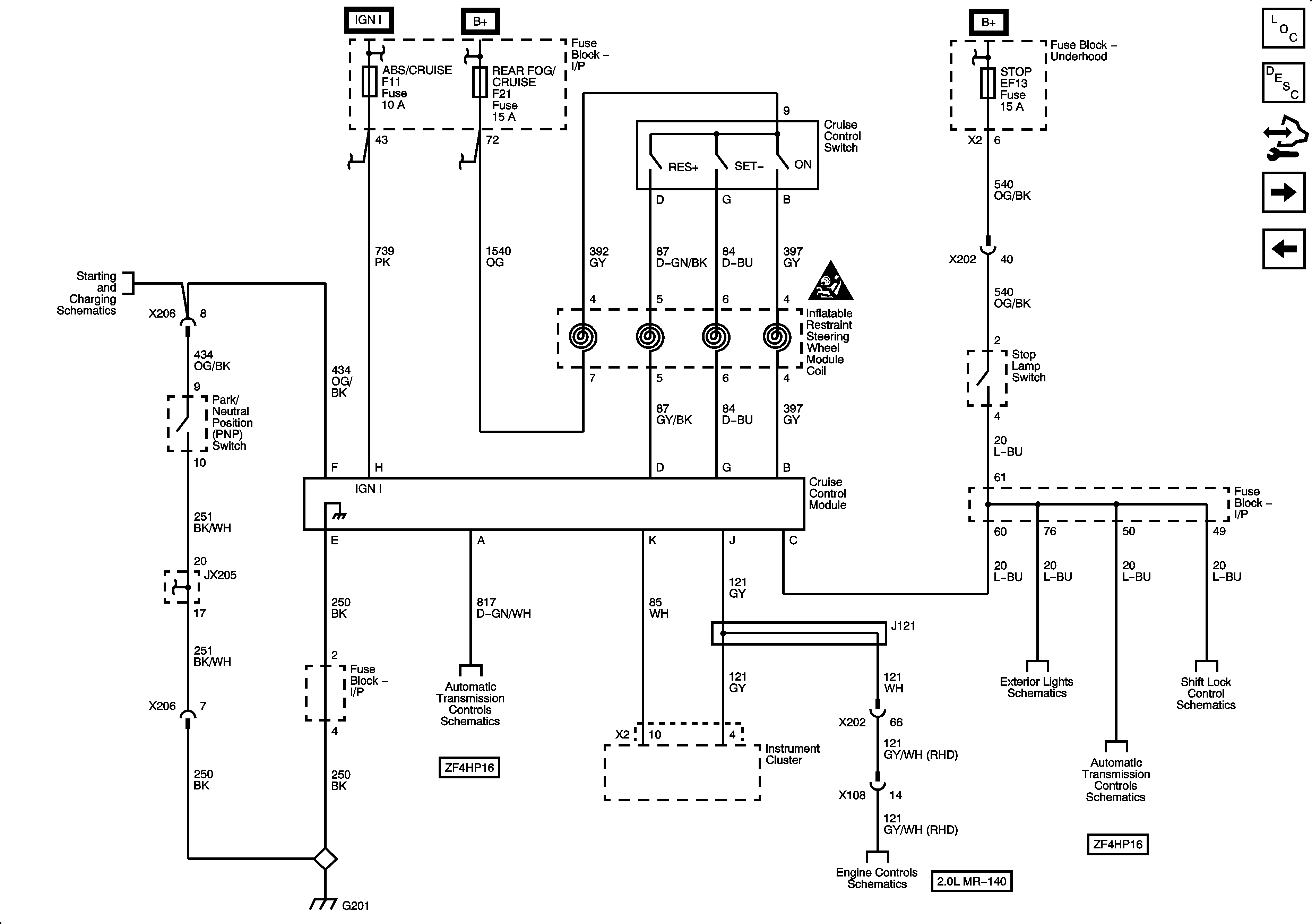
🢒 Automatic Transmission w/o Throttle Actuator Control
Automatic Transmission w/o Throttle Actuator Control
Automatic Transmission w/o Throttle Actuator Control
Master Electrical Component List
Control Module References
Manual Transmission w/o Throttle Actuator Control
Fuse Block - Underhood B+ Bus, 1 of 3
Fuse Block - Underhood B+ Bus, 1 of 3
Fuse Block - Underhood B+ Bus, 1 of 3
Starting
Master Electrical Schematic Icons
G101
Power, Ground, Hold Switch, and DLC
G201 - 1 of 2
Manual Transmission w/o Throttle Actuator Control
Park Lamps and License Plate Lamps
Automatic Transmission Shift Lock Control w/o Ignition Lock Cylinder Control Actuator
Power, Ground, Hold Switch, and DLC