GM Service Manual Online
For 1990-2009 cars only
Makes
🢒
Holden
🢒
2008
🢒
Viva
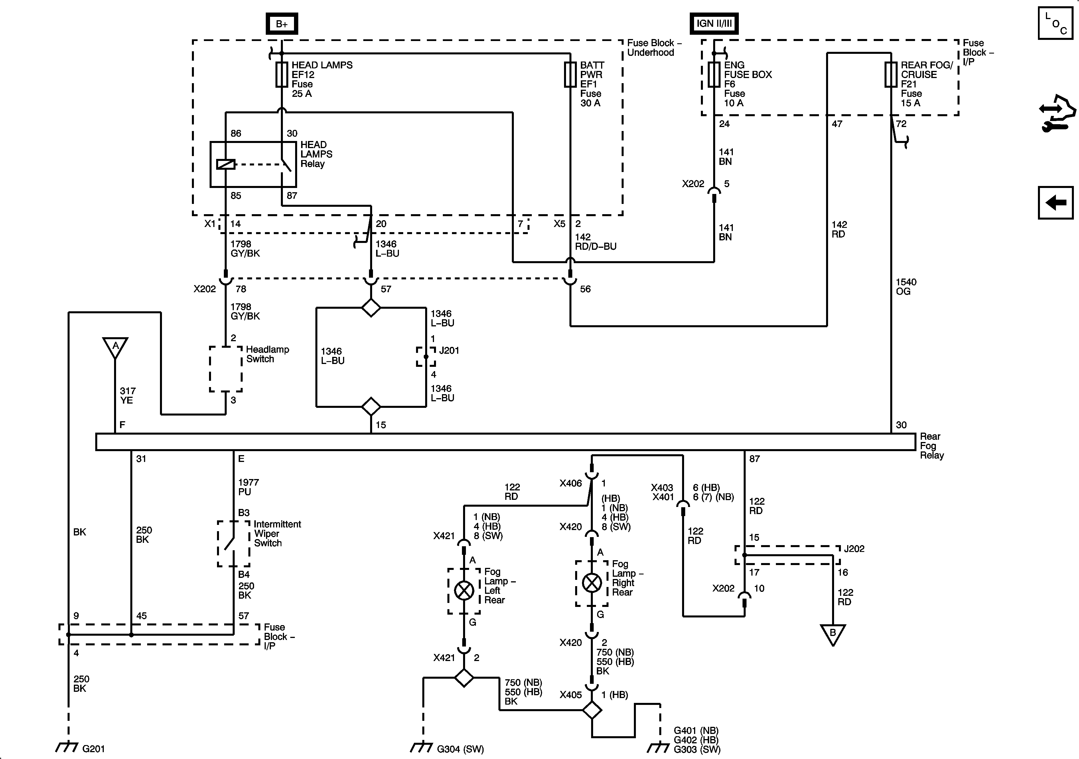
🢒 Rear Fog Lamps
Rear Fog Lamps
Rear Fog Lamps
Master Electrical Component List
Control Module References
Front Fog Lamps - LHD Except North America
Fuse Block - Underhood B+ Bus, 1 of 3
Fuse Block - Underhood B+ Bus, 1 of 3
Fuse Block - Underhood B+ Bus, 1 of 3
Fuse Block - Underhood B+ Bus, 1 of 3
Front Fog Lamps - LHD Except North America
Front Fog Lamps - LHD Except North America
G201 - 1 of 2
G304
G303, G401
G402