GM Service Manual Online
For 1990-2009 cars only
Makes
🢒
Holden
🢒
2008
🢒
Viva
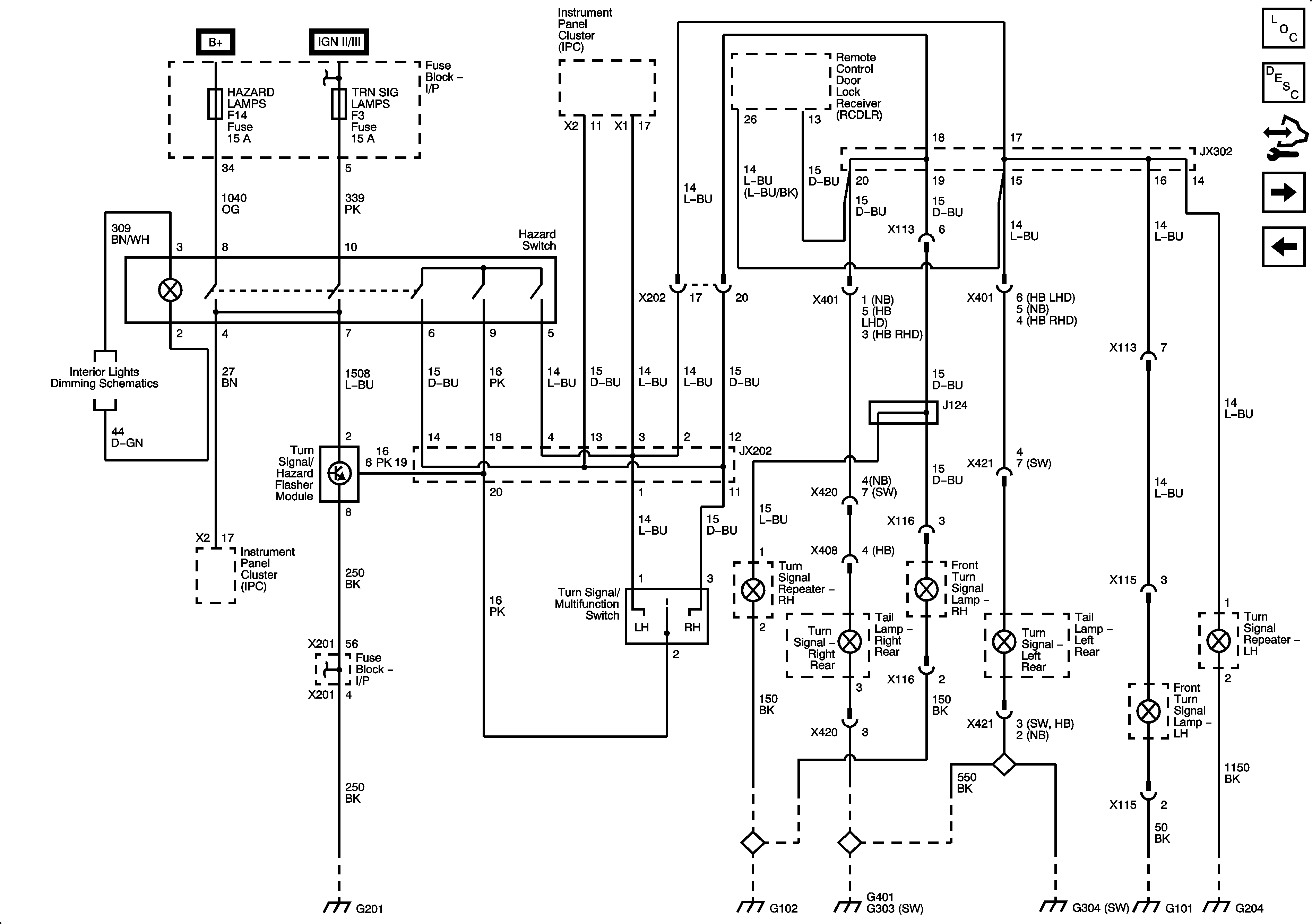
🢒 Turn and Hazard Lamps - Expcept North America
Turn and Hazard Lamps - Expcept North America
Turn and Hazard Lamps - Except North America
Master Electrical Component List
Backup Lamps
Turn and Hazard Lamps - North America
Fuse Block - Underhood B+ Bus, 1 of 3
Interior Lights
G201 - 1 of 2
G102
G303, G401
G304
G101
G202, G204