GM Service Manual Online
For 1990-2009 cars only
Makes
🢒
Holden
🢒
2008
🢒
Viva
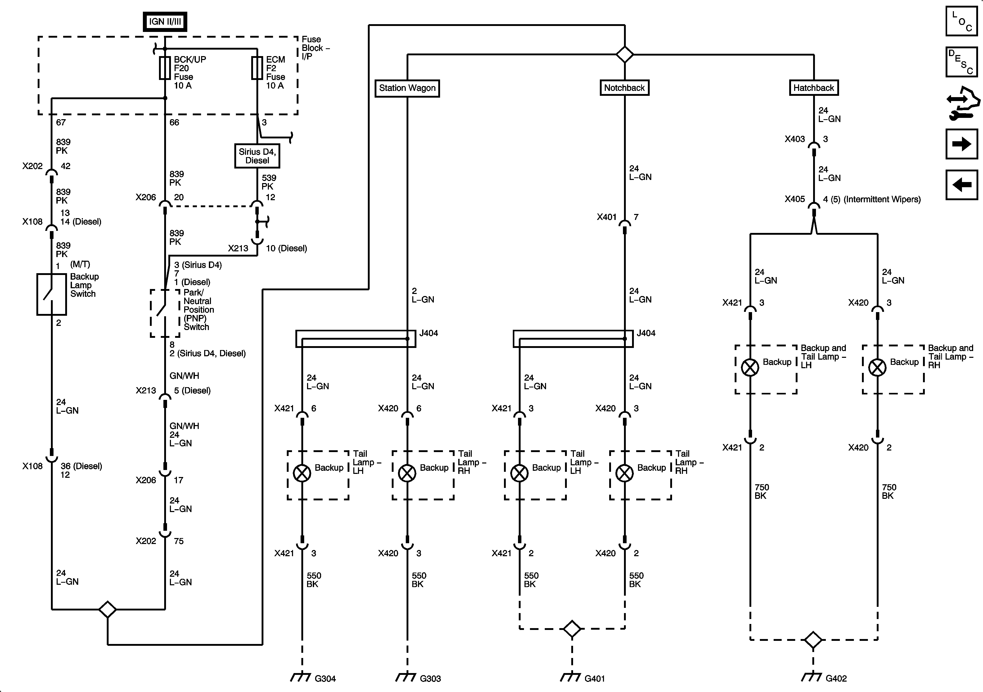
🢒 Backup Lamps
Backup Lamps
Backup Lamps
Master Electrical Component List
Control Module References
Stop Lamps - Notchback
Turn and Hazard Lamps - Expcept North America
Fuse Block - Underhood B+ Bus, 1 of 3
Fuse Block - Underhood B+ Bus, 1 of 3
G101
G304
G303, G401
G303, G401
G402