GM Service Manual Online
For 1990-2009 cars only
Makes
🢒
Holden
🢒
2008
🢒
Viva
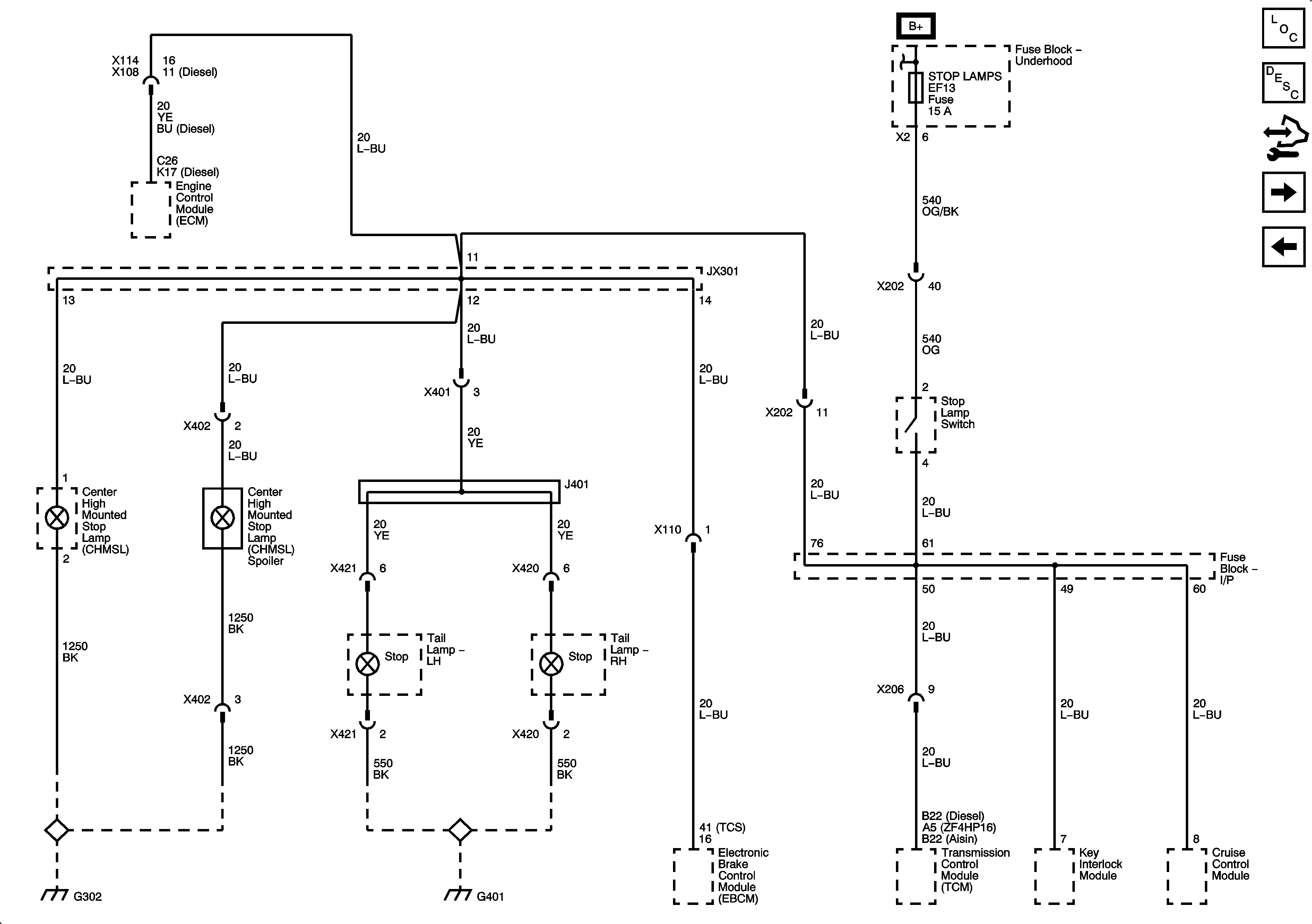
🢒 Stop Lamps - Notchback
Stop Lamps - Notchback
Stop Lamps - Notchback
Master Electrical Component List
Control Module References
Stop Lamps - Hatchback
Backup Lamps
Fuse Block - Underhood B+ Bus, 1 of 3
G302
G303, G401