GM Service Manual Online
For 1990-2009 cars only
Makes
🢒
Holden
🢒
2008
🢒
Viva
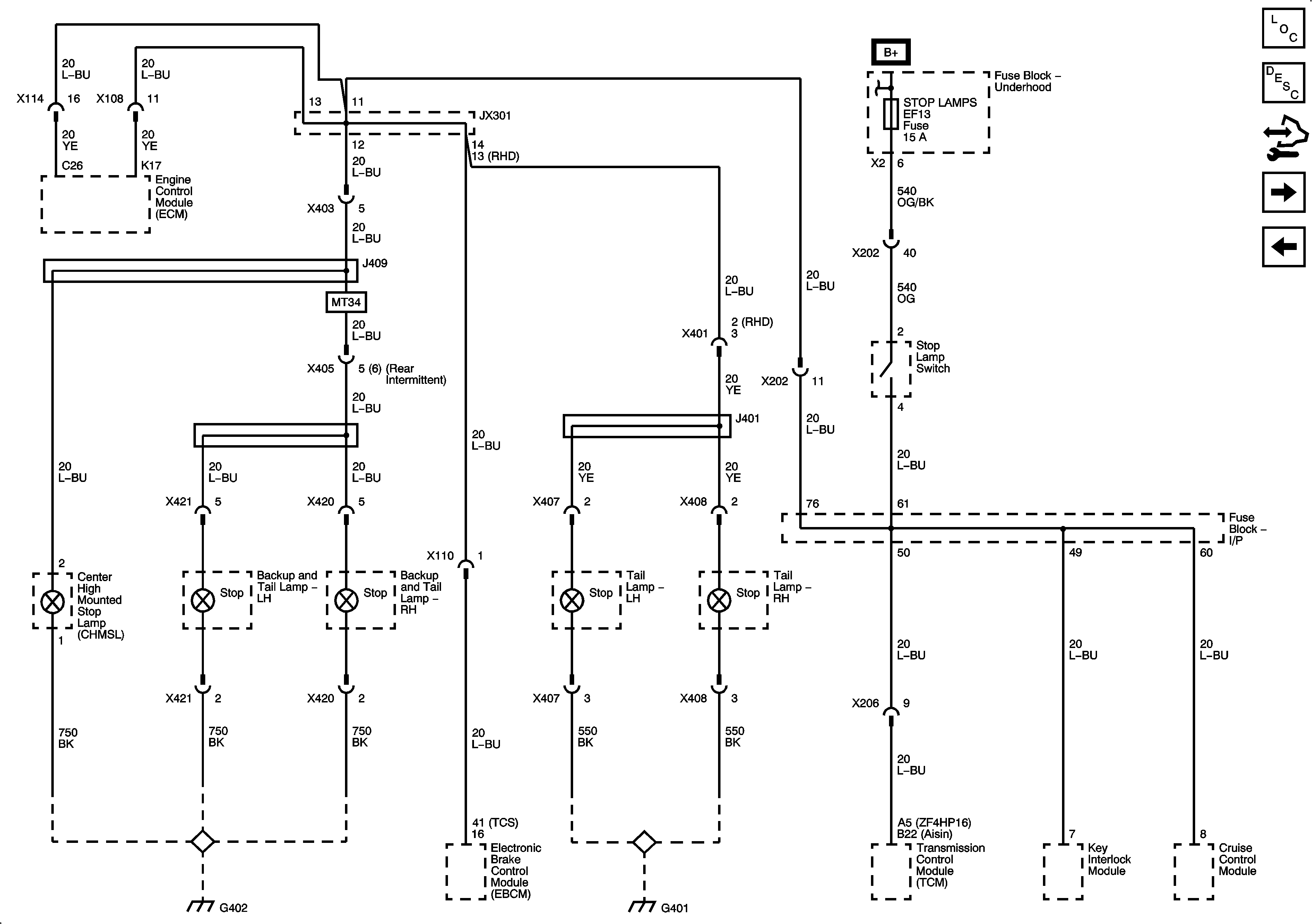
🢒 Stop Lamps - Hatchback
Stop Lamps - Hatchback
Stop Lamps - Hatchback
Master Electrical Component List
Control Module References
Stop Lamps - Station Wagon
Stop Lamps - Notchback
Fuse Block - Underhood B+ Bus, 1 of 3
G101
G402
G303, G401