GM Service Manual Online
For 1990-2009 cars only
Makes
🢒
Holden
🢒
2008
🢒
Viva
🢒 Wiper System hatchback and Station Wagon
Wiper System hatchback and Station Wagon
Wiper System - Hatchback and Station Wagon
Master Electrical Component List
Control Module References
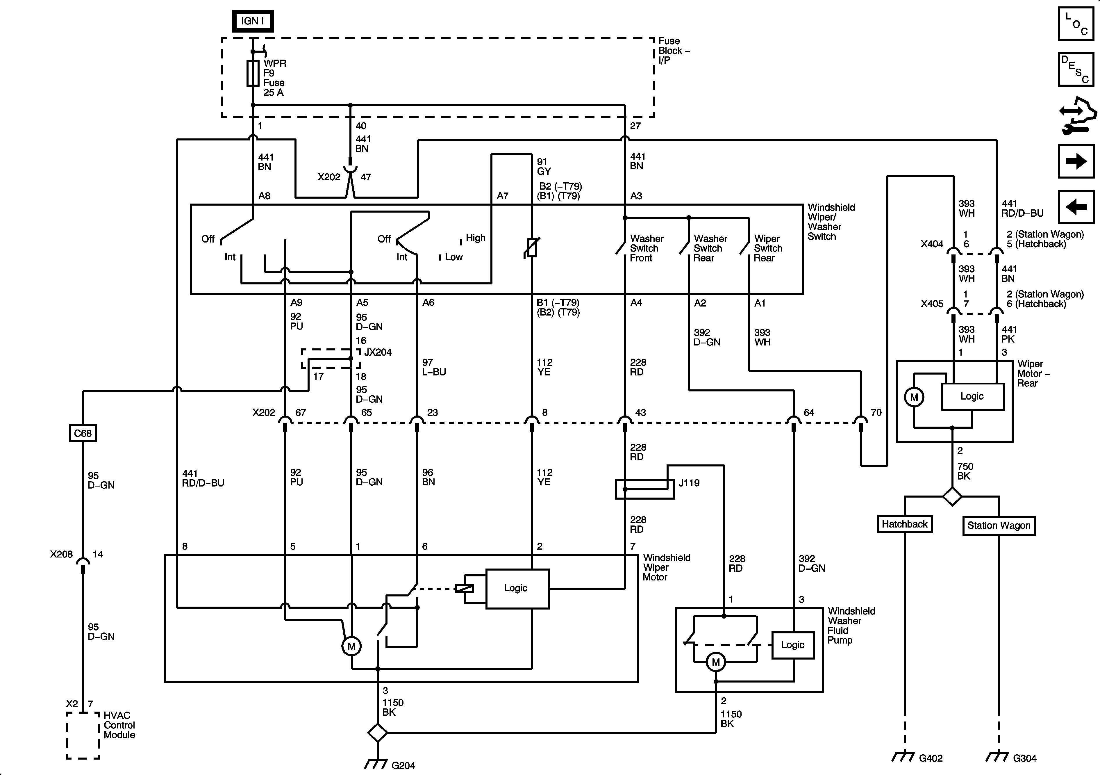
Wiper System Hatchback and Station Wagon w/Intermittent
Wiper System - Notchback
Fuse Block - Underhood B+ Bus, 1 of 3
G202, G204
G101
G304
G402