GM Service Manual Online
For 1990-2009 cars only
Makes
🢒
Holden
🢒
2008
🢒
Viva
🢒 Audible Warnings
Audible Warnings
Master Electrical Component List
Control Module References
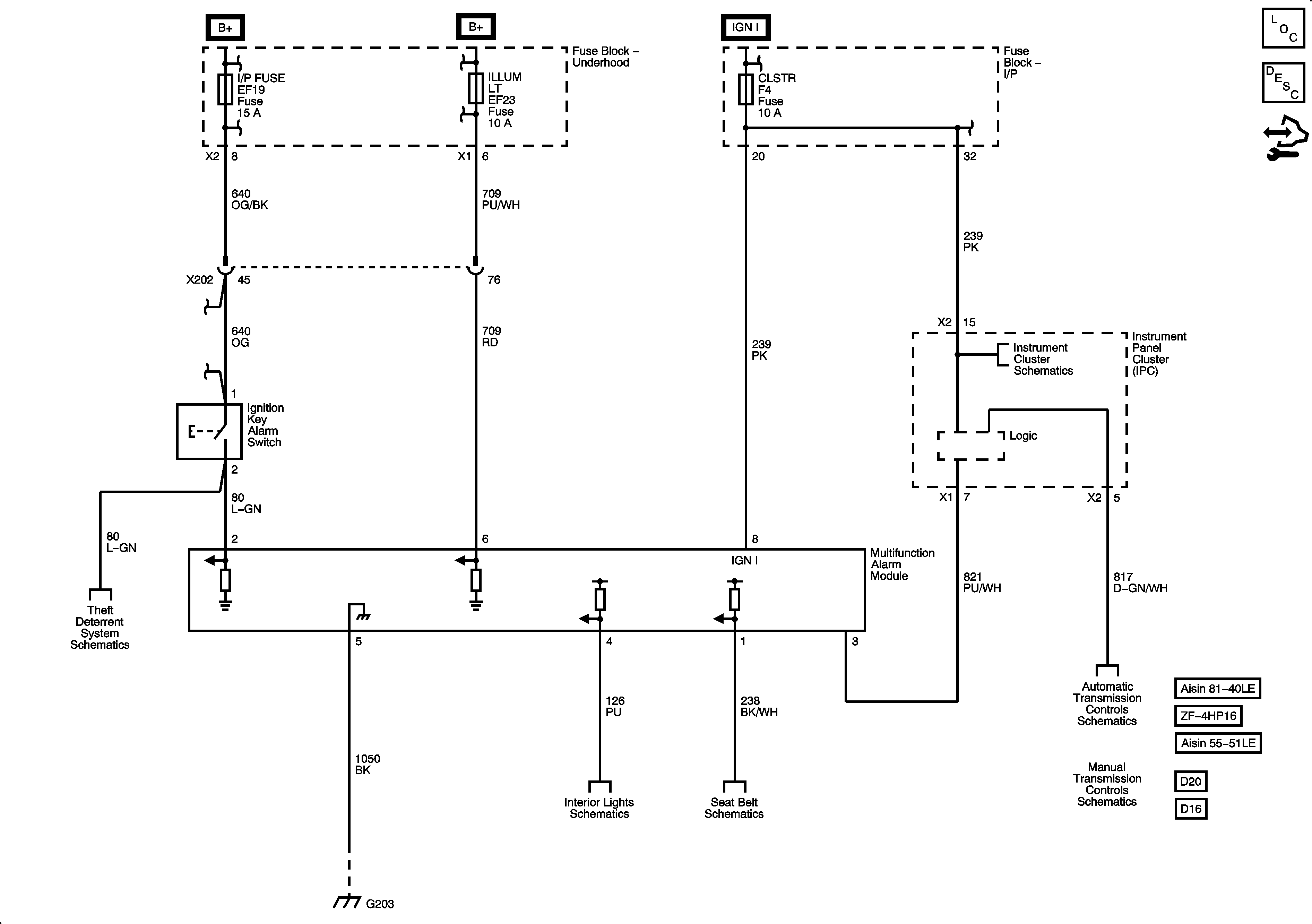
Fuse Block - Underhood B+ Bus, 1 of 3
Fuse Block - Underhood B+ Bus, 1 of 3
Fuse Block - Underhood B+ Bus, 1 of 3
Fuse Block - Underhood B+ Bus, 1 of 3
Fuse Block - Underhood B+ Bus, 1 of 3
Remote Function
G101
G203
Interior Lights
Seat Belt
Module Power, Ground, Malfunction Indicator Lamp (MIL), Hold Lamp, and Serial Data
Power, Ground, Hold Switch, and DLC
D20
D16