GM Service Manual Online
For 1990-2009 cars only
Figure 1:

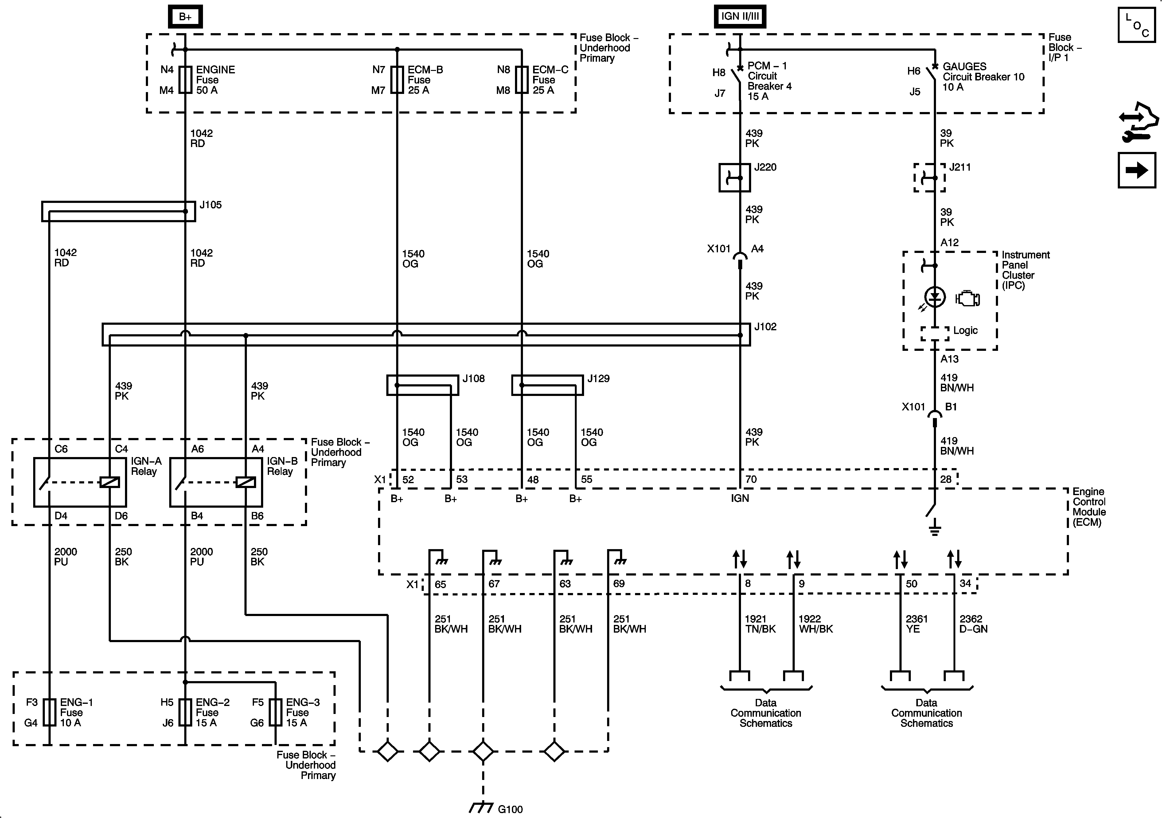
Module Power, Ground, Serial Data, and MIL


Object Number: 1908854  Size: FS
Master Electrical Component List
Control Module References
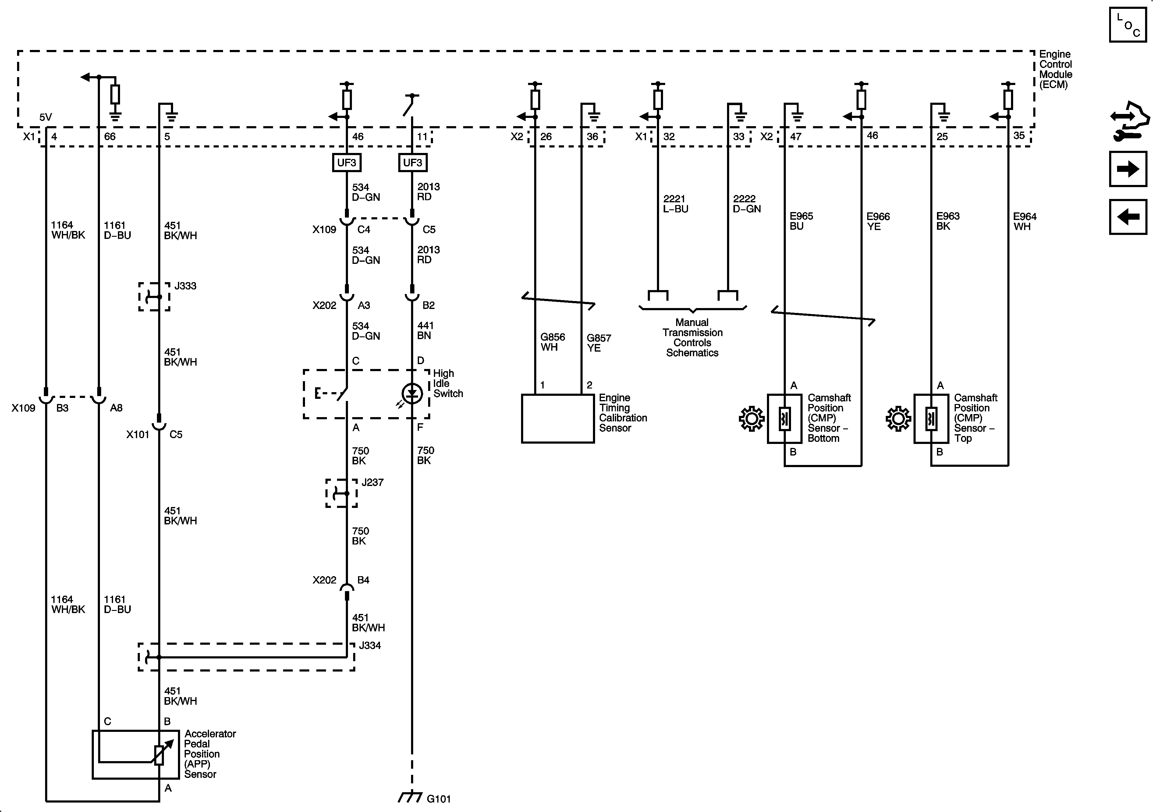
Engine Data Sensors - 5-Volt and Low Reference 1 of 2
ENGINE and PCM-1 Fuses/Circuit Breakers
FUEL Fuse/Circuit Breaker - L18/LMM, PCV Circuit Breaker - LF8, and ECM-B Circuit Breaker - LF6
FUEL Fuse/Circuit Breaker - L18/LMM, PCV Circuit Breaker - LF8, and ECM-B Circuit Breaker - LF6
G100 - LF6
ENGINE and PCM-1 Fuses/Circuit Breakers
ENGINE and PCM-1 Fuses/Circuit Breakers
Data Link Connector Power and Ground
J1939 Serial Data, 2 of 2 - L18 w/JE4, LF6, LF8
AIRBAG, GAGES, LT REAR TURN/STOP, and RT REAR TURN/STOP Fuses/Circuit Breakers
AIRBAG, GAGES, LT REAR TURN/STOP, and RT REAR TURN/STOP Fuses/Circuit Breakers
Instrument Panel Cluster - 1 of 2
Figure 2:

Engine Data Sensors - 5-Volt and Low Reference 1 of 2


Object Number: 1908859  Size: FS
Master Electrical Component List
Control Module References
Engine Data Sensors - Low Reference 2 of 2
Module Power, Ground, Serial Data, and MIL
Engine Data Sensors - Low Reference 2 of 2
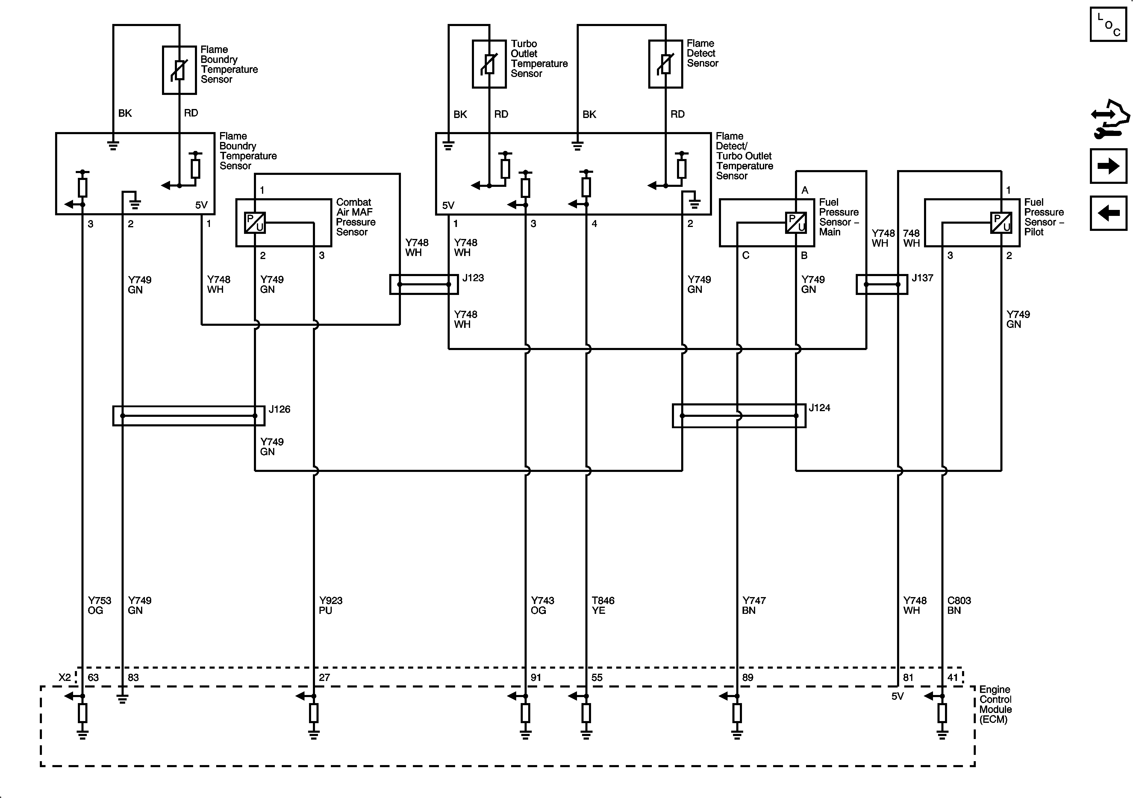
Figure 3:

Engine Data Sensors - Low Reference 2 of 2


Object Number: 1908864  Size: FS
Master Electrical Component List
Control Module References
Engine Data Sensors - Pressure and Temperature 1 of 3
Engine Data Sensors - 5-Volt and Low Reference 1 of 2
Engine Data Sensors - 5-Volt and Low Reference 1 of 2
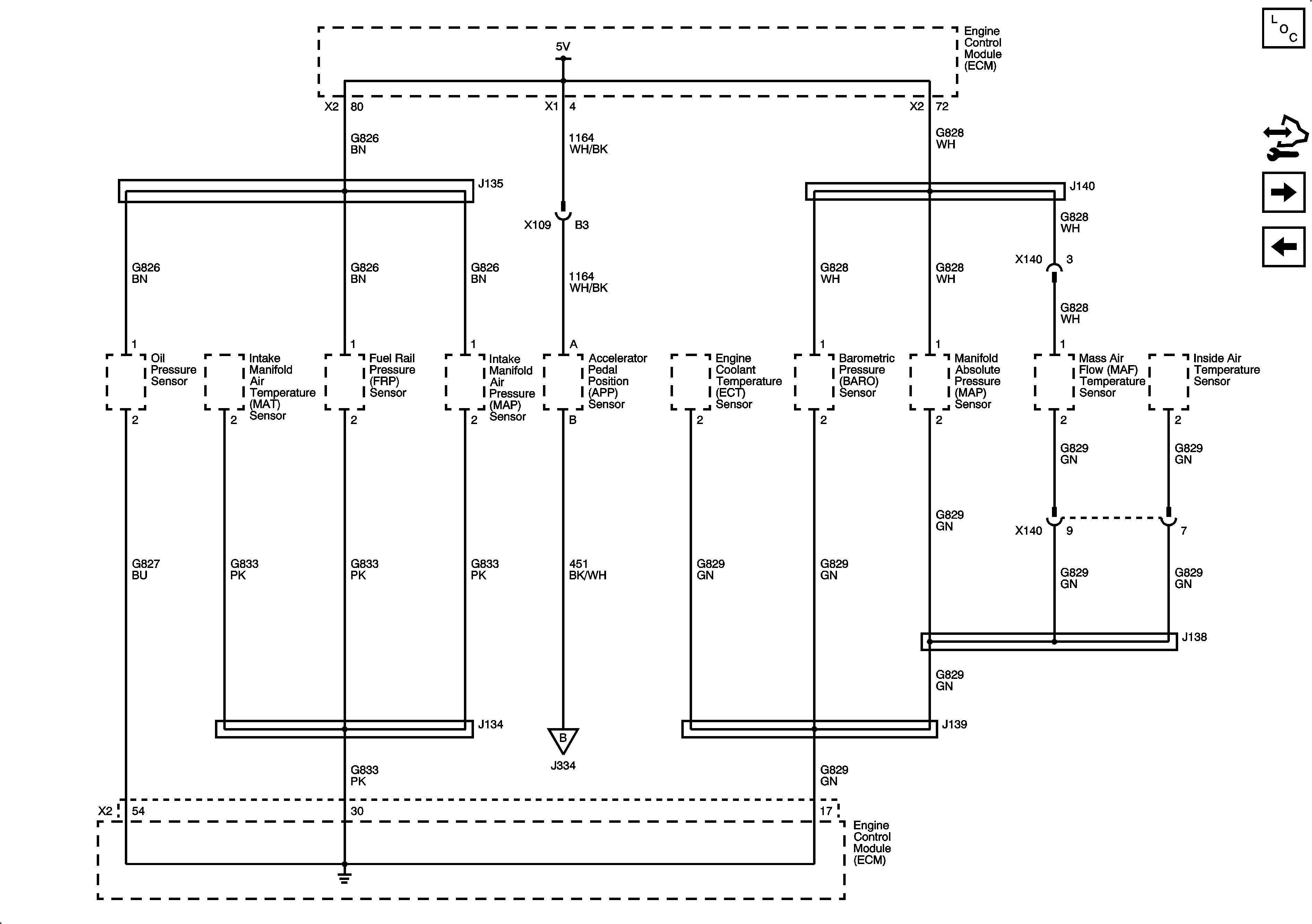
Figure 4:

Engine Data Sensors - Pressure and Temperature 1 of 3


Object Number: 1908869  Size: FS
Master Electrical Component List
Control Module References
Engine Data Sensors - Pressure and Temperature 2 of 3
Engine Data Sensors - Low Reference 2 of 2
Figure 5:

Engine Data Sensors - Pressure and Temperature 2 of 3


Object Number: 1908874  Size: FS
Master Electrical Component List
Control Module References
Engine Data Sensors - Pressure and Temperature 3 of 3
Engine Data Sensors - Pressure and Temperature 1 of 3
Figure 6:

Engine Data Sensors - Pressure and Temperature 3 of 3


Object Number: 1908878  Size: FS
Master Electrical Component List
Control Module References
Engine Data Sensors - ARD Ignition Coil, and ARD Control Sensors 1 of 2
Engine Data Sensors - Pressure and Temperature 2 of 3
Figure 7:

Engine Data Sensors - ARD Ignition Coil, and ARD Control Sensors 1 of 2


Object Number: 1908880  Size: FS
Master Electrical Component List
Control Module References
Engine Data Sensors - ARD Control Sensors 2 of 2
Engine Data Sensors - Pressure and Temperature 3 of 3
G100 - LF6
Figure 8:

Engine Data Sensors - ARD Control Sensors 2 of 2


Object Number: 1908883  Size: FS
Master Electrical Component List
Control Module References
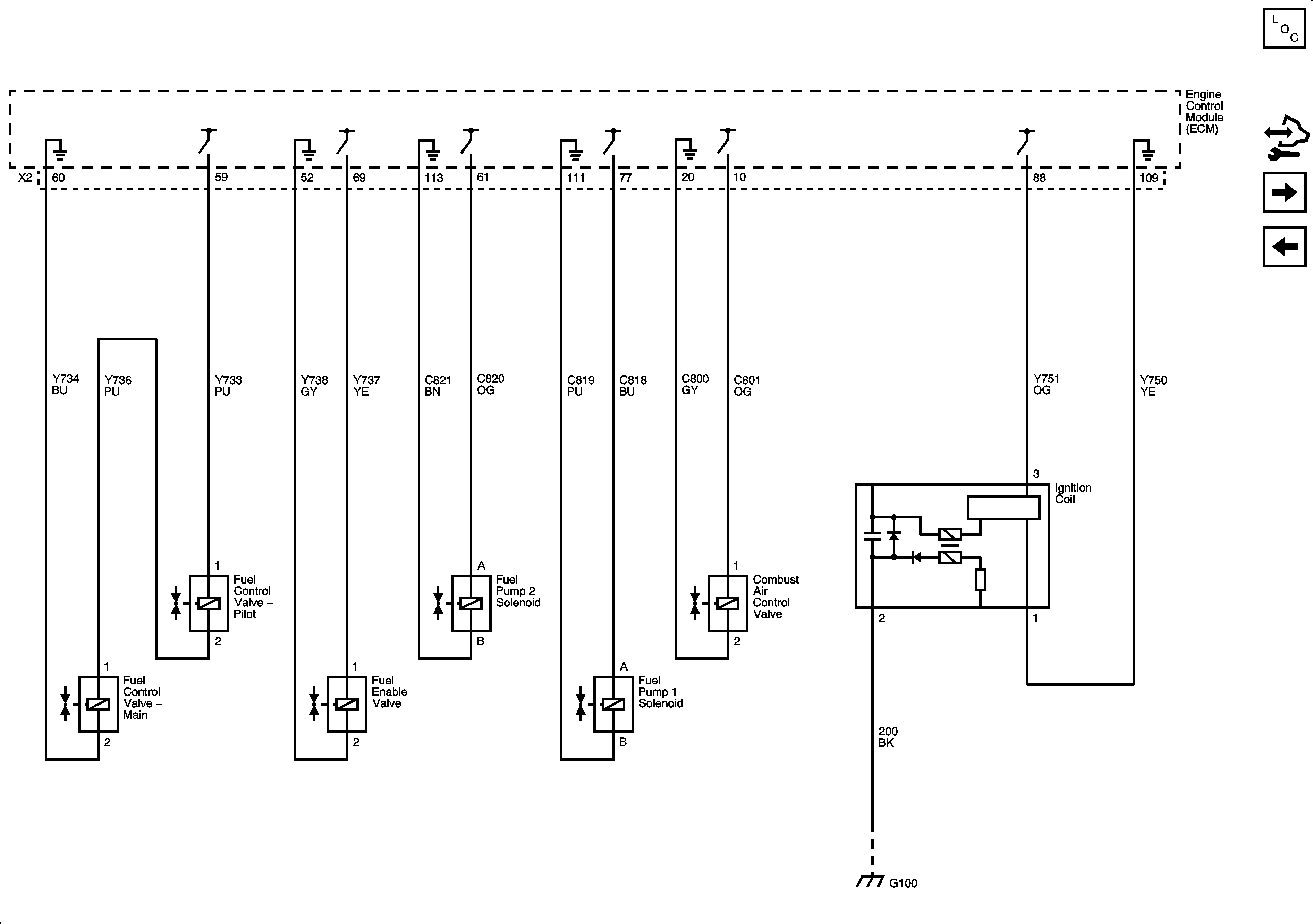
Engine Data Sensors - Injection Timing Controls
Engine Data Sensors - ARD Ignition Coil, and ARD Control Sensors 1 of 2
Figure 9:

Engine Data Sensors - Injection Timing Controls


Object Number: 1908888  Size: FS
Master Electrical Component List
Control Module References
Device Controls - Intake Air (IA) Heater, Turbo Control Sensors
Engine Data Sensors - ARD Control Sensors 2 of 2
Engine Data Sensors - Low Reference 2 of 2
Engine Data Sensors - Low Reference 2 of 2
Engine Data Sensors - Low Reference 2 of 2
G101 - 1 of 2
Manual Transmission Schematics
Figure 10:

Device Controls - Intake Air (IA) Heater, Turbo Control Sensors


Object Number: 1908891  Size: FS
Master Electrical Component List
Control Module References
Fuel Controls - Fuel Injectors
Engine Data Sensors - Injection Timing Controls
Batteries - LF6/LF8 and B+ Bus
DIC
G101 - 1 of 2
Figure 11:

Fuel Controls - Fuel Injectors


Object Number: 1908895  Size: FS
Master Electrical Component List
Control Module References
Controlled/Monitored Subsystem References
Device Controls - Intake Air (IA) Heater, Turbo Control Sensors
Fuel Gage
Figure 12:

Controlled/Monitored Subsystem References


Object Number: 1908897  Size: FS
Master Electrical Component List
Control Module References
Fuel Controls - Fuel Injectors
w/LF6
Engine Cooling Schematics
HPZ with Manual Transmision
Air Brake Warning System
Hydraulic Brakes
Instrument Panel Cluster - 2 of 2
LF6
Engine Exhaust Schematics
08 MD-560C HVAC Schematics (C60) - A/C Compressor Controls - LF6/LF8
Manual Transmission Schematics
Starting System - LF6/LF8
BRK Fuses/Circuit Breaker
Serial Data, Traction Control and Stop Lamp Switches