GM Service Manual Online
For 1990-2009 cars only
Makes
🢒
Isuzu
🢒
2005
🢒
Isuzu MD F-Series
🢒
Body
🢒
Wiring Systems
🢒 Upfitter Provision Schematics
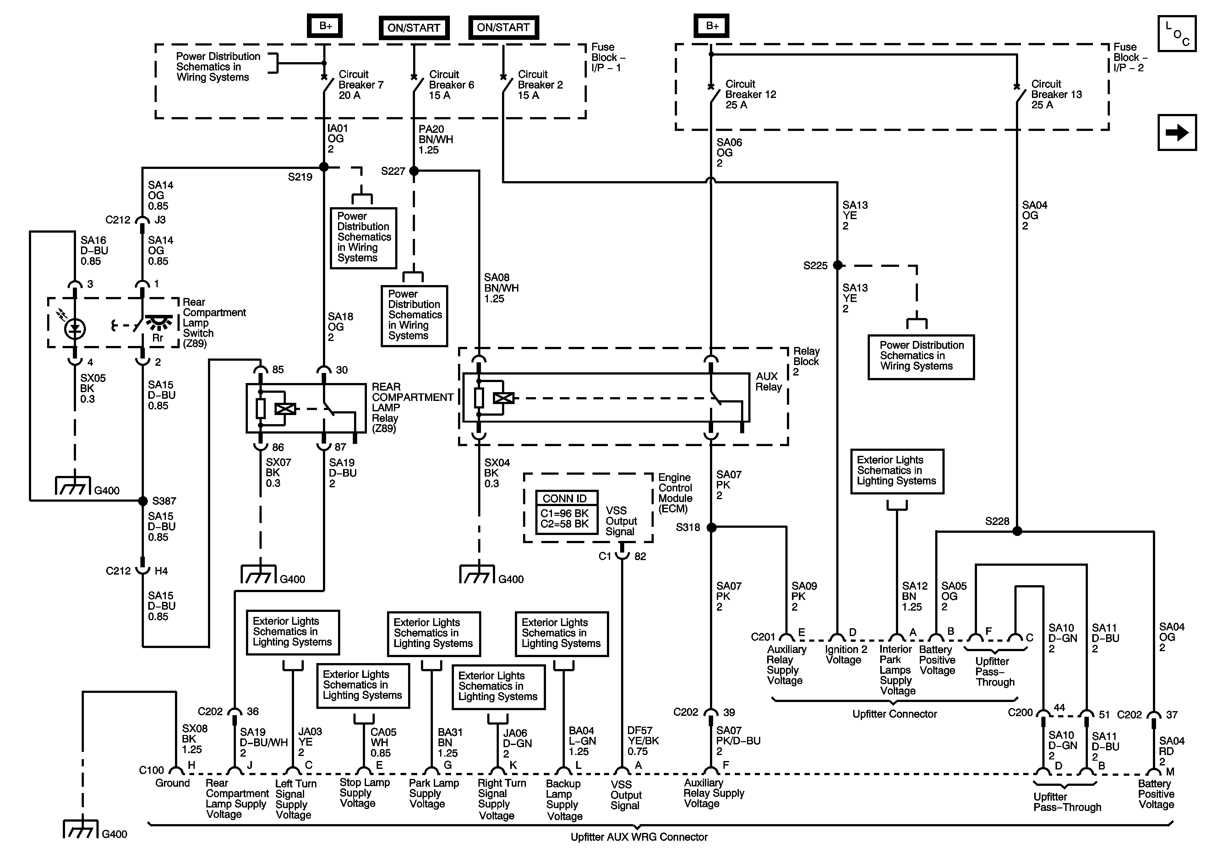
Figure
1:
AUX Relay, C100 (Upfitter AUX WRG Connector), C201 (Upfitter Connector), Engine Control Module (ECM) and Rear Compartment Lamp Provision (Z89)
Master Electrical Component List
C103 (Upfitter TRANS OPT Connector - Allison LCT and MD), C104 (Upfitter PTO Connector) C106 (Upfitter Remote PTO Connector) and C209 (Upfitter New Feature Switch Connector)
Fuse Block 1: Fuse 2 and Fuse Block - I/P - 1: Circuit Breakers 4, 7 and 8
Fuse Block - I/P - 1: Circuit Breaker 6
Fuse Block - I/P - 1: Circuit Breakers 2 and 3
Fuse Block 1: Fuses 3 and 4 and Fuse Block - I/P - 1: Circuit Breakers 12 and 13 and HYDROMAX Fuse
Fuse Block 1: Fuse 2 and Fuse Block - I/P - 1: Circuit Breakers 4, 7 and 8
Fuse Block - I/P - 1: Circuit Breaker 6
Splices S302 and S303
Turn Signal/Hazard Lamps - Left
Splice Pack SP211
Fuse Block - I/P - 1: Circuit Breakers 2 and 3
Grounds G410 and G411 and Splices S101, S105 and S107
Stop Lamps
Park and Tail Lamps
Turn Signal/Hazard Lamps - Right
Backup Lamps and Backup Alarm (UZF)
Park and Tail Lamps
Figure
2:
C103 (Upfitter TRANS OPT Connector - Allison® LCT and MD), C104 (Upfitter PTO Connector), C106 (Upfitter Remote PTO Connector) and C209 (Upfitter New Feature Switch Connector)
Master Electrical Component List
AUX Relay, C100 (Upfitter AUX WRG Connector), C201 (Upfitter Connector), Engine Control Module (ECM) and Rear Compartment Lamp Provision (Z89)
Connectors C106, C120, C209 and Engine Control Module (ECM)
Connector C104, Engine Control Module (ECM) PTO Relay, Turn Signal/Multifunction and PTO Switches
Speed Sensors, Switches, C103 - Upfitter TRANS OPT Connector
Automatic Transmission (A/T) Shift Selector, C103 - Upfitter TRANS OPT Connector