GM Service Manual Online
For 1990-2009 cars only
Makes
🢒
Isuzu
🢒
2005
🢒
Isuzu MD F-Series
🢒
Brakes
🢒
Air Antilock Brake System
🢒 Air Antilock Brake System Schematics
Figure
1:
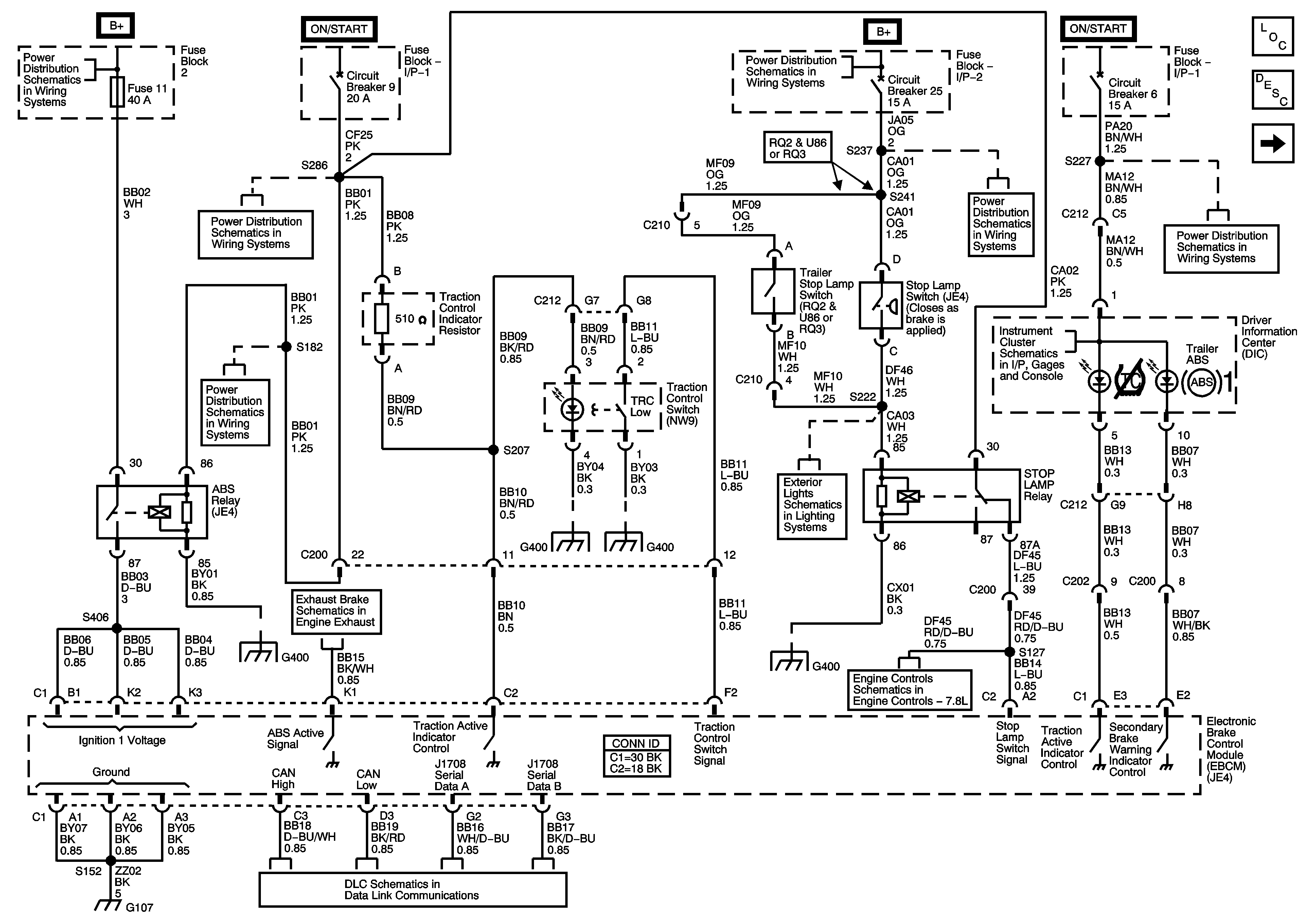
ABS and Stop Lamp Relays, Driver Information Center (DIC), Electronic Brake Control Module (EBCM), Traction Control and Stop Lamp Switches
Master Electrical Component List
Air ABS Description and Operation
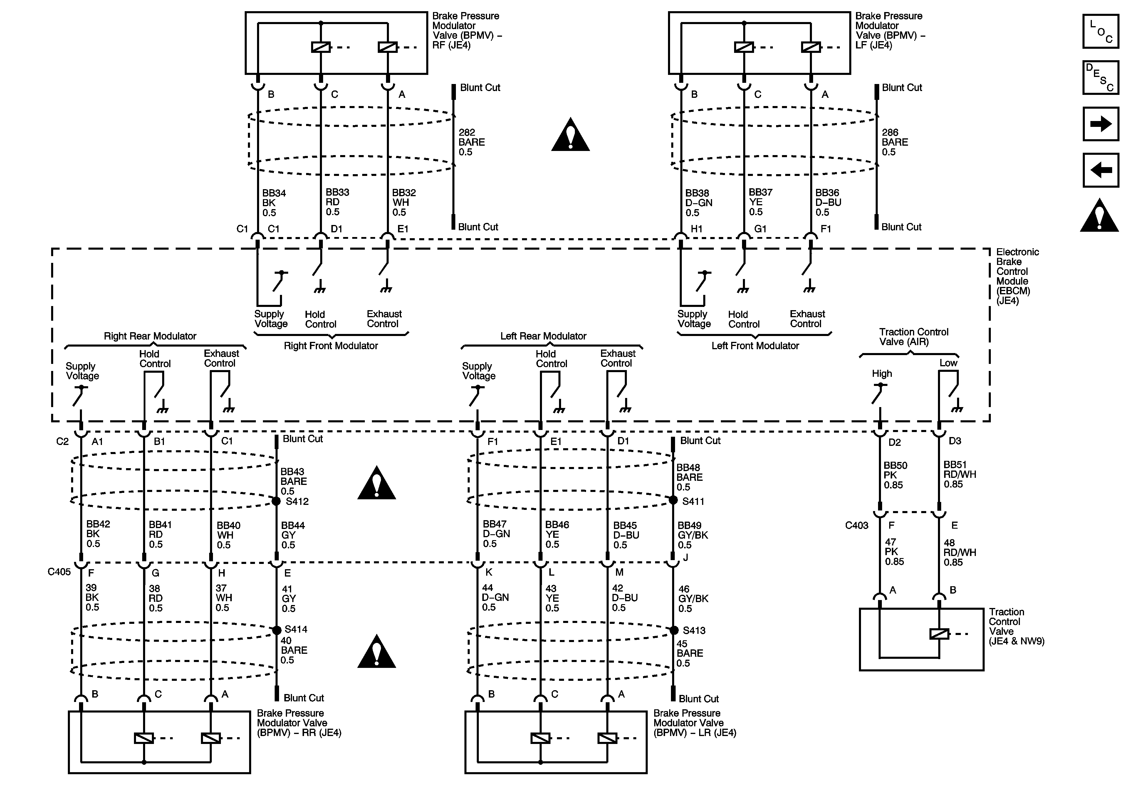
Brake Pressure Modulator Valves (BPMV), Electronic Brake Control Module (EBCM) and Traction Control Valve (JE4 and NW9)
Battery Supply and B+ Bus
Battery Supply and B+ Bus
Fuse Block 1: Fuse 5 and Fuse Block - I/P - 1: Circuit Breakers 5, 9 - 1 of 2 and 10
Fuse Block 2: Fuses 9, 11, 12, 13 and 14, Fuse Block - I/P - 1: Circuit Breaker 11 and Fuse Block - I/P - 2: Circuit Breakers 25 and 26
Fuse Block 2: Fuses 9, 11, 12, 13 and 14, Fuse Block - I/P - 1: Circuit Breaker 11 and Fuse Block - I/P - 2: Circuit Breakers 25 and 26
Fuse Block - I/P - 1: Circuit Breaker 6
Fuse Block 1: Fuse 5 and Fuse Block - I/P - 1: Circuit Breakers 5, 9 - 1 of 2 and 10
Fuse Block - I/P - 1: Circuit Breaker 9 - 2 of 2
Engine Exhaust Brake Electrical Schematics
Splices S302 and S303
Stop Lamps
Fuse Block 2: Fuses 9, 11, 12, 13 and 14, Fuse Block - I/P - 1: Circuit Breaker 11 and Fuse Block - I/P - 2: Circuit Breakers 25 and 26
Driver Information Center (DIC)
Splices S310, S348, S349, S359, S360, and S600
Controlled/Monitored Subsystem References
Grounds G100, G101, G102, G103, G107, G108, G114, G208, G209, G210, G214, G501, G502, G601 and G602 and Splices S103, S109, S152 and S402
Fuse Block - I/P - 1: Circuit Breaker 6
Figure
2:
Brake Pressure Modulator Valves (BPMV), Electronic Brake Control Module (EBCM) and Traction Control Valve (JE4 and NW9)
Master Electrical Component List
Air ABS Description and Operation
Electronic Brake Control Module (EBCM) and Wheel Speed Sensors (WSS)
ABS and Stop Lamp Relays, Driver Information Center (DIC), Electronic Brake Control Module (EBCM), Traction Control and Stop Lamp Switches
Air Antilock Brake System Schematic Icons
Air Antilock Brake System Schematic Icons
Air Antilock Brake System Schematic Icons
Air Antilock Brake System Schematic Icons
Figure
3:
Electronic Brake Control Module (EBCM) and Wheel Speed Sensors (WSS)
Master Electrical Component List
Air ABS Description and Operation
Brake Pressure Modulator Valves (BPMV), Electronic Brake Control Module (EBCM) and Traction Control Valve (JE4 and NW9)
Air Antilock Brake System Schematic Icons
Air Antilock Brake System Schematic Icons
Air Antilock Brake System Schematic Icons
Air Antilock Brake System Schematic Icons
Air Antilock Brake System Schematic Icons
Air Antilock Brake System Schematic Icons