GM Service Manual Online
For 1990-2009 cars only
Makes
🢒
Isuzu
🢒
2007
🢒
Isuzu MD F-Series
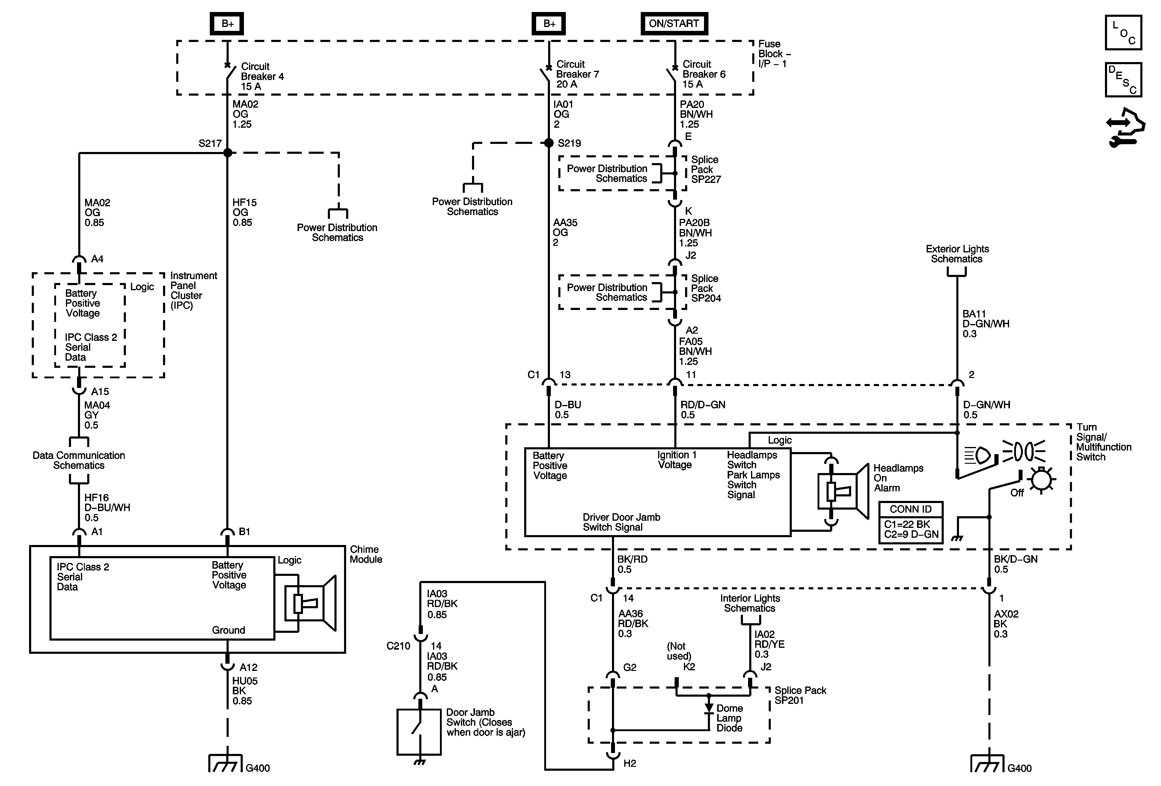
🢒 Audible Warnings Schematics
Audible Warnings Schematics
Master Electrical Component List
Audible Warnings Description and Operation
Control Module References
Controller Area Network (CAN) Connector and Data Link Connector (DLC)
G400 and G402 - 5 of 8
Fuse Block 1: Fuse 2 and Fuse Block I/P 1: Circuit Breakers 4, 7, and 8
Fuse Block 1: Fuse 2 and Fuse Block I/P 1: Circuit Breakers 4, 7, and 8
Fuse Block I/P 1: Circuit Breaker 6
Fuse Block I/P 1: Circuit Breaker 6
Dome Lamp
Clearance, Identification and Marker Lamps
G400 and G402 - 6 of 8