GM Service Manual Online
For 1990-2009 cars only
Makes
🢒
Isuzu
🢒
2008
🢒
Isuzu MD F-Series
🢒
Brakes
🢒
Air Antilock Brake System
🢒 Air Antilock Brake System Schematics
Figure
1:
Module Power, Ground, Serial Data, Indicators and Control
Master Electrical Component List
Air ABS Description and Operation
Control Module References
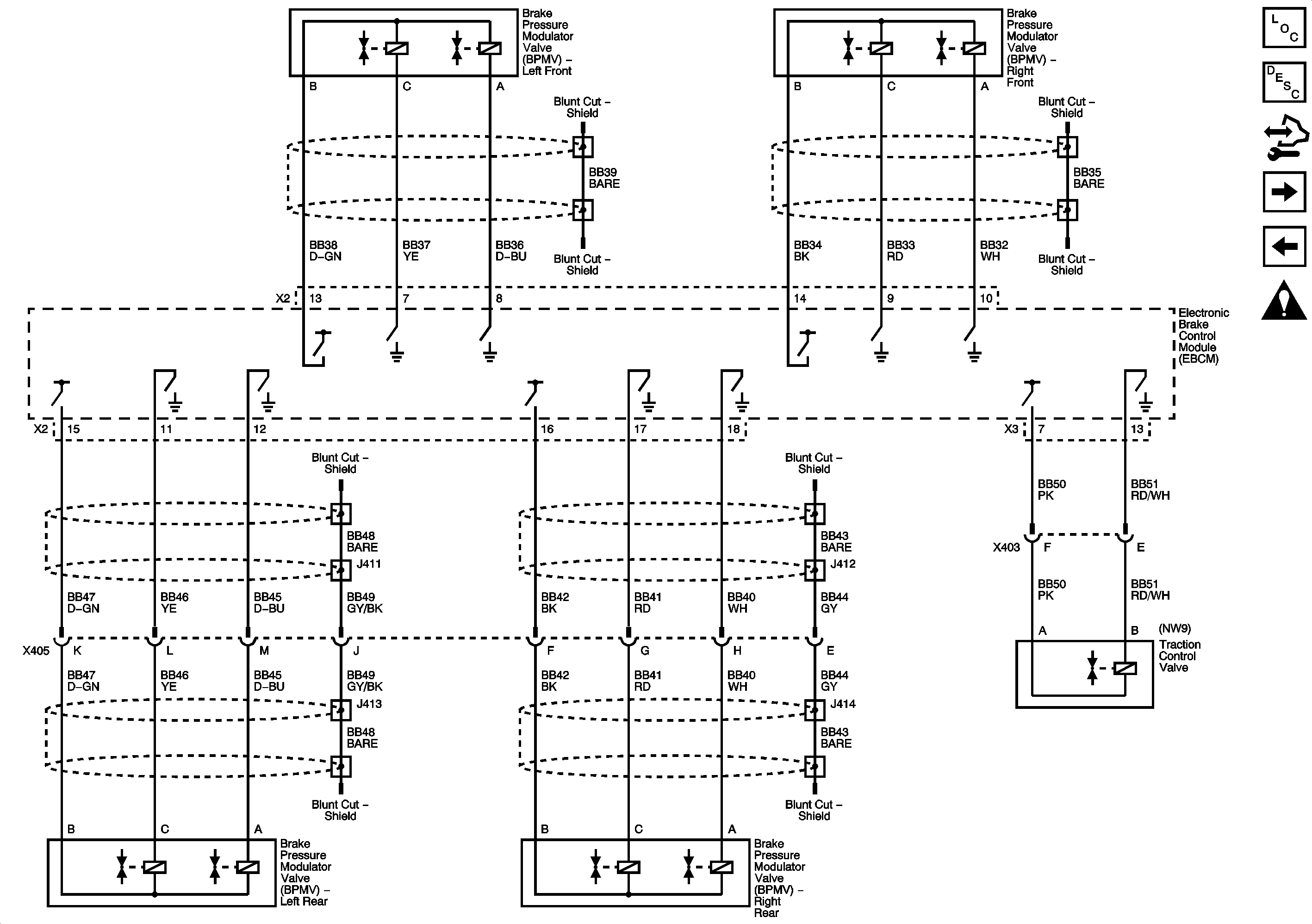
Brake Pressure Modulator Valves (BPMV) and Traction Control Valve (JE4 and NW9)
Fuse Block 2: Fuses 9, 11, 12, 13, and 14, Fuse Block I/P 1: Circuit Breaker 11, and Fuse Block I/P 2: Circuit Breakers 25 and 26
G402 and G400 - 8 of 8
Fuse Block I/P 1: Circuit Breaker 9 - 2 of 2
G100, G101, G102, G107, G114, G208, G209, G210, G214, G501, G502, G601, G602 and G400 - 1 of 8,
Fuse Block 1: Fuse 5 and Fuse Block I/P 1: Circuit Breakers 5, 9 - 1 of 2, and 10
Fuse Block 1: Fuse 5 and Fuse Block I/P 1: Circuit Breakers 5, 9 - 1 of 2, and 10
Splice Packs and Modules 1 of 3
Splice Packs and Module 3 of 3
G400 - 3 of 8
Fuse Block I/P 1: Circuit Breaker 6
Fuse Block I/P 1: Circuit Breaker 6
Driver Information Center (DIC)
Figure
2:
Brake Pressure Modulator Valves (BPMV) and Traction Control Valve (JE4 and NW9)
Master Electrical Component List
Air ABS Description and Operation
Control Module References
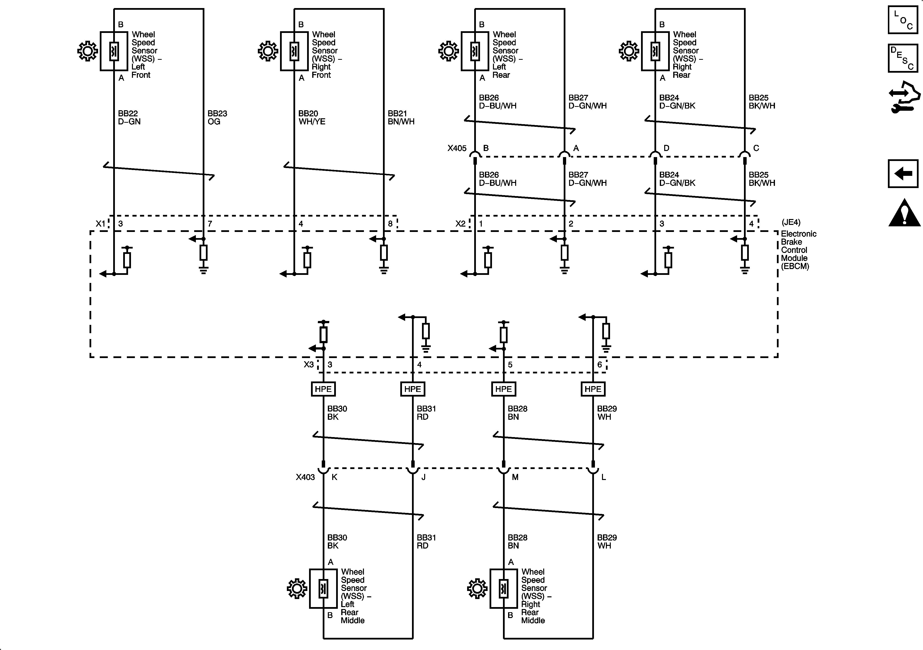
Wheel Speed Sensors
Module Power, Ground, Serial Data, Indicators, and Control
Master Electrical Schematic Icons
Figure
3:
Wheel Speed Sensors
Master Electrical Component List
Air ABS Description and Operation
Control Module References
Brake Pressure Modulator Valves (BPMV) and Traction Control Valve (JE4 and NW9)
Master Electrical Schematic Icons