GM Service Manual Online
For 1990-2009 cars only
Makes
🢒
Isuzu
🢒
2008
🢒
Isuzu MD F-Series
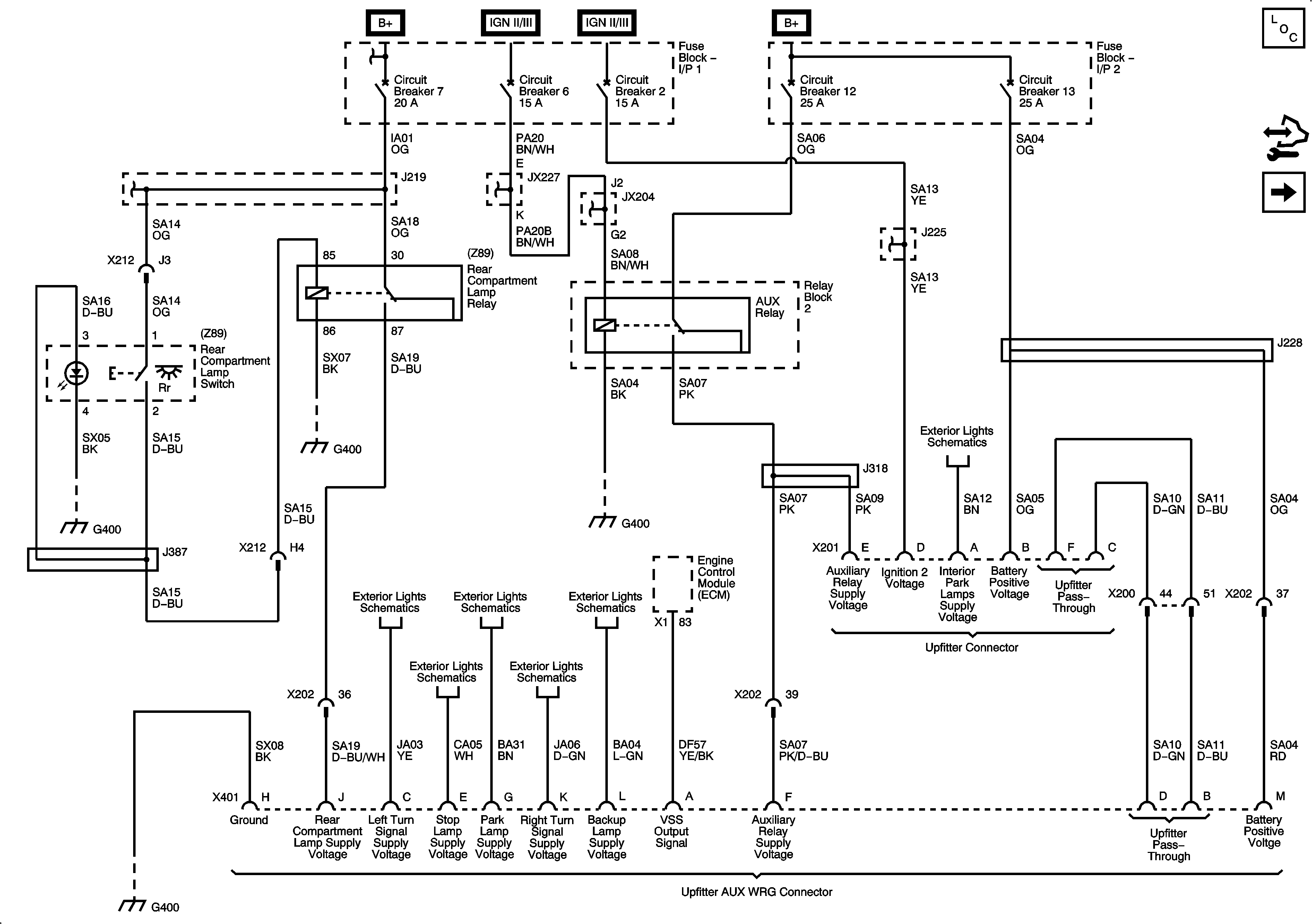
🢒 AUX Relay, X401 (Upfitter AUX WRG Connector), X201 (Upfitter Connector), Engine Control Module (ECM) and Rear Compartment Lamp Provisions
AUX Relay, X401 (Upfitter AUX WRG Connector), X201 (Upfitter Connector), Engine Control Module (ECM) and Rear Compartment Lamp Provisions
AUX Relay, X401 (Upfitter AUX WRG Connector), X201 (Upfitter Connector), Engine Control Module (ECM) and Rear Compartment Lamp Provisions
Master Electrical Component List
Control Module References
X104 (Upfitter PTO Connector), X209 (Upfitter New Feature Switch Connector), X408 (Upfitter TRANS OPT Connector), X409 (Upfitter Remote PTO Connector)
G400 - 3 of 8
G400 - 2 of 8
G400 - 5 of 8
Fuse Block 1: Fuse 2 and Fuse Block I/P 1: Circuit Breakers 4, 7, and 8
Fuse Block 1: Fuse 2 and Fuse Block I/P 1: Circuit Breakers 4, 7, and 8
Fuse Block I/P 1: Circuit Breaker 6
Fuse Block I/P 1: Circuit Breaker 6
Fuse Block I/P 1: Circuit Breaker 6
G400 - 5 of 8
Fuse Block I/P 1: Circuit Breakers 2 and 3
Block 1: Fuses 3 and 4, and Fuse Block I/P Circuit Breakers 12 and 13, and HYDROMAX Fuse
Fuse Block I/P 1: Circuit Breakers 2 and 3
Clearance, Identification and Marker Lamps 1 of 2
Turn Signal/Hazard Lamps Left
Stop Lamps
Tractor/Trailer Receptacle (JE4, RQ2 and U86 or JE4 and RQ3) and Tractor/Trailer Plug (VPG)
Turn Signal/Hazard Lamps Right
Backup Lamps and Backup Alarm (UZF)