GM Service Manual Online
For 1990-2009 cars only
Makes
🢒
Isuzu
🢒
2002
🢒
Isuzu T-Series (Truck Line C)
🢒
Brakes
🢒
Antilock Brake System
🢒 Antilock Brake System Schematics
Figure
1:
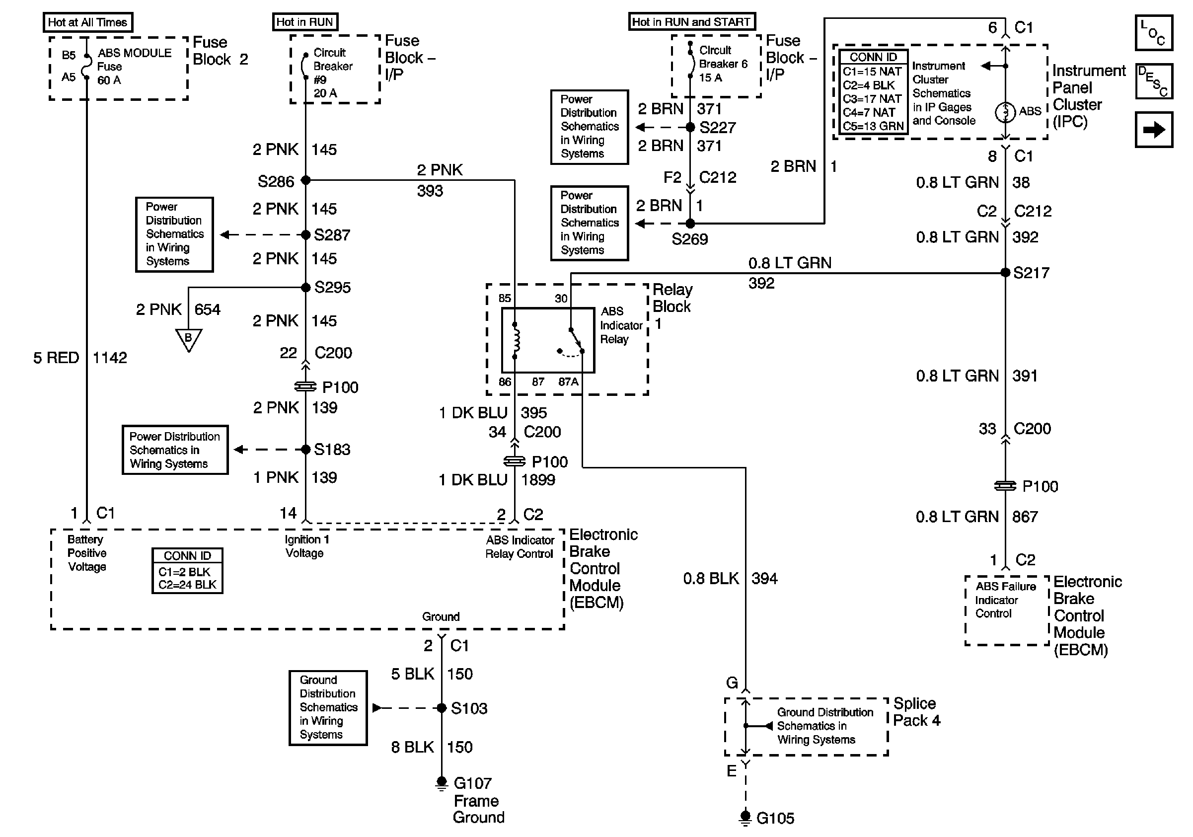
EBCM, ABS Indicator Relay, IPC
Master Electrical Component List
ABS Description and Operation
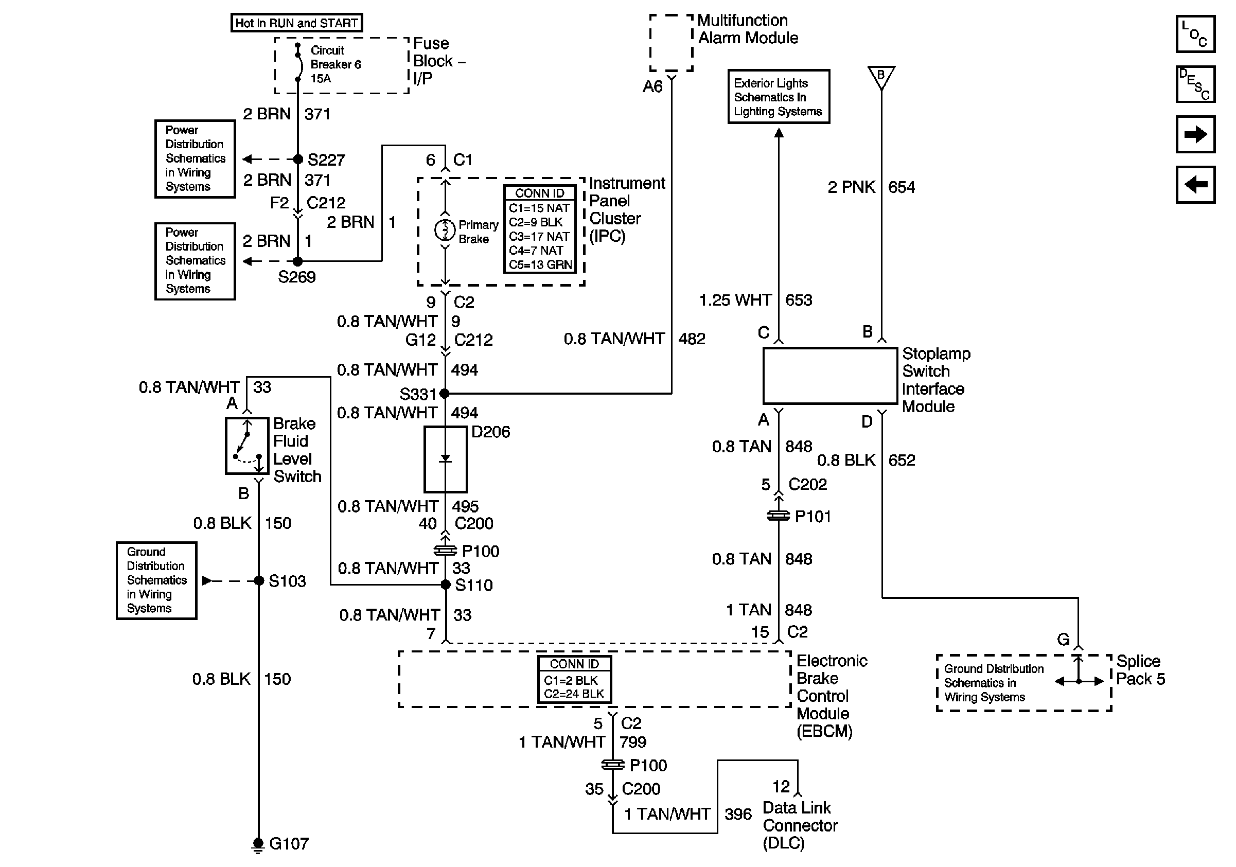
Stop Lamp Switch Interface Module, EBCM, Brake Fluid Switch
IP Fuse Block Circuit Breaker 9, Page 1 of 2
Stop Lamp Switch Interface Module, EBCM, Brake Fluid Switch
IP Fuse Block, Circuit Breaker 9, Page 2 of 2
G107, S101, S103, S105
IP Fuse Block, Curcuit Breaker 6, Page 1 of 2
IP Fuse Block, Circuit Breaker 6, Page 2 of 2
G105, Splice Pack 1, Splice Pace 4, S450
Illumination, Seat Belt, Primary Brake, ABS, and Park Brake Lamps
Figure
2:
Stop Lamp Switch Interface Module, EBCM, Brake Fluid Switch
Master Electrical Component List
ABS Description and Operation
EBCM, Wheel Speed Sensors (WSS)
EBCM, ABS Indicator Relay, IPC
IP Fuse Block, Curcuit Breaker 6, Page 1 of 2
IP Fuse Block, Circuit Breaker 6, Page 2 of 2
G107, S101, S103, S105
Hazard Flasher, Stop Lamps Switch - JE5
EBCM, ABS Indicator Relay, IPC
G105, Splice Pack 5, S338
Figure
3:
EBCM, Wheel Speed Sensors (WSS)
Master Electrical Component List
ABS Description and Operation
Stop Lamp Switch Interface Module, EBCM, Brake Fluid Switch
Antilock Brake System Schematic Icons
Antilock Brake System Schematic Icons
Antilock Brake System Schematic Icons
Antilock Brake System Schematic Icons