GM Service Manual Online
For 1990-2009 cars only
Makes
🢒
Isuzu
🢒
2002
🢒
Isuzu T-Series (Truck Line C)
🢒
Transmission/Transaxle
🢒
Manual Transmission - Isuzu MLD6Q
🢒 Manual Transmission Schematics
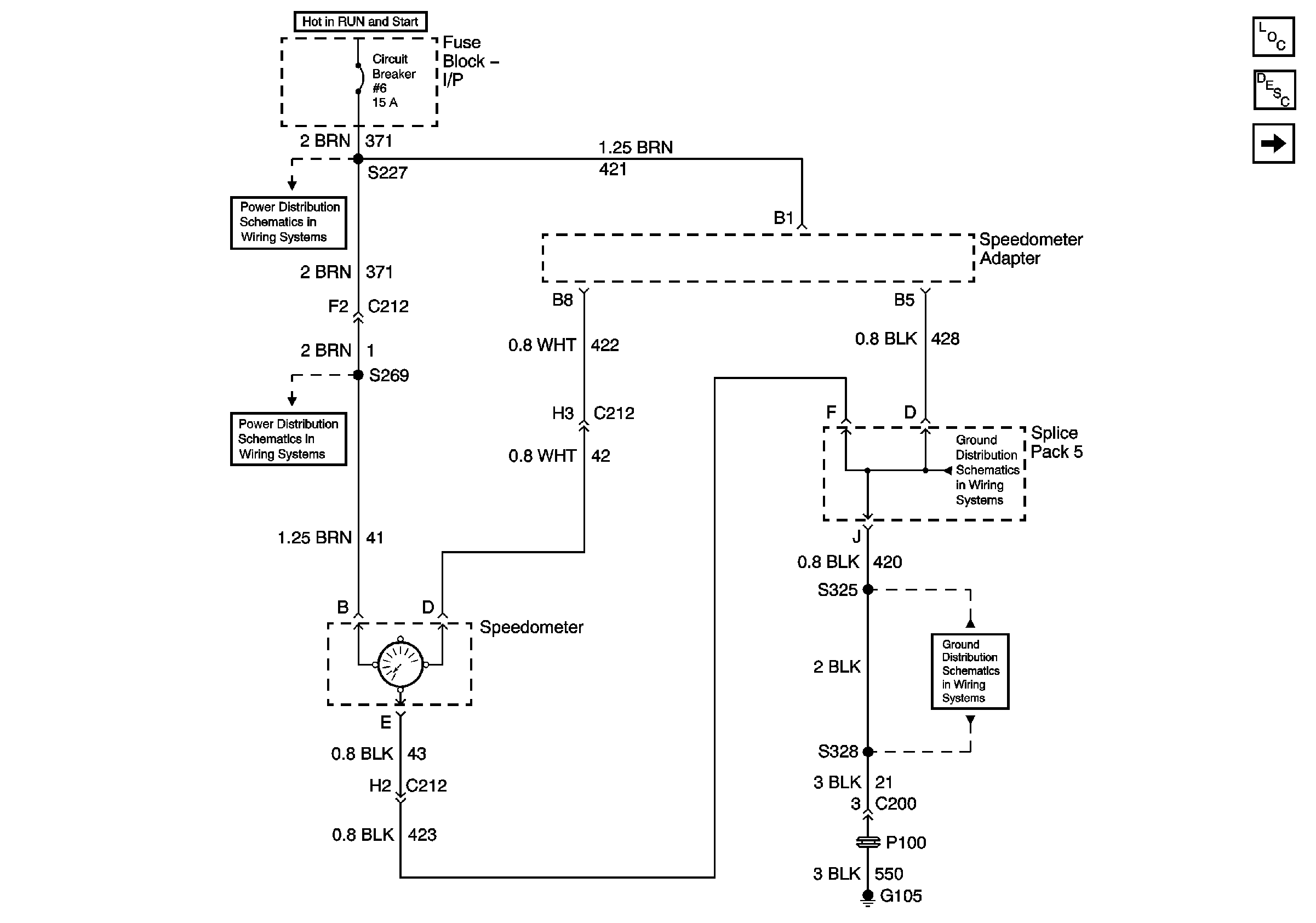
Figure
1:
Speedometer, Speedometer Adapter
Master Electrical Component List
Transmission System Description and Operation
VSS, Speedometer Adapter, Clutch Switch
IP Fuse Block, Curcuit Breaker 6, Page 1 of 2
IP Fuse Block, Circuit Breaker 6, Page 2 of 2
G105, Splice Pack 5, S338
G105, S325, S328
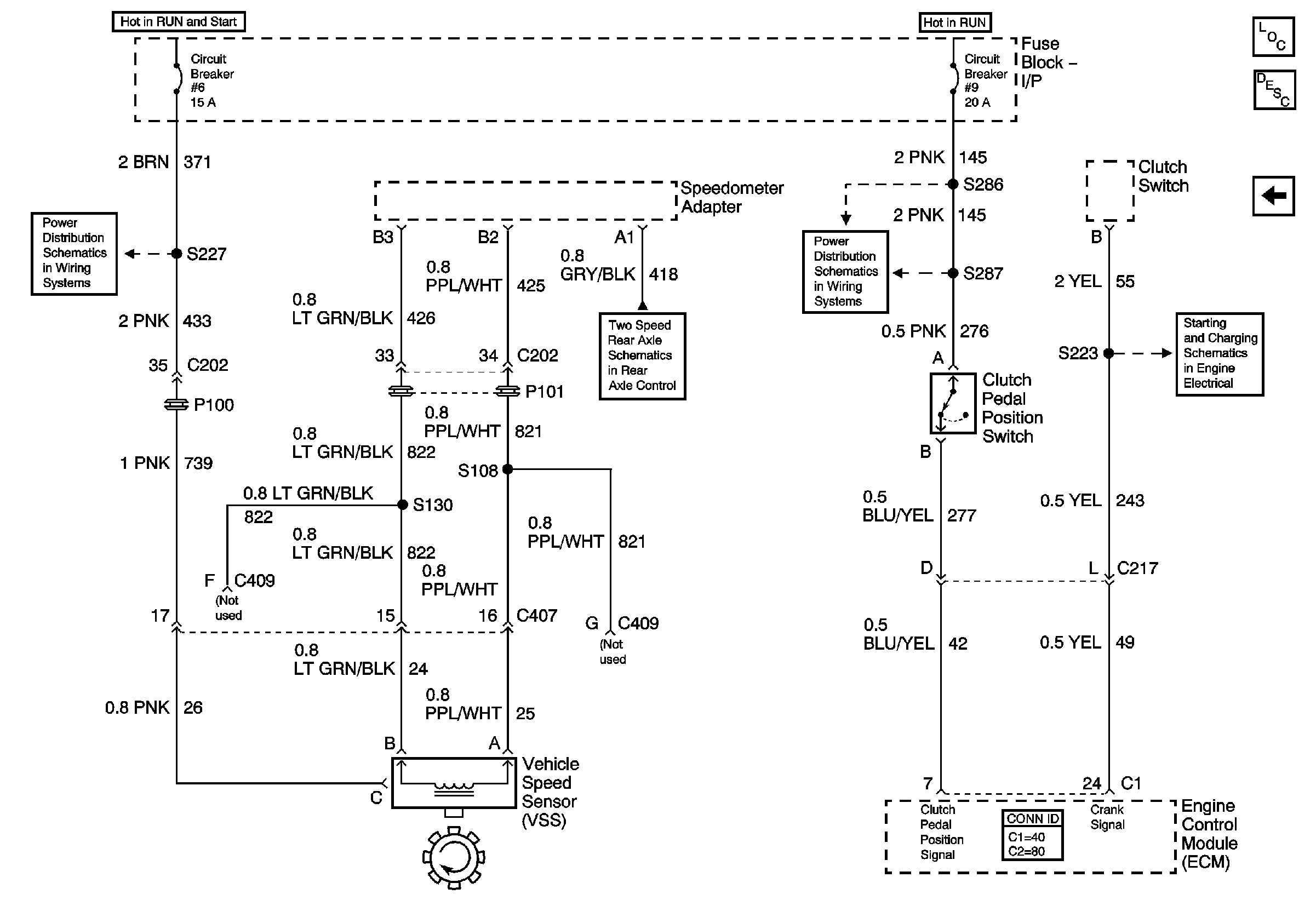
Figure
2:
VSS, Speedometer Adapter, Clutch Switch
Master Electrical Component List
Transmission System Description and Operation
Speedometer, Speedometer Adapter
IP Fuse Block, Curcuit Breaker 6, Page 1 of 2
Electric Operated Switches, Page 2 of 2
IP Fuse Block Circuit Breaker 9, Page 1 of 2
Starting Circuit