GM Service Manual Online
For 1990-2009 cars only
Makes
🢒
Isuzu
🢒
2002
🢒
Isuzu T-Series (Truck Line C)
🢒
Body and Accessories
🢒
Wipers/Washer Systems
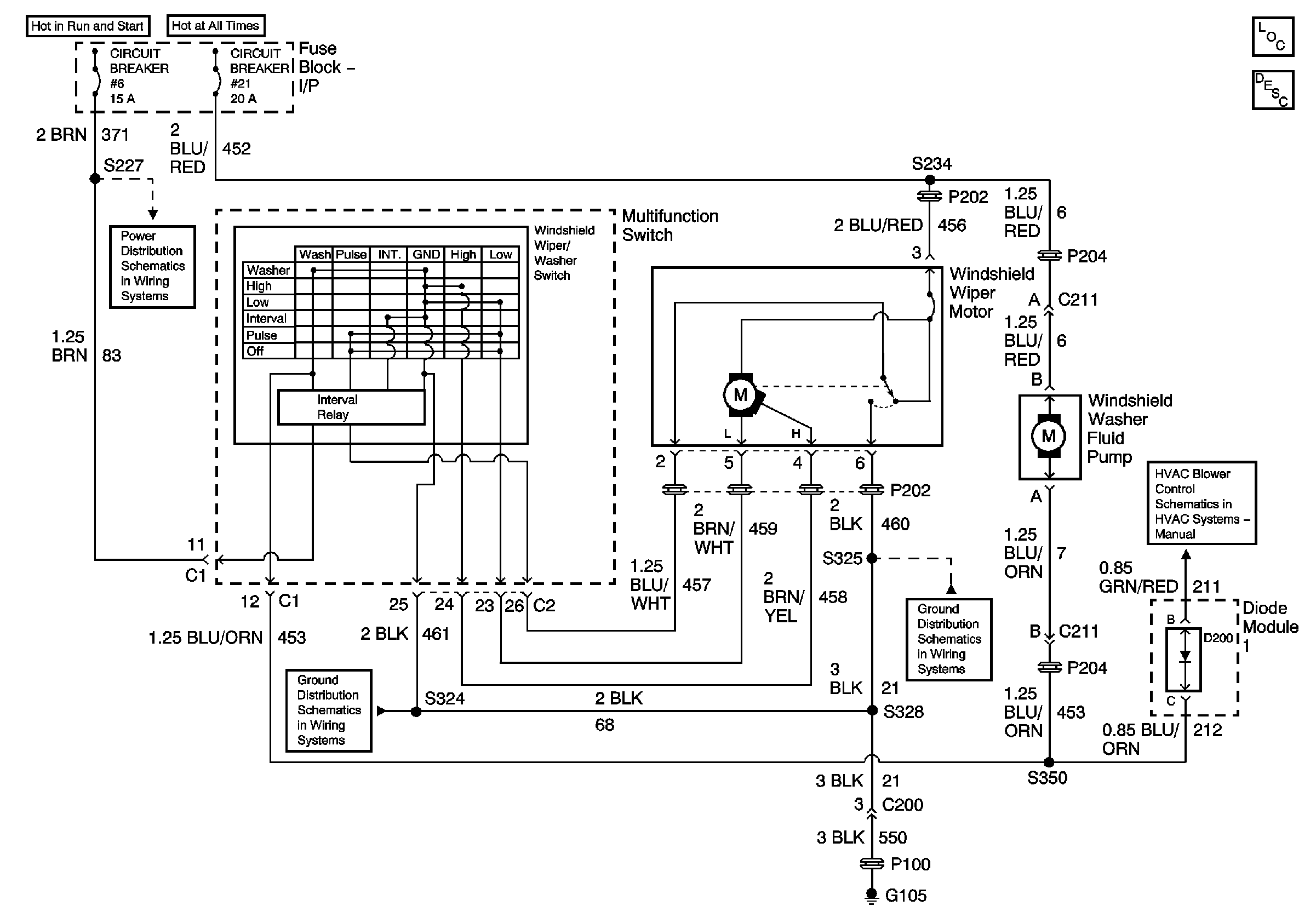
🢒 Wiper/Washer Schematics
Master Electrical Component List
Wiper/Washer System Description and Operation
Power and System Components, Page 1of 3
G105, S325, S328
G105, S324, S326, S500
IP Fuse Block, Curcuit Breaker 6, Page 1 of 2