GM Service Manual Online
For 1990-2009 cars only
Makes
🢒
Isuzu
🢒
2002
🢒
Isuzu T-Series (Truck Line C)
🢒
Body and Accessories
🢒
Wiring Systems
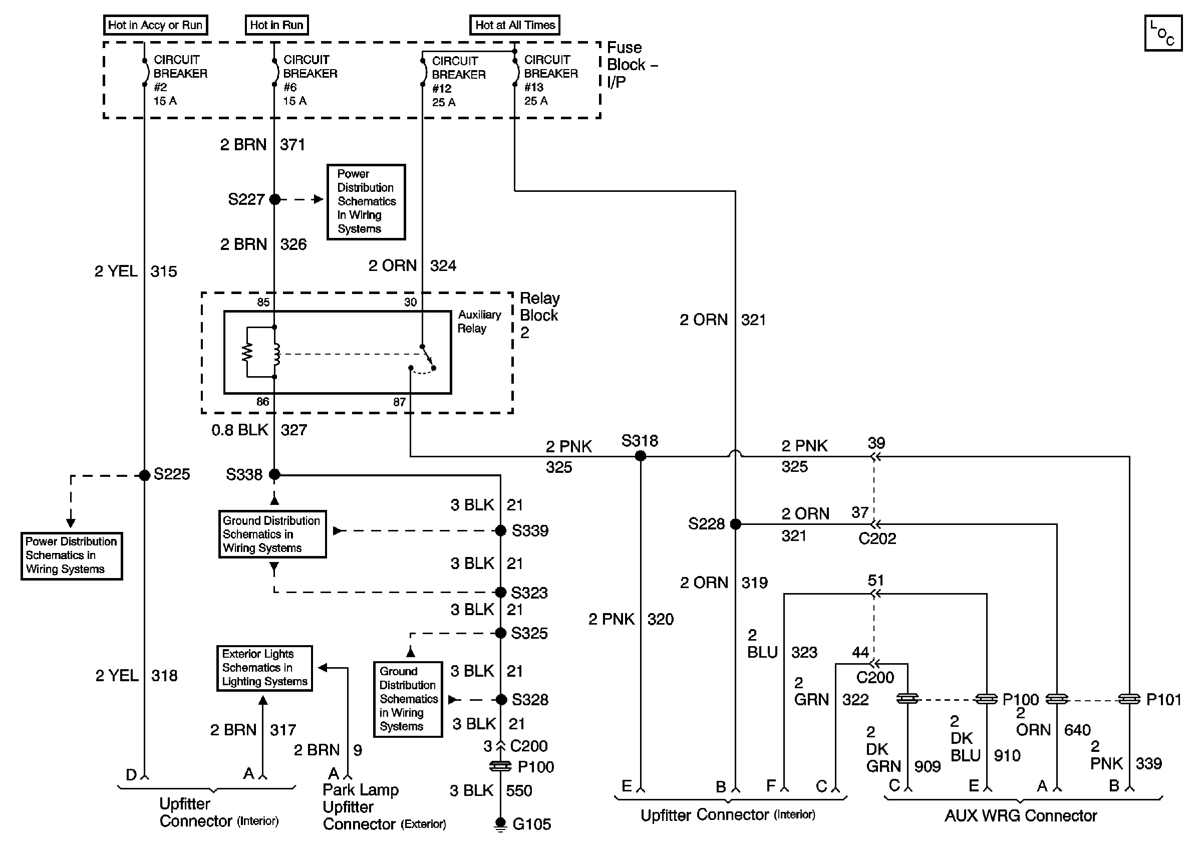
🢒 Upfitter Provision Schematics
Master Electrical Component List
IP Fuse Block, Curcuit Breaker 6, Page 1 of 2
IP Fuse Block, Circuit Breakers 1, 2, 3
G105, S323, S337, S339, S357, S358
Exterior Lamps Switch and Relays
G105, S325, S328