GM Service Manual Online
For 1990-2009 cars only
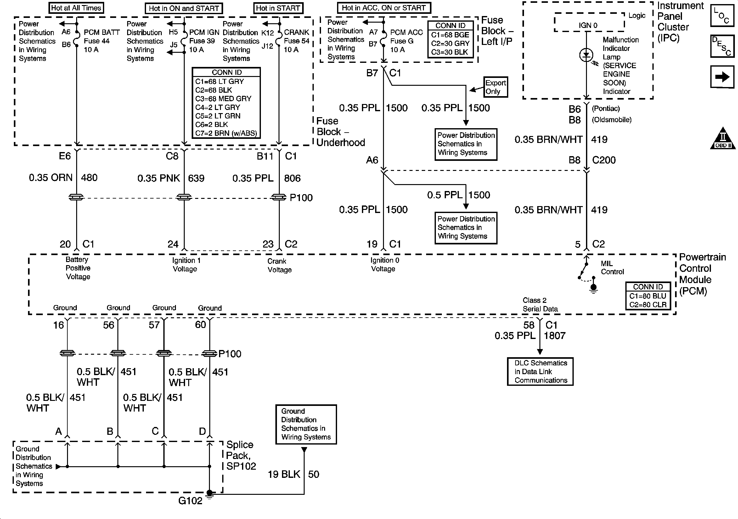
Figure 1:

Power, Ground, Serial Data and MIL


Object Number: 869484  Size: FS
Master Electrical Component List
Powertrain Control Module Description
5 Volt and Low Reference Bussing
OBD II Symbol Description Notice
L/H BEC BATT1, AUX PWR/CIGAR, PARK LPS, PCM BATT, PWR MIRROR, DR LOCK, TRUNK REL/Radio Amp Fuses, and RWR SEAT Circuit Breaker
IGN SW-BATT2, WIPER, AIR BAG, TURN LPS, IGN MOD, B/U LP/BTSI/ PCM IGN, F/P INJR, A/C BFC, AUTO TRANS, ABS/EVO/IGN Fuses
IGN SW-BATT1, HTR-A/C, ERLS, CRANK Fuses
PCM ACC, IPC/BFC ACC Fuses
PCM ACC, IPC/BFC ACC Fuses
PCM ACC, IPC/BFC ACC Fuses
G102 and G104
G102 and G104
Data Link Connector (DLC) Schematics
Figure 2:

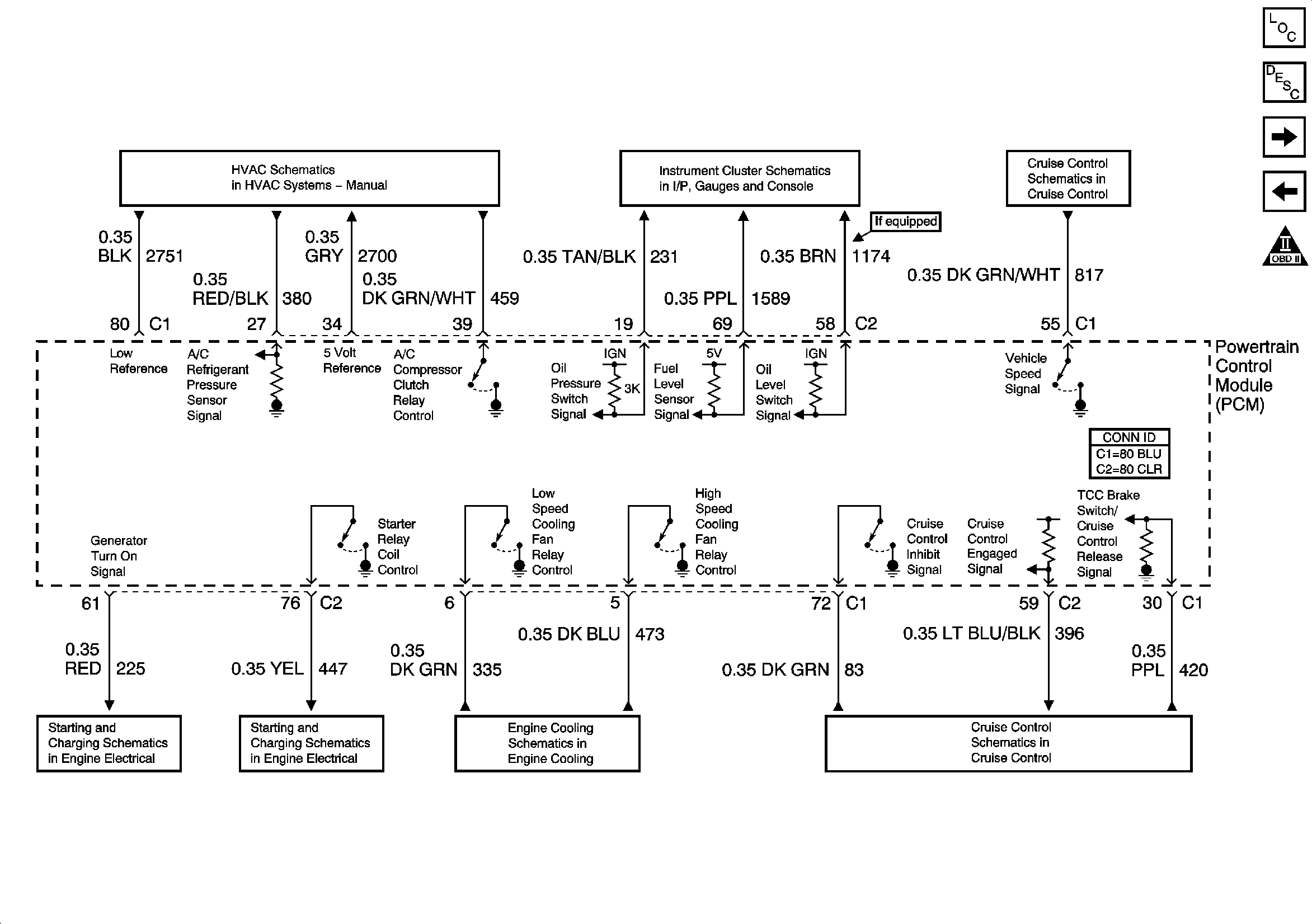
5 Volt and Low Reference Bussing


Object Number: 790925  Size: FS
Master Electrical Component List
Powertrain Control Module Description
Engine Data Sensors - Pressure and Temperature
Power, Ground, Serial Data and MIL
OBD II Symbol Description Notice
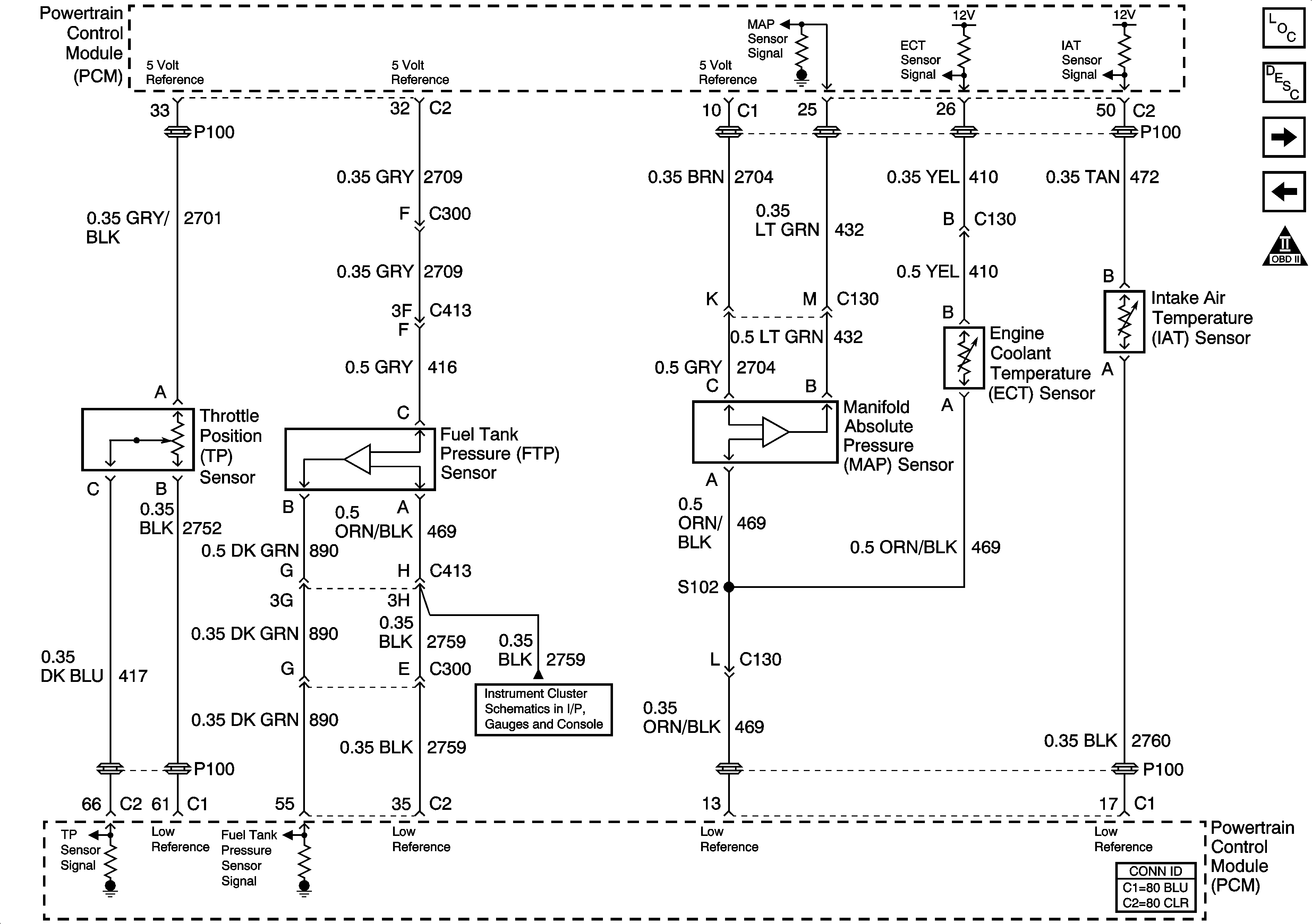
Figure 3:

Engine Data Sensors - Pressure and Temperature


Object Number: 783001  Size: FS
Master Electrical Component List
Powertrain Control Module Description
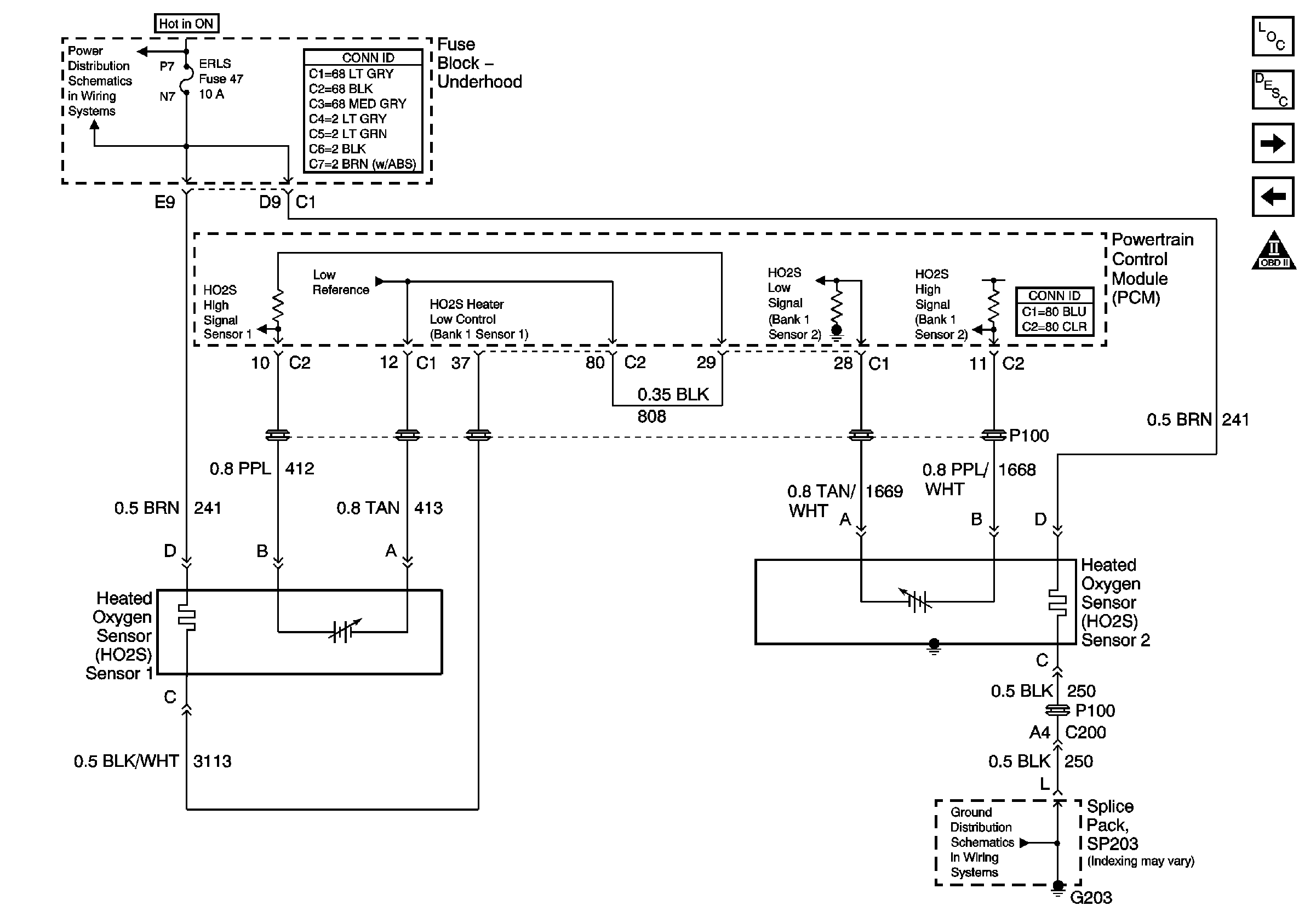
Heated Oxygen Sensors
5 Volt and Low Reference Bussing
OBD II Symbol Description Notice
Oil Pressure and Level Switch
Figure 4:

Heated Oxygen Sensors


Object Number: 869507  Size: FS
Master Electrical Component List
Powertrain Control Module Description
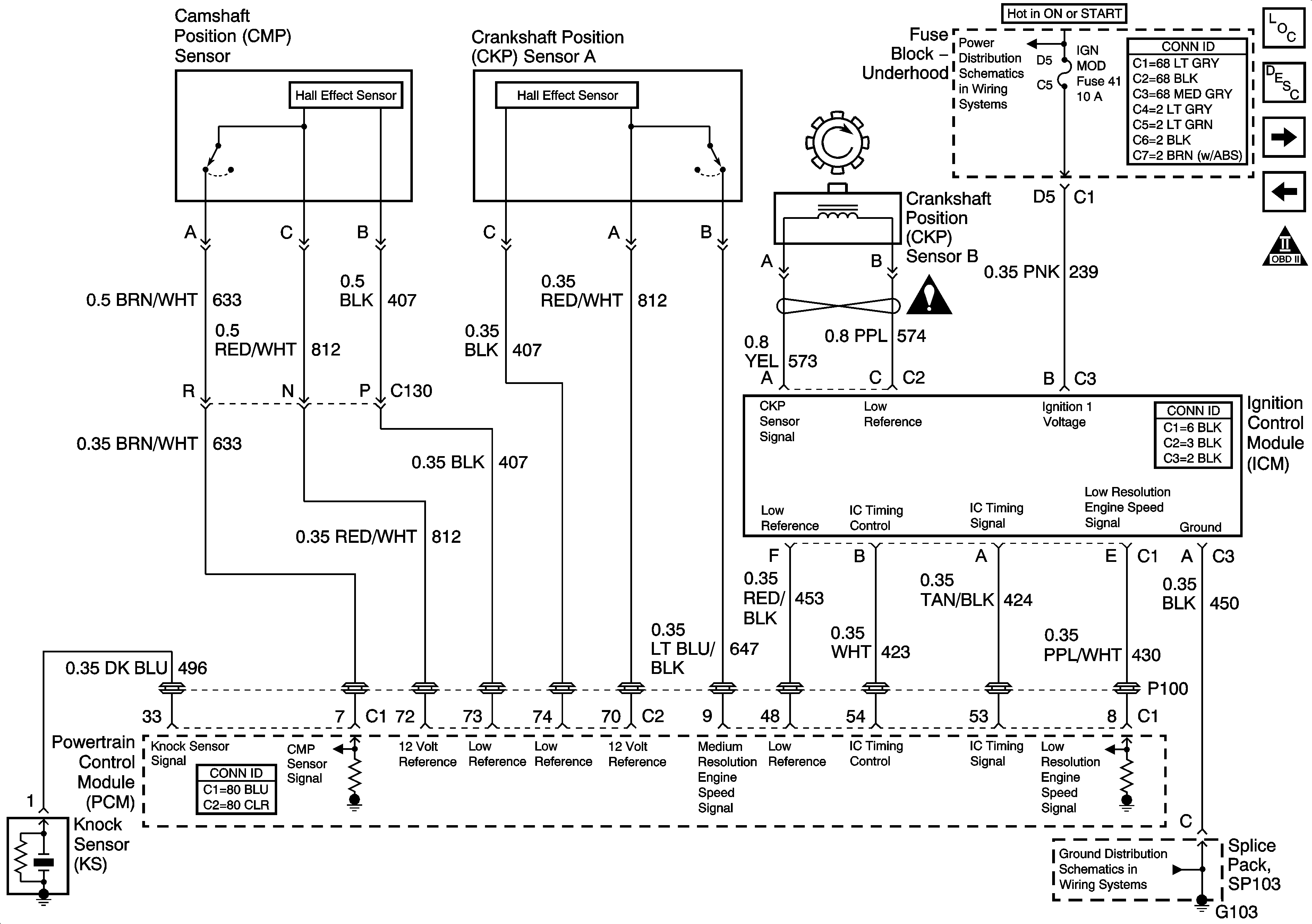
Ignition System
Engine Data Sensors - Pressure and Temperature
OBD II Symbol Description Notice
IGN SW-BATT1, HTR-A/C, ERLS, CRANK Fuses
G203
Figure 5:

Ignition System


Object Number: 869490  Size: FS
Master Electrical Component List
Electronic Ignition (EI) System Description
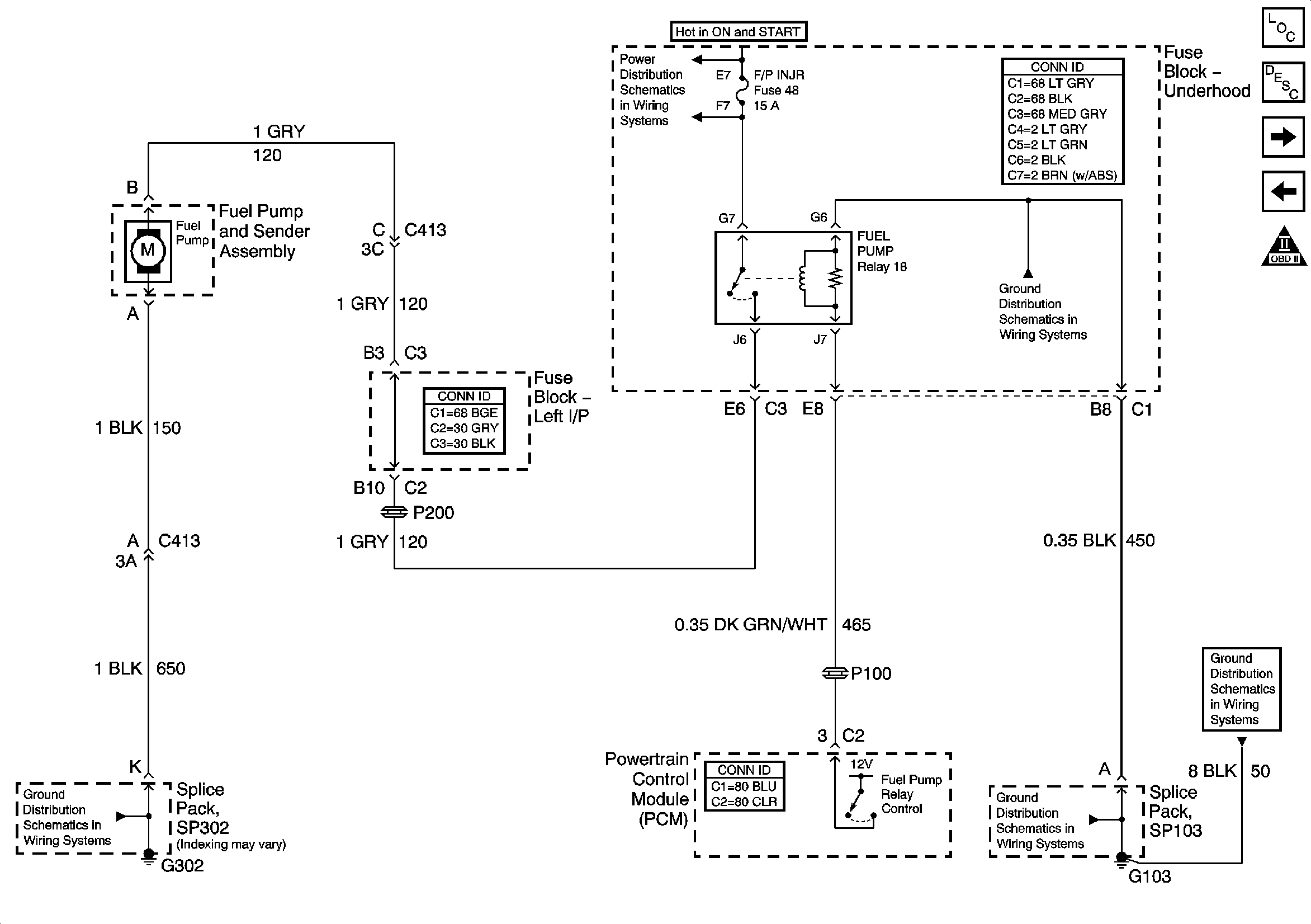
Fuel Pump Controls
Heated Oxygen Sensors
OBD II Symbol Description Notice
IGN SW-BATT2, WIPER, AIR BAG, TURN LPS, IGN MOD, B/U LP/BTSI/ PCM IGN, F/P INJR, A/C BFC, AUTO TRANS, ABS/EVO/IGN Fuses
Engine Controls Schematic Icons
G103 and G105
G103 and G105
Figure 6:

Fuel Pump Controls


Object Number: 869495  Size: FS
Master Electrical Component List
Fuel System Description
Fuel Injectors
Ignition System
OBD II Symbol Description Notice
G302
IGN SW-BATT2, WIPER, AIR BAG, TURN LPS, IGN MOD, B/U LP/BTSI/ PCM IGN, F/P INJR, A/C BFC, AUTO TRANS, ABS/EVO/IGN Fuses
G103 and G105
G103 and G105
G103 and G105
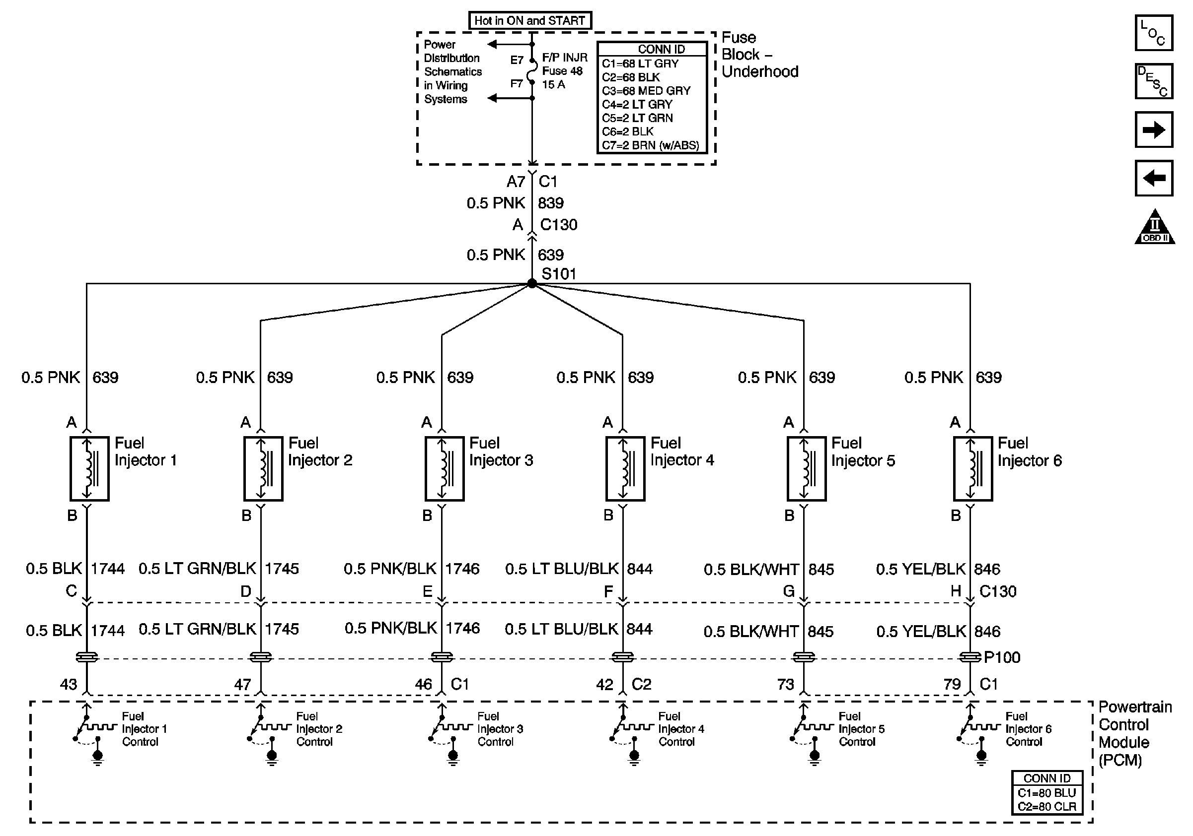
Figure 7:

Fuel Injectors


Object Number: 869498  Size: FS
Master Electrical Component List
Fuel System Description
MAF, EVAP Controls, IAC, and EGR
Fuel Pump Controls
OBD II Symbol Description Notice
IGN SW-BATT2, WIPER, AIR BAG, TURN LPS, IGN MOD, B/U LP/BTSI/ PCM IGN, F/P INJR, A/C BFC, AUTO TRANS, ABS/EVO/IGN Fuses
Figure 8:

EVAP Controls and EGR


Object Number: 869512  Size: FS
Master Electrical Component List
Evaporative Emission Control System Description
Controlled/Monitored Subsystem References
Fuel Injectors
OBD II Symbol Description Notice
IGN SW-BATT2, WIPER, AIR BAG, TURN LPS, IGN MOD, B/U LP/BTSI/ PCM IGN, F/P INJR, A/C BFC, AUTO TRANS, ABS/EVO/IGN Fuses
IGN SW-BATT1, HTR-A/C, ERLS, CRANK Fuses
IGN SW-BATT1, HTR-A/C, ERLS, CRANK Fuses
G102 and G104
G102 and G104
Figure 9:

Controlled/Monitored Subsystem References


Object Number: 897107  Size: FS
Master Electrical Component List
Powertrain Control Module Description
Transmission Controls - A/T
MAF, EVAP Controls, IAC, and EGR
OBD II Symbol Description Notice
Compressor Controls
Oil Pressure and Level Switch
Power and Ground
Charging System
Starting System - LA1
Cooling Fans
Power and Ground
Figure 10:

Transmission Controls - A/T


Object Number: 869514  Size: FS
Master Electrical Component List
Powertrain Control Module Description
Controlled/Monitored Subsystem References
OBD II Symbol Description Notice
Transmission Switches
Transmission Solenoids
Transmission Switches
PNP Switch