GM Service Manual Online
For 1990-2009 cars only
Makes
🢒
Oldsmobile
🢒
2003
🢒
Alero
🢒 Park Lamps - Rear - Pontiac
Park Lamps - Rear - Pontiac
Park Lamps - Rear - Pontiac
Master Electrical Component List
Exterior Lighting Systems Description and Operation
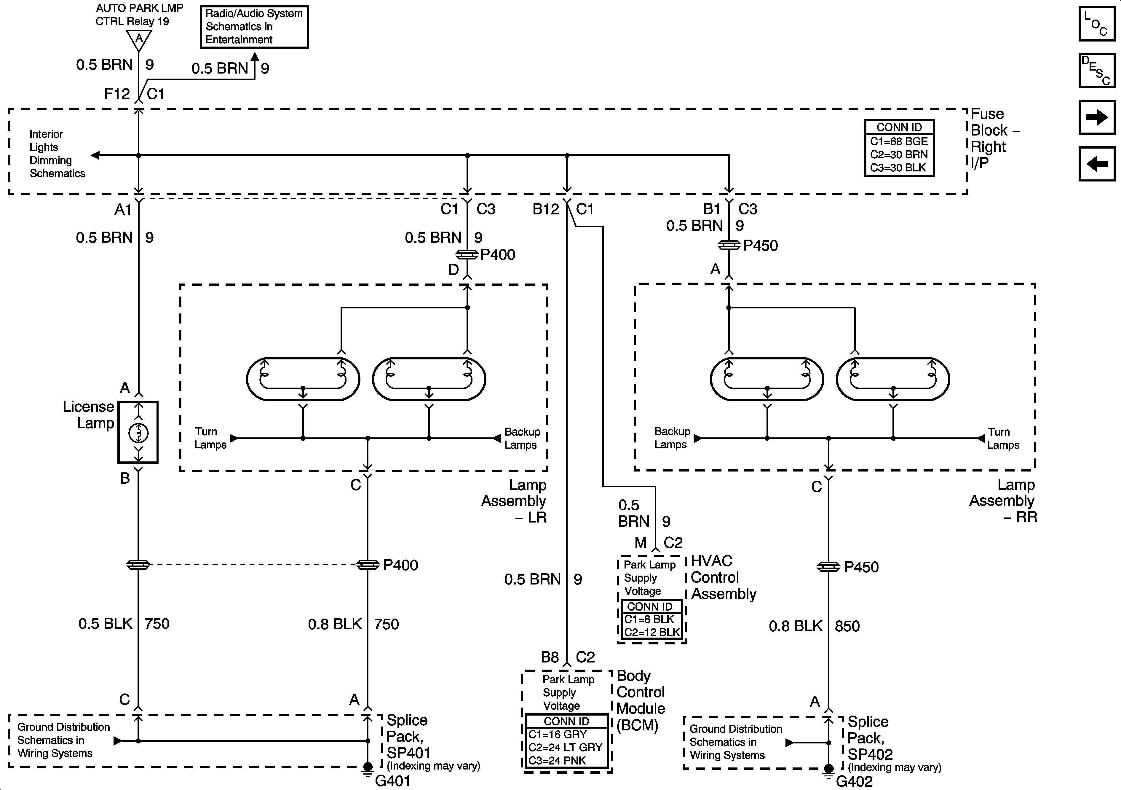
Park Lamps - Rear - Oldsmobile
Park Lamps - Front
Park Lamps - Front
Power, Ground, DLC, Controlled/Monitored Subsystem References
Dimmer Controls
Turn Signal Lamps - Front - Domestic
Backup Lamps
Backup Lamps
Turn Signal Lamps - Front - Domestic
G401
G402