GM Service Manual Online
For 1990-2009 cars only
Makes
🢒
Oldsmobile
🢒
2003
🢒
Alero
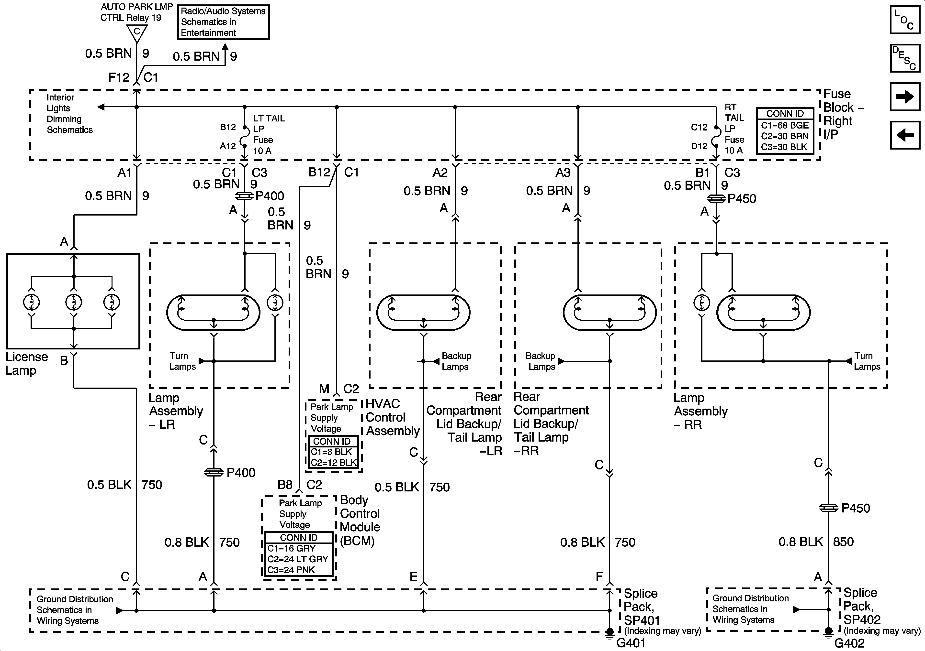
🢒 Park Lamps - Rear - Oldsmobile - Export
Park Lamps - Rear - Oldsmobile - Export
Park Lamps - Rear - Oldsmobile - Export
Master Electrical Component List
Exterior Lighting Systems Description and Operation
Switches and Indicators
Park Lamps - Rear - Oldsmobile
Park Lamps - Front
Power, Ground, DLC, Controlled/Monitored Subsystem References
Dimmer Controls
Turn Signal Lamps - Front - Export
Backup Lamps
Backup Lamps
Turn Signal Lamps - Front - Export
G401
G402