GM Service Manual Online
For 1990-2009 cars only
Makes
🢒
Oldsmobile
🢒
2000
🢒
Bravada
🢒
Body and Accessories
🢒
Body Control System
🢒 Driver Information System Schematics
Figure
1:
w/o Trip Computer
Driver Information System Components
Driver Information Center (DIC) or Message Center Circuit Description
Power and Ground (w/ Trip Computer)
RDO IGN and STR WHL RDO IGN Fuses
Power and Ground (Chevy/GMC)
VCM Connector End Views
Handling ESD Sensitive Parts Notice
ILLUM and PARK LP Fuses
Cruise Control Module and PCM/VCM
Seat Belt Switch, Headlamp Ambient Light Sensor and PCM/VCM
ILLUM Power (Pickup)
Driver Information Systems Connector End Views
Handling ESD Sensitive Parts Notice
G105 and PCM/VCM
Automatic Transmission Preference Switch
Power and Grounding Connector End Views
G103 and G105 (2.2L)
Figure
2:
Power and Ground (w/ Trip Computer)
Driver Information System Components
Driver Information Center (DIC) or Message Center Circuit Description
Outside Ambient Temperature Display Sensor (w/ Trip Computer)
w/o Trip Computer
Power and Ground (Chevy/GMC)
RDO IGN and STR WHL RDO IGN Fuses
ILLUM and PARK LP Fuses
INT BATT Fuse
RDO IGN and STR WHL RDO IGN Fuses
ILLUM Power (Pickup)
CTSY LP Fuse and Courtesy Lamp Relay
CTSY LP Fuse and Courtesy Lamp Relay
Driver Information Systems Connector End Views
Outside Ambient Temperature Display Sensor (w/ Trip Computer)
Outside Ambient Temperature Display Sensor (w/ Trip Computer)
Handling ESD Sensitive Parts Notice
Driver Information Display Module (Utility w/o Sunroof)
Outside Ambient Temperature Display Sensor (w/ Trip Computer)
Power
G103 and G105 (4.3L)
Power and Grounding Connector End Views
G103 and G105 (4.3L)
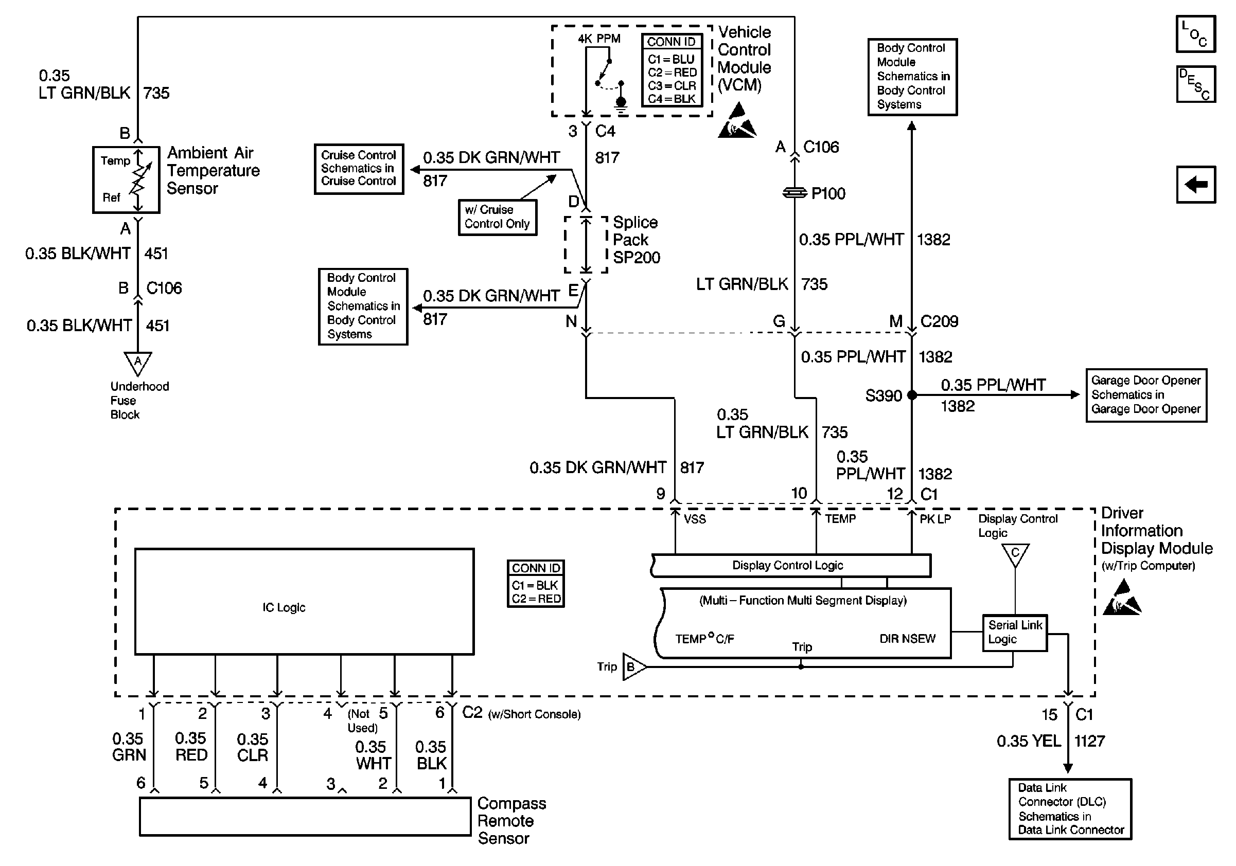
Figure
3:
Outside Ambient Temperature Display Sensor (w/ Trip Computer)
Driver Information System Components
Driver Information Center (DIC) or Message Center Circuit Description
Power and Ground (w/ Trip Computer)
Power and Ground (w/ Trip Computer)
Cruise Control Module and PCM/VCM
Seat Belt Switch, Headlamp Ambient Light Sensor and PCM/VCM
VCM Connector End Views
Handling ESD Sensitive Parts Notice
Automatic Transmission Preference Switch
Garage Door Opener Schematics
Driver Information Systems Connector End Views
Power and Ground (w/ Trip Computer)
Power and Ground (w/ Trip Computer)
Handling ESD Sensitive Parts Notice
Automatic Transmission Switch Inputs