GM Service Manual Online
For 1990-2009 cars only
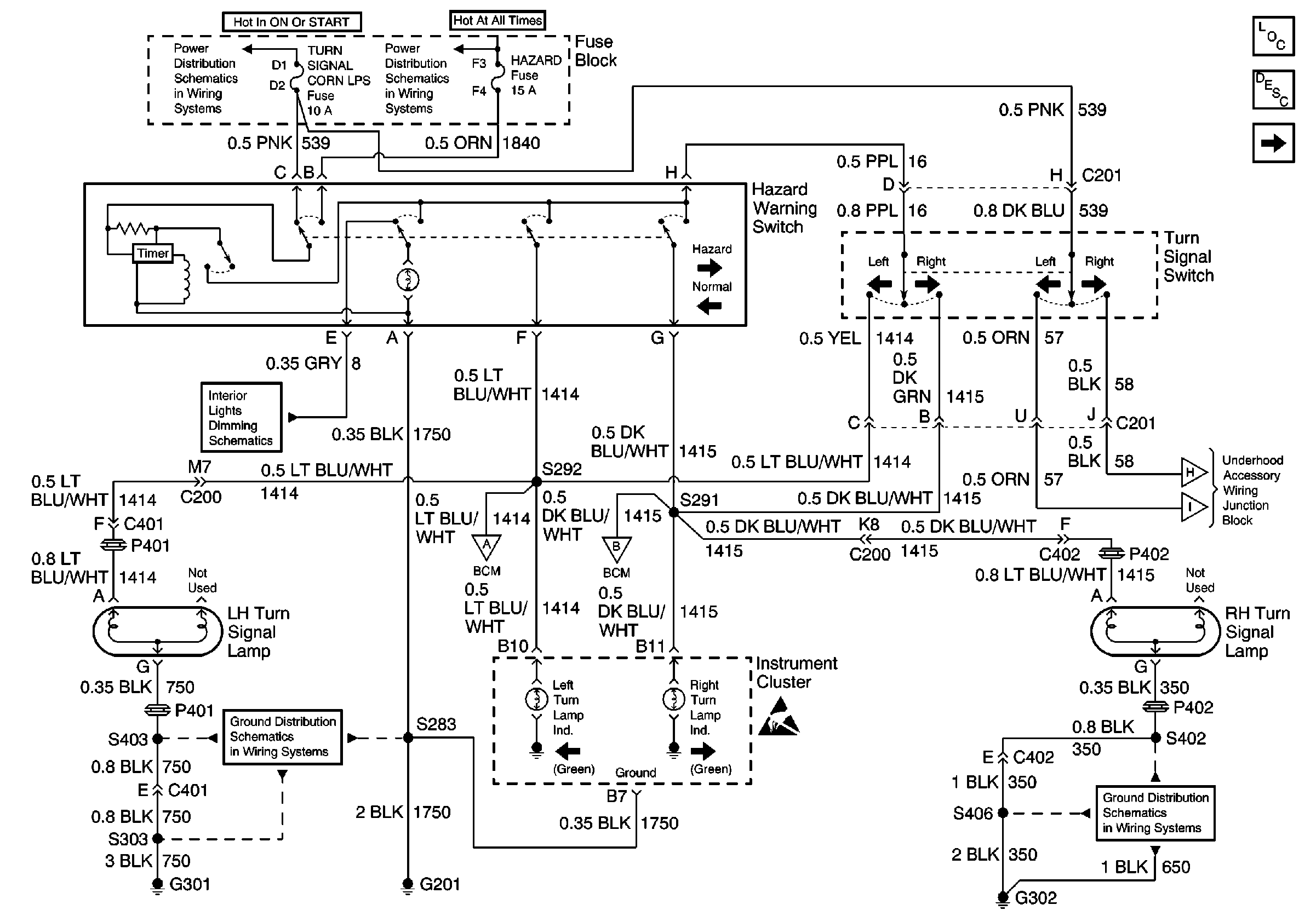
Figure 1:

Turn Signal Switch, Hazard Warning Switch, LH and RH Turn Signal Lamps and Instrument Cluster


Object Number: 593547  Size: FS
Ignition 1 MaxiFuse and Ignition Switch
Battery, MaxiFuses, Fusible Links and Crank Relay
Fused Distribution, Switches, and Instrument Cluster
Ground G301 3 of 3
BCM, and Fused Distribution
BCM, and Fused Distribution
Handling ESD Sensitive Parts Notice
Side Marker, Cornering and Park/Turn Lamps
Side Marker, Cornering and Park/Turn Lamps
Ground G302 1 of 2
Lighting Systems Components
Exterior Lights Circuit Description
Headlamp Switch, BCM, Park Lamp and Headlamp Relay
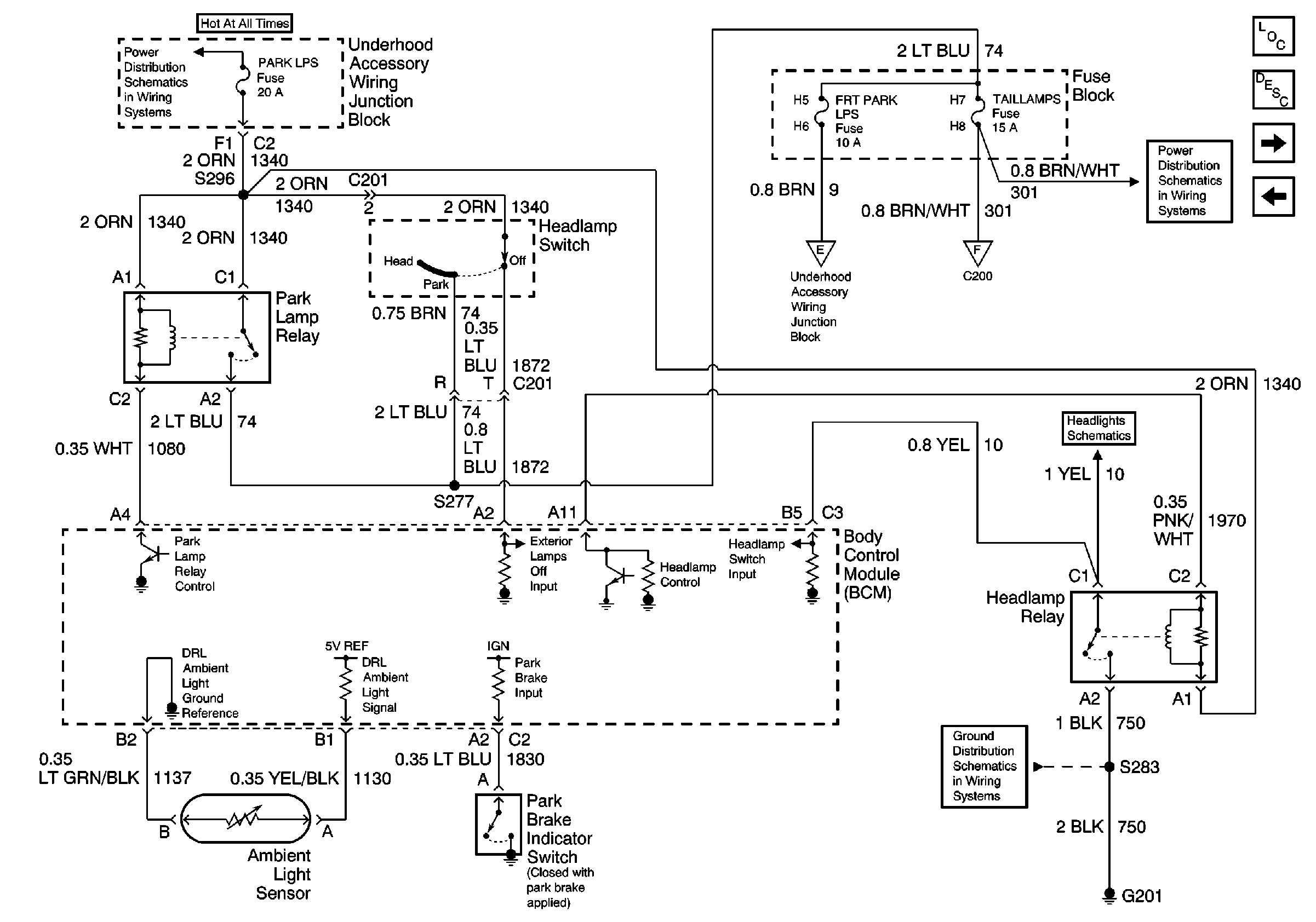
Figure 2:

Headlamp Switch, BCM, Park Lamp and Headlamp Relay


Object Number: 593553  Size: FS
Battery, MaxiFuses, Fusible Links and Crank Relay
Side Marker, Cornering and Park/Turn Lamps
Rear Side Marker, License Plate, Tail Lamps
Ground G201
BCM and Headlamp Relay
Park Lamp Relay
Lighting Systems Components
Exterior Lights Circuit Description
BCM, and Fused Distribution
Turn Signal Switch, Hazard Warning Switch, LH and RH Turn Signal Lamps and Instrument Cluster
Figure 3:

BCM, and Fused Distribution


Object Number: 593556  Size: FS
Battery, MaxiFuses, Fusible Links and Crank Relay
Ignition 1 MaxiFuse and Ignition Switch
Turn Signal/Corn Lps, Air Bag, Cluster
Turn Signal Switch, Hazard Warning Switch, LH and RH Turn Signal Lamps and Instrument Cluster
Turn Signal Switch, Hazard Warning Switch, LH and RH Turn Signal Lamps and Instrument Cluster
Side Marker, Cornering and Park/Turn Lamps
Side Marker, Cornering and Park/Turn Lamps
Lighting Systems Components
Exterior Lights Circuit Description
Side Marker, Cornering and Park/Turn Lamps
Headlamp Switch, BCM, Park Lamp and Headlamp Relay
Figure 4:

Side Marker, Cornering and Park/Turn Lamps


Object Number: 593558  Size: FS
Turn Signal Switch, Hazard Warning Switch, LH and RH Turn Signal Lamps and Instrument Cluster
BCM, and Fused Distribution
BCM, and Fused Distribution
Fog Lamp Switch and Fog Lamps
Turn Signal Switch, Hazard Warning Switch, LH and RH Turn Signal Lamps and Instrument Cluster
Grounds G100, G101, G110
Lighting Systems Components
Exterior Lights Circuit Description
Rear Side Marker, License Plate, Tail Lamps
BCM, and Fused Distribution
Figure 5:

Rear Side Marker, License Plate, Tail Lamps


Object Number: 593564  Size: FS
Fog Lamp Switch and Fog Lamps
Ground G302 2 of 2
Ground G302 2 of 2
Lighting Systems Components
Exterior Lights Circuit Description
Stop, CHMSL and Stoplamp Switch
Side Marker, Cornering and Park/Turn Lamps
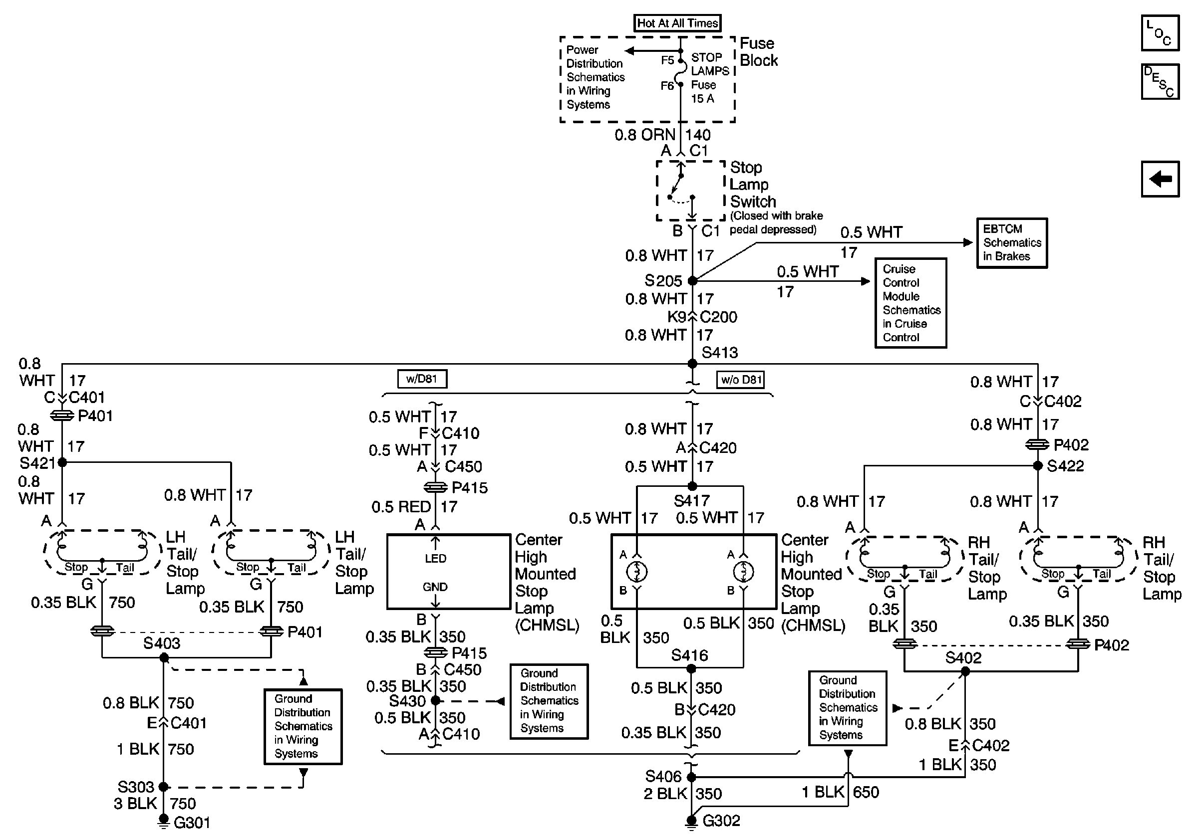
Figure 6:

Stop, CHMSL and Stoplamp Switch


Object Number: 593569  Size: FS
Battery, MaxiFuses, Fusible Links and Crank Relay
Cruise Control Schematics
Brake Warning System Schematics
Ground G301 3 of 3
Ground G302 2 of 2
Ground G302 2 of 2
Lighting Systems Components
Exterior Lights Circuit Description
Rear Side Marker, License Plate, Tail Lamps