GM Service Manual Online
For 1990-2009 cars only
Makes
🢒
Oldsmobile
🢒
2002
🢒
Silhouette Ext.
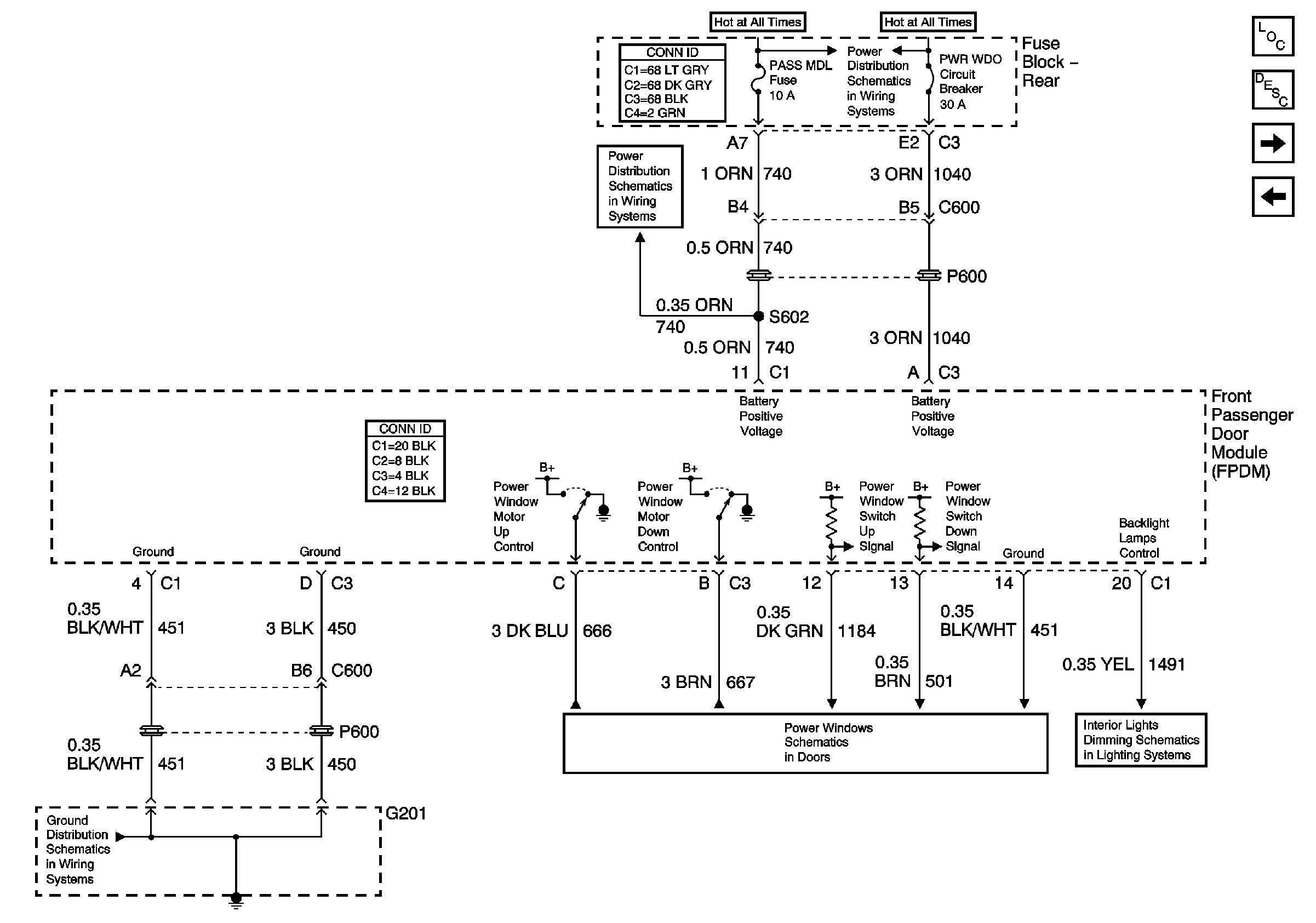
🢒 PDM Power and Ground
PDM Power and Ground
PDM Power and Ground
Master Electrical Component List
Battery Voltage to the Rear Fuse Block
HVAC BATT, DRV MDL, PASS MDL, and RRDRMDL Fuses ( Fuse Block -Rear)
G201 (1 of 2)
Right Front Door
Front Door Dimming
DDM Inputs/Outputs
DDM Power and Ground