GM Service Manual Online
For 1990-2009 cars only
Figure 1:

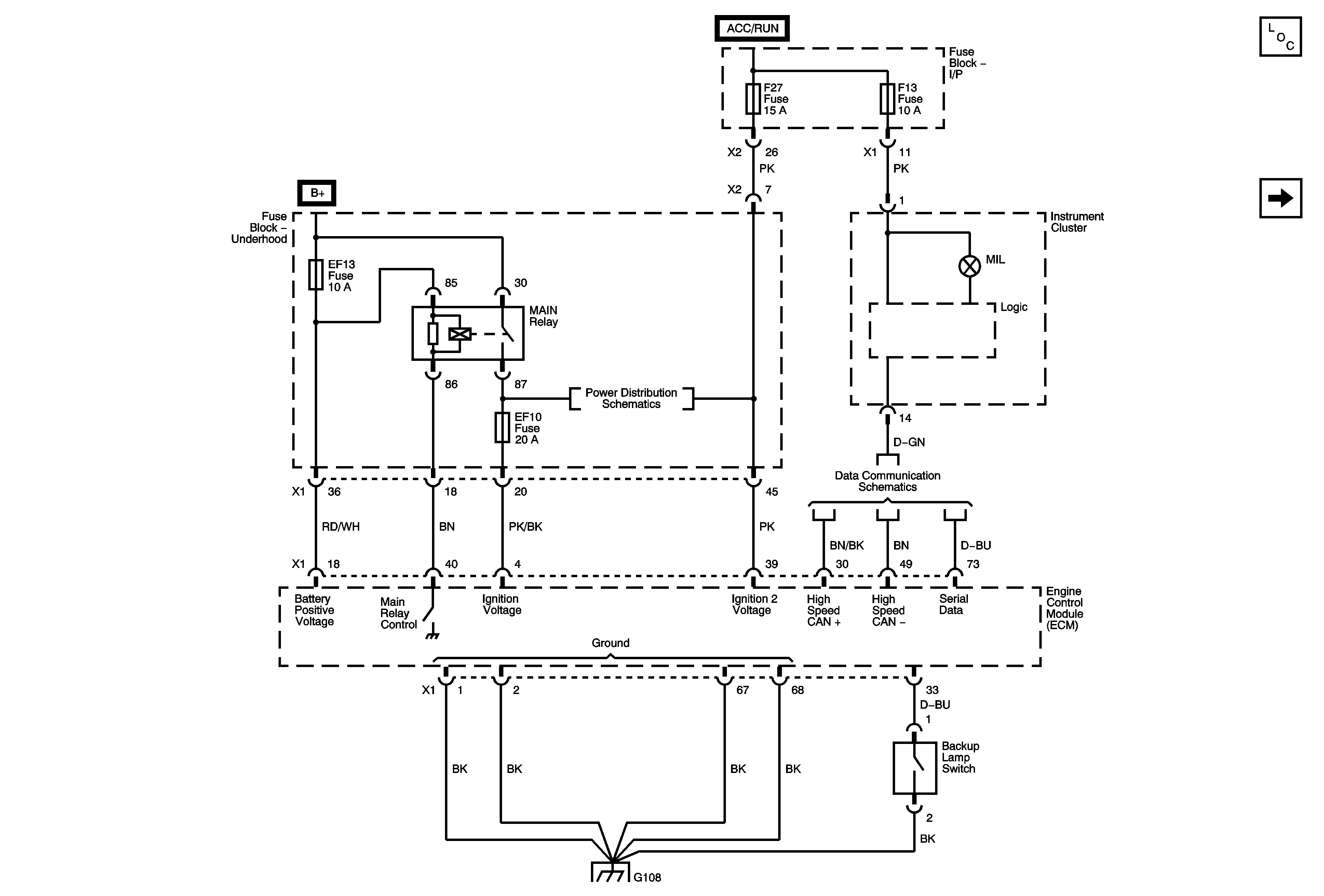
Power and Ground


Object Number: 1813422  Size: FS
Master Electrical Component List
EVAP and EGR Controls
EF10, 11, 12, 13, 15 Fuses, Main Relay (2.4L)
Data Link Connector (DLC)
Ground Distribution G108, G111 (2.4L)
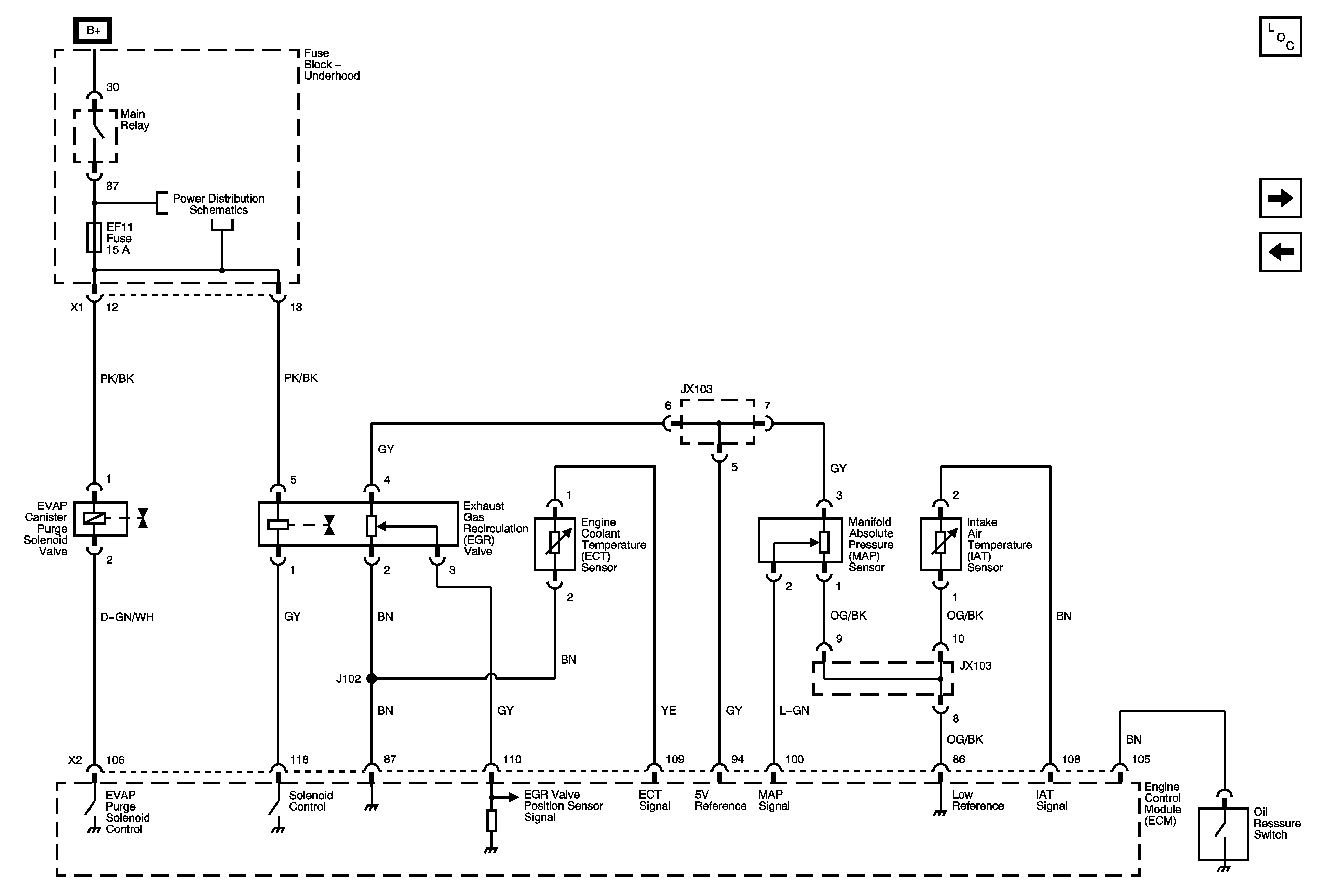
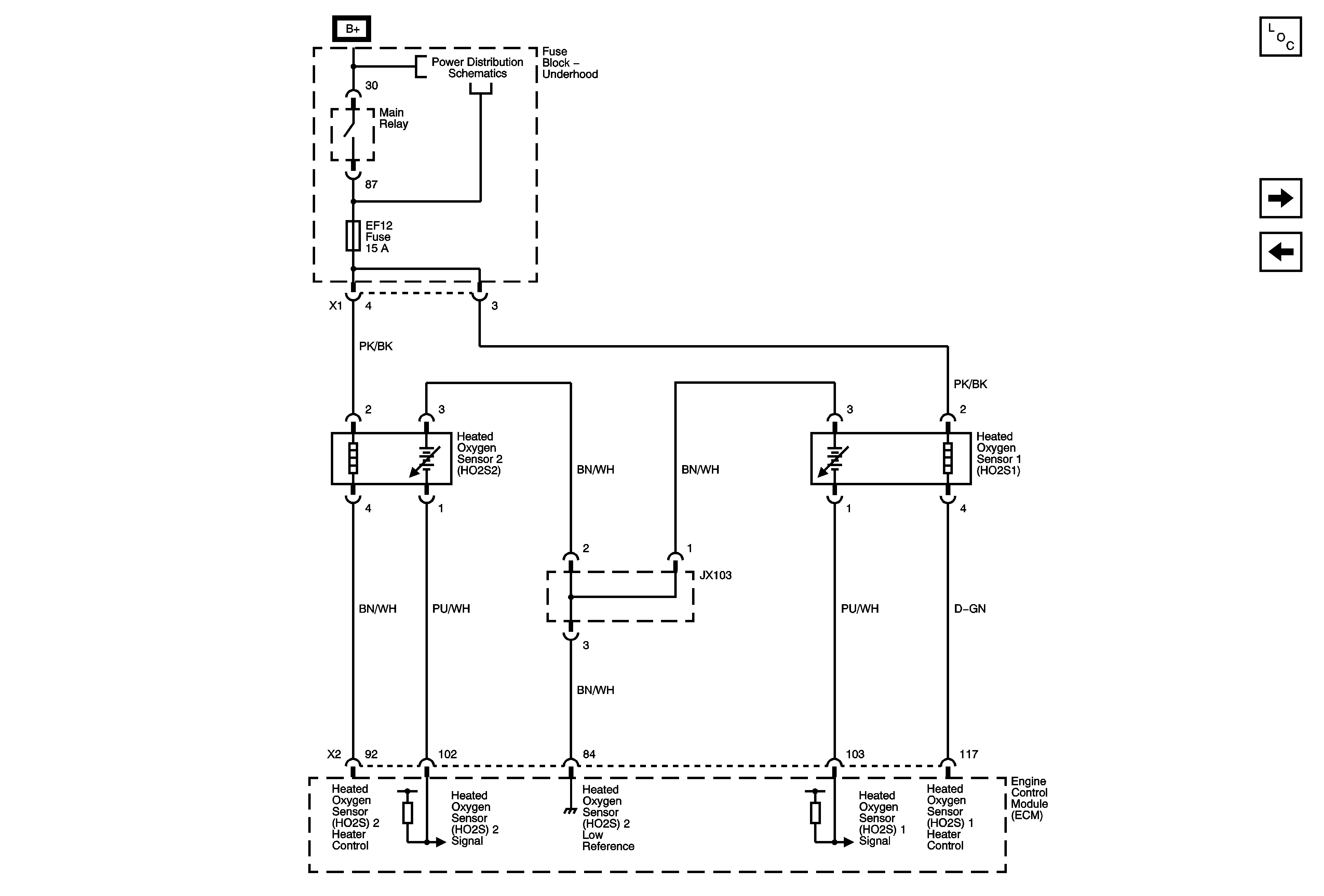
Figure 2:

EVAP and EGR Controls


Object Number: 1813780  Size: FS
Master Electrical Component List
HO2S Sensors
Power and Ground
EF10, 11, 12, 13, 15 Fuses, Main Relay (2.4L)
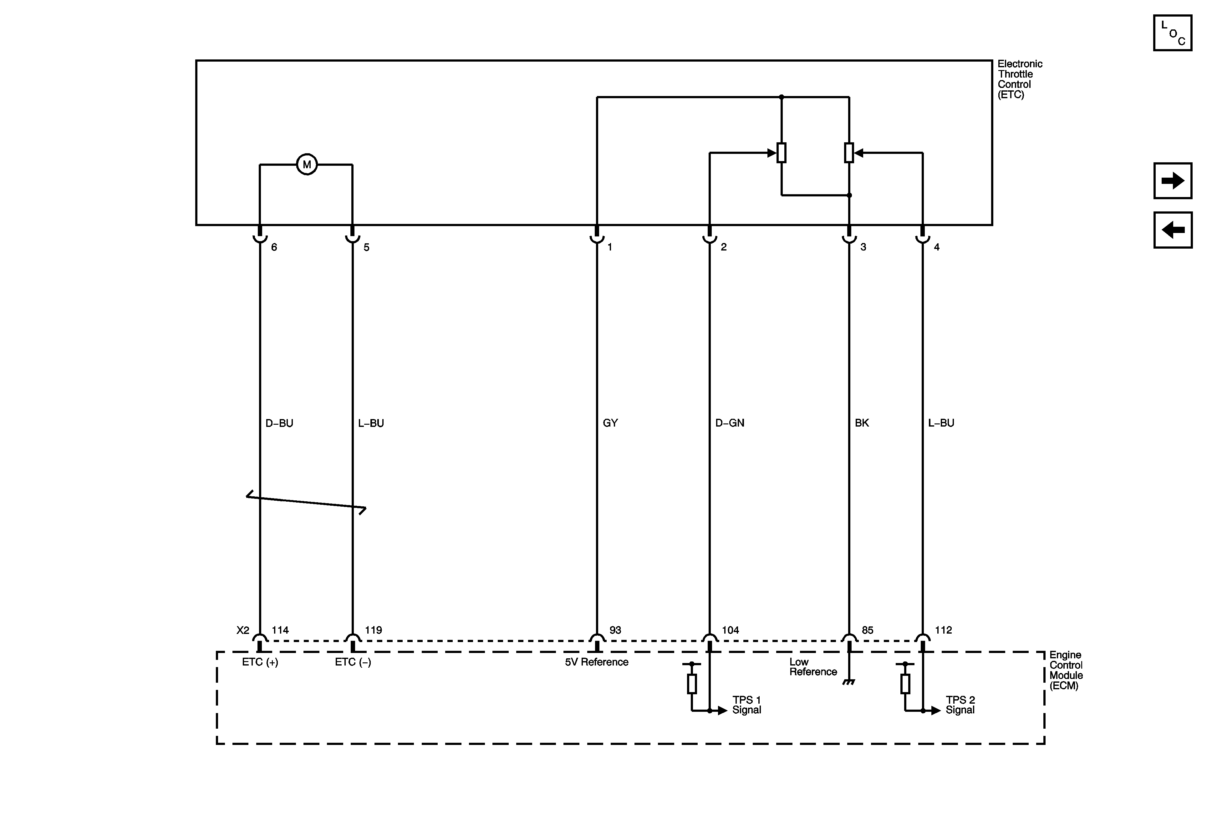
Figure 3:

HO2S Sensors


Object Number: 1813697  Size: FS
Master Electrical Component List
Throttle Controls
EVAP and EGR Controls
EF10, 11, 12, 13, 15 Fuses, Main Relay (2.4L)
Figure 4:

Throttle Controls


Object Number: 1813703  Size: FS
Master Electrical Component List
Accelerator Sensors
HO2S Sensors
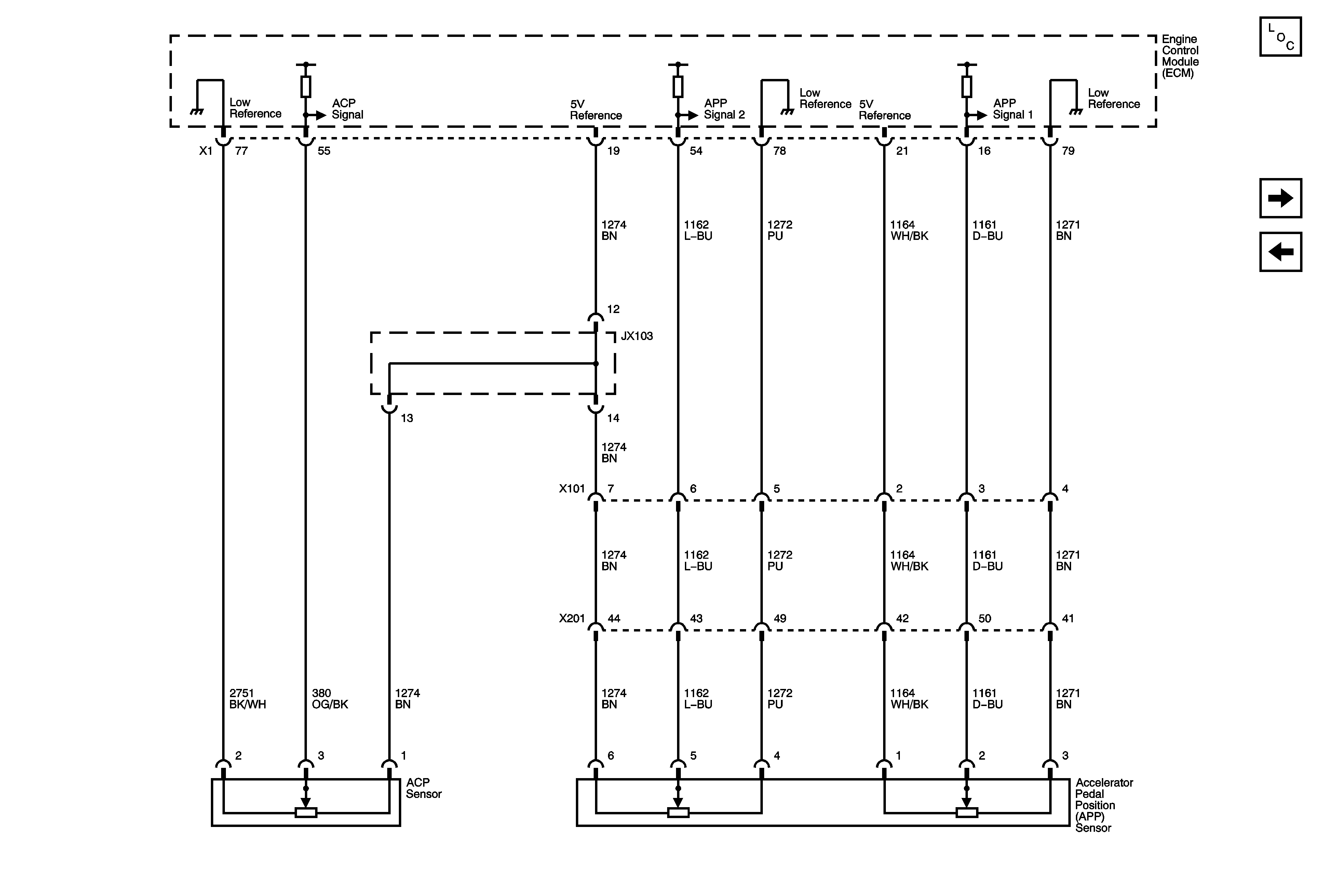
Figure 5:

Accelerator Sensors


Object Number: 1813707  Size: FS
Master Electrical Component List
Ignition Sensors
Throttle Controls
Figure 6:

Ignition Sensors


Object Number: 1813722  Size: FS
Master Electrical Component List
Fuel Controls
Accelerator Sensors
EF10, 11, 12, 13, 15 Fuses, Main Relay (2.4L)
EF7, F6, 8, 9, 13, 17, 20, 25, 27, 29 Fuses, Run/Crank, Outside Rearview Mirror, Liftgate Glass Relays
Ground Distribution G108, G111 (2.4L)
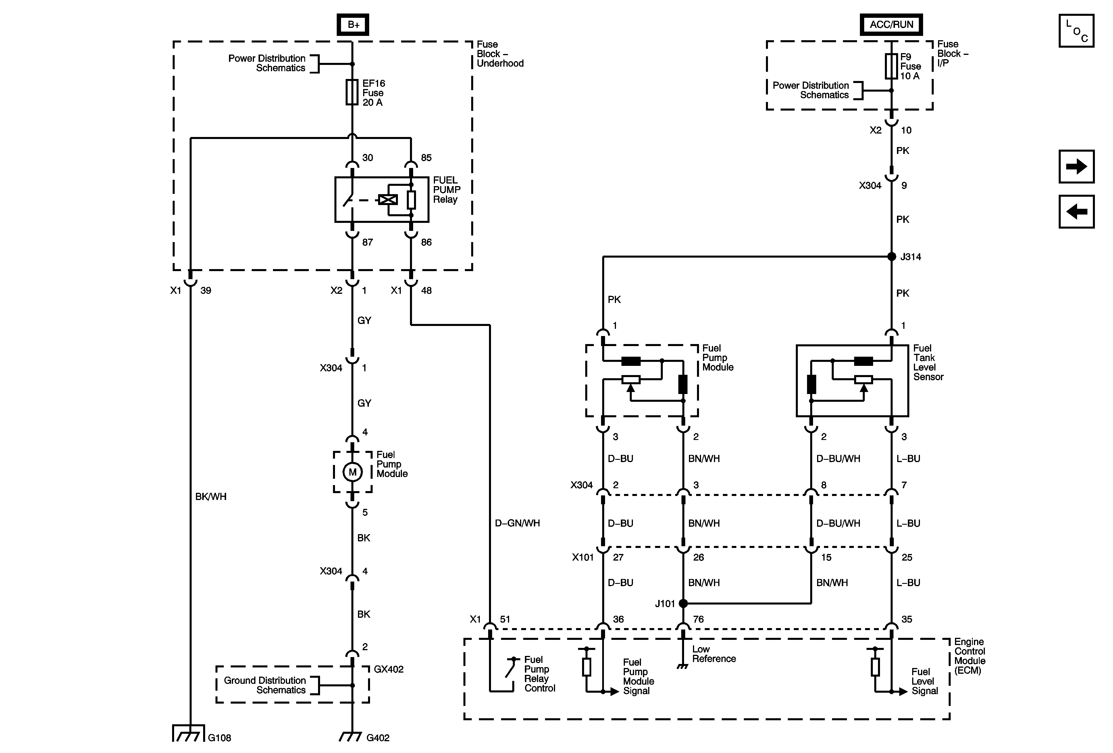
Figure 7:

Fuel Controls


Object Number: 1813744  Size: FS
Master Electrical Component List
Fuel Injectors
Ignition Sensors
EF5, 13, 16, 24, 31, 32 Fuses, Starter, Park Lamp, Fuel Pump Relays
EF7, F6, 8, 9, 13, 17, 20, 25, 27, 29 Fuses, Run/Crank, Outside Rearview Mirror, Liftgate Glass Relays
Ground Distribution G108, G111 (2.4L)
Ground Distribution G402
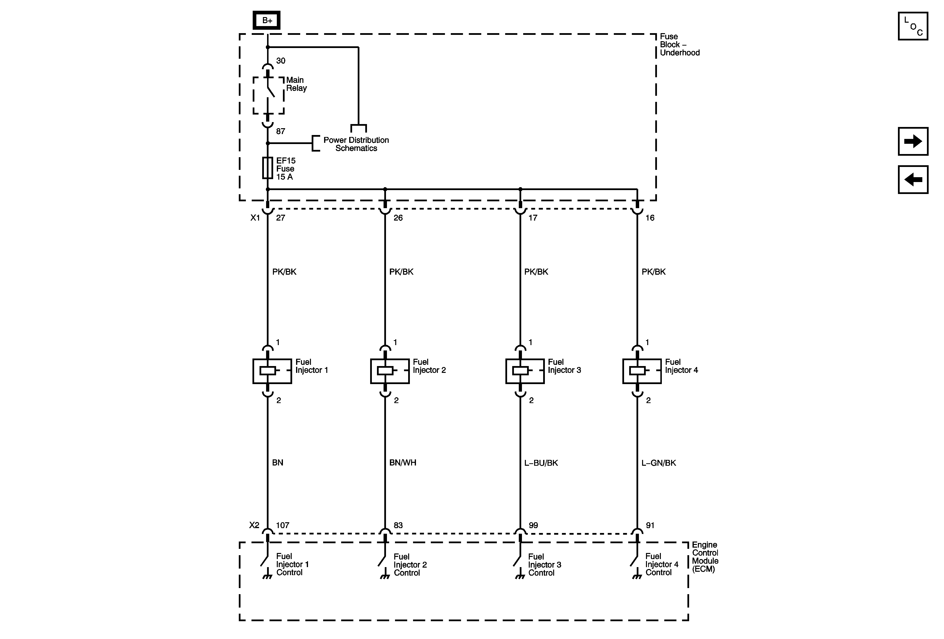
Figure 8:

Fuel Injectors


Object Number: 1813769  Size: FS
Master Electrical Component List
System References
Fuel Controls
EF10, 11, 12, 13, 15 Fuses, Main Relay (2.4L)
Figure 9:

System References


Object Number: 1813782  Size: FS
Master Electrical Component List
Fuel Injectors
Park Lamps
Engine Cooling Schematics
Blower Controls
Compressor Controls
Charging System