GM Service Manual Online
For 1990-2009 cars only
Figure 1:

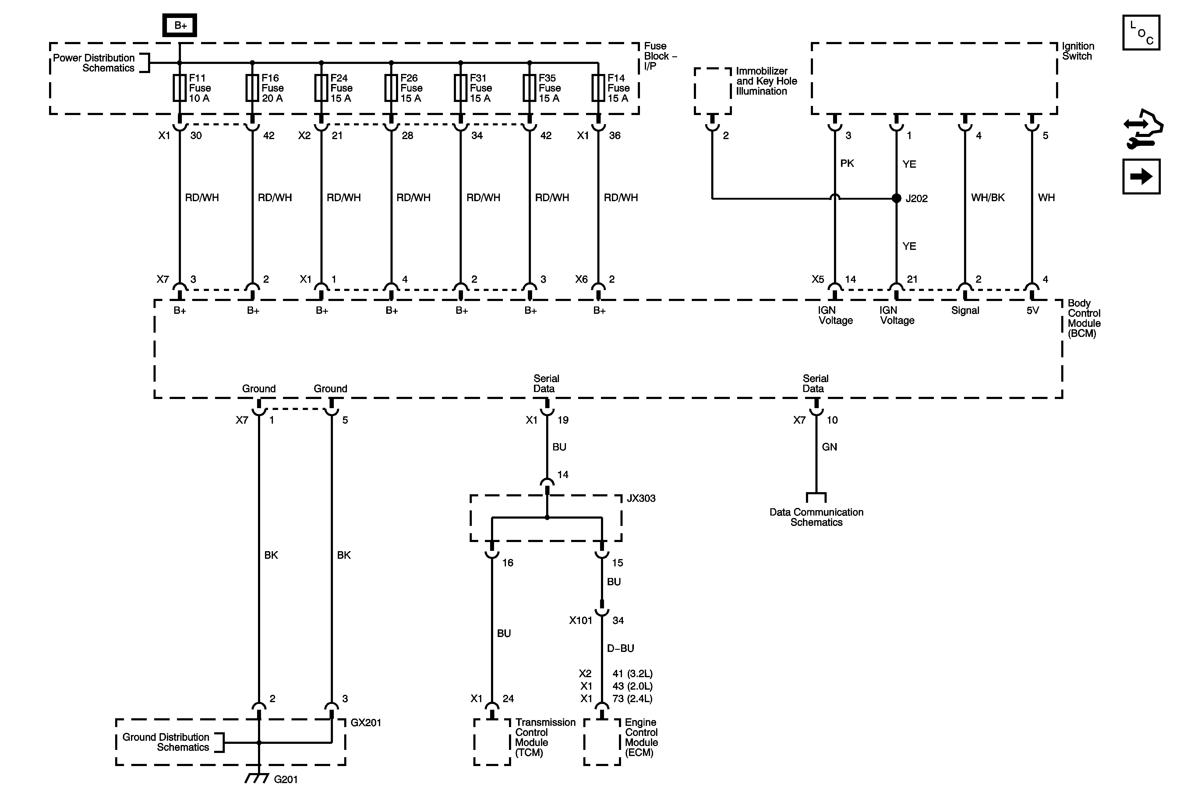
BCM Power and Ground


Object Number: 1826709  Size: FS
Master Electrical Component List
Control Module References
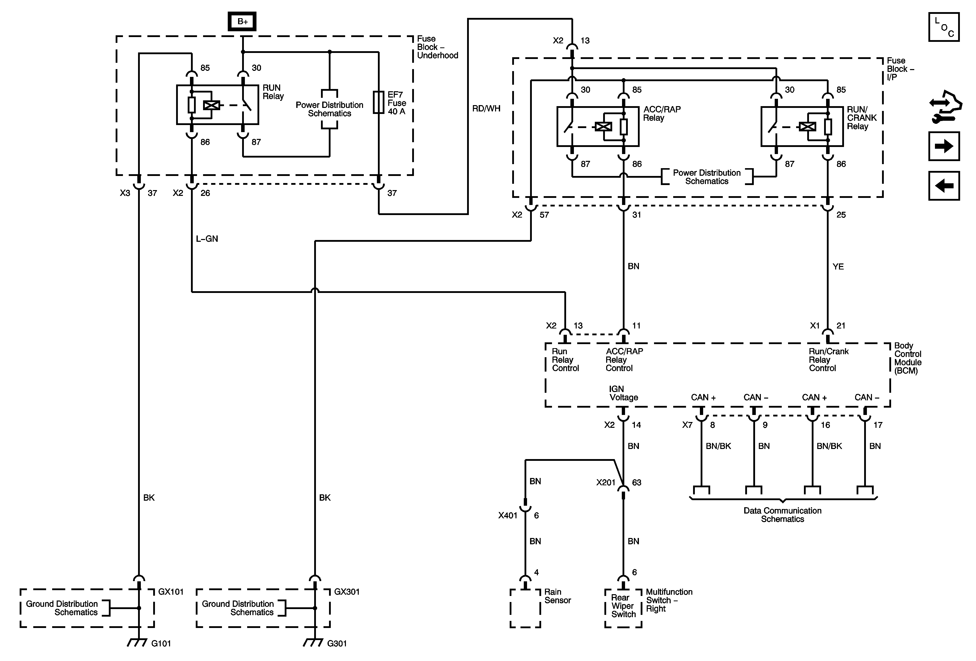
BCM Relay Controls and CAN
EF2, F11, 12, 14, 16, 19, 24, 26, 31, 35 Fuses
Data Link Connector (DLC)
Ground Distribution G201
Figure 2:

BCM Relay Controls and CAN


Object Number: 1826719  Size: FS
Master Electrical Component List
Control Module References
BCM Exterior Lights Controls
BCM Power and Grounds
EF7, F6, 8, 9, 13, 17, 20, 25, 27, 29 Fuses, Run/Crank, Outside Rearview Mirror, Liftgate Glass Relays
EF7, F6, 8, 9, 13, 17, 20, 25, 27, 29 Fuses, Run/Crank, Outside Rearview Mirror, Liftgate Glass Relays
Data Link Connector (DLC)
Ground Distribution G101, G103, G105
Ground Distribution G301
Figure 3:

BCM Exterior Lights Controls


Object Number: 1826726  Size: FS
Master Electrical Component List
Control Module References
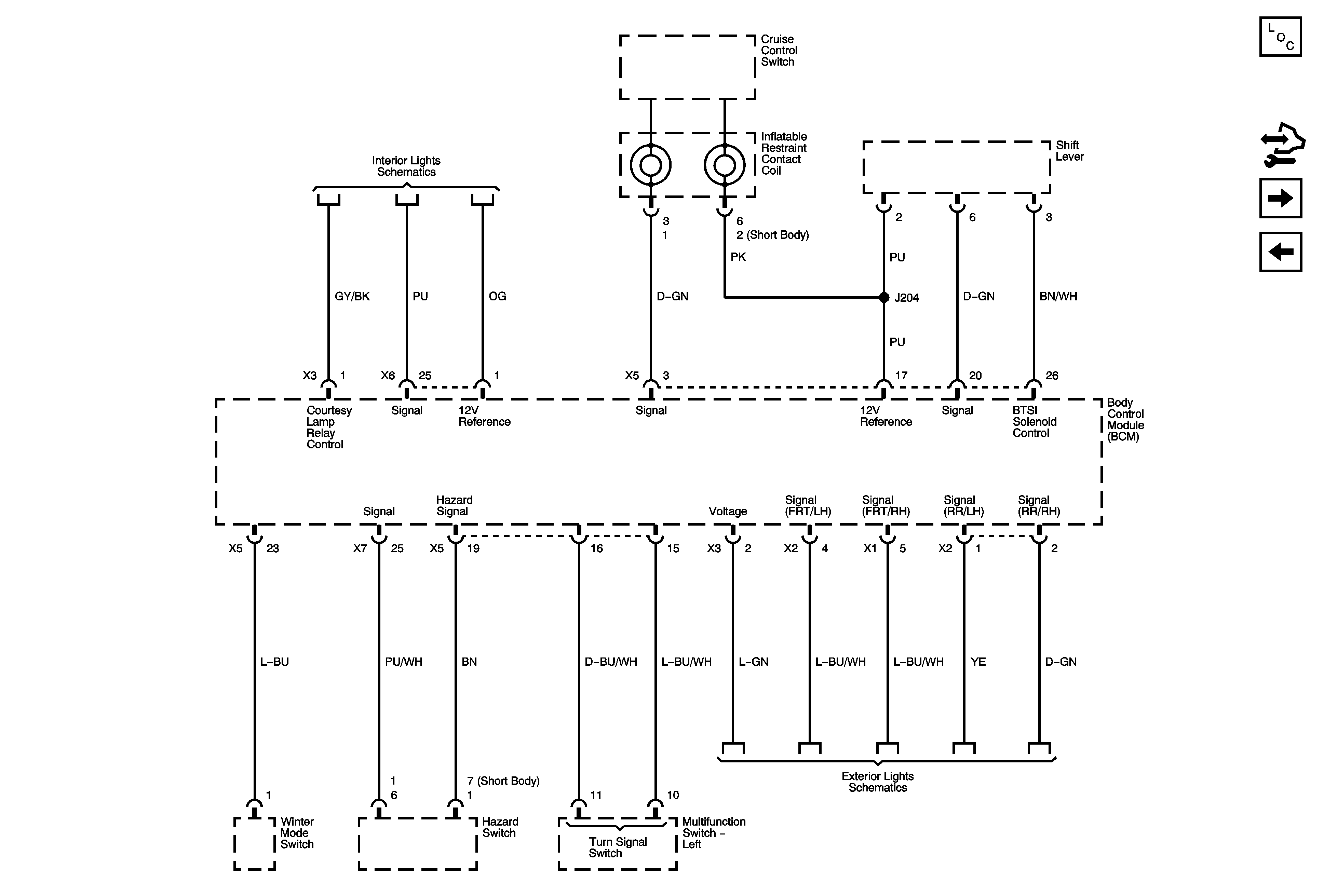
BCM Interior Lights Controls
BCM Relay Controls and CAN
Fog Lamp Schematics
DRL Schematics
DRL Schematics
Interior Lamps Dimming Schematics
Figure 4:

BCM Interior Lights Controls


Object Number: 1826731  Size: FS
Master Electrical Component List
Control Module References
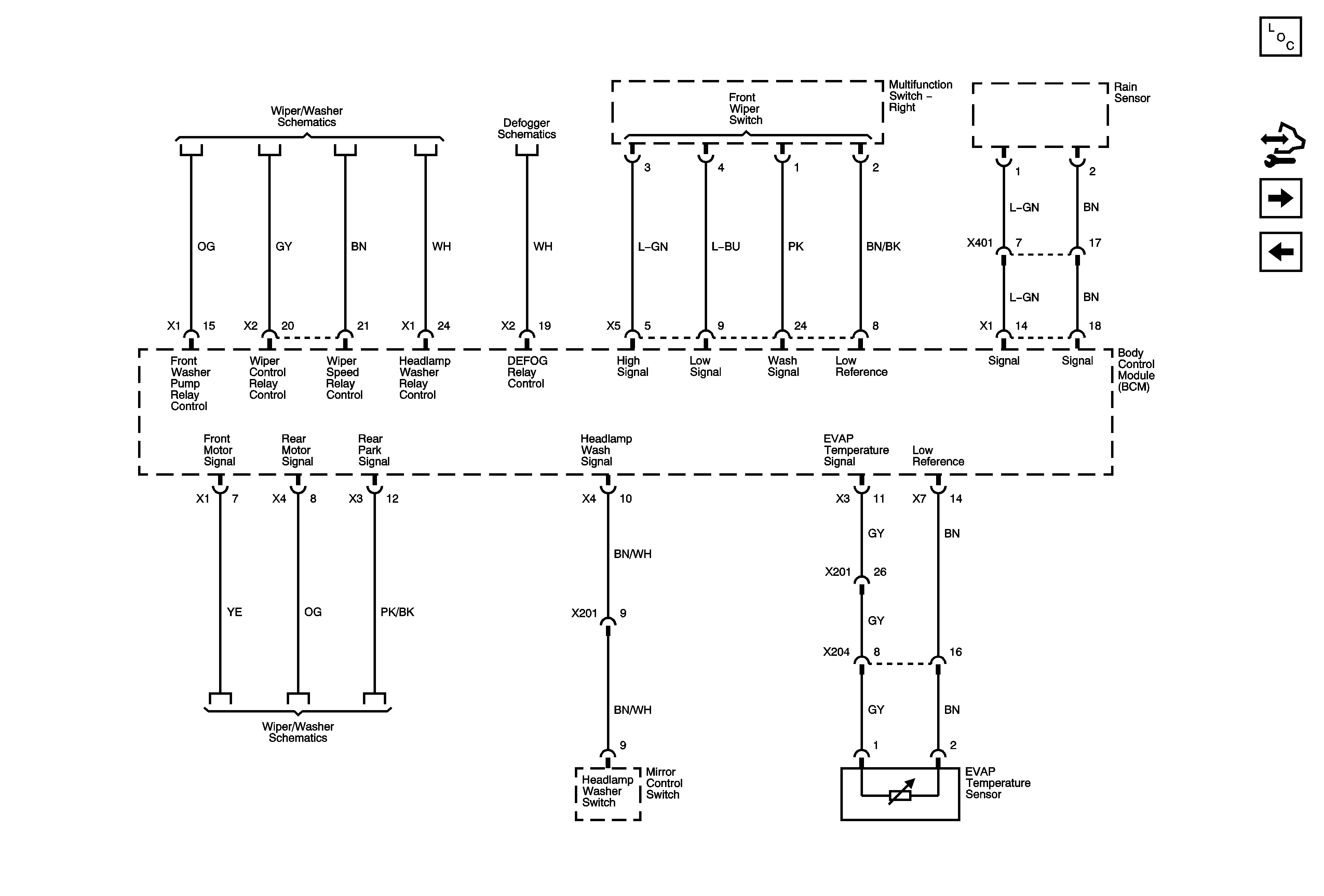
BCM Wiper Controls
BCM Exterior Lights Controls
Interior Lamps Schematics
Park Lamps
Figure 5:

BCM Wiper Controls


Object Number: 1826739  Size: FS
Master Electrical Component List
Control Module References
BCM Door and Theft Controls
BCM Interior Lights Controls
Front Wiper System
Defogger Schematics
Front Wiper System
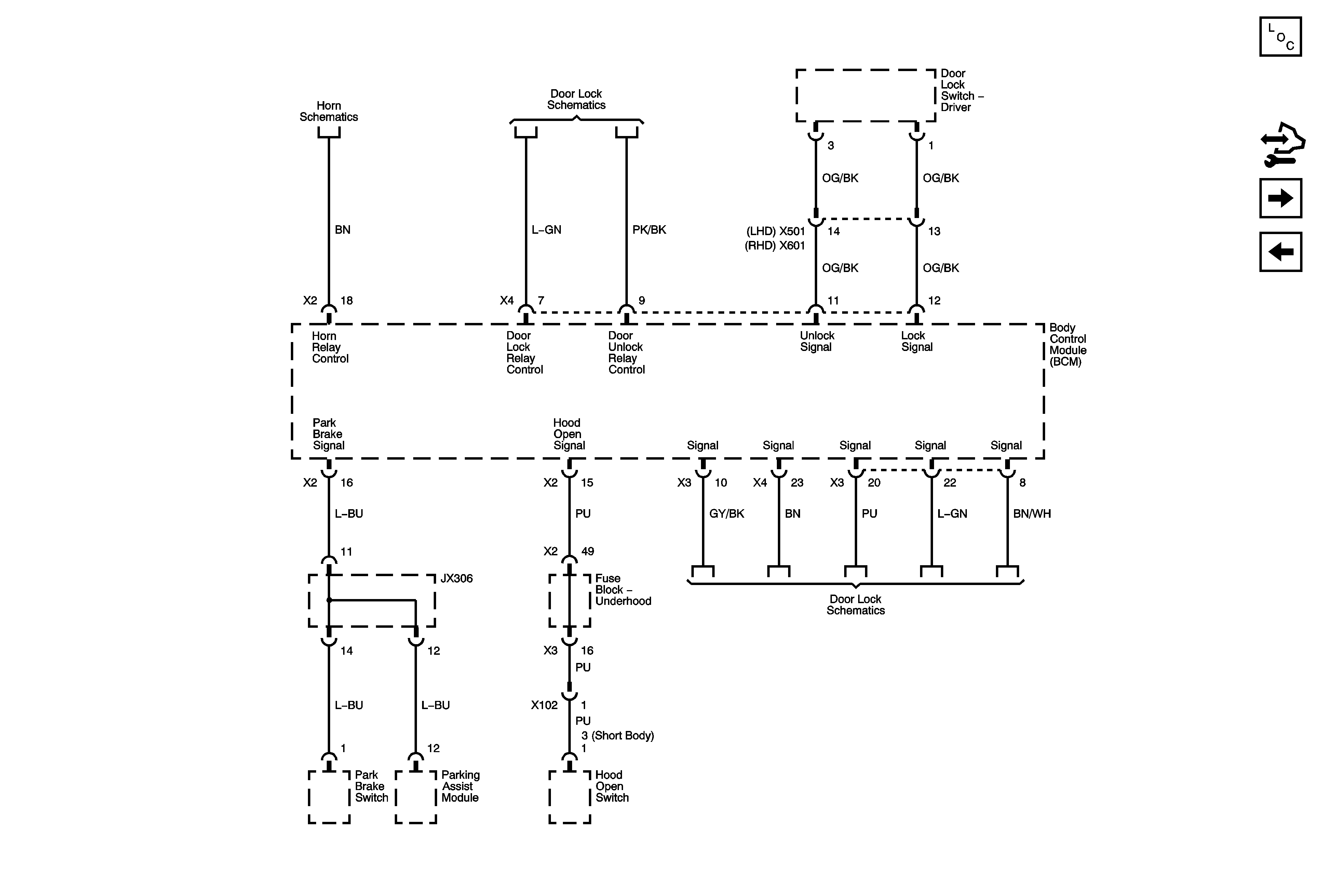
Figure 6:

BCM Door and Theft Controls


Object Number: 1826744  Size: FS
Master Electrical Component List
Control Module References
BCM Window, Mirror, HVAC and Trans Controls
BCM Wiper Controls
Horns Schematics
Door Latches
Door Latches
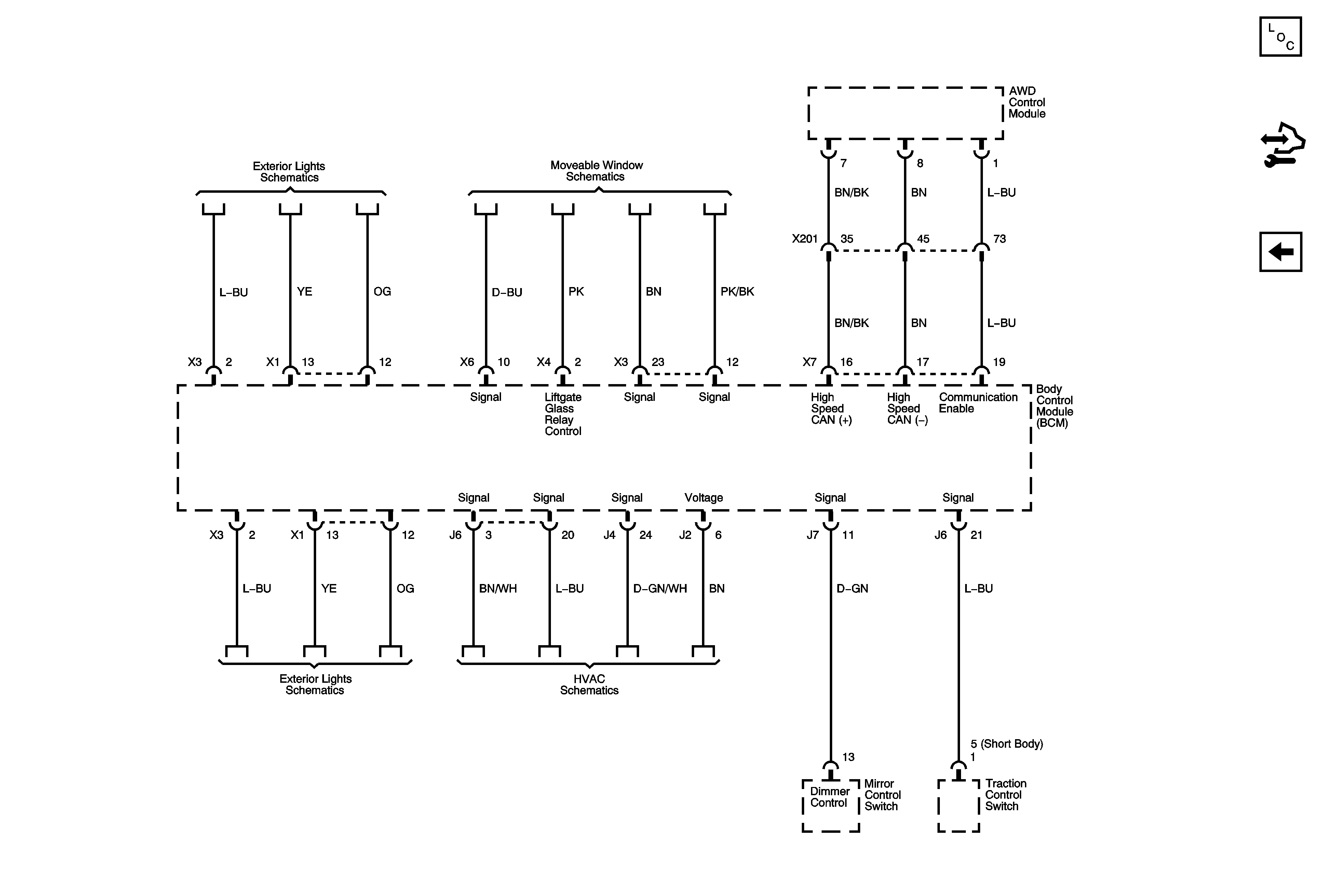
Figure 7:

BCM Window, Mirror, HVAC and Trans Controls


Object Number: 1826760  Size: FS
Master Electrical Component List
Control Module References
BCM Door and Theft Controls
Park Lamps
Power Window Schematics
Park Lamps
Blower Controls
Blower, Mode, Temperature Controls