GM Service Manual Online
For 1990-2009 cars only
Makes
🢒
Opel
🢒
2007
🢒
GT
🢒
Power and Signal Distribution
🢒
Data Communications
🢒 Body Control System Schematics
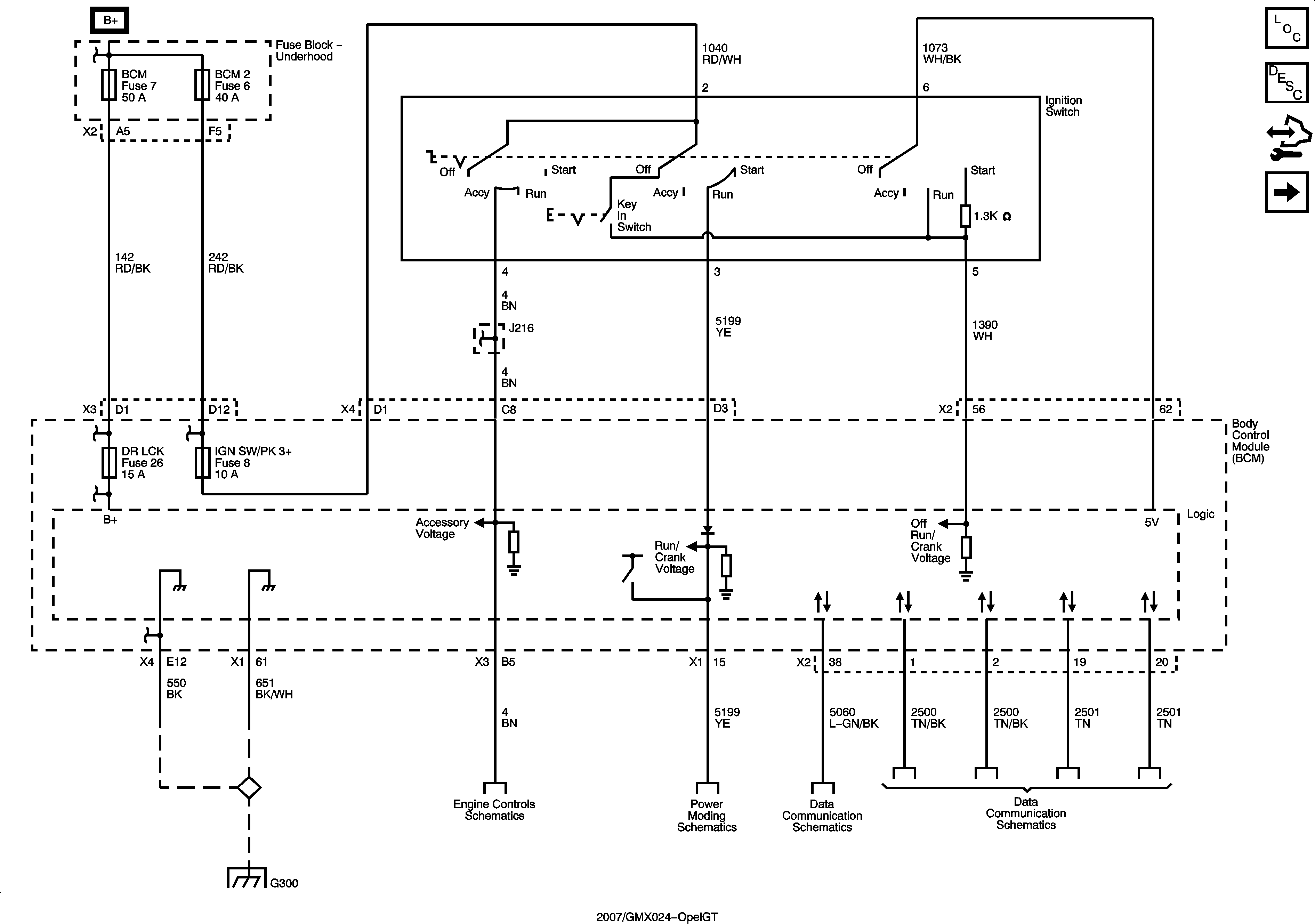
Figure
1:
Data Link, Ground, and Power
Master Electrical Component List
Body Control System Description and Operation
Control Module References
Brakes, Cooling System, Cruise, and Door Lock References
B+ Bus Bar - 2 of 2
WINDOWS, DOOR LKS, INT LPS, ECM/TCM, RADIO, and SDM Fuses
HVAC/PK3, AUDIO AMPLIFIER, WIPERS, HVAC/IP IGN, RESRAINTS, and EPS/SWC Fuses
WINDOWS, DOOR LKS, INT LPS, ECM/TCM, RADIO, and SDM Fuses
Data Link, Ground, MIL, and Power
Power Moding Schematics
Low Speed LAN
High Speed LAN
G300 - 1 of 2
Figure
2:
Brakes, Cooling System, Cruise, and Door Lock References
Master Electrical Component List
Body Control System Description and Operation
Control Module References
Defogger, Horn, Release Systems, and Wiper/Washer References
Data Link, Ground, and Power
Defogger Schematics
Wiper/Washer Schematics
Immobilizer Schematics
Horn Schematics
Release System Schematics
Seat Belts Schematics
Compressor Controls
Cruise Control Schematics
Engine Cooling Schematics
Hydraulic Brakes Schematics
Power, Ground, and Wheel Speed Sensors
Door Lock Schematics
Figure
3:
Defogger, Horn, Release Systems, and Wiper/Washer References
Master Electrical Component List
Body Control System Description and Operation
Control Module References
Brakes, Cooling System, Cruise, and Door Lock References
Interior Lights Schematics
I/P Dimmer Switch
Hazard and Park Lamps
Stop and Turn Signal Lamps
Fog Lights Schematics
Backup Lamps
Headlights/DRL Schematics