GM Service Manual Online
For 1990-2009 cars only
Figure 1:

Data Link, Ground, Indicator, Power, and Sensors


Object Number: 1855854  Size: FS
Master Electrical Component List
SIR System Description and Operation
Control Module References
Deployment Loops
SIR Schematic Icons
TANK VENT, OUTLET, IP IGN, BACKUP, ABS, and ECM TRANS Fuses
WINDOWS, DOOR LKS, INT LPS, ECM/TCM, RADIO, and SDM Fuses
Data Communication Schematics
G103, G304, G105, G104, and G106
Figure 2:

Deployment Loops


Object Number: 1855905  Size: FS
Master Electrical Component List
SIR System Description and Operation
Control Module References
Passenger Presence System (PPS)
Data Link, Ground, Indicator, Power, and Sensors
SIR Schematic Icons
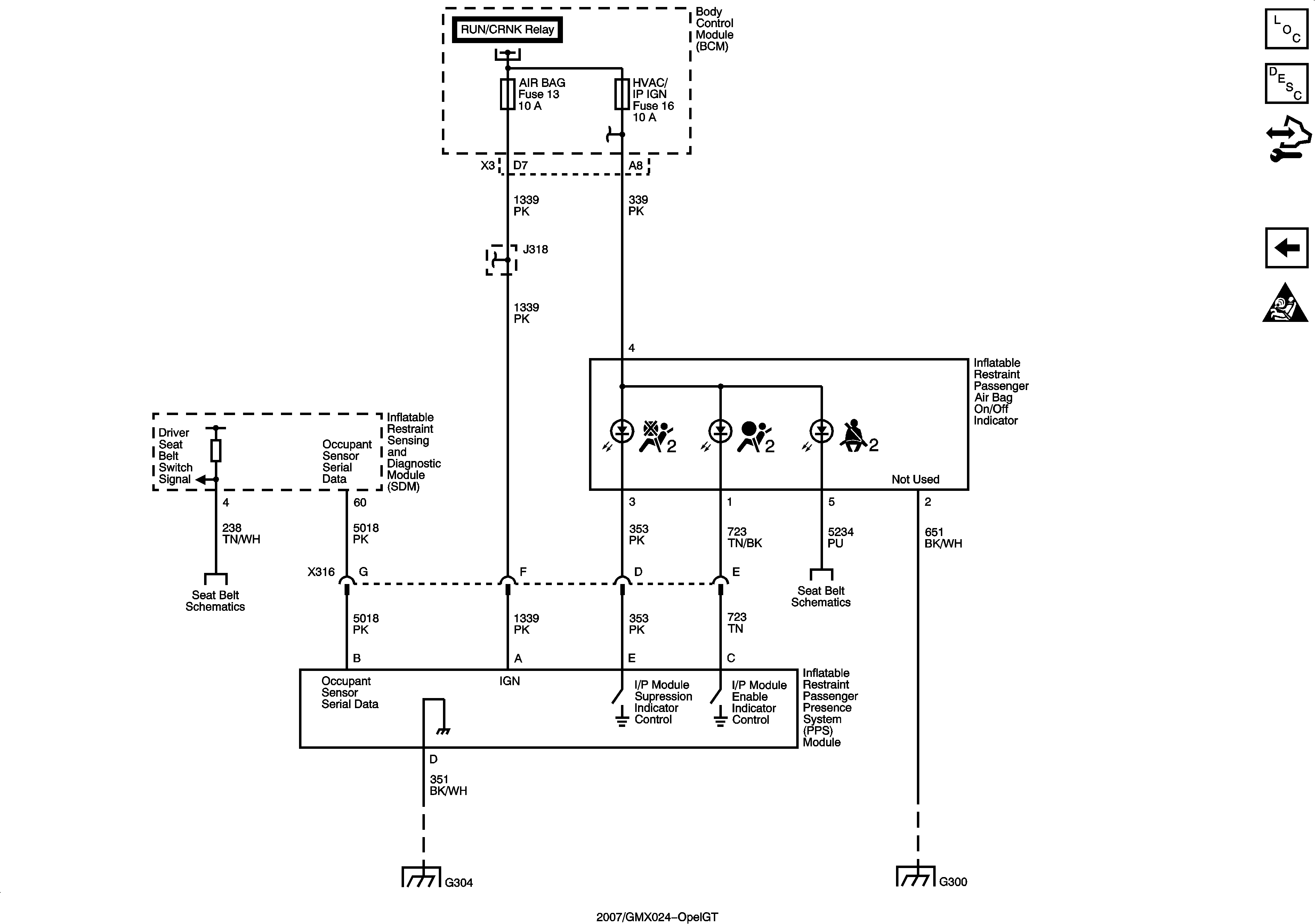
Figure 3:

Passenger Presence System (PPS)


Object Number: 1855907  Size: FS
Master Electrical Component List
SIR System Description and Operation
Control Module References
Deployment Loops
SIR Schematic Icons
TANK VENT, OUTLET, IP IGN, BACKUP, ABS, and ECM TRANS Fuses
TANK VENT, OUTLET, IP IGN, BACKUP, ABS, and ECM TRANS Fuses
Seat Belts Schematics
Seat Belts Schematics
G103, G304, G105, G104, and G106
G300 - 1 of 2