GM Service Manual Online
For 1990-2009 cars only
Figure 1:

Battery Feed to the Fuse Block Underhood


Object Number: 869889  Size: FS
Figure 2:

Battery Voltage to the Rear Fuse Block


Object Number: 885284  Size: FS
Master Electrical Component List
Battery Feed to the Fuse Block Underhood
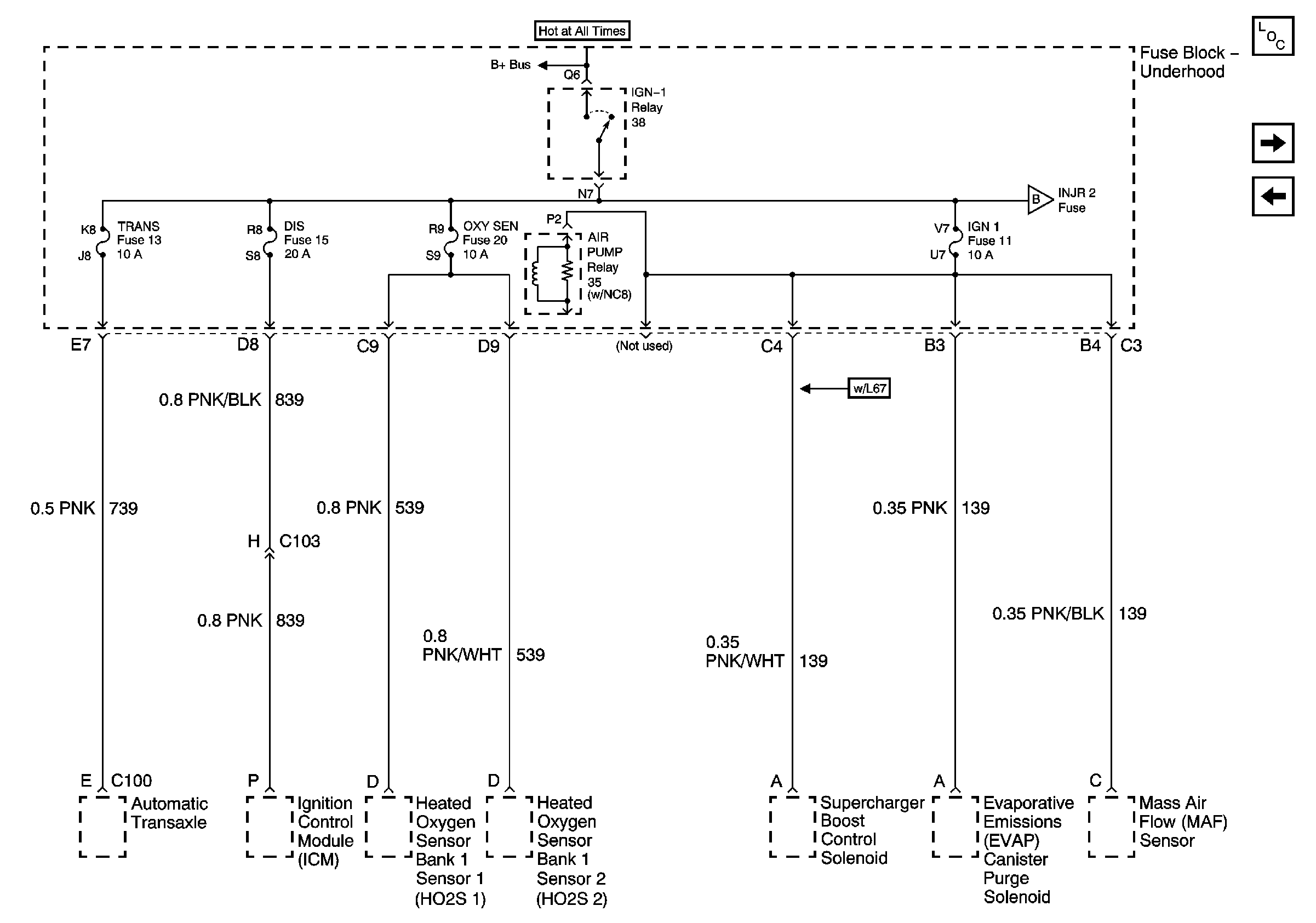
TRANS, DIS, OXY SEN, IGN 1 Fuses and the IGN-1 and AIR Pump Relays(Fuse Block Underhood)
Battery Feed to the Fuse Block Underhood
Figure 3:

TRANS, DIS, OXY SEN, IGN 1 Fuses and the IGN-1 Relay (Fuse Block Underhood)


Object Number: 869894  Size: FS
Figure 4:

INJR 2, PCM IGN, CR CONT, INJR 1 Fuses and the START 2 Relay (Fuse Block Underhood)


Object Number: 885285  Size: FS
Master Electrical Component List
TRANS, DIS, OXY SEN, IGN 1 Fuses and the IGN-1 and AIR Pump Relays(Fuse Block Underhood)
Start, Horn, A/C CLU Fuses and Relays (Fuse Block Underhood)
TRANS, DIS, OXY SEN, IGN 1 Fuses and the IGN-1 and AIR Pump Relays(Fuse Block Underhood)
Figure 5:

Start, Horn, A/C CLU Fuses and Relays (Fuse Block Underhood)


Object Number: 885286  Size: FS
Master Electrical Component List
Fog Lamp and Headlamp Fuses and Relays (Fuse Block Underhood)
INJR 2, PCM IGN, CR CONT, INJR 1 Fuses and the START 2 Relay (Fuse Block Underhood)
Figure 6:

Fog Lamp and Headlamp Fuses and Relays (Fuse Block Underhood)


Object Number: 885287  Size: FS
Master Electrical Component List
ABS, PCM BATT Fuses and the Cool Fan 1 Relay (Fuse Block Underhood)
Start, Horn, A/C CLU Fuses and Relays (Fuse Block Underhood)
Figure 7:

ABS, PCM BATT Fuses and the Cool Fan 1 Relay (Fuse Block Underhood)


Object Number: 885289  Size: FS
Master Electrical Component List
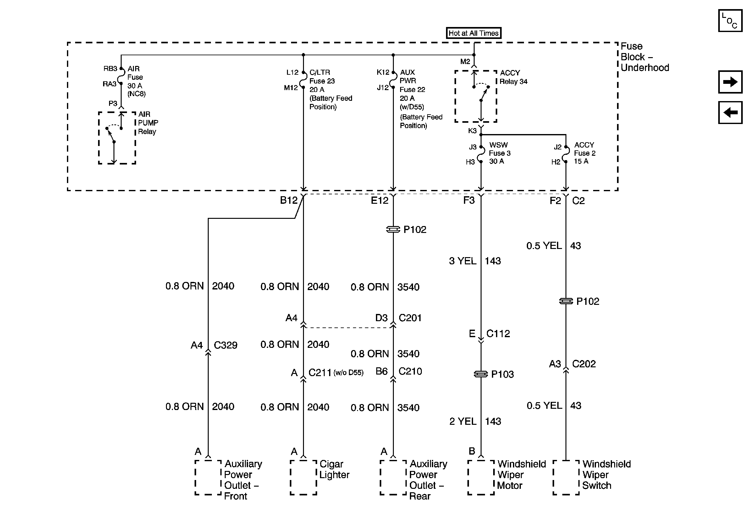
AIR, C/LTR, AUX PWR, WSW, ACCY Fuses and the AIR Pump and ACCY Relays(Fuse Block Underhood)
Fog Lamp and Headlamp Fuses and Relays (Fuse Block Underhood)
Figure 8:

AIR, C/LTR, AUX PWR, WSW, ACCY Fuses and the AIR Pump and ACCY Relays (Fuse Block Underhood)


Object Number: 869897  Size: FS
Master Electrical Component List
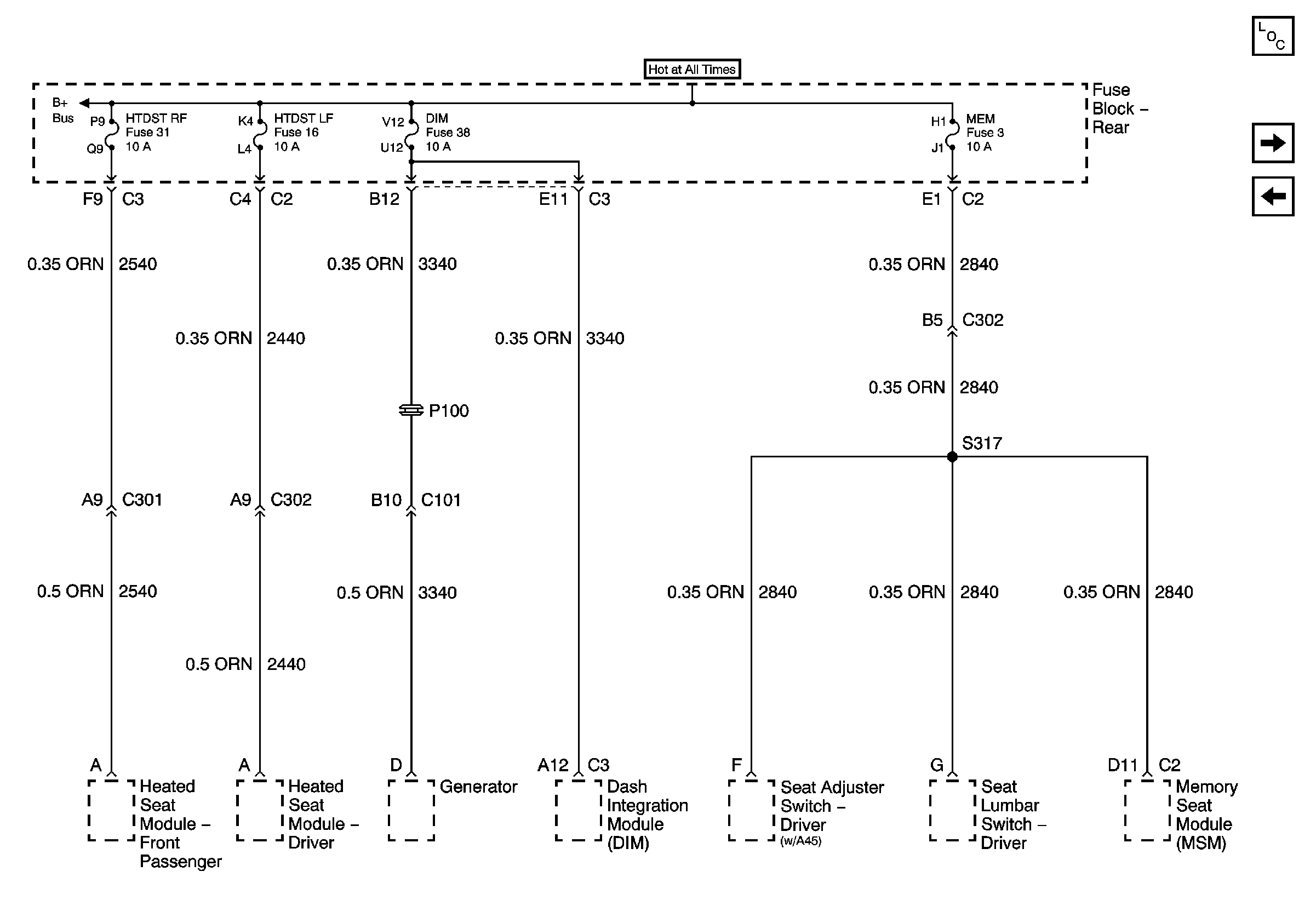
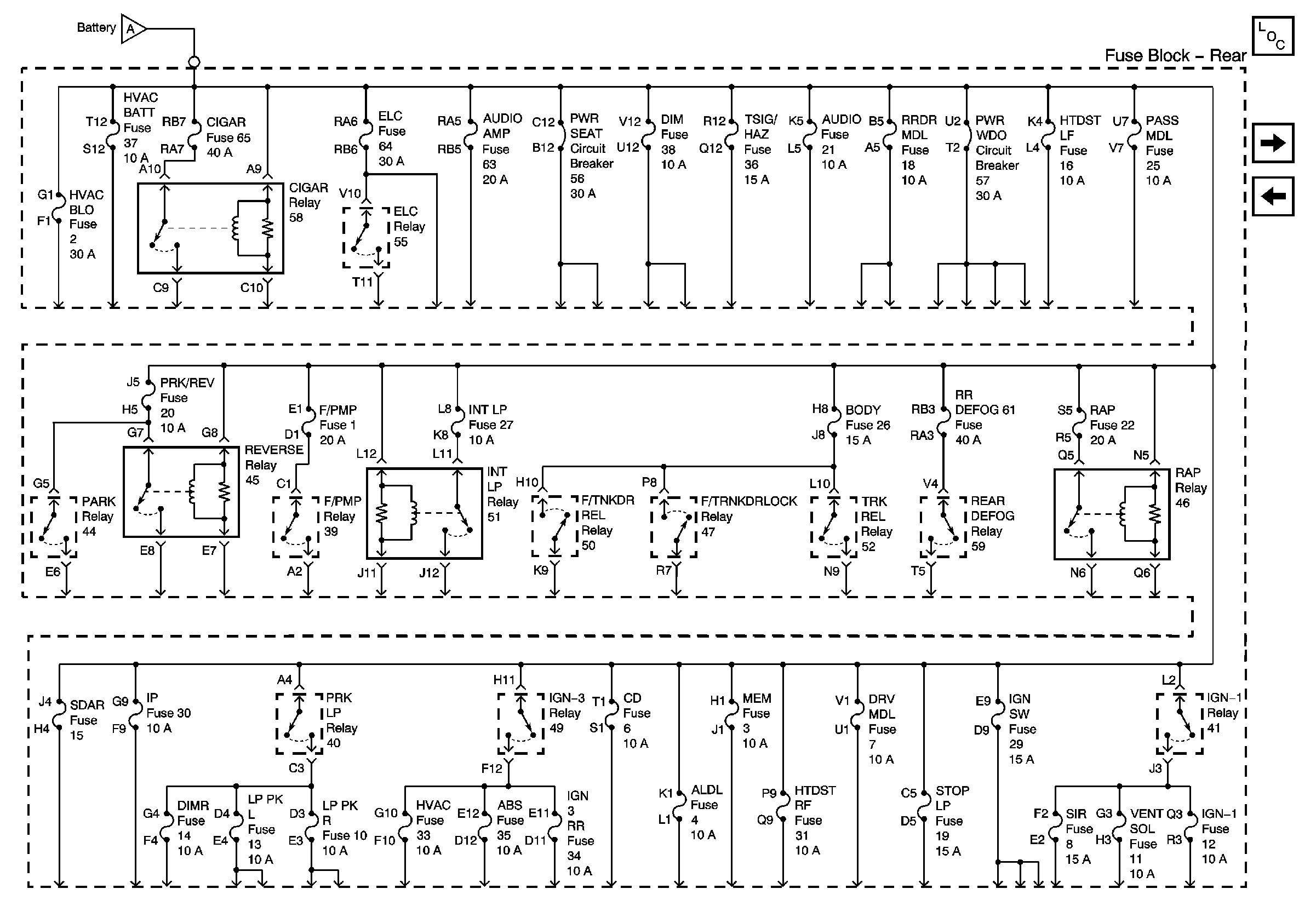
HTDST RF, HTDST LF, DIM, and Mem Fuses (Fuse Block Rear)
ABS, PCM BATT Fuses and the Cool Fan 1 Relay (Fuse Block Underhood)
Figure 9:

HTDST RF, HTDST LF, DIM, and Mem Fuses (Fuse Block Rear)


Object Number: 885295  Size: FS
Master Electrical Component List
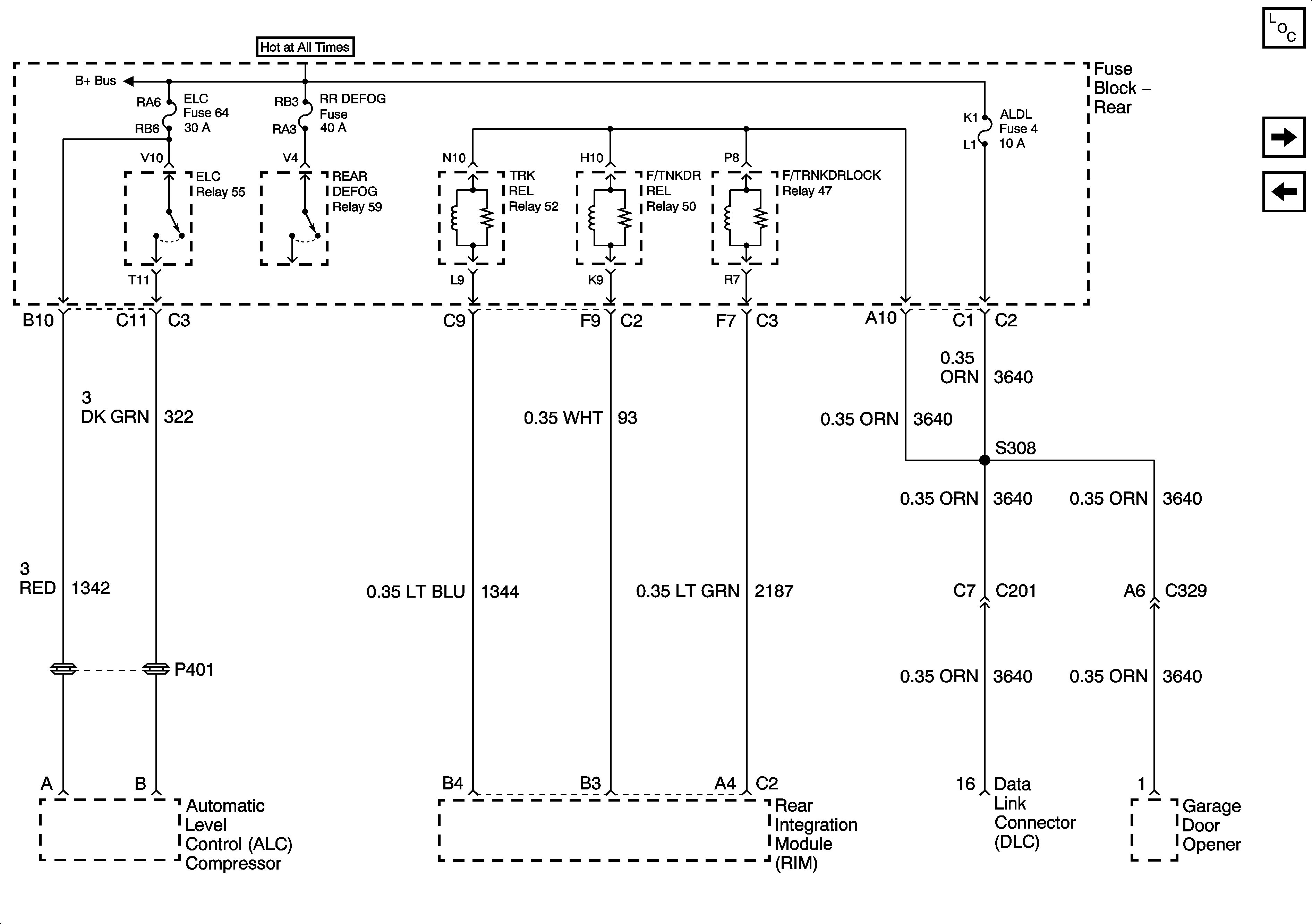
ELC, RRFOG, ALDL Fuses, and the ELC, REAR DEFOG, F/TNKDR REL, and F/TNKDRLOCK Relays (Fuse Block Rear)
AIR, C/LTR, AUX PWR, WSW, ACCY Fuses and the AIR Pump and ACCY Relays(Fuse Block Underhood)
Figure 10:

HVAC BATT, DRV MDL, PASS MDL, and RRDRMDL Fuses (Fuse Block Rear)


Object Number: 885297  Size: FS
Master Electrical Component List
ELC, RRFOG, ALDL Fuses, and the ELC, REAR DEFOG, F/TNKDR REL, and F/TNKDRLOCK Relays (Fuse Block Rear)
HTDST RF, HTDST LF, DIM, and Mem Fuses (Fuse Block Rear)
Figure 11:

ELC, RRFOG, ALDL Fuses, and the ELC, REAR DEFOG, F/TNKDR REL, and F/TNKDR LOCK Relays (Fuse Block Rear)


Object Number: 885298  Size: FS
Master Electrical Component List
PWR WDO and PWR SEAT Fuses (Fuse Block Rear)
HVAC BATT, DRV MDL, PASS MDL, and RRDRMDL Fuses (Fuse Block Rear)
Figure 12:

PWR WDO and PWR SEAT Fuses (Fuse Block Rear)


Object Number: 878549  Size: FS
Master Electrical Component List
LP PK L, LP PK R, and DIMR Fuses
ELC, RRFOG, ALDL Fuses, and the ELC, REAR DEFOG, F/TNKDR REL, and F/TNKDRLOCK Relays (Fuse Block Rear)
Figure 13:

LP PK L, LP PK R, and DIMR Fuses (Fuse Block Rear)


Object Number: 885301  Size: FS
Master Electrical Component List
TSIG/HAZ, STOP LP, AUDIO, and CD Fuses (Fuse Block Rear)
PWR WDO and PWR SEAT Fuses (Fuse Block Rear)
Figure 14:

TSIG/HAZ, STOP LP, AUDIO, and CD Fuses (Fuse Block Rear)


Object Number: 885303  Size: FS
Master Electrical Component List
IP, CIGAR Fuses, and the CIGAR Relay (Fuse Block Rear)
LP PK L, LP PK R, and DIMR Fuses
Figure 15:

IP, CIGAR Fuses, and the CIGAR Relay (Fuse Block Rear)


Object Number: 875920  Size: FS
Figure 16:

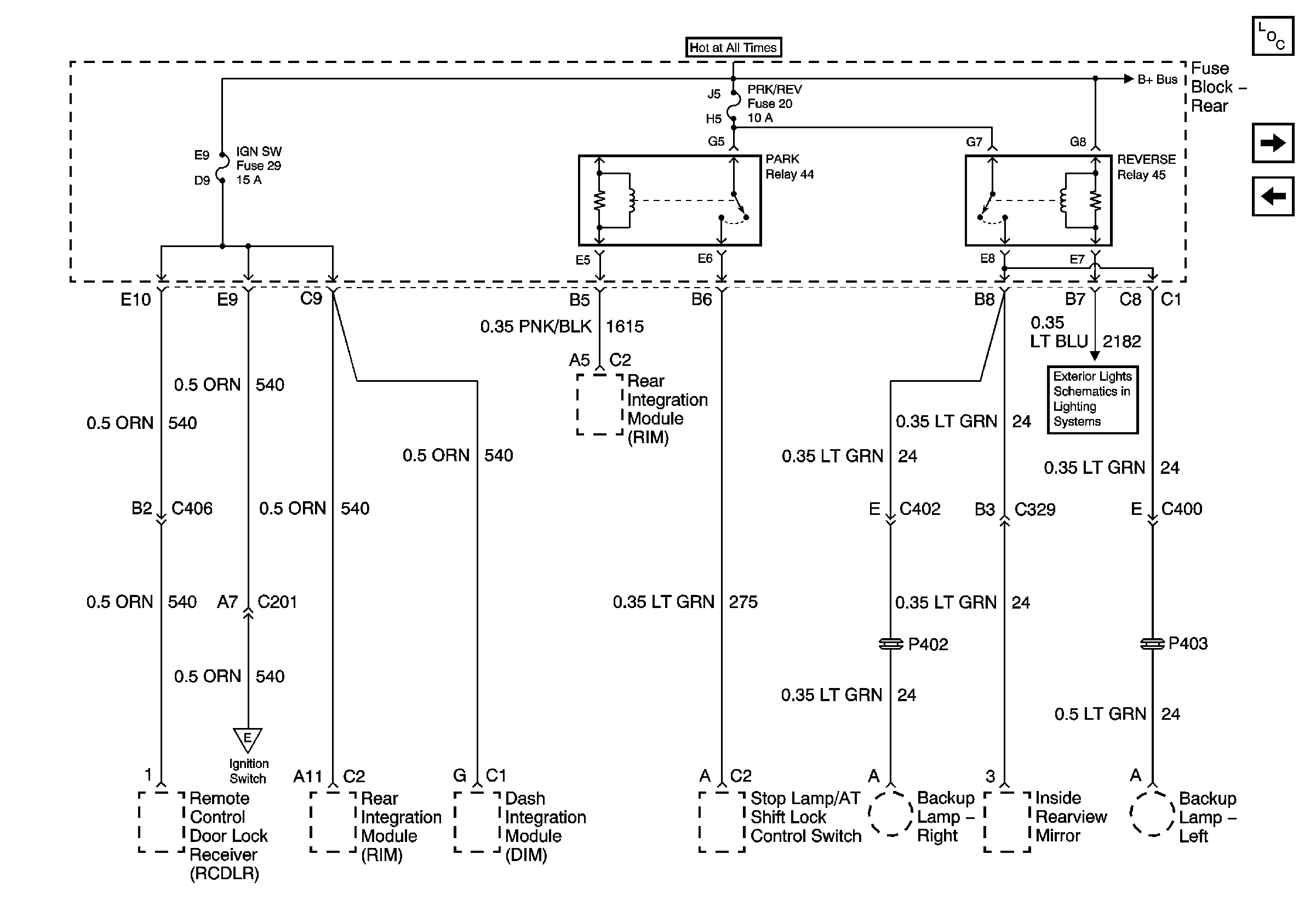
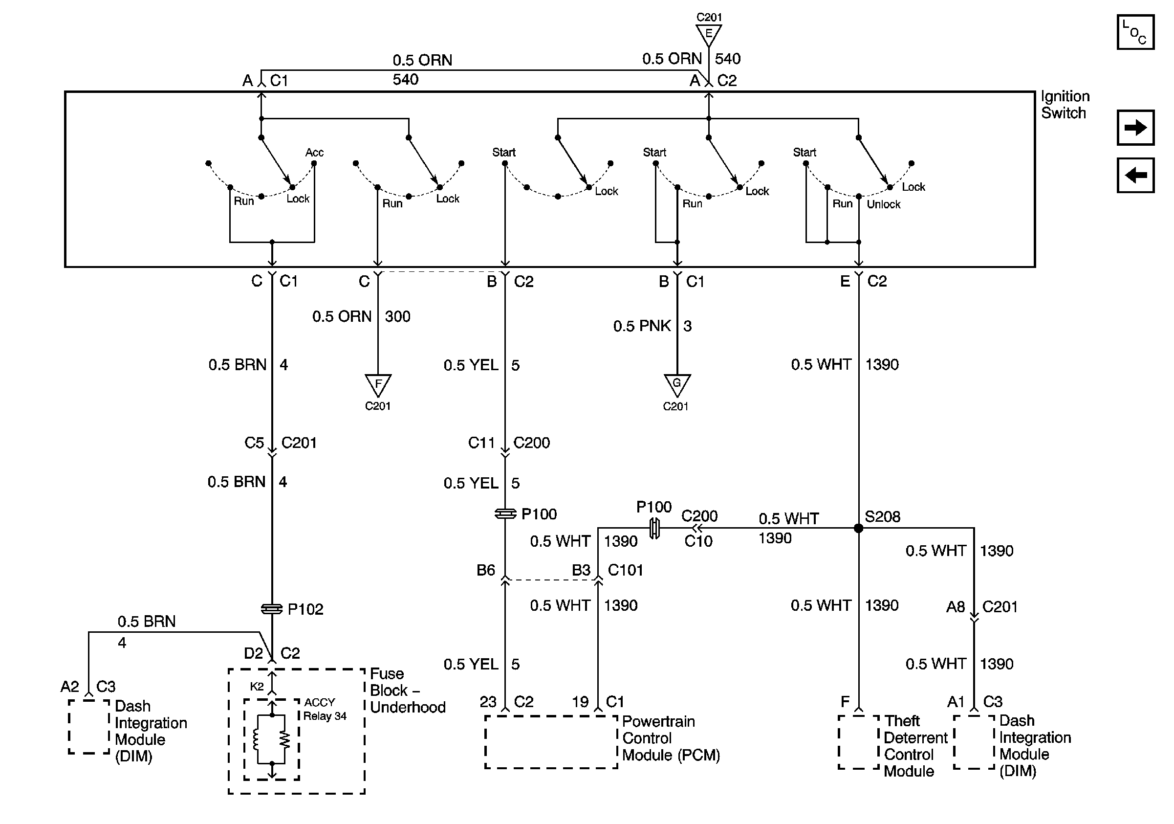
IGN SW, PRK/REV Fuses and the PARK and REVERSE Relays (Fuse Block Rear)


Object Number: 885309  Size: FS
Master Electrical Component List
Ignition Switch Positions
IP, CIGAR Fuses, and the CIGAR Relay (Fuse Block Rear)
Figure 17:

Ignition Switch Positions


Object Number: 885311  Size: FS
Master Electrical Component List
IGN SW, PRK/REV Fuses and the PARK and REVERSE Relays (Fuse Block Rear)
Ignition Switch RUN and START/RUN Positions
Ignition Switch RUN and START/RUN Positions
Ignition Switch RUN and START/RUN Positions
IGN SW, PRK/REV Fuses and the PARK and REVERSE Relays (Fuse Block Rear)
Figure 18:

Ignition Switch RUN and START/RUN Positions


Object Number: 885312  Size: FS
Master Electrical Component List
Ignition Switch Positions
Ignition Switch Positions
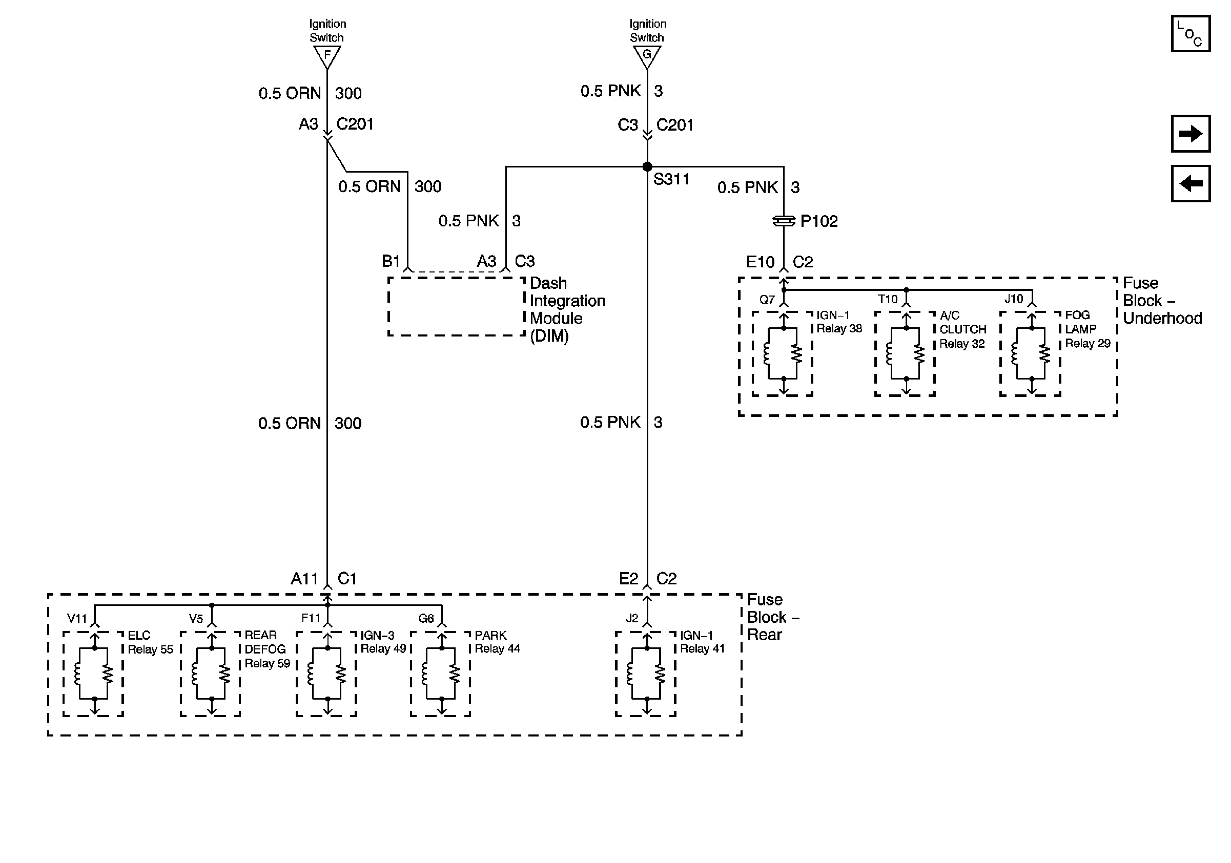
IGN 1, Vent Sol, and SIR Fuses (Fuse Block Rear)
Ignition Switch Positions
Figure 19:

IGN 1, Vent Sol, and SIR Fuses (Fuse Block Rear)


Object Number: 885313  Size: FS
Master Electrical Component List
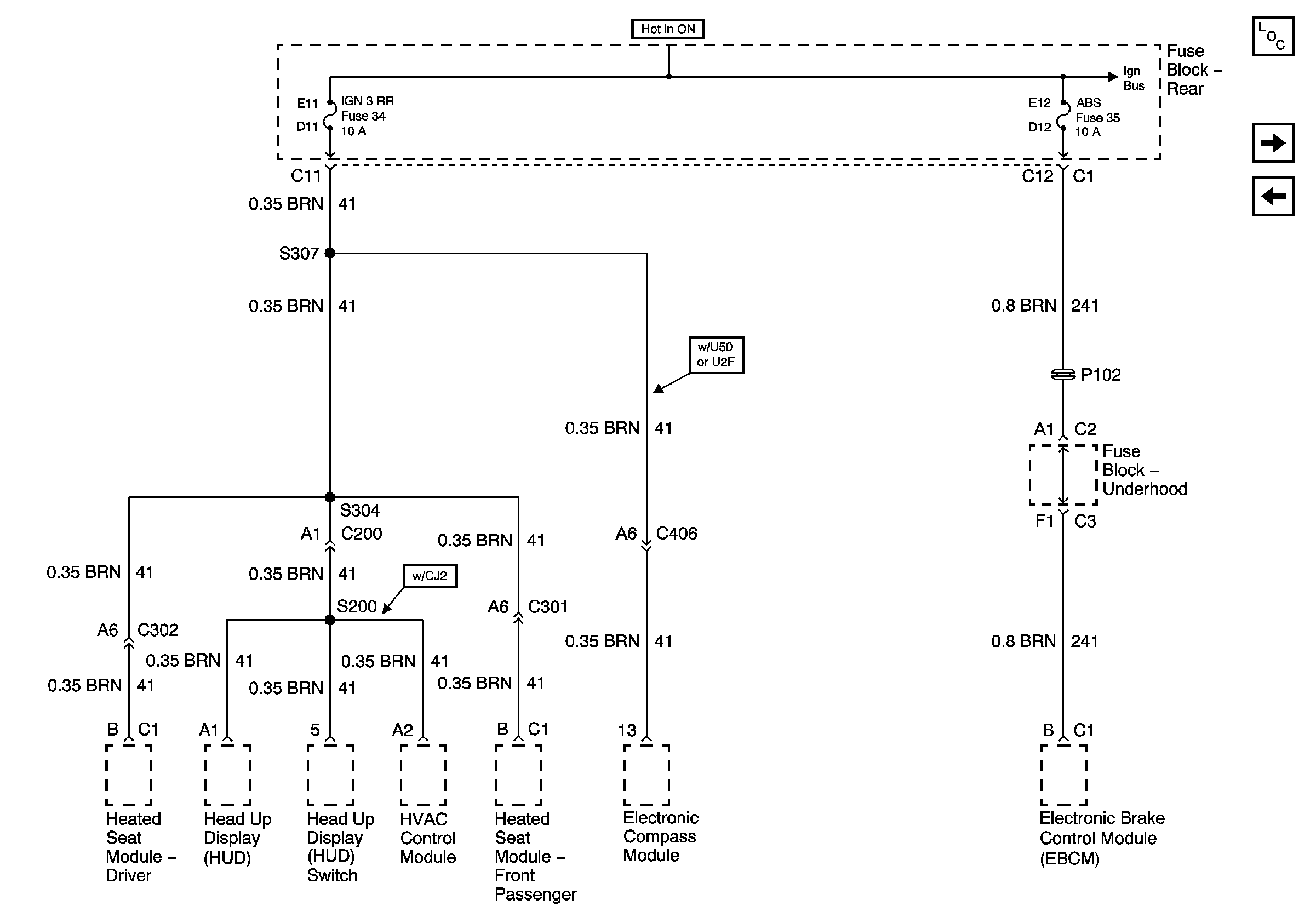
IGN3 and ABS Fuses (Fuse Block Rear)
Ignition Switch RUN and START/RUN Positions
Figure 20:

IGN3 and ABS Fuses (Fuse Block Rear)


Object Number: 885316  Size: FS
Master Electrical Component List
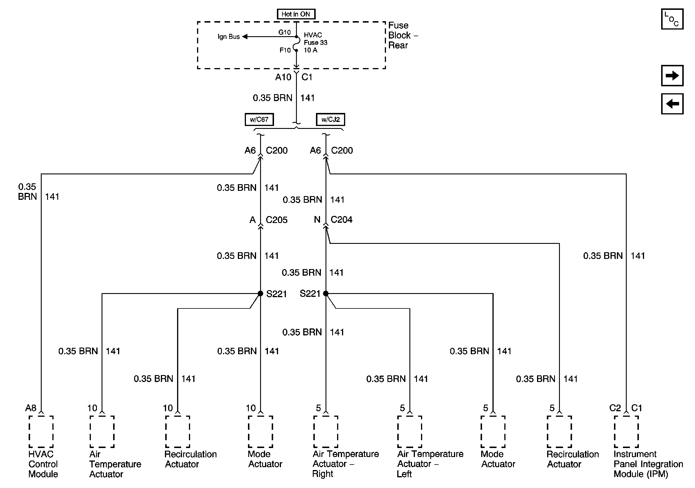
HVAC Fuse (Fuse Block Rear)
IGN 1, Vent Sol, and SIR Fuses (Fuse Block Rear)
Figure 21:

HVAC Fuse (Fuse Block Rear)


Object Number: 885319  Size: FS
Master Electrical Component List
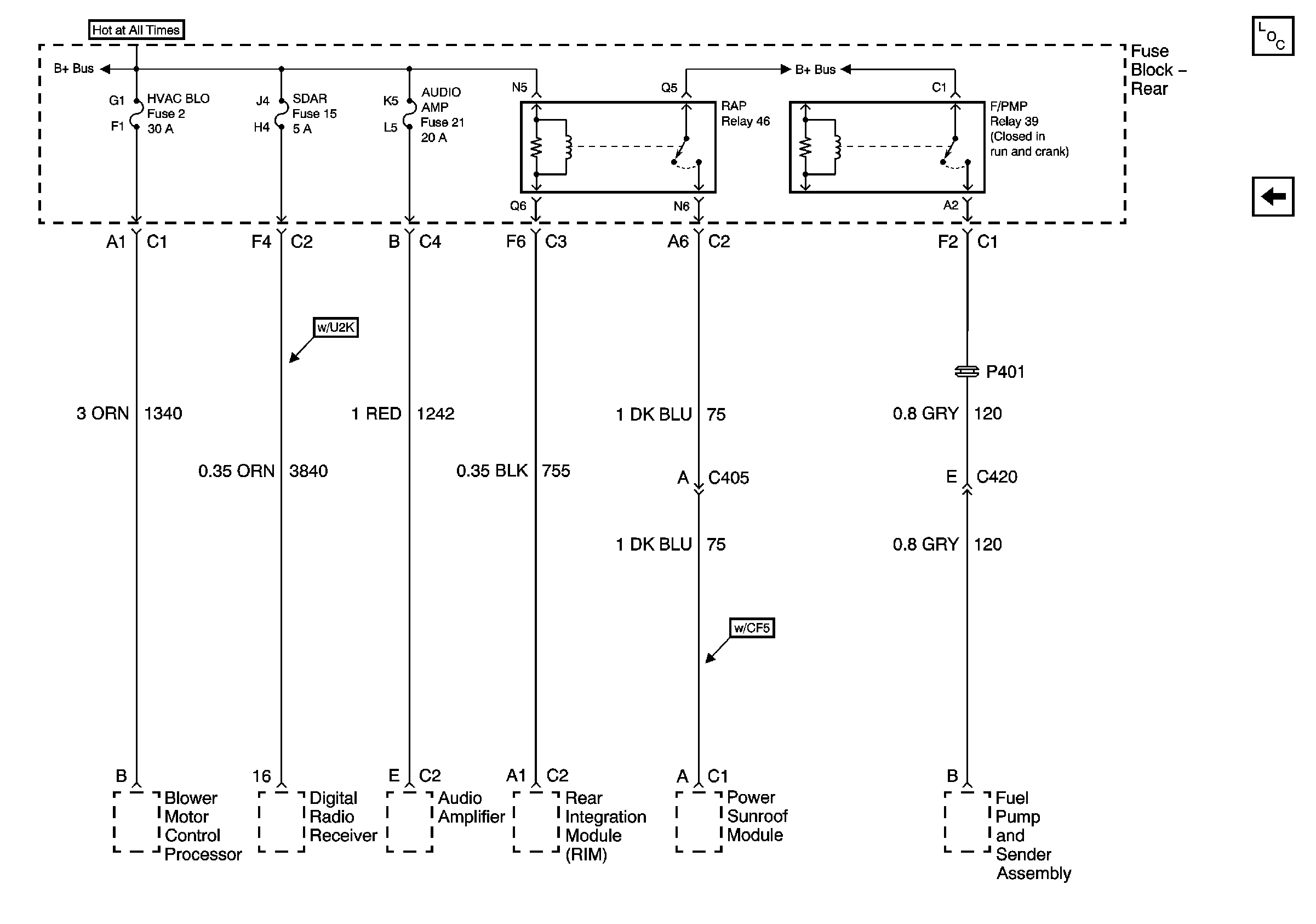
HVAC BLO, AUDIO AMP Fuses and the RAP and F/PMP Relays (Fuse Block Rear)
IGN3 and ABS Fuses (Fuse Block Rear)
Figure 22:

HVAC BLO, AUDIO AMP Fuses and the RAP and F/PMP Relays (Fuse Block Rear)


Object Number: 867693  Size: FS