GM Service Manual Online
For 1990-2009 cars only
Figure 1:

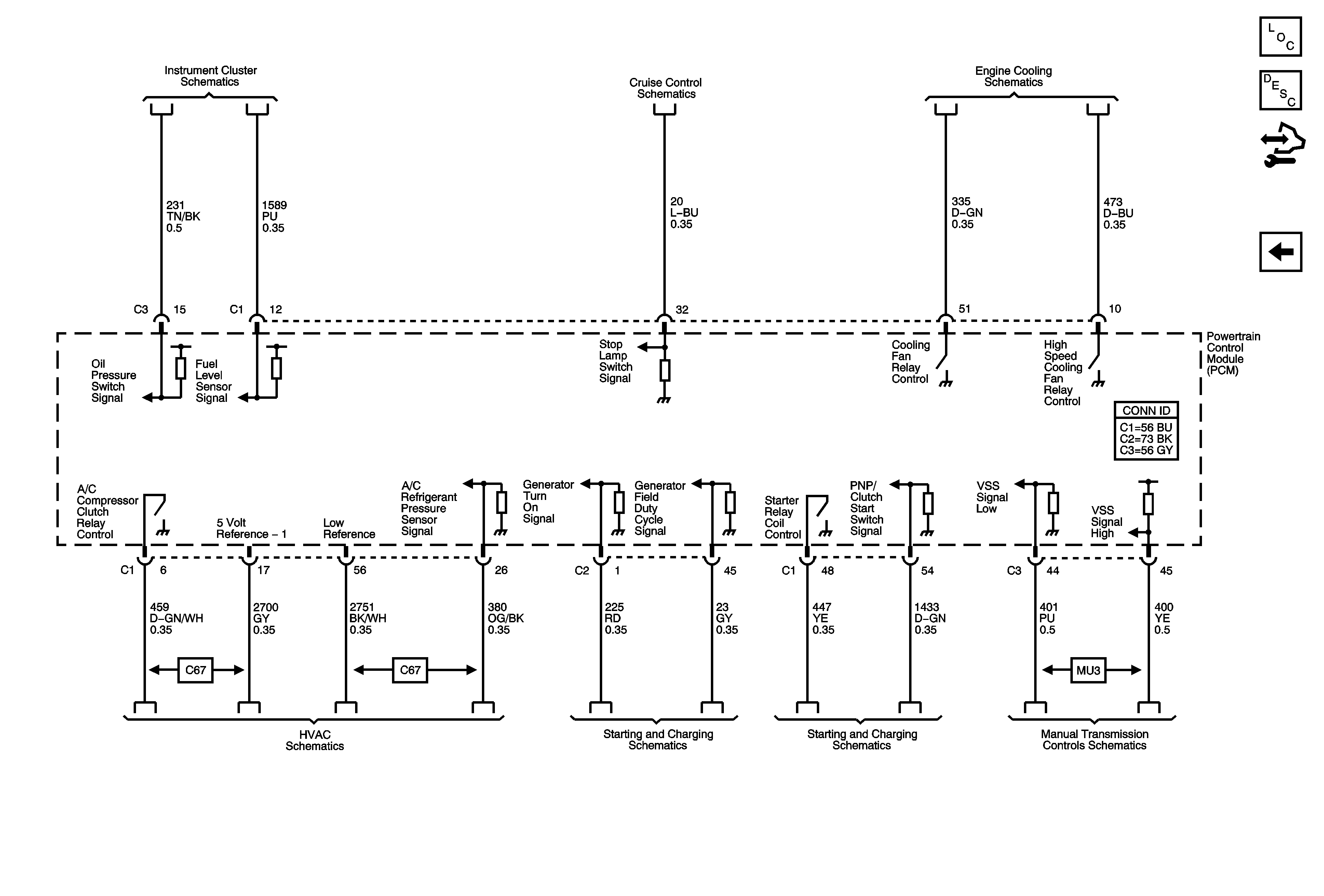
Power, Ground, MIL, Communication


Object Number: 1784246  Size: FS
Master Electrical Component List
Powertrain Control Module Description
Control Module References
5-Volt and Low Reference Bussing
Underhood Fuse Block Fuses- ABS, ABS2, BCK UP, CNSTR VENT, ECM/TRANS, EPS, HTD SEATS, IP IGN, LTR, MIR, PRK/NEUT, S-BAND/ONSTAR, and RUN/CRANK Relay
Underhood Fuse Block Fuses- EMISN, FUEL PMP, INJ, PCM/ECM, and FUEL PMP Relay and PWR/TRN Relay
Body Control Module - AUDIO AMPLIFIER Fuse, BCM2 Fuse, CLUSTER Fuse, IGN SW Fuse, STOP LPS Fuse
Body Control Module - AUDIO AMPLIFIER Fuse, BCM2 Fuse, CLUSTER Fuse, IGN SW Fuse, STOP LPS Fuse
Body Control Module - AUDIO AMPLIFIER Fuse, BCM2 Fuse, CLUSTER Fuse, IGN SW Fuse, STOP LPS Fuse
Body Control Module - AUDIO AMPLIFIER Fuse, BCM2 Fuse, CLUSTER Fuse, IGN SW Fuse, STOP LPS Fuse
G101, G102
High Speed GMLAN
G301 (2 of 2)
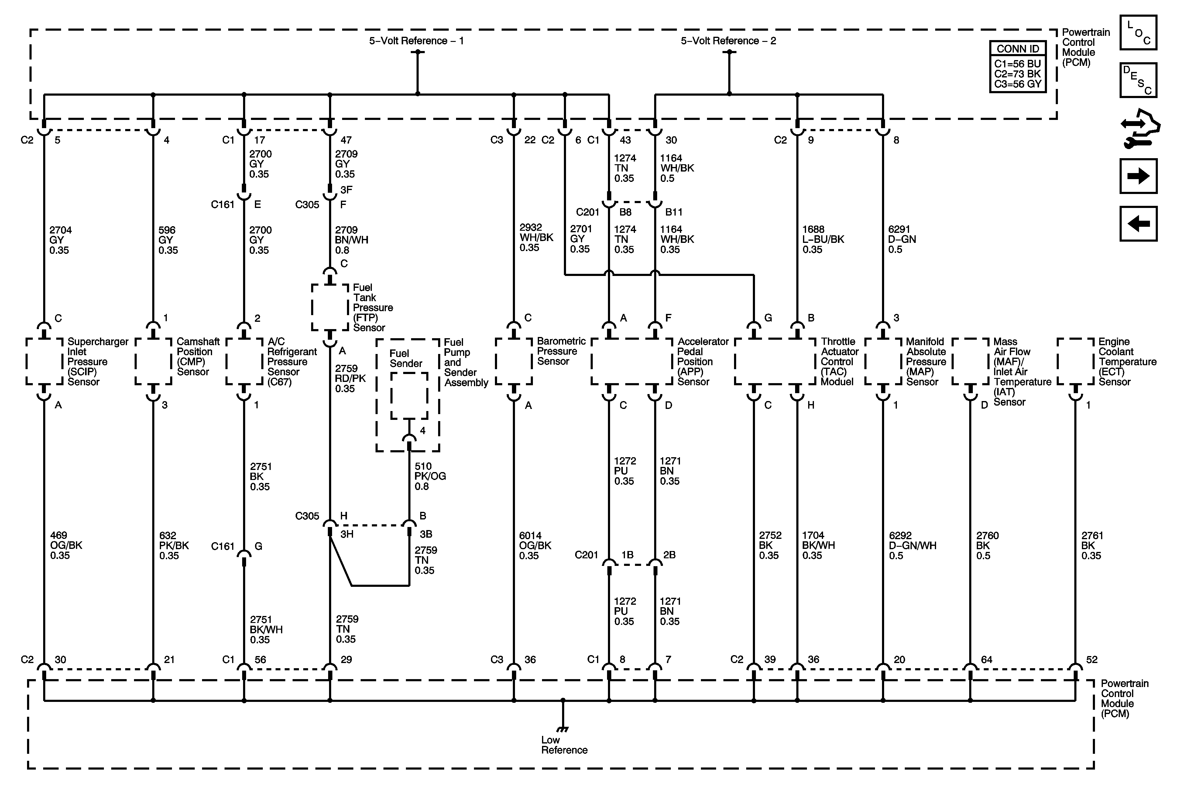
Figure 2:

5-Volt and Low Reference Bussing


Object Number: 1784248  Size: FS
Master Electrical Component List
Powertrain Control Module Description
Control Module References
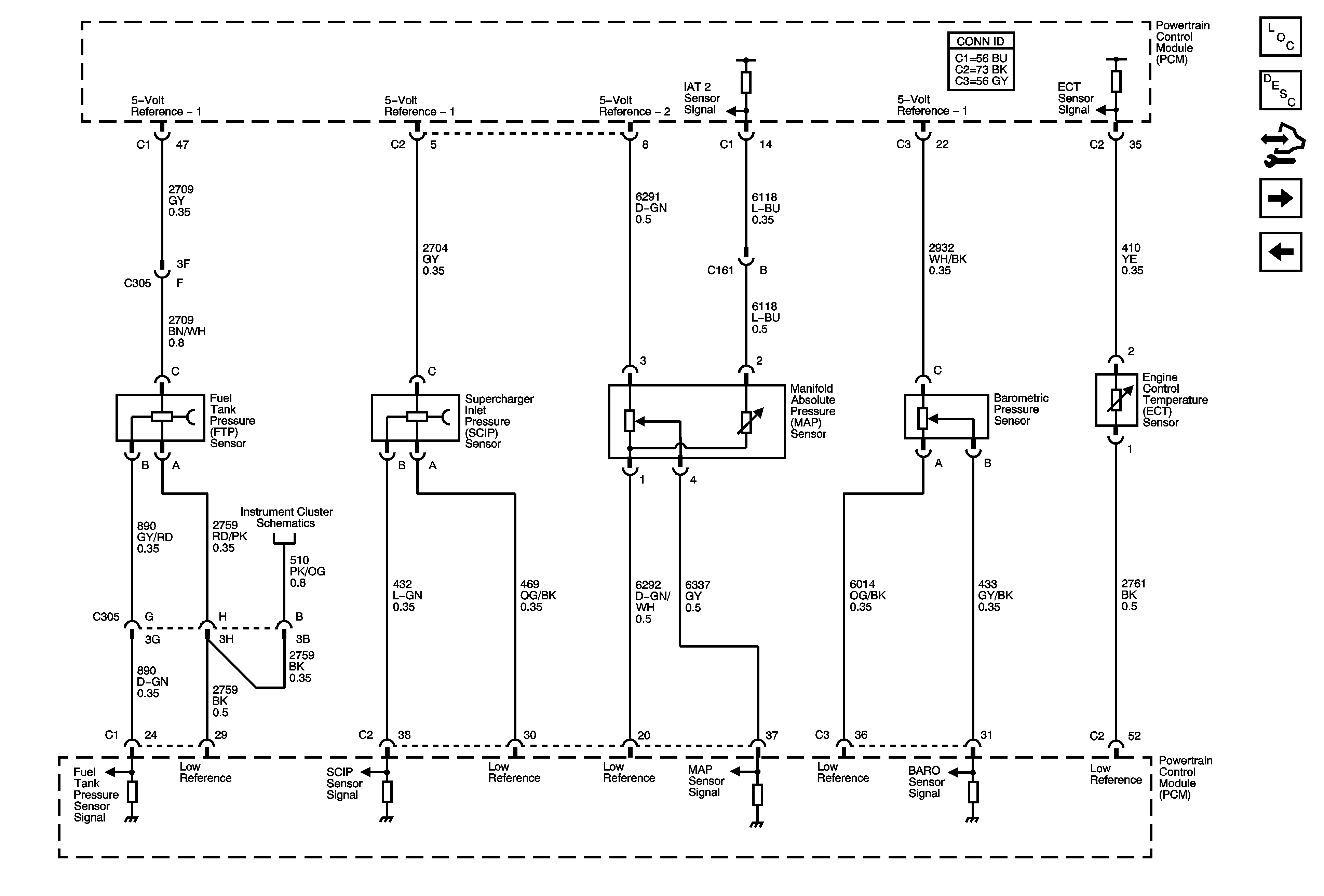
Engine Data Sensors - Pressure, Temperature
Power, Ground, MIL, Communication
Figure 3:

Engine Data Sensors - Pressure, Temperature


Object Number: 1784249  Size: FS
Master Electrical Component List
Powertrain Control Module Description
Control Module References
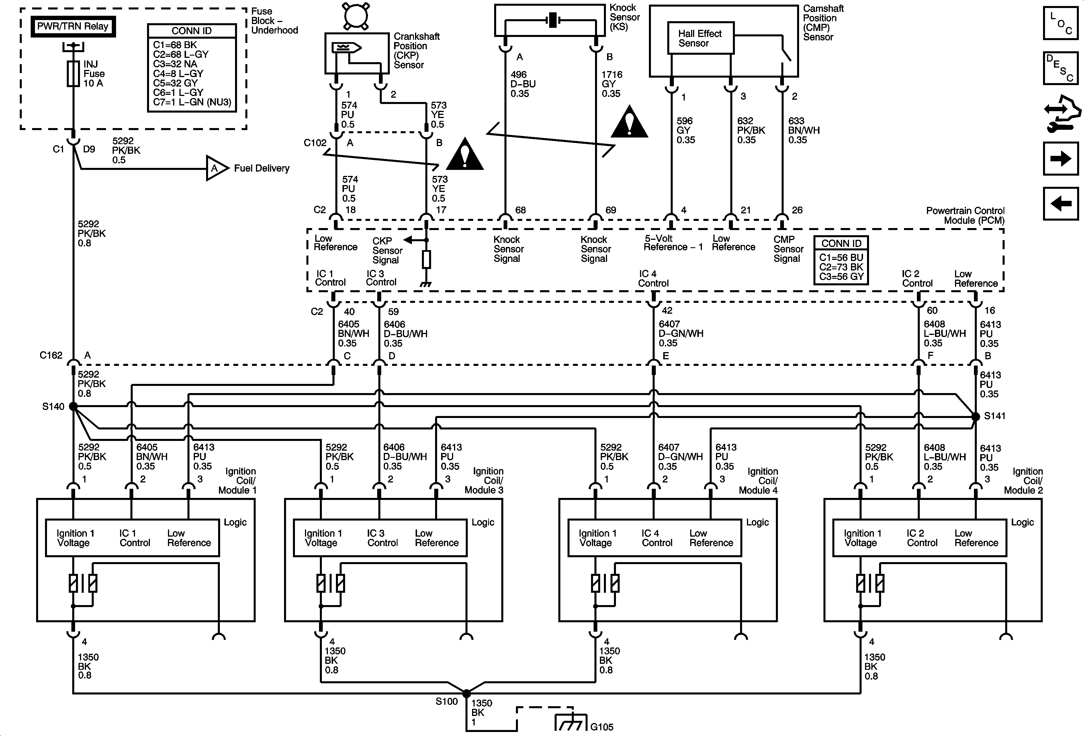
Engine Data Sensors - MAF/IAT, CKP, KS, CMP, VSS
5-Volt and Low Reference Bussing
Figure 4:

Engine Data Sensors - MAF/IAT, CKP, KS, CMP, VSS


Object Number: 1784250  Size: FS
Master Electrical Component List
Throttle Actuator Control (TAC) System Description
Control Module References
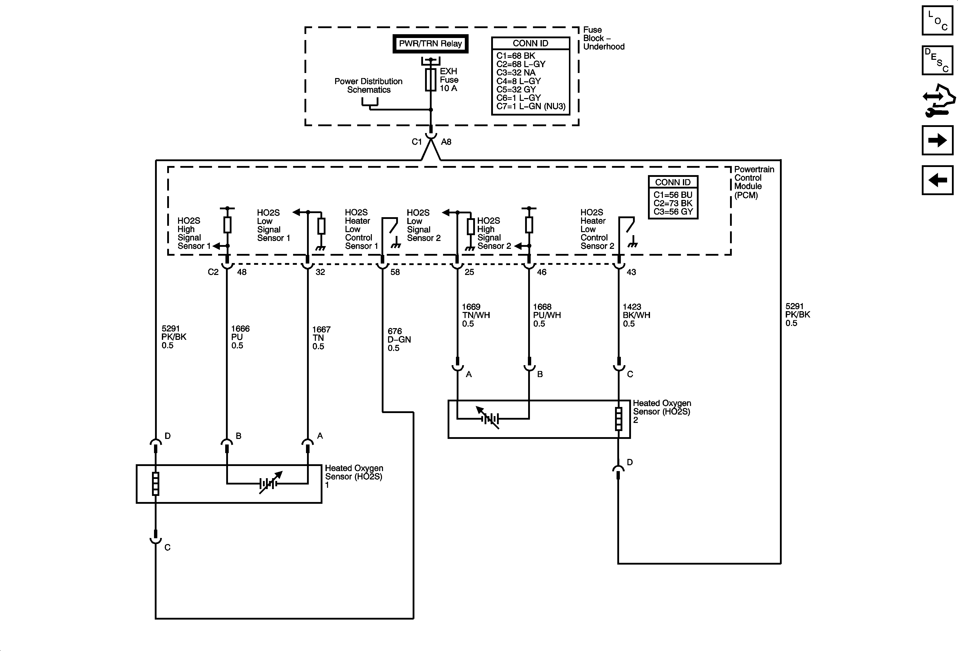
Engine Data Sensors - HO2S
Engine Data Sensors - Pressure, Temperature
Underhood Fuse Block Fuses- EMISN, FUEL PMP, INJ, PCM/ECM, and FUEL PMP Relay and PWR/TRN Relay
Underhood Fuse Block IP IGN Fuse, Body Control Module Fuses - AIRBAG, EPS/STR WHL CNTRL, HVAC/IP IGN, WPR
Power, Ground, Blower Motor
Manual Transmission Schematic
G103, G105, G107
Engine Controls Schematic Icons
Engine Controls Schematic Icons
Figure 5:

Engine Data Sensors - HO2S


Object Number: 1784251  Size: FS
Master Electrical Component List
Evaporative Emission Control System Description
Control Module References
Engine Data Sensors - APP, TAC
Engine Data Sensors - MAF/IAT, CKP, KS, CMP, VSS
Underhood Fuse Block Fuses- EMISN, FUEL PMP, INJ, PCM/ECM, and FUEL PMP Relay and PWR/TRN Relay
Figure 6:

Engine Data Sensors - APP, TAC


Object Number: 1784252  Size: FS
Master Electrical Component List
Throttle Actuator Control (TAC) System Description
Control Module References
Ignition Controls
Engine Data Sensors - HO2S
Figure 7:

Ignition Controls


Object Number: 1784254  Size: FS
Master Electrical Component List
Electronic Ignition (EI) System Description
Control Module References
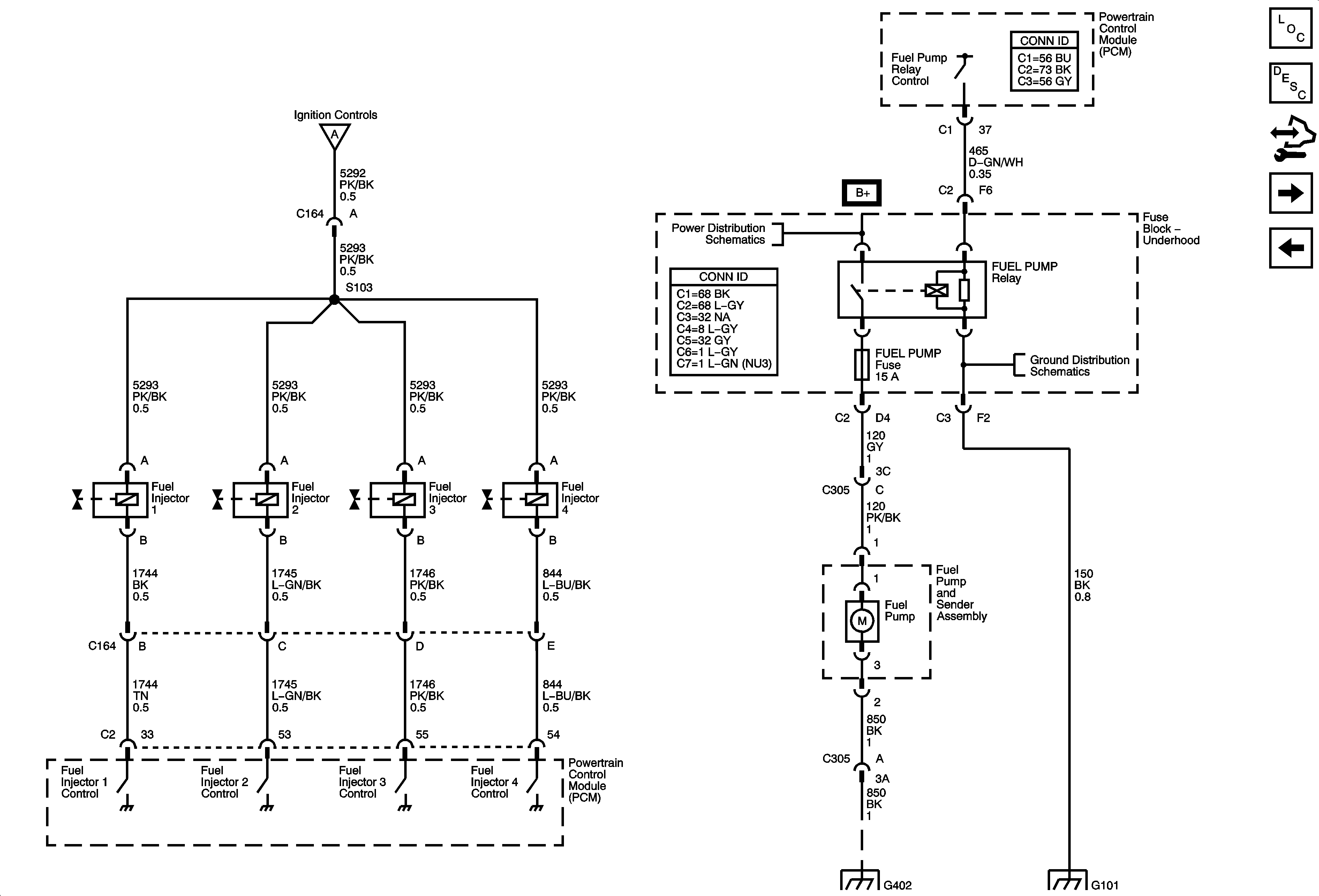
Fuel Delivery
Engine Data Sensors - APP, TAC
Fuel Delivery
G103, G105, G107
Engine Controls Schematic Icons
Engine Controls Schematic Icons
Figure 8:

Fuel Delivery


Object Number: 1784255  Size: FS
Master Electrical Component List
Fuel System Description
Control Module References
Engine Data Sensors - EVAP, Aftercooler Pump, Supercharger Control
Ignition Controls
Ignition Controls
Underhood Fuse Block Fuses- EMISN, FUEL PMP, INJ, PCM/ECM, and FUEL PMP Relay and PWR/TRN Relay
G101, G102
G402, G403
G101, G102
Figure 9:

Engine Data Sensors - EVAP, Aftercooler Pump, Supercharger Controls


Object Number: 1784256  Size: FS
Master Electrical Component List
Evaporative Emission Control System Description
Control Module References
Controlled/Monitored Subsystem References
Fuel Delivery
Underhood Fuse Block Fuses- AFTERCOOL, AIR PMP, AIR SOL, FOG LP, HORN, TRUNK/OUTLET
Underhood Fuse Block Fuses- ABS, ABS2, BCK UP, CNSTR VENT, ECM/TRANS, EPS, HTD SEATS, IP IGN, LTR, MIR, PRK/NEUT, S-BAND/ONSTAR, and RUN/CRANK Relay
Underhood Fuse Block Fuses- ABS, ABS2, BCK UP, CNSTR VENT, ECM/TRANS, EPS, HTD SEATS, IP IGN, LTR, MIR, PRK/NEUT, S-BAND/ONSTAR, and RUN/CRANK Relay
G103, G105, G107
Figure 10:

Controlled/Monitored Subsystem References


Object Number: 1784258  Size: FS
Master Electrical Component List
Powertrain Control Module Description
Control Module References
Engine Data Sensors - EVAP, Aftercooler Pump, Supercharger Control
Sensors, Indicators
Clutch Pedal Position Switch, Stop Lamp Switch
LE5
Compressor Controls
Charging
Starting
Manual Transmission Schematic