GM Service Manual Online
For 1990-2009 cars only
Makes
🢒
Pontiac
🢒
2006
🢒
G6
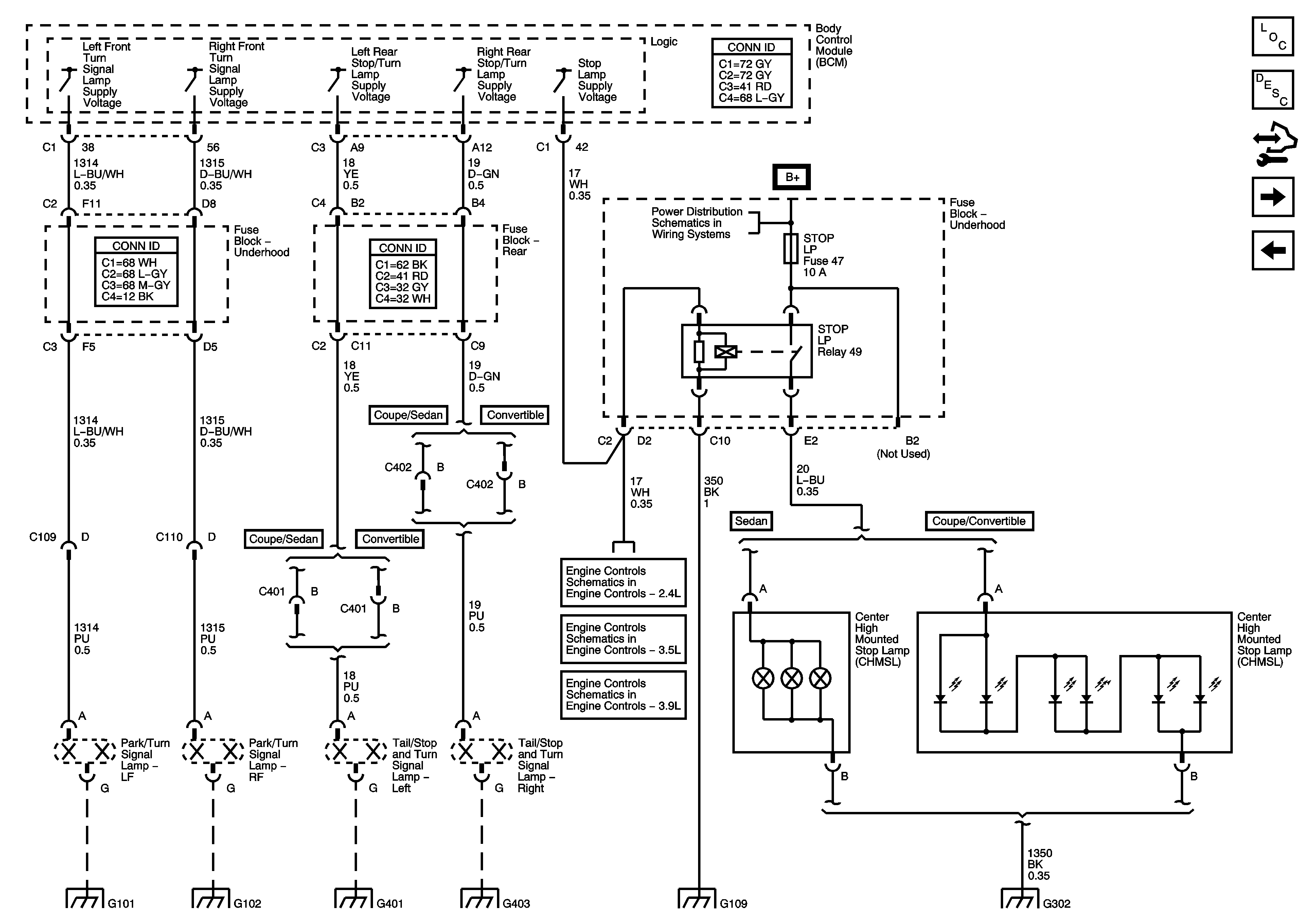
🢒 Turn Signals and Stop Lamps
Turn Signals and Stop Lamps
Turn Signals and Stop Lamps
Master Electrical Component List
Exterior Lighting Systems Description and Operation
Control Module References
Park Lamps
Ambient Light Sensor, Brake Pedal Position Sensor, Hazard Switch and Turn Signal/Multifunction Switch
Underhood Fuse Block - B+
MAF, VSS and Extended Brake Travel Switch
Electronic Throttle Controls
MAF, VSS and Extended Brake Travel Switch
G101 and G102
G101 and G102
G109
G302